ASTM D5159-21
(Guide)Standard Guide for Dusting Attrition of Granular Activated Carbon
Standard Guide for Dusting Attrition of Granular Activated Carbon
SIGNIFICANCE AND USE
4.1 Three forces can mechanically degrade a granular activated carbon: impact, crushing, and attrition. Of these three, attrition, or abrasion, is the most common cause of dust formation in actual service. Published test procedures to determine the “hardness” of activated carbons produce results that in general cannot be correlated with field experience. For example, the ball-pan hardness test applies all three forces to the sample in a variable manner determined by the size, shape, and density of the particles. The “stirring bar” abrasion test measures attrition so long as the particle size is smaller than 12 mesh. There is some evidence, however, that the results of this test method are influenced by particle geometry. The procedure set forth in this guide measures the effect of friction forces between vibrating or slowly moving particles during the test and may be only slightly dependent on particle size, shape, and density effects.
SCOPE
1.1 This guide presents a procedure for evaluating the resistance to dusting attrition of granular activated carbons. For the purpose of this guide, the dust attrition coefficient, DA, is defined as the weight (or calculated volume) of dust per unit time, collected on a preweighed filter, in a given vibrating device during a designated time per unit weight of carbon. The initial dust content of the sample may also be determined. Granular activated carbon is defined as a minimum of 90 % being larger than 80 mesh (0.18 mm) (see Test Methods D2867).
1.2 The values stated in SI units are to be regarded as the standard. The inch-pound units given in parentheses are for information only.
1.3 This standard does not purport to address all of the safety concerns, if any, associated with its use. It is the responsibility of the user of this standard to establish appropriate safety, health, and environmental practices and determine the applicability of regulatory limitations prior to use.
1.4 This international standard was developed in accordance with internationally recognized principles on standardization established in the Decision on Principles for the Development of International Standards, Guides and Recommendations issued by the World Trade Organization Technical Barriers to Trade (TBT) Committee.
General Information
- Status
- Published
- Publication Date
- 31-May-2021
- Technical Committee
- D28 - Activated Carbon
- Drafting Committee
- D28.04 - Gas Phase Evaluation Tests
Relations
- Effective Date
- 01-Jul-2014
- Effective Date
- 01-Oct-2013
- Effective Date
- 01-Nov-2009
- Effective Date
- 01-May-2009
- Effective Date
- 01-Apr-2009
- Effective Date
- 01-Oct-2004
- Effective Date
- 01-May-2004
- Effective Date
- 01-Apr-2004
- Effective Date
- 10-May-2001
- Effective Date
- 10-May-2001
- Effective Date
- 01-Jan-2000
- Effective Date
- 10-Feb-1999
Overview
ASTM D5159-21: Standard Guide for Dusting Attrition of Granular Activated Carbon is a crucial standard developed by ASTM International for assessing the resistance of granular activated carbon (GAC) to dusting due to mechanical abrasion. This guide details standardized procedures for evaluating how effectively GAC withstands attrition, or the generation of dust, during handling and use. This is particularly important because dust formation can impact the efficiency, safety, and longevity of carbon filtration systems used across various industries.
Granular activated carbon plays a vital role in air and water purification, industrial processing, and chemical manufacturing. Excessive dusting can compromise filtration performance, cause equipment fouling, and reduce product quality. This guide establishes reproducible methods for measuring the dust attrition coefficient, helping manufacturers and users ensure that their granular activated carbon products meet performance expectations in real-world applications.
Key Topics
- Mechanical Degradation Forces: Identifies three main forces that can break down GAC - impact, crushing, and attrition, with attrition being the most common source of dust in operational settings.
- Attrition Testing Procedure: Outlines the use of a vibrating apparatus to simulate typical service conditions and measure the dust generated over time, providing a dust attrition coefficient as a key performance metric.
- Definitions: Specifies that granular activated carbon must have at least 90% of particles larger than 80 mesh (0.18 mm), referencing ASTM D2867 for further guidance.
- Measurement and Calculation:
- Utilizes a pre-weighed particulate filter to collect dust.
- Measures dust production at set intervals (commonly six 10-minute intervals).
- Emphasizes the calculation of dust attrition coefficient (DA) and initial dust content for comprehensive evaluation.
- Reproducibility and Validity: Stresses the importance of repeatability in test results and recommends linear regression analysis to ensure statistical reliability.
- Standardization and Units: All measurements are reported in SI units; inch-pound values are for information only.
Applications
ASTM D5159-21 is broadly applicable in industries that utilize granular activated carbon for filtration, purification, or chemical processing, including:
- Water and Wastewater Treatment: Ensuring GAC maintains its integrity and minimizes dust, which can cause turbidity and clog filtration equipment.
- Air Purification and Industrial Gas Processing: Reducing airborne carbon fines, which can contaminate downstream processes or worsen indoor air quality.
- Food and Beverage Manufacturing: Assessing GAC suitability for ingredient purification, where product cleanliness and absence of foreign particulates are critical.
- Pharmaceuticals and Chemicals: Maintaining high standards of purity by selecting GAC with low dusting characteristics.
- Product Development and Quality Control: GAC producers rely on standardized dust attrition testing to benchmark materials and improve product formulations.
By using ASTM D5159-21, organizations can select, specify, and monitor activated carbon that meets stringent operational and regulatory requirements for particulate control and product stability.
Related Standards
For comprehensive testing and material characterization, the following ASTM standards are commonly referenced in conjunction with ASTM D5159-21:
- ASTM D2854 – Test Method for Apparent Density of Activated Carbon
- ASTM D2867 – Test Methods for Moisture in Activated Carbon
- ASTM E11 – Specification for Woven Wire Test Sieve Cloth and Test Sieves
- ASTM E300 – Practice for Sampling Industrial Chemicals
Employing these standards together enables thorough quality assessment of granular activated carbon, supporting consistent performance and regulatory compliance across diverse industries.
Keywords: ASTM D5159-21, dusting attrition, granular activated carbon, activated carbon testing, dust attrition coefficient, filtration media, carbon fines, GAC quality, industrial standards, purification systems.
Buy Documents
ASTM D5159-21 - Standard Guide for Dusting Attrition of Granular Activated Carbon
REDLINE ASTM D5159-21 - Standard Guide for Dusting Attrition of Granular Activated Carbon
Get Certified
Connect with accredited certification bodies for this standard

ECOCERT
Organic and sustainability certification.

Eurofins Food Testing Global
Global leader in food, environment, and pharmaceutical product testing.
IMP NDT d.o.o.
Non-destructive testing services. Radiography, ultrasonic, magnetic particle, penetrant, visual inspection.
Sponsored listings
Frequently Asked Questions
ASTM D5159-21 is a guide published by ASTM International. Its full title is "Standard Guide for Dusting Attrition of Granular Activated Carbon". This standard covers: SIGNIFICANCE AND USE 4.1 Three forces can mechanically degrade a granular activated carbon: impact, crushing, and attrition. Of these three, attrition, or abrasion, is the most common cause of dust formation in actual service. Published test procedures to determine the “hardness” of activated carbons produce results that in general cannot be correlated with field experience. For example, the ball-pan hardness test applies all three forces to the sample in a variable manner determined by the size, shape, and density of the particles. The “stirring bar” abrasion test measures attrition so long as the particle size is smaller than 12 mesh. There is some evidence, however, that the results of this test method are influenced by particle geometry. The procedure set forth in this guide measures the effect of friction forces between vibrating or slowly moving particles during the test and may be only slightly dependent on particle size, shape, and density effects. SCOPE 1.1 This guide presents a procedure for evaluating the resistance to dusting attrition of granular activated carbons. For the purpose of this guide, the dust attrition coefficient, DA, is defined as the weight (or calculated volume) of dust per unit time, collected on a preweighed filter, in a given vibrating device during a designated time per unit weight of carbon. The initial dust content of the sample may also be determined. Granular activated carbon is defined as a minimum of 90 % being larger than 80 mesh (0.18 mm) (see Test Methods D2867). 1.2 The values stated in SI units are to be regarded as the standard. The inch-pound units given in parentheses are for information only. 1.3 This standard does not purport to address all of the safety concerns, if any, associated with its use. It is the responsibility of the user of this standard to establish appropriate safety, health, and environmental practices and determine the applicability of regulatory limitations prior to use. 1.4 This international standard was developed in accordance with internationally recognized principles on standardization established in the Decision on Principles for the Development of International Standards, Guides and Recommendations issued by the World Trade Organization Technical Barriers to Trade (TBT) Committee.
SIGNIFICANCE AND USE 4.1 Three forces can mechanically degrade a granular activated carbon: impact, crushing, and attrition. Of these three, attrition, or abrasion, is the most common cause of dust formation in actual service. Published test procedures to determine the “hardness” of activated carbons produce results that in general cannot be correlated with field experience. For example, the ball-pan hardness test applies all three forces to the sample in a variable manner determined by the size, shape, and density of the particles. The “stirring bar” abrasion test measures attrition so long as the particle size is smaller than 12 mesh. There is some evidence, however, that the results of this test method are influenced by particle geometry. The procedure set forth in this guide measures the effect of friction forces between vibrating or slowly moving particles during the test and may be only slightly dependent on particle size, shape, and density effects. SCOPE 1.1 This guide presents a procedure for evaluating the resistance to dusting attrition of granular activated carbons. For the purpose of this guide, the dust attrition coefficient, DA, is defined as the weight (or calculated volume) of dust per unit time, collected on a preweighed filter, in a given vibrating device during a designated time per unit weight of carbon. The initial dust content of the sample may also be determined. Granular activated carbon is defined as a minimum of 90 % being larger than 80 mesh (0.18 mm) (see Test Methods D2867). 1.2 The values stated in SI units are to be regarded as the standard. The inch-pound units given in parentheses are for information only. 1.3 This standard does not purport to address all of the safety concerns, if any, associated with its use. It is the responsibility of the user of this standard to establish appropriate safety, health, and environmental practices and determine the applicability of regulatory limitations prior to use. 1.4 This international standard was developed in accordance with internationally recognized principles on standardization established in the Decision on Principles for the Development of International Standards, Guides and Recommendations issued by the World Trade Organization Technical Barriers to Trade (TBT) Committee.
ASTM D5159-21 is classified under the following ICS (International Classification for Standards) categories: 19.120 - Particle size analysis. Sieving; 71.040.30 - Chemical reagents. The ICS classification helps identify the subject area and facilitates finding related standards.
ASTM D5159-21 has the following relationships with other standards: It is inter standard links to ASTM D2854-09(2014), ASTM E11-13, ASTM D2867-09, ASTM E11-09e1, ASTM D2854-09, ASTM D2854-96(2004), ASTM E11-04, ASTM D2867-04, ASTM E11-01, ASTM E11-95, ASTM D2854-96(2000), ASTM D2867-99. Understanding these relationships helps ensure you are using the most current and applicable version of the standard.
ASTM D5159-21 is available in PDF format for immediate download after purchase. The document can be added to your cart and obtained through the secure checkout process. Digital delivery ensures instant access to the complete standard document.
Standards Content (Sample)
This international standard was developed in accordance with internationally recognized principles on standardization established in the Decision on Principles for the
Development of International Standards, Guides and Recommendations issued by the World Trade Organization Technical Barriers to Trade (TBT) Committee.
Designation: D5159 − 21
Standard Guide for
Dusting Attrition of Granular Activated Carbon
This standard is issued under the fixed designation D5159; the number immediately following the designation indicates the year of
original adoption or, in the case of revision, the year of last revision.Anumber in parentheses indicates the year of last reapproval.A
superscript epsilon (´) indicates an editorial change since the last revision or reapproval.
1. Scope E300Practice for Sampling Industrial Chemicals
1.1 This guide presents a procedure for evaluating the
3. Summary of Guide
resistancetodustingattritionofgranularactivatedcarbons.For
3.1 A known volume of known weight of the granular
the purpose of this guide, the dust attrition coefficient, DA,is
activated carbon is placed in a sample holder and vibrated at
defined as the weight (or calculated volume) of dust per unit
constant acceleration (g) for a known time. The dust is carried
time, collected on a preweighed filter, in a given vibrating
by an air stream passing through the vibrating sample and is
device during a designated time per unit weight of carbon.The
then collected on a preweighed filter. The quantities of dust
initial dust content of the sample may also be determined.
collected in six 10-min intervals are determined by weighings
Granular activated carbon is defined as a minimum of 90 %
on an analytical balance.
being larger than 80 mesh (0.18 mm) (see Test Methods
D2867).
4. Significance and Use
1.2 The values stated in SI units are to be regarded as the
4.1 Three forces can mechanically degrade a granular acti-
standard. The inch-pound units given in parentheses are for
vated carbon: impact, crushing, and attrition. Of these three,
information only.
attrition, or abrasion, is the most common cause of dust
1.3 This standard does not purport to address all of the
formation in actual service. Published test procedures to
safety concerns, if any, associated with its use. It is the
determine the “hardness” of activated carbons produce results
responsibility of the user of this standard to establish appro-
that in general cannot be correlated with field experience. For
priate safety, health, and environmental practices and deter-
example, the ball-pan hardness test applies all three forces to
mine the applicability of regulatory limitations prior to use.
the sample in a variable manner determined by the size, shape,
1.4 This international standard was developed in accor-
and density of the particles. The “stirring bar” abrasion test
dance with internationally recognized principles on standard-
measuresattritionsolongastheparticlesizeissmallerthan12
ization established in the Decision on Principles for the
mesh.There is some evidence, however, that the results of this
Development of International Standards, Guides and Recom-
testmethodareinfluencedbyparticlegeometry.Theprocedure
mendations issued by the World Trade Organization Technical
set forth in this guide measures the effect of friction forces
Barriers to Trade (TBT) Committee.
between vibrating or slowly moving particles during the test
andmaybeonlyslightlydependentonparticlesize,shape,and
2. Referenced Documents
density effects.
2.1 ASTM Standards:
D2854Test Method for Apparent Density of Activated 5. Apparatus
Carbon
5.1 Vibrating Table, capable of providing an RMS (root
D2867Test Methods for Moisture in Activated Carbon
mean square) acceleration of 40 m/s/s (4 g).
E11Specification forWovenWireTest Sieve Cloth andTest
5.2 Test Cell, such as shown in Fig. 1, preferably made of
Sieves
aluminum or other electrically conductive material.
5.3 Piezoelectric Accelerometer, capable of measuring an
This guide is under the jurisdiction of ASTM Committee D28 on Activated RMSaccelerationchosenbytheuser.Avalueof40m/s/s(4g)
Carbon and is the direct responsibility of Subcommittee D28.04 on Gas Phase
is suitable when using the apparatus in Figs. 1 and 2.
Evaluation Tests.
Current edition approved June 1, 2021. Published June 2021. Originally 5.4 Signal Conditioner, to interface the accelerometer with
approved in 1991. Last previous edition approved in 2020 as D5159–04 (2020).
an AC millivolt meter, capable of producing a linear output
DOI: 10.1520/D5159-21.
voltage from 0 to 1 V-ac, proportional to the acceleration.
For referenced ASTM standards, visit the ASTM website, www.astm.org, or
contact ASTM Customer Service at service@astm.org. For Annual Book of ASTM
5.5 Voltmeter, 0 to 1 V-ac.
Standards volume information, refer to the standard’s Document Summary page on
the ASTM website. 5.6 Ammeter, ac, 0 to 1000 mA accurate to 1 mA.
Copyright © ASTM International, 100 Barr Harbor Drive, PO Box C700, West Conshohocken, PA 19428-2959. United States
D5159 − 21
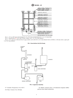
3 1
NOTE 1—2 ⁄4 in. (69.9 mm) inside diameter by 3 in. (76.2 mm) outside diameter by ⁄16 in. (1.6 mm) thick.
NOTE 2—Specification E11 wire cloth, 250 µm, stainless wire, 3 in. (76.2 mm) diameter.
NOTE 3—37% open area, fabricated from 24 gage stainless steel with 0.45 in. (11.4 mm) diameter holes on 0.066 in. (1.68 mm) centers, square grid
3 in. (76.2 mm) diameter.
FIG. 1 Dust Attrition Cell (Full Scale)
FIG. 2 Apparatus Assembly
5.7 Variable Transformer,0to120V. 5.9 Rubber Isolation Pad, a 45 durometer neoprene rubber
pad has been found satisfactory.
5.8 Timer Control, 0 to 120 min.
D5159 − 21
7.6 Connect the vibrator to the variable transformer and
connect the transformer to a timer control with the milliam-
meter in series (see Fig. 4).
7.7 Connecttheairoutletoftheattritiontestcelltotheflow
meter,andconnecttheflowmetertoavacuumsource(seeFig.
4).
8. Procedure
8.1 Measureaknownvolume(about100mL)ofthesample
intoatared,graduatedcylinderusingthemethoda
...
This document is not an ASTM standard and is intended only to provide the user of an ASTM standard an indication of what changes have been made to the previous version. Because
it may not be technically possible to adequately depict all changes accurately, ASTM recommends that users consult prior editions as appropriate. In all cases only the current version
of the standard as published by ASTM is to be considered the official document.
Designation: D5159 − 04 (Reapproved 2020) D5159 − 21
Standard Guide for
Dusting Attrition of Granular Activated Carbon
This standard is issued under the fixed designation D5159; the number immediately following the designation indicates the year of
original adoption or, in the case of revision, the year of last revision. A number in parentheses indicates the year of last reapproval. A
superscript epsilon (´) indicates an editorial change since the last revision or reapproval.
1. Scope
1.1 This guide presents a procedure for evaluating the resistance to dusting attrition of granular activated carbons. For the purpose
of this guide, the dust attrition coefficient, DA, is defined as the weight (or calculated volume) of dust per unit time, collected on
a preweighed filter, in a given vibrating device during a designated time per unit weight of carbon. The initial dust content of the
sample may also be determined. Granular activated carbon is defined as a minimum of 90 % being larger than 80 mesh (0.18 mm)
(see Test Methods D2867).
1.2 The values stated in SI units are to be regarded as the standard. The inch-pound units given in parentheses are for information
only.
1.3 This standard does not purport to address all of the safety concerns, if any, associated with its use. It is the responsibility
of the user of this standard to establish appropriate safety, health, and environmental practices and determine the applicability of
regulatory limitations prior to use.
1.4 This international standard was developed in accordance with internationally recognized principles on standardization
established in the Decision on Principles for the Development of International Standards, Guides and Recommendations issued
by the World Trade Organization Technical Barriers to Trade (TBT) Committee.
2. Referenced Documents
2.1 ASTM Standards:
D2854 Test Method for Apparent Density of Activated Carbon
D2867 Test Methods for Moisture in Activated Carbon
E11 Specification for Woven Wire Test Sieve Cloth and Test Sieves
E300 Practice for Sampling Industrial Chemicals
3. Summary of Guide
3.1 A known volume of known weight of the granular activated carbon is placed in a sample holder and vibrated at constant
acceleration (g) for a known time. The dust is carried by an air stream passing through the vibrating sample and is then collected
on a preweighed filter. The quantities of dust collected in six 10-min intervals are determined by weighings on an analytical
balance.
This guide is under the jurisdiction of ASTM Committee D28 on Activated Carbon and is the direct responsibility of Subcommittee D28.04 on Gas Phase Evaluation
Tests.
Current edition approved Jan. 1, 2020June 1, 2021. Published January 2020June 2021. Originally approved in 1991. Last previous edition approved in 20142020 as
D5159 – 04 (2014).(2020). DOI: 10.1520/D5159-04R20.10.1520/D5159-21.
For referenced ASTM standards, visit the ASTM website, www.astm.org, or contact ASTM Customer Service at service@astm.org. For Annual Book of ASTM Standards
volume information, refer to the standard’s Document Summary page on the ASTM website.
Copyright © ASTM International, 100 Barr Harbor Drive, PO Box C700, West Conshohocken, PA 19428-2959. United States
D5159 − 21
3 1
NOTE 1—2 ⁄4 in. (69.9 mm) inside diameter by 3 in. (76.2 mm) outside diameter by ⁄16 in. (1.6 mm) thick.
NOTE 2—Specification E11 wire cloth, 250 μm, stainless wire, 3 in. (76.2 mm) diameter.
NOTE 3—37 % open area, fabricated from 24 gage stainless steel with 0.45 in. (11.4 mm) diameter holes on 0.066 in. (1.68 mm) centers, square grid
3 in. (76.2 mm) diameter.
FIG. 1 Dust Attrition Cell (Full Scale)
4. Significance and Use
4.1 Three forces can mechanically degrade a granular activated carbon: impact, crushing, and attrition. Of these three, attrition,
or abrasion, is the most common cause of dust formation in actual service. Published test procedures to determine the “hardness”
of activated carbons produce results that in general cannot be correlated with field experience. For example, the ball-pan hardness
test applies all three forces to the sample in a variable manner determined by the size, shape, and density of the particles. The
“stirring bar” abrasion test measures attrition so long as the particle size is smaller than 12 mesh. There is some evidence, however,
that the results of this test method are influenced by particle geometry. The procedure set forth in this guide measures the effect
of friction forces between vibrating or slowly moving particles during the test and may be only slightly dependent on particle size,
shape, and density effects.
5. Apparatus
5.1 Vibrating Table, capable of providing an RMS (root mean square) acceleration of 40 m/s/s (4 g).
5.2 Test Cell, such as shown in Fig. 1, preferably made of aluminum or other electrically conductive material.
5.3 Piezoelectric Accelerometer, capable of measuring an RMS acceleration chosen by the user. A value of 40 m/s/s (4 g) is
suitable when using the apparatus in Figs. 1 and 2.
5.4 Signal Conditioner, to interface the accelerometer with an AC millivolt meter, capable of producing a linear output voltage
from 0 to 1 V-ac, proportional to the acceleration.
5.5 Voltmeter, 0 to 1 V-ac.
5.6 Ammeter, ac, 0 to 1000 mA accurate to 1 mA.
5.7 Variable Transformer, 0 to 120 V.
D5159 − 21
FIG. 2 Apparatus Assembly
5.8 Timer Control, 0 to 120 min.
5.9 Rubber Isolation Pad, a 45 durometer neoprene rubber pad has been found satisfactory.
5.10 Flowmeter, Flow Meter, with flow control valve capable of controlling air flow at the flow rate chosen by the user of this
guide. A flow of about 7 L/min is suitable when using the apparatus of Figs. 1 and 2.
5.11 Particulate Filter, sized to interface with test cell, capable of capturing carbon fines. Several commercial glass fiber filters
have been found satisfactory. Also effective are the particulate filters sold for respiratory protection against paint spray or other
particulate hazards.
5.12 Graduated Cylinder, 100-mL capacity.
5.13 Analytical Balance, capable of weighing to 0.1 mg.
6. Sampling, Test Specimens, and Test Units
6.1 Guidance in sampling granular activated carb
...








Questions, Comments and Discussion
Ask us and Technical Secretary will try to provide an answer. You can facilitate discussion about the standard in here.
Loading comments...