ISO 6545:1992
(Main)Acceptance conditions for gear hobbing machines - Testing of the accuracy
Acceptance conditions for gear hobbing machines - Testing of the accuracy
Specifies geometrical tests and practical tests with reference to ISO 230-1 and also kinematic tests (accuracy of the transmission of motion). Also gives the terminology used for the main elements of the machine.
Conditions de réception des machines à tailler les engrenages par fraise-mère — Contrôle de la précision
La présente Norme internationale indique les vérifications géométriques et les épreuves pratiques, par référence à l'ISO 230-1, ainsi que les vérifications cinématiques (précision des chaînes cinématiques) des machines à tailler les engrenages par fraise-mère, d'usage général et de précision normale, à broche horizontale ou verticale. La présente Norme internationale donne aussi la terminologie utilisée pour les éléments principaux de la machine. NOTE -- En complément des termes utilisés dans les trois langues officielles de l'ISO (anglais, français et russe) cette Norme internationale donne les termes équivalents dans la langue allemande ; ces termes sont publiés sous la responsabilité du Comité membre de l'Allemagne, (DIN). Toutefois, seuls les termes donnés dans les langues officielles peuvent être considérées comme étant des termes de l'ISO. Elle ne traite que du contrôle de la précision de la machine. Elle ne concerne ni l'examen de son fonctionnement (vibrations, bruits anormaux, points durs dans ses déplacements d'organes, etc.), ni celui de ses caractéristiques (vitesses, avances, etc.), examens qui doivent, en général, précéder celui de la précision.
General Information
- Status
- Published
- Publication Date
- 20-Oct-1992
- Technical Committee
- ISO/TC 39/SC 2 - Test conditions for metal cutting machine tools
- Drafting Committee
- ISO/TC 39/SC 2 - Test conditions for metal cutting machine tools
- Current Stage
- 9093 - International Standard confirmed
Overview
ISO 6545:1992 - "Acceptance conditions for gear hobbing machines - Testing of the accuracy" defines how to verify the geometric and kinematic accuracy of general-purpose and normal-accuracy gear hobbing machines (vertical or horizontal spindle). The standard specifies geometrical tests, practical finishing-cut tests and kinematic checks (accuracy of transmission of motion), gives machine-element terminology, and references measurement and installation practices in ISO 230‑1. Dimensions and permissible deviations are given in millimetres and inches.
Key topics and requirements
- Scope of testing
- Geometrical tests for sub-assemblies (work-table, work-steady, axial/tangential slides, spindles).
- Practical tests carried out with finishing cuts (not roughing) to reflect real machining accuracy.
- Kinematic tests to assess transmission accuracy (angular, tangential and axial transmission deviations).
- Measurement rules
- Test setup, warm-up and instrument mounting follow ISO 230‑1 guidance.
- Results and permissible deviations are expressed in mm/in; rounding rules and minimum tolerance (e.g., lowest tolerance value guidance) are specified.
- Instruments and permissible deviations for individual tests are referenced back to ISO 230‑1 acceptance code.
- Terminology and symbols
- Definitions for main machine elements (hob, work-arbor, work-table, work-steady, slides) and symbols for deviations and parameters (pitch, helix, profile, transmission deviations).
- Multilingual term list (official ISO languages + German terms provided for information).
- Test selection and sequencing
- The sequence of geometrical tests in the standard follows machine sub-assemblies but may be reordered for practical instrument mounting.
- Users and manufacturers agree which tests to perform; not all tests are mandatory for every inspection.
Practical applications and users
- Used for factory acceptance testing (FAT) and site commissioning of gear hobbing machines.
- Applied by: machine tool manufacturers, quality and metrology engineers, production managers, maintenance teams, and purchasers specifying acceptance criteria.
- Typical uses: procurement specifications, acceptance/inspection procedures, periodic accuracy verification, and troubleshooting runout, parallelism, coaxiality and transmission errors that affect gear quality.
Related standards
- ISO 230‑1 - Acceptance code for machine tools (geometric accuracy, instrument use, warm-up and installation)
- ISO 701 - International gear notation (symbols)
- ISO 1328 - Parallel involute gears (accuracy system)
Keywords: ISO 6545, gear hobbing machine testing, acceptance conditions, geometrical tests, kinematic tests, ISO 230‑1, transmission accuracy, work‑table, work‑steady.
ISO 6545:1992 - Acceptance conditions for gear hobbing machines — Testing of the accuracy Released:21. 10. 1992
ISO 6545:1992 - Conditions de réception des machines à tailler les engrenages par fraise-mère — Contrôle de la précision Released:21. 10. 1992
Frequently Asked Questions
ISO 6545:1992 is a standard published by the International Organization for Standardization (ISO). Its full title is "Acceptance conditions for gear hobbing machines - Testing of the accuracy". This standard covers: Specifies geometrical tests and practical tests with reference to ISO 230-1 and also kinematic tests (accuracy of the transmission of motion). Also gives the terminology used for the main elements of the machine.
Specifies geometrical tests and practical tests with reference to ISO 230-1 and also kinematic tests (accuracy of the transmission of motion). Also gives the terminology used for the main elements of the machine.
ISO 6545:1992 is classified under the following ICS (International Classification for Standards) categories: 25.080.20 - Boring and milling machines. The ICS classification helps identify the subject area and facilitates finding related standards.
You can purchase ISO 6545:1992 directly from iTeh Standards. The document is available in PDF format and is delivered instantly after payment. Add the standard to your cart and complete the secure checkout process. iTeh Standards is an authorized distributor of ISO standards.
Standards Content (Sample)
INTERNATIONAL ISO
STANDARD 6545
First edition
1992-1 o-1 5
Acceptance conditions for gear hobbing
machines - Testing of the accuracy
Conditions de rkception des machines 2 tailler les engrenages par fraise-mt+re -
ContrHe de Ia prkision
a
Reference number
ISO 6545 : 1992 (E)
ISO 6545 : 1992 (E)
Foreword
ISO (the International Organization for Standardization) is a worldwide federation of
national Standards bodies (ISO member bodies). The work of preparing International
Standards is normally carried out through ISO technical committees. Esch member
body interested in a subject for which a technical committee has been established has
the right to be represented on that committee. International organizations, govern-
mental and non-governmental, in liaison with ISO, also take part in the work. ISO
collaborates closely with the International Electrotechnical Commission (IEC) on all
matters of electrotechnical standardization.
Draft International Standards adopted by the technical committees are circulated to
the member bodies for voting. Publication as an International Standard requires
approval by at least 75 % of the member bodies casting a vote.
International Standard ISO 6545 was prepared by Technical Committee ISO/TC 39,
Machine tools, Sub-Committee SC 2, Acceptance conditions for machines operating
b y removing me tal.
0 ISO 1992
All rights reserved. No part of this publication may be reproduced or utilized in any form or by any
means, electronie or mechanical, including photocopying and microfilm, without Permission in
writing from the publisher.
International Organization for Standardization
Gase postale 56 t+ Cl-l-121 1 Geneve 20 Q Switzerlan d
Printed in Switzerland
ISO 6545 : 1992 (El
INTERNATIONAL STANDARD
Acceptance conditions for gear hobbing machines -
Testing of the accuracy
1 Scope 3 Preliminary remarks
This International Standard specifies geometrical tests and
3.1 In this International Standard, the dimensions and the
practical tests, with reference to ISO 230-1 and also kinematic
permissible deviations are expressed in millimetres and inches.
tests (accuracy of the transmission of motion) for general pur-
pose and normal accuracy gear hobbing machines, with vertical
or horizontal spindle. This International Standard also gives the
3.2 To apply this International Standard, reference should be
terminology used for the main elements of the machine.
made to ISO 230-1, especially for the installation of the
machine before testing, warming up of spindles and other mov-
NOTE - In addition to terms used in the official ISO languages
ing Parts, description of measuring methods and recommended
(English, French and Russian), this International Standard gives the
equivalent terms in the German language; these are published under accuracy of testing equipment.
the responsibility of the member body for Germany (DIN). However,
only the terms given in the official languages tan be considered as ISO
terms.
3.3 The sequence in which the geometrical tests are given is
related to the sub-assemblies of the machine and this in no way
lt deals only with the verification of the accuracy of the
defines the practical Order of testing. In Order to make the
machine. lt does not apply to the testing of the running of the
mounting of instruments or gauging easier, tests may be
machine (vibrations, abnormal noises, stick-slip motion of com-
applied in any order-.
ponents, etc.) or to machine characteristics (such as Speeds,
feeds, etc.) which should generally be checked before the
accuracy is tested.
3.4 When inspecting a machine, it is not always possible, or
necessary, to carry out all the tests described in this lnter-
national Standard. lt is up to the user to choose, in agreement
2 Normative references
with the manufacturer, those tests relating to the existing
elements of the machine or to the properties which are of
The following Standards contain provisions which, through
interest, but these tests are to be clearly stated when ordering a
reference in this text, constitute provisions of this International
machine.
Standard. At the time of publication, the editions indicated
were valid. All Standards are subject to revision, and Parties to
agreements based on this International Standard are encour-
3.5 Practical tests shall be made with finishing cuts and not
aged to investigate the possibility of applying the most recent
with roughing cuts which are liable to generate appreciable
editions of the Standards indicated below. Members of IEC and
cutting forces. The actual feeds and Speeds will be selected by
ISO maintain registers of currently valid International Stan-
the manufacturer to suit the particular machine.
dards.
ISO 230-1 : 1986, Acceptance Code for machine tools - Part 7 :
3.6 When the tolerante is established for a measuring range
Geometrie accuracy of machines operating under no-load or
different from that given in this International Standard (see
finishing conditions.
ISO 230-1 : 1986, 2.311) it should be taken into consideration
that the minimum value of tolerante is 0,005 mm (0,000 2 in).
ISO 701 : 1976, International gear notation - Symbols for
geome trical da ta.
3.7 The values using the formulae shall be rounded to the
ISO 1328 : 1975, Parallel involute gears - ISO System of
nearest 0,001 mm (0,000 1 in).
accuracy.
ISO‘6545 : 1992 (E)
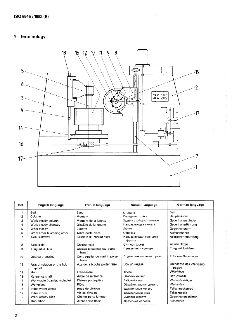
4 Terminology
J
---hl /
.
!l
I
‘f .I
I
l
-
I
-
17-
Russian language German language
Ref. English language French language
Bett
1 Bed Banc CTaHMHa
Hauptständer
Column Montant TlepejqHaa CTOlhKa
%AHRFl CTOr;rKa C JllOHeTOM Gegenhalterständer
3 Work-steady column Montant de Ia lunette
HanpaBnFItOqafI ntoHeTa Gegenhalterführung
4 Work-steady slideway G lissiere de Ia lunette
fllOHeT Gegenhalterarm
5 Work-steady Lunette
Onpastta
Work arbor (clamping arbor) Arbre porte-piece Aufspanndorn
t-fanpasnaroqafl cynnop-ra Axialschlittenführung
7 Axial slideway Glissiere du chariot axial
c#lpesbl
Axialschlitten
CynnopT @pesbt
8 Axial slide C hariot axial
Tangentialschlitten
llonepewbiti cynnop-r
Tangential slide C hariot tangentiel (ou porte-
f raise)
~O~lWlllHMK OllpaBKM C&E3bl Fräsdorn-Gegenlager
Outboard bearing Contre-palier du madrin porte-
IO
f raise
Axe de Ia brache porte-fraise Ocb uriw4~en~ Drehachse des Werkzeug-
11 Axis of rotation of the hob
trägers
spindle
Fraise-mere @pe3a Wälzf räser
12 Hob
3TEUlOHHblti BaJl Bezugswelle
Reference shaft Arbre de reference
Plateau porte-piece Pa6oq fl ti cron Werkstückträger
14 Work-table (-carrier; -spindIe)
Werkstück
Piece 06pa6aTbIBaeMafl 4eTaJ-I b
15 Workpiece
Roue de division flenmenbHoe Koneco Teilschneckenrad
16 Index worm wheel
Index worm Vis de division ,@JWlTWlbHblti BLIHT Teilschnecke
Gegenhalterschlitten
18 Work-steady slide C hariot porte-lunette CynnopT n totieTa
Arbre porte-fraise Ope3epHafl onpaua Fräserdorn
19 Hob arbor
ISO 6545 : 1992 (EI
patt of fdk proportional to the transverse module of a
5 Symbols
fdk0
reference or test workpiece
For the purposes of this International Standard, the following
part of fdk proportional to the reference diameter of a
f
dkT
Symbols in addition to those given in ISO 701 apply.
reference or test workpiece
low-frequency component of the angular trans-
5.1 Reference workpiece fdl
mission deviation
reference diameter
d”
maximum amplitude (peak to peak) of the low-
f
dl, max
frequency component of the angular transmission
transverse module
T”
deviation
transverse diametral pitch
Pt”
helix form deviation
ffß
number of teeth
2”
helix slope deviation
fHß
Single pitch deviation
f
Pt
5.2 Test workpiece
high-frequency component of the tangential linear
f
tk
b face width
transmission deviation
d reference diameter low-frequency component of the tangential linear
f
tl
transmission deviation
m normal module
high-frequency component of the axial linear trans-
f
xk
transverse module
mission deviation
mt
P normal diametral pitch, in reciprocal inches low-frequency component of the axial linear trans-
f
XI
mission deviation
transverse diametral pitch, in reciprocal inches
Pt
angular transmission deviation
Fd
z number of teeth
total cumulative pitch deviation
FP
helix angle
ß
cumulative pitch deviation
Fpj
tangential linear transmission deviation
5.3 Capacity of the machine
Ft
axial linear transmission deviation
Fx
d
reference diameter of the largest workpiece that
max
tan be hobbed on the machine
total Profile deviation
Fct
m0 max maximum hob module
I 5.5 Additional sym bols
P o min minimum diametral pitch of the hob, in reciprocal
I number of periods of the cumulative pitch deviation
Pl
inches
defined in accordance with 8.2
s length of arc on a reference circle
5.4 Accuracy of the machine or of the test gear
number of Starts of the index worm
2s
high-frequency component of the angular transmis-
f
dk
sion deviation
number of teeth of the index worm wheel
ZT
ISO 6545 : 1992 (E)
6 Geometrical tests
-
No.
Diagram Object
A- WORK-TABLE
GI Measurement of the diametral straightness of the
surface of the work-table
Measurement of radial run-out of the axis of
G2
rotation of the work-table or work-spindle
-
-
Permissible deviation
0,000 1 in -
0,001 mm Measuring Observations and references
I
instruments to the ISO 230-1 : 1986 acceptance code
d, D, I, m, p in inches
d, D, Z, m in millimetres
Subclauses 5.2 and 5.3
Trace the surface of the work-table with a pre-
cision dial gauge using the bridge-type straight-
Straightedge
edge as a reference.
6 + 0,6 JD, -Dz 2,36 + 1,19 Jm;
and dial gauge,
level or other
Machines without work-tables do not require this
Straight or concave
equipment
test. For machines up’to 500 mm diameter work-
table check the straightness on two diameters and
on machines with a work-table greater than
500 mm on four diameters.
Subclause 5.612
Place two gauges, located 90° apart at a) and b)
against the ball, perpendicular to the axis of ro-
tation of the work-spindle. Adjust the ball on the
support so that the variations of the indicator
readings of both dial gauges during one revolution
of the work-table will be as small as possible.
The variations of the indicator readings at a) and
Flat-tipped dial
gauge, ball, and b) shall be recorded as the measured radial run-
4 + 011 Jdmax 137 + 02 JG
special support out.
or test cylinder
Take measurements in both directions of rotation
of the work-spindle at a) and b). The largest of the
indicator reading variations shall be recorded as
the measured radial runout.
These measurements tan also be made by using a
test cylinder in place of the ball and special
support.
ISO 6545 : 1992 (E)
Object
Diagram
No.
Measurement of periodic axial Slip of the work-
G3
spindle
Measurement of camming of the work-table
ISO 6@45 : 1992 (E)
Permissible deviation
0,000 1 in
0,001 mm Observations and references
Measuring
instruments to the-ISO 230-1 : 1986 acceptance code .
d, D, Z, m in millimetres d, D, 1, m, p in inches
-
Subclauses 5.622.1 and 5.622.2
Place the stylus of the dial gauge in alignment
with the axis of rotation of the work-spindle and
against the ball adjusted as in test G2.
Flat-tipped dial
Take measurements in both directions of rotation
1,57 + 0,12 dd,,, gauge, ball and
4 + W6 &,,,,
of the work-spindle. ,
special su pport
On machines where tne work arbor axis is hori-
zontal, .apply a forte F, if necessary”), in order to
eliminate the”axial play in the bearing; the value of
this forte shall be specified by the manufacturer.
i’
*) Not necessary in the case of axially preloaded
bearings.
Subclause 5.632 ’
,
’ F
,:
,.‘ z1 t. :
Tou,ch the vvork-table surface with a dial gauge
successively at two Points a) and b) locaied XI0
‘,
apart on the largest possible measuring circle
:t
diameter (one measuring Point a) or b) opposite
,
the”hob).
.
Take measurements in both directions of rotation
Crown-tipped i
6 •I- 0,25 fi 2,36 + 0,5 40, of th,e work-table. The largest of the indicator
dial gauge
reading variätions ‘shall be ’ ‘recorded‘ as the
,<
measured camming. 4
On machines where the work arbor axis :is hori-
zontal, apply a forte F, if necessary”),’ as in
test G3.
NOTE - It may be useful to put a flat block between the
stylus and the table surface.
*) Not necessary in the case of axially preloaded
bearings.
ISO 6545 : 1992 (E)
Object
No. Diagram
B- WORK-STEADY
Measurement of parallelism of the work-steady
movement with the axis of rotation of the work
arbor
b)
IJ maximum working traverse of the work-steady
Permissible deviation
0,001 mm 0,000 1 in Observations and references
Measuring
instruments to the ISO 230-1 : 1986 acceptance code
d, D, Z, m in millimetres d, D, I, m, p in inches
a)
Subclause 5.422.3
Permissible deviation at the free end of the test mandrel
Attach the dial gauge to the work-steady near the
towards the axis of the hob spindle:
bore of the steady, and place the tip against the
test mandrel in positions a) and b). Adjust the test
8 + 0,8 fi 3,15 + l,59 Jr,
mandrei to its Position of mean radial run-out for
each measuring direction.
Crown-tipped
in the opposite direction:
dial gauge and
Take measurements at a) and b) over the full
cylindrical test
4 + 0,4 Jiy 1,57 + 0,79 1/-
working traverse of the work-steady, with the
mandrel
work-steady slide clamped, if applicable.
Determine the mean of the variations of the in-
dicator readings at a) and b) per spindle revol-
b)
ution. The Variation of the mean values is the
deviation of parallelism.
2,36 + 0,99 &
6 + 0,5 &,
These measurements may also be taken with a
recording instrument while the work arbor is
rotating .
t
ISO 6545 : 1992 (El
No. Diagram Object
Measurement of coincidence of the work-steady
bush bore with the work arbor axis of rotation
maxrmum working height of the work-steady above the surface
of the table
distance between the two measuring planes
‘8
diameter of the bush bore
For machines with centres
Measurement of coincidence or alignment of the
G6.2
work-steady centre with the axis of rotation of the
work arbor
lz distance between the measuring Point and the surface of the table
ISO 6545 : 1992 (El
-
Permissible deviation
0,001 mm 0,000 1 in Observations and references
Measuring
to the ISO 230-1 : 1986 acceptance code
instruments
d, D, 1, m in millimetres d, D, 1, m, - in inches
P
Subclause 5.442
If this test cannot be performed then test G6.3
shall be performed.
Place the dial gauge and its support on the work-
table and tauch the inside of the steady bush bore
which is placed at the maximum working height.
Take measurements near the top and bottom
ends of the steady bush bore in both directions of
rotation of the work-table, in positions a) and b) at
a distance of z8 apart, with the work-steady
clamped during the measurements, if applicable.
Crown-tipped
6 + 0,6 6 2,36 + 1,19 &- dial gauge and
The Variation the readings (ignoring the effect of
its support
form deviations) divided by two is the deviation of
the coaxiality. These permissible deviations apply
to each of the two measurements.
NOTE - If
‘8
- < 0,5
D3
and
/8 < 80 mm; 4) < 3,15 in
‘8
only one check at I3 + - is necessary.
Subclause 5.44
Place the stylus of the dial gauge against the
clamping arbor or test mandrel at positions a) and
b) at a distance Zz from the work-table. This
distance Z, extends from the work-table to a Point
a)
adjacent to the work-steady.
Permissible deviation (offset)
Adjust the clamping arbor to its Position of mean
radial run-out for each measuring direction.
towards the hob spindle:
Take measurements at a) and b) with the work
6 + 0,4 &- 2,36 + 0,79 &--
steady set against the clamping arbor, and also
Crown-tipped
in the opposite direction: with it separated from the clamping arbor. The
dial gauge, test
work-steady shall be clamped during the
mandrel or
3 + 0,2 fi IJ8 + 0,4 &
measurements, if applicable. The variations of the
clamping arbor
indicator readings, caused by setting the work-
b) steady against the clamping arbor, is the
measured deviation.
Permissi ble deviation
These measurements may also be taken while the
2,36 + 0,79 &
6 + 0,4 &-
work arbor is rotating.
Determine the mean value of the variations of the
indicator readings at a) and b) per work arbor
revolution with the work-steady set against, and
separated from, the clamping arbor. The dif-
ference of the mean values of the indicator
readings is the measured deviation.
ISO 6546 : 1992 (E)
Object
Diagram
No.
-
Measurement of coincidence of the work-steady
G6.3
bush bore with the axis of rotation of the work
arbor
90-0 a’
bd
I
b) t(
l2 distance between the measuring Point and the surface of the
table
l 12
ISO 6545 : 1992 (E)
Permissible deviation
0,001 mm 0,000 1 in Measuring Observations and references
instruments to the ISO 230-1 : 1986 acceptance code
d, D, Z, m in millimetres d, D, 1, m, p in inches
Subclause 5.44
If the test G6.1 cannot be accomplished this test
shall be pet-formed.
Place the stylus of the dial gauge against the
aligned clamping arbor in positions a) and b) at a
distance I2 from the work-table. This distance Z2
extends from the work-table to a Point adjacent to
the work-steady.
a) and b)
Adjust the clamping arbor to its Position of mean
6 + 0,4 &- 2,36 + 0,79 &
Crown-tipped
radial run-out for each direction.
dial gauge, test
For a), deviation (offset) only permissible towards the
mandrel or
Take measurements at a) and b) with the work-
hob spindle.
clamping arbor
steady set against, and also with it separated
from, the clamping arbor. If applicable, the work-
The readings shall not exceed the permissible deviation
steady shall be clamped against the column
minus one-half of the play.
during the measurement.
The Variation of the reading of the dial gauge
caused by setting the work-steady against the
clamping arbor, plus one-half of the play between
bore and journal, is the measured deviation.
These measurements may also be taken while thc
clamping arbor is rotating.
t
ISO 6545 : 1992 (El
-
No. Diagram Object
C AXIAL AND TANGENTIAL SLIDES
Measurement of parallelism of the axia I slide
G7 movement with the axis of rotation of the work-
spindle
r 3
.I 1
h J
b, t
I
Z4 maximum traverse of the axial slide
Permissible deviation
0,000 1 in Observations and references
0,001 mm Measuring
instruments to the ISO 230-1 : 1991 acceptance code
d, D, 1, m, p in inches
d, D, Z, m in millimetres
a)
Subclause 5.422.2
Permissible deviation at end of test mandrel
\
towards the axis of the hob spindle:
Place the dial gauge on the axial slide and tauch
the test mandrel in two perpendicular planes a)
3,15 + 1,59 Jq
8 + 0,8 &
and b).
in the opposite direction:
Adjust the test mandrel to its Position of mean
radial run-out.
4 + 0,4 & 1,57 + 0,79 fi
Take measurements in the two planes a) and b)
along the full traverse of the axial slide and in both
Crown-tipped
directions of displacement of this slide.
dial gauge and
test mandrel
On hobbing machines with oblique feed (Grant
method), the tangential slideways shall be set
to o”.
b)
The variations of the indicator readings in planes
a) and b) are the measured deviations.
6 + 0,5 4 2,36 + 0,99 ,&
These measurements may also be taken while the
work-spindle is rotating. Determine the mean
The deviations noted in planes a) and b) shall not exceed
value of the variations of the indicator readings in
the permissible limits at any distance between the axes
planes a) and b) per work-spindle revolution along
of the hob and work arbor.
the full traverse of the axial slide and in both direc-
tions of displacement of this slide.
The variations of the mean values of the indicator
readings are the measured deviations in a) and b).
ISO 6545 : 1992 (E)
No. Diagram Object
D
/
Measurement of run-out of the mounting bore in
ZL
the hob spindle:
G8
a) near the hob spindle nose;
,v)
b) at a distance Z5 from the hob spindle nose.
:
Z, half the maximum distance between the hob spindle nose and
the middle of the outboard bearing of the hob arbor
Measurement of periodic axial Slip of the hob
spindle
ISO 6545 : 1992 (EI
-
Permissible deviation
0,000 1 in
0,001 mm Measuring Observations and references
instruments to the ISO 230-1 : 1986 acceptance code
d, D, Z, m in millimetres d, D, I, m, p in inches
a)
Subclause 5.612
2,36
Crown-tipped
dial gauge and Take measurements in the two directions of
test mandrel rotation with the axis preferably set to the vertical
b)
Position.
6 + 0,6 &- 2,36 + 1,19 &
-
Subclause 5.622
Flat-tipped dial
gauge, Place the stylus of the dial gauge against the ball
1,57 + 1,19
4 + Of6 Ah-i-z preloading located in the centre hole of the test mandrel, and
I
i- P, min
I
device if apply a forte F, if necessary”), in Order to
necessa ry, eliminate the axial play in the bearing. The value
or
test mandrel of this forte shall be specified by the manu-
and ball
facturer.
1157 + lt19 dm() max
I
Take measurements in both directions of rotation.
*) Not necessary in the case of axially preloaded
bearings.
-
ISO 6545 : 1992 (E)
Object
No. Diagram
Measurement of coincidence of the outboard
GlO
bearing with the hob spindle axis
Z, distance between the measuring Point adjacent to the free end of
’
the hob arbor and the hob spindle nose
Measurement of parallelism of the tangential slide
GI1
movement with the axis of rotation of the hob
-
spindle
Z, maximum traverse of the tangential slide
ISO 6545 : 1992 (E)
-
Permissible deviation
0,001 mm 0,000 1 in
Measuring Observations and references
instruments to the ISO 230-1 : 1986 acceptance code
d, D, Z, m in millimetres d, D, Z, m, p in inches
Subclause 5.442
Place the stylus of the dial gauge against t
...
NORME ISO
INTERNATIONALE 6545
Première édition
1992-l o-1 5
Conditions de réception des machines à tailler
les engrenages par fraise-mère - Contrôle de la
précision
Acceptance conditions for gear hobbing machines - Testing of the accuracy
Numéro de référence
ISO 6545 : 1992 (FI
ISO 6545 : 1992 (F)
Avant-propos
L’ISO (Organisation internationale de normalisation) est une fédération mondiale
d’organismes nationaux de normalisation (comités membres de I’ISO). L’élaboration
des Normes internationales est en général confiée aux comités techniques de I’ISO.
Chaque comité membre intéressé par une étude a le droit de faire partie du comité
technique créé à cet effet. Les organisations internationales, gouvernementales et non
gouvernementales, en liaison avec I’ISO participent également aux travaux. L’ISO col-
labore étroitement avec la Commission électrotechnique internationale (CEI) en ce qui
concerne la normalisation électrotechnique.
Les projets de Normes internationales adoptés par les comités techniques sont soumis
aux comités membres pour vote. Leur publication comme Normes internationales
requiert l’approbation de 75 % au moins des comités membres votants.
La Norme internationale ISO 6545 a été élaborée par le comité technique ISO/TC 39,
Machines-outils, sous-comité SC 2, Conditions de réception des machines travallant
par enlèvement de métal.
0 ISO 1992
Droits de reproduction réservés. Aucune partie de cette publication ne peut être reproduite ni
utilisée sous quelque forme que ce soit et par aucun procédé, électronique ou mécanique,
y compris la photocopie et les microfilms, sans l’accord écrit de l’éditeur.
Organisation internationale de normalisation
Case postale 56 Q CH-121 1 Genève 20 a Suisse
Imprimé en Suisse
NORME INTERNATIONALE SO 6545: 1992 (FI
Conditions de réception des machines à tailler les
engrenages par fraise-mère - Contrôle de la précision
3 Observations préliminaires
1 Domaine d’application
La présente Norme internationale indique les vérifications géo-
3.1 Dans la présente Norme internationale toutes les dimen-
métriques et les épreuves pratiques, par référence à
sions et tous les écarts tolérés sont exprimés en millimètres et
I’ISO 230-1, ainsi que les vérifications cinématiques (précision
en inches.
des chaînes cinématiques) des machines à tailler les engrenages
par fraise-mère, d’usage général et de précision normale,à bro-
che horizontale ou verticale. La présente Norme internationale 3.2 Pour l’application de la présente Norme internationale, il
donne aussi la terminologie utilisée pour les éléments princi-
y a lieu de se reporter à I’ISO 230-1, notamment en ce qui con-
paux de la machine. cerne l’installation de la machine avant essais, la mise en tem-
pérature de la broche et autres organes mobiles, la description
NOTE - En complément des termes utilisés dans les trois langues offi-
des méthodes de mesurage, ainsi que la précision recomman-
cielles de I’ISO (anglais, francais et russe) cette Norme internationale
dée pour les appareils de contrôle.
donne les termes équivalents dans la langue allemande; ces termes
sont publiés sous la responsabilité du Comité membre de l’Allemagne,
(DIN). Toutefois, seuls les termes donnés dans les langues officielles
3.3 En ce qui concerne l’ordre dans lequel sont énumérées les
peuvent être considérées comme étant des termes de I’ISO.
opérations de contrôle géométrique, il correspond aux ensem-
bles constitutifs de la machine et ne définit nullement l’ordre
Elle ne traite que du contrôle de la précision de la machine. Elle
pratique de succession des opérations de mesurage. II peut être
ne concerne ni l’examen de son fonctionnement (vibrations,
procédé aux contrôles, notamment pour des questions de faci-
bruits anormaux, points durs dans ses déplacements d’orga-
lité de contrôle ou de montage des appareils de vérification,
nes, etc.), ni celui de ses caractéristiques (vitesses, avances,
dans un ordre entièrement différent.
etc.), examens qui doivent, en général, précéder celui de la pré-
cision.
3.4 II n’est pas toujours possible, ni nécessaire, lors de I’exa-
men d’une machine d’un type déterminé, d’effectuer la totalité
des essais figurant dans la présente Norme internationale. II
2 Références normatives
appartient à l’utilisateur de choisir, en accord avec le construc-
Les normes suivantes contiennent des dispositions qui, par
teur, les seules épreuves correspondant aux organes existant
suite de la référence qui en est faite, constituent des disposi-
sur la machine ou aux propriétés qui l’intéressent, et qui auront
tions valables pour la présente Norme internationale. Au
été clairement précisées lors de la passation de la commande.
moment de la publication, les éditions indiquées étaient en
vigueur. Toute norme est sujette à révision et les parties pre-
3.5 Les épreuves pratiques doivent être réalisées avec des
nantes des accords fondés sur la présente Norme internationale
passes de finition et non à partir de passes de dégrossissage qui
sont invitées à rechercher la possibilité d’appliquer les éditions
feraient intervenir des efforts de coupe trop importants. Les
les plus récentes des normes indiquées ci-après. Les membres
avances et les vitesses réelles seront choisies par le construc-
de la CEI et de I’ISO possèdent le registre des Normes interna-
teur pour convenir à chaque machine en particulier.
tionales en vigueur à un moment donné.
ISO 230-I : 1986, Code de réception des machines-outils -
3.6 Lorsque la tolérance est déterminée pour une étendue de
Partie 7 : Précision géométrique des machines fonctionnant à
mesurage différente de celle indiquée dans la présente Norme
vide ou dans des conditions de finition.
internationale (ISO 230-I : 1986, paragraphe 2.31 II, il y a lieu
de tenir compte de ce que la valeur minimale de la tolérance à
ISO 701 :
1976, No ta tion in terna tionale des engrenages -
retenir est 0,005 mm (0,000 2 in).
Symboles de données géométriques.
ISO 1328 : 1975, Engrenages parallèles à développante - 3.7 Les valeurs calculées par la formule doivent être arrondies
Système /SO de précision. au 0,001 mm (0,000 1 in) le plus proche.
ISO 6545 : 1992 (F)
4 Terminologie
Repère Langue francaise Langue anglaise Langue russe Langue allemande
1 Banc Bed Bett
CTaHlAHa
2 Montant Column
Hauptstander
IlepejqtiFifl CTOtiKa
3 Montant de la lunette Work-steady column Gegenhalterstander
3aflHFIfl CTOlhKa C JllOHeTOM
4 Glissière de la lunette Work-steady slideway
Gegenhalterführung
tianpasnaroqafl ntotiera
5 Lunette Work-steady Gegenhalterarm
fl lOHeT
6 Arbre porte-piece Work arbor (clamping arbor) Aufspanndorn
OnpaBKa
7 Glissière du chariot axial Axial slideway Axialschlittenführung
HanpaBnmoi.qa~ cynnop-ra
@pesbl
8 Chariot axial Axial slide Axialschlitten
CynnopT @pesbl
Chariot tangentiel (ou porte-
9 Tangential slide llonepewblti cynnop-r Tangentialschlitten
fraise)
Contre-palier du madrin porte- Outboard bearing Frasdorn-Gegenlager
10 ~O#llMllHMK OnpaBKkl @pe3bl
fraise
Axe de la broche porte-fraise Axis of rotation of the hob
11 Ocb tuni4HAem Drehachse des Werkzeug-
spindle tragers
Hob WaIzfr&er
12 Fraise-mère @pe3a
13 Arbre de référence Reference shaft 3TZUlOHH bl l8 BaJl Bezugswelle
Work-table (-carrier; -spindle) Werkstücktrager
14 Plateau porte-pièce PaGoqMti cran
15 Pièce Workpiece 06pa6aTblBaeMafl AeTan b Werkstück
Index worm wheel
16 Roue de division AemTenbHoe Koneco Teilschneckenrad
Vis de division Index worm ~enMTenbHbllïl BVIHT Teilschnecke
Work-steady slide
18 Chariot porte-lunette CynnopT n 0HeTa Gegenhalterschlitten
Arbre porte-f raise Hob arbor Q>pesepHaa 0npaBKa Fraserdorn
partie de j& proportionnelle au diamètre primitif
, 5 Symboles
f
dkT =
de la pièce d’essai ou de la pièce de référence
Pour les besoins de la présente Norme internationale, les
=
symboles suivants sont utilisés en complément de ceux préci-
composante basse fréquence de l’écart trans-
f
dl
sés dans I’ISO 701.
mission angulaire
amplitude maximale (de crête à crête) de la com-
f
dl, max =
5.1 Pièce de référence
posante basse fréquence de l’écart de transmis-
sion angulaire
= diamètre primitif
d”
= module apparent écart de forme de l’hélice
mt”
fv
= pas diamétral apparent
Pt” écart de pente de l’hélice
fw
= nombre de dents
2,
écart de pas individuel
f
Pt
5.2 Pièce d’essai
composante haute fréquence de l’écart d’ avance
f
tk
tangentielle
b largeur de denture
fréquence de
composante l’écart d’avance
f
tl
d diamètre primitif
tangentielle
m module normal
composante fréquence de l’écart d’avance
f
xk
axiale
module apparent
mt
P pas diamétral, en inches à la puissance moins un
composante fréquence de l’écart d’avance
f
Xl
axiale
pas diamétral apparent, en inches à la puissance
pt
moins un
écart de transmission angulaire
Fd
2 nombre de dents
écart total de division
FP
angle d’hélice
P
écart cumulatif de pas
Fpj
5.3 Capacité de la machine
écart d’avance tangentielle
Ft
=
d diamètre primitif de la plus g qui
pièce
max
écart d’avance axiale
FX
peut être taillée sur la machine
écart total de profil
Fo!
= module maximal de la fraise-mère
mO, max
P pas diamétral minimal de la fraise, en inches à la 5.5 Symboles complémentaires
0, min =
puissance moins un
= nombre de périodes de l’écart cumulatif de pas
Pl
défini conformément à 8.2
5.4 Précision de la machine ou de la pièce d’essai
= longueur d’arc sur un cercle primitif
s
=
composante haute fréquence de l’écart de
f
dk
transmission angulaire
= nombre de filets de la vis de division
partie proportionnelle au module de la
fdk0 =
de fdk
pièce d’essai ou de la pièce de référence
= nombre de dents de la roue de division
ZT
ISO 6546 : 1992 (FI
6 Vérifications géométriques
c
NO
Schéma
Objet
PLATEAU PORTE-PIÈCE
A-
GI
Vérification de la rectitude diamétrale de la
surface du plateau porte-pièce
Mesurage du faux-rond de l’axe de rotation du
G2
plateau porte-pièce ou arbre porte-pièce
ISO 6545 : 1992 (F)
Ècart toléré
0,001 mm 0,000 1 in
Appareils Observations et références
I
au code de réception ISO 230-l : 1986
de mesurage
d, D, 1, m en millimètres d, D, 1, m, p en inches
Paragraphes 5.2 et 5.3
Palper la surface du plateau avec un comparateur
d’atelier en prenant comme référence la règle de
type pont.
Règle et
2’36 + 1’19 dm
6 + OI6 dm
comparateur,
Cette vérification est sans objet pour les machines
niveau ou autre
Plat ou concave ne comportant pas de plateau porte-pièce. Pour
appareillage
les machines ayant un plateau porte-pièce dont le
diamètre est inférieur ou égal à 500 mm, contrôler
la rectitude sur deux diamètres et pour les machi-
nes ayant un plateau porte-pièce dont le diamètre
est supérieur à 500 mm, contrôler celle-ci sur qua-
tre diamètres.
Paragraphe 5.612
Placer deux comparateurs, situés à 90° l’un de
l’autre en a) et b) contre la bille, perpendiculaire-
ment à l’axe de rotation de l’arbre porte-pièce.
Ajuster la position de la bille sur le support de
facon que les variations de lecture des deux com-
parateurs pendant une révolution du plateau
Comparateur à
soient aussi faibles que possible.
touche plate,
bille et support
Les variations de lecture en a) et b) représentent le
4 + 0’1 ddmax
spécial ou
mesurage du faux-rond.
cylindre de
contrôle
Effectuer les mesurages dans les deux sens de
rotation de l’arbre porte-pièce en a) et b). La plus
grande des variations indiquées par les compara-
teurs représente la valeur du faux-rond.
II est également possible d’effectuer ces mesura-
ges à l’aide d’un bloc cylindrique, en remplace-
ment de la bille et du support spécial.
ISO 6545 : 1992 (F)
-
Objet
Schéma
NO
Mesurage du déplacement axial périodique du
G3
plateau porte-pièce ou de l’arbre porte-pièce
-
Mesurage du voile du plateau porte-pièce
G4
a) //
ISO 6546 : 1992 (F)
Ècart toléré
0,000 1 in
0,001 mm Observations et références
Appareils
de mesurage au code de réception ISO 230-l : 1986
d, D, 1, m en millimètres d, D, I, m, p en inches
Paragraphes 5.622.1 et 5.622.2
Placer la touche du comparateur en alignement
avec l’axe de rotation du plateau porte-pièce
contre la bille dont la position a été ajustée lors
de la vérification G2.
Comparateur
Effectuer les mesurages dans les deux sens de
à touche plate,
Il57 + 0’12 Jdmax
4 + 0’06 JG
rotation du plateau porte-pièce.
bille et support
spécial
Dans le cas de machines à arbre porte-pièce à axe
horizontal, appliquer, si nécessaire”), une force F
pour rattraper le jeu axial du palier; la valeur de
cette force sera précisée par le constructeur.
*) Non nécessaire dans le cas de paliers préchargés
axialement.
Paragraphe 5.632
Palper la surface du plateau avec un comparateur
successivement en deux points a) et b) situés à
90° sur le plus grand diamètre possible, l’un des
points a) ou b) étant placé à l’opposé de la fraise-
mère.
Effectuer les mesurages suivant les deux sens de
Comparateur
rotation du plateau porte-pièce. La plus grande
6 + 0’25 fi, 2’36 + OI5 fi à touche
des variations indiquées par le comparateur repré-
sphérique
sente la valeur du voile.
Dans le cas de machines à arbre porte-pièce à axe
horizontal, appliquer, si nécessaire*), une force F,
comme en G3.
NOTE - II peut être utile de placer une cale plate entre
la touche et la surface du plateau.
*) Non nécessaire dans le cas de paliers préchargés
axialement.
ISO 6545: 1992 (F)
Objet
Schéma
B- LUNETTE
Mesurage du parallélisme du mouvement de la
lunette par rapport à l’axe de rotation de l’arbre
porte-pièce
b)
= course maximale de la lunette
Écart toléré
0,001 mm 0,000 1 in
Observations et références
Appareils
de mesurage au code de réception ISO 230-l : 1986
d, D, 1, m, p en inches
d, D, I, m en millimètres
a)
Paragraphe 5.422.3
Ecart toléré à l’extrémité libre du mandrin de contrô le I
Fixer le comparateur sur la lunette, près de I’alé-
sage de celle-ci et placer sa pointe sur le mandrin
-
en direction de l’axe de la broche porte-fraise
de contrôle dans les positions a) et b). Amener le
mandrin de contrôle dans sa position moyenne de
8 + 0,8 1/71 3,15 + 1,59 Jq-
faux-rond pour chaque sens de mesurage.
Comparateur à
touche sphéri-
- en sens inverse :
Effectuer les mesurages en a) et b) sur la totalité
que et mandrin
du mouvement de la lunette, le coulisseau de
de contrôle
4 + 0,4 JT1 1,57 + 0,79 fi
cette dernière étant si nécessaire bloqué.
cylindrique
Déterminer la moyenne des variations des indica-
tions du comparateur en a) et b) par tour de bro-
che. La variation de ces valeurs moyennes repré-
b)
sente l’écart de parallélisme.
6 + 0,5 fi 2,36 + 0,99 fi
Les mesurages peuvent également être effectués
avec un enregistreur pendant que l’arbre porte-
pièce tourne.
t
ISO6545:1992(F)
-
-
Objet
Schéma
- a)
- b)
Mesurage de la coi’ncidence de l’alésage de la
lunette avec l’axe de rotation de l’arbre porte-
pièce
13 = hauteur de travail maximale de la lunette au-dessus de la
surface du plateau
l* = distance entre les deux plans de mesurage
= diamètre de l’alésage de la lunette
D3
Machines à pointes
Mesurage de la coïncidence ou de l’alignement de
G6.2
la pointe de la lunette avec l’axe de rotation de
l’arbre porte-pièce
1, = distance entre le point de mesurage et la surface du plateau
ISO 6545 : 1992 IF)
Écart toléré
0,001 mm 0,000 1 in
Appareils Observations et références
au code de réception ISO 230-I : 1986 (FI
de mesurage
d, D, 1, m en millimètres d, D, 1, m, p en inches
Paragraphe 5.442
Si cet essai ne peut être effectué, réaliser alors
l’essai G6.3.
Fixer le comparateur et son support sur le plateau
porte-pièce et palper l’intérieur de l’alésage de la
lunette placée à hauteur de travail maximale.
Effectuer les mesurages à proximité des extrémités
inférieure et supérieure de l’alésage de la lunette
dans les deux sens de rotation du plateau porte-
pièce, dans les positions a) et b) distantes de I,. La
Comparateur
lunette doit, si possible, être bloquée pendant le
6 + 0,6 &- 2,36 + 1,19 &- à touche
mesurage.
sphérique
et son support La variation de l’indication du comparateur (sans
tenir compte du défaut de forme) est le double de
l’écart de coïncidence. Ces écarts tolérés s’appli-
quent à chacun des deux mesurages.
NOTE - Si
‘8
- < 0,5
D3
et
une seule vérification à I3 + - est nécessaire.
Paragraphe 5.44
Placer la touche du comparateur contre le man-
drin de contrôle ou l’arbre porte-pièce dans les
positions a) et b) à la distance 1, du plateau. Cette
longueur 1, est prise entre le plateau porte-pièce et
un point voisin de la lunette.
a)
Amener l’arbre porte-pièce dans sa position
Ecart toléré
moyenne de faux-rond pour chaque sens de
mesurage.
-
en direction de la broche porte-fraise :
Comparateur à
Effectuer les mesurages en a) et b), la pointe de la
touche sphéri-
6 + 0,4 & 2,36 + 0,79 fi
lunette engagée dans l’arbre porte-pièce puis éloi-
que, mandrin de
gnée de lui. La lunette doit, si possible, être blo-
contrôle ou
- en sens inverse :
quée pendant le mesurage. L’écart mesuré corres-
arbre porte-
pond à la variation de l’indication du comparateur
3 + 0,2 &-- 1,18 + 0,4 fi pièce
lors de la mise en position de la lunette contre
l’arbre.
b)
Les mesurages peuvent également être effectués
lorsque l’arbre porte-pièce tourne.
6 + 0,4 Jr, 2,36 + 0,79 &-
Déterminer la valeur moyenne des variations du
comparateur en a) et b) par tour de broche, la
pointe de la lunette engagée dans l’arbre porte-
pièce, puis éloignée de lui. L’écart mesuré est égal
à la différence des valeurs moyennes des indica-
tions du comparateur.
ISO 6545 : 1992 (F)
Schéma
Objet
Mesurage de la coi’ncidence de
l’alésage de la
lunette avec l’axe de rotation dl
e l’arbre porte-
G6.3
pièce
12 = distance entre le point de mesurage et la surface du plateau
Écart toléré
0,000 1 in
0,001 mm Appareils Observations et références
au code de réception ISO 230-I : 1986
de mesurage
d, D, 1, m, p en inches
d, D, 1, m en millimètres
Paragraphe 5.44
Si l’essai G6.1 ne peut être réalisé, effectuer alors
cet essai.
Placer la touche du comparateur contre l’arbre
porte-pièce dans les positions a) et b) à une dis-
tance lz du plateau. Cette distance lz va du plateau
à un point situé près de la lunette.
a) t b)
Amener l’arbre porte-pièce dans sa position
moyenne de faux-rond pour chaque sens de
Comparateur à
6 + 0,4 & 2,36 + 0,79 dl*
mesurage.
touche sphéri-
que, mandrin de
Pour a), écart toléré uniquement en direction de la bro-
Effectuer les mesurages en a) et b) la lunette pla-
contrôle ou
che porte-fraise.
cée contre l’arbre, puis séparée de lui. La lunette
arbre porte-
doit, si possible, être bloquée sur le montant pen-
pièce
Le relevé ne doit pas excéder l’écart toléré diminué de la
dant le mesurage.
moitié du jeu
L’écart mesuré correspond à la variation de I’indi-
cation du comparateur lors de la mise en position
de la lunette en contact avec l’arbre porte-pièce
augmentée de la moitié du jeu entre le logement et
le tourillon.
Ces mesurages peuvent également être effectués
quand l’arbre porte-pièce tourne.
-
t t
ISO 6545 : 1992 (F)
Schéma
Objet
C - CHARIOTS AXIAL ET TANGENTIEL
Mesurage du parallélisme du mouvement du
G7
chariot axial avec l’axe de rotation de l’arbre
porte-pièce
l/q = course maximale du chariot axial
ISO 6546 : 1992 (F)
Écart toléré
0,001 mm 0,000 1 in
Appareils Observations et références
au code de réception ISO 230-I : 1986
de mesurage
d, D, 1, m, p en inches
d, D, 1, m en millimètres,
-
a)
Ecart toléré à l’extrémité libre du mandrin de contrôle :
Paragraphe 5.422. 2
-
en direction de l’axe de la broche porte-fraise :
Fixer le comparateur sur le chariot axial et palper
le mandrin de contrôle en deux plans perpendicu-
8 + 0,8 &- 3,15 + 1,59 fi
laires a) et b).
- en sens inverse :
Amener le mandrin de contrôle dans sa position
moyenne de faux-rond.
4 + 0,4 &- l,57 + 0,79 fi
Effectuer les mesurages dans les deux plans a)
et b) sur toute la course du chariot axial et dans
Comparateur à
les deux sens de déplacement du chariot.
touche sphéri-
que et mandrin
Sur les machines à tailler les engrenages à avance
de contrôle
oblique (méthode de Grant), les glissières du cha-
riot tangentiel doivent être dans la position Oo.
b)
Les variations des indications du comparateur
dans les plans a) et b) sont les écarts mesurés.
6 + 0,5 & 2,36 + 0,99 &
Les mesurages peuvent également être effectués
lorsque l’arbre porte-pièce tourne. On détermine
Les écarts relevés dans les plans a) et b) ne doivent pas
la valeur moyenne des variations des indications
dépasser les limites admissibles quelle que soit la dis-
du comparateur dans les plans a) et b) par tour de
tance entre les axes de la broche porte-fraise et de l’arbre
l’arbre porte-pièce sur toute la course du chariot
porte-pièce
axial et dans les deux sens de déplacement du
chariot.
Les écarts mesurés en a) et b) sont les variations
des valeurs moyennes des indications du compa-
rateur.
t
ISO 6546 : 1992 (F)
Schéma Objet
NO
Mesurage du faux-rond de rotation du logement
de la broche porte-fraise :
G8
a) près du nez de broche;
b) à une distance /5 du nez de broche.
1, =
moitié de la distance maximale entre la face avant du nez de la
broche porte-fraise et le milieu du contre-palier de l’arbre porte-
fraise
Mesurage du déplacement axial périodique de la
G9
broche porte-fraise
Écart toléré
0,000 1 in
0,001 mm Observations et références
Appareils
de mesurage au code de réception ISO 230-l : 1986
d, D, 1, m en millimètres d, D, 1, m, p en inches
a)
Paragraphe 5.612
Comparateur à
2,36
touche sphéri-
Effectuer les mesurages dans les deux sens de
que et mandrin
rotation, l’axe étant placé de préférence en posi-
b)
de contrôle
tion verticale.
2,36 + 1,19 1/15
6 + 0,6 1/15
Paragraphe 5.622
Placer la touche du comparateur contre la bille
située dans l’alésage central du mandrin de
p contrôle et appliquer, si nécessaire*), une force F
1,57 + 1,19
4 + Of6 dmO, max
Comparateur à
0, min
pour rattraper le jeu axial du palier. La valeur de
i
touche plate,
cette force sera précisée par le constructeur.
dynamomètre
si nécessaire,
Effectuer les mesurages dans les deux sens de
mandrin de
rotation.
contrôle et bille
*) Non nécessaire dans le cas de paliers préchargés
axialement.
ISO 6545 : 1992 (F)
Objet
Schéma
NO
Mesurage de la coïncidence du palier extérieur
GI0
avec l’axe de la broche porte-fraise
a-+
II II
r q
mb)
: ‘4
i
1, = distance entre le point de mesurage voisin de l’extrémité libre de
l’arbre porte-fraise et la face avant du nez de la broche porte-
fraise
Mesurage du parallélisme du mouvement du
Gll
chariot tangentiel et de l’axe de rotation de la bro-
c he porte-fraise
a’==k-
I II
f 1
b)
b J
1, =
course maximale du chariot tangentiel
.c
I
ISO 6545 : 1992 (FI
Écart toléré
0,000 1 in Observations et références
0,001 mm Appareils
de mesurage au code de réception ISO 230-I : 1986
d, D, 1, m, p en inches
d, D, 1, m en millimètres
Par
...














Questions, Comments and Discussion
Ask us and Technical Secretary will try to provide an answer. You can facilitate discussion about the standard in here.
Loading comments...