ASTM F779-12(2018)
(Test Method)Standard Test Method for Torsion Characteristic of Alpine Skis
Standard Test Method for Torsion Characteristic of Alpine Skis
SIGNIFICANCE AND USE
3.1 This test method provides a means for determining the torsional stiffness of Alpine skis. It is not intended to evaluate the data with regard to the quality of the ski.
SCOPE
1.1 This test method covers the measurement of ski forebody torsion and ski afterbody torsion of adult Alpine skis.
1.2 No limitation to ski size is proposed. This test method is applicable to all Alpine skis.
1.3 This standard does not purport to address all of the safety concerns, if any, associated with its use. It is the responsibility of the user of this standard to establish appropriate safety, health, and environmental practices and determine the applicability of regulatory limitations prior to use.
1.4 This international standard was developed in accordance with internationally recognized principles on standardization established in the Decision on Principles for the Development of International Standards, Guides and Recommendations issued by the World Trade Organization Technical Barriers to Trade (TBT) Committee.
General Information
- Status
- Published
- Publication Date
- 30-Jun-2018
- Technical Committee
- F27 - Snow and Water Sports
- Drafting Committee
- F27.30 - Skiing and Snowboarding Equipment
Relations
- Effective Date
- 01-Jul-2018
- Effective Date
- 01-Jul-2018
Overview
ASTM F779-12(2018) is the international standard test method developed by ASTM for the measurement of the torsion characteristics of Alpine skis. This standard specifies procedures for determining the torsional stiffness of adult Alpine skis by assessing the rotational force required to twist the ski at specified points. Torsional stiffness is a critical parameter in ski design, significantly influencing performance, control, and stability on snow. ASTM F779-12(2018) offers a consistent approach to testing all sizes and models of Alpine skis, supporting performance benchmarking and product development in the ski industry.
Key Topics
- Torsional Stiffness Measurement: Focuses on quantifying the ski's resistance to twisting forces at two main areas-the forebody (front) and afterbody (rear) of the ski.
- Applicability: The method applies to all adult Alpine skis, regardless of size, making it universally relevant to manufacturers and testing facilities.
- Test Apparatus and Procedure: Utilizes a clamping fixture and torsion head to apply and measure a specified rotational moment, ensuring precise and reproducible results in laboratory settings.
- Data Reporting: Requires thorough documentation of test parameters, ski model details, and any deviations from the standard procedure for complete traceability and result comparison.
- Safety Practices: Users are reminded that the standard does not address all safety concerns, and it is essential to establish appropriate safety, health, and environmental practices independently.
Applications
ASTM F779-12(2018) offers practical value for a range of stakeholders in the skiing industry:
- Manufacturers: Enables ski manufacturers to evaluate and compare the torsion characteristics of prototype designs and production models, helping in optimizing product performance.
- Product Development: Supports R&D teams in developing new ski models with specific torsional stiffness properties that meet targeted performance criteria or skier preferences.
- Quality Assurance: Provides a standardized method for routine quality control checks, ensuring batch-to-batch consistency in ski production.
- Comparative Analysis: Facilitates objective benchmarking between different makes and models by applying a common measurement framework.
- Regulatory Compliance: Assists manufacturers in demonstrating conformity with international testing principles, as the standard follows guidelines set by the World Trade Organization Technical Barriers to Trade (TBT) Committee.
Related Standards
To gain a broader understanding of Alpine ski performance and safety, consider these related standards:
- ASTM F1069: Standard Specification for Ice Hockey Skates - covers skate performance, including some elements relevant to sporting equipment stiffness.
- ISO 6289: Alpine Skis - Terminology - offers comprehensive terminology used in the Alpine ski industry.
- EN 1517: Timber Structures - Testing methods - general torsion testing standards applicable to timber skis or composite materials.
- ISO/TC 83: International standards for sports and recreational equipment, including additional ski equipment testing protocols.
Summary
Adopting ASTM F779-12(2018) ensures rigorous and consistent assessment of the torsion characteristics of Alpine skis, providing ski manufacturers, testers, and engineers with valuable data to drive product innovation and quality assurance. By following this internationally recognized method, the industry maintains high standards for performance and reliability, directly benefiting both professional athletes and recreational skiers.
Buy Documents
ASTM F779-12(2018) - Standard Test Method for Torsion Characteristic of Alpine Skis
Frequently Asked Questions
ASTM F779-12(2018) is a standard published by ASTM International. Its full title is "Standard Test Method for Torsion Characteristic of Alpine Skis". This standard covers: SIGNIFICANCE AND USE 3.1 This test method provides a means for determining the torsional stiffness of Alpine skis. It is not intended to evaluate the data with regard to the quality of the ski. SCOPE 1.1 This test method covers the measurement of ski forebody torsion and ski afterbody torsion of adult Alpine skis. 1.2 No limitation to ski size is proposed. This test method is applicable to all Alpine skis. 1.3 This standard does not purport to address all of the safety concerns, if any, associated with its use. It is the responsibility of the user of this standard to establish appropriate safety, health, and environmental practices and determine the applicability of regulatory limitations prior to use. 1.4 This international standard was developed in accordance with internationally recognized principles on standardization established in the Decision on Principles for the Development of International Standards, Guides and Recommendations issued by the World Trade Organization Technical Barriers to Trade (TBT) Committee.
SIGNIFICANCE AND USE 3.1 This test method provides a means for determining the torsional stiffness of Alpine skis. It is not intended to evaluate the data with regard to the quality of the ski. SCOPE 1.1 This test method covers the measurement of ski forebody torsion and ski afterbody torsion of adult Alpine skis. 1.2 No limitation to ski size is proposed. This test method is applicable to all Alpine skis. 1.3 This standard does not purport to address all of the safety concerns, if any, associated with its use. It is the responsibility of the user of this standard to establish appropriate safety, health, and environmental practices and determine the applicability of regulatory limitations prior to use. 1.4 This international standard was developed in accordance with internationally recognized principles on standardization established in the Decision on Principles for the Development of International Standards, Guides and Recommendations issued by the World Trade Organization Technical Barriers to Trade (TBT) Committee.
ASTM F779-12(2018) is classified under the following ICS (International Classification for Standards) categories: 97.220.20 - Winter sports equipment. The ICS classification helps identify the subject area and facilitates finding related standards.
ASTM F779-12(2018) has the following relationships with other standards: It is inter standard links to ASTM F779-12, ASTM F504-05(2022). Understanding these relationships helps ensure you are using the most current and applicable version of the standard.
ASTM F779-12(2018) is available in PDF format for immediate download after purchase. The document can be added to your cart and obtained through the secure checkout process. Digital delivery ensures instant access to the complete standard document.
Standards Content (Sample)
This international standard was developed in accordance with internationally recognized principles on standardization established in the Decision on Principles for the
Development of International Standards, Guides and Recommendations issued by the World Trade Organization Technical Barriers to Trade (TBT) Committee.
Designation: F779 − 12 (Reapproved 2018)
Standard Test Method for
Torsion Characteristic of Alpine Skis
ThisstandardisissuedunderthefixeddesignationF779;thenumberimmediatelyfollowingthedesignationindicatestheyearoforiginal
adoption or, in the case of revision, the year of last revision.Anumber in parentheses indicates the year of last reapproval.Asuperscript
epsilon (´) indicates an editorial change since the last revision or reapproval.
1. Scope M
t
C N·m/deg 5
~ !
F
θ
F
1.1 This test method covers the measurement of ski fore-
2.1.5 moment of torsion, M—the moment in newton-metres
body torsion and ski afterbody torsion of adult Alpine skis.
t
appliedtorotatetheskiaboutitslongitudinalaxiswhentheski
1.2 No limitation to ski size is proposed.This test method is
is clamped according to Fig. 1 and the moment is applied
applicable to all Alpine skis.
according to Fig. 2.
1.3 This standard does not purport to address all of the
safety concerns, if any, associated with its use. It is the 3. Significance and Use
responsibility of the user of this standard to establish appro-
3.1 This test method provides a means for determining the
priate safety, health, and environmental practices and deter-
torsional stiffness of Alpine skis. It is not intended to evaluate
mine the applicability of regulatory limitations prior to use.
the data with regard to the quality of the ski.
1.4 This international standard was developed in accor-
dance with internationally recognized principles on standard-
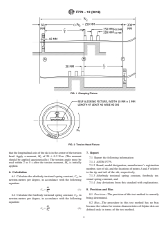
4. Apparatus
ization established in the Decision on Principles for the
4.1 Clamping Fixture, to grip the ski as a vise with a flat,
Development of International Standards, Guides and Recom-
rigid jaw and three clamps with at least 150 +50, −0 mm
mendations issued by the World Trade Organization Technical
spacing between them. One clamp is located at each end of the
Barriers to Trade (TBT) Committee.
fixture and one in the center as illustrated in Fig. 1.The clamps
should be at least 30 mm wide and cover the full width of the
2. Terminology
ski.
2.1 Definitions of Terms Specific to This Standard:
4.2 Torsion Head, shown in Fig. 2, with low-friction mo-
2.1.1 afterbody torsion angle, θ —that angle, in degrees, to
A
ment (≤0.2 N·m) and quasistatic loading system having a
whichtherunningsurfaceisrotatedatPoint Awhenamoment,
clamping fixture described in 4.1. Common devices for this
M, is applied at Point A as shown in Fig. 1.
t
loading system are a weight on a cable wrapped around the
2.1.2 afterbody torsional spring constant, C —the moment
A
head, or a weight on a lever arm rigidly attached to the head.
per degree of rotation of the ski afterbody when the ski is
The torsion head clamping fixture should have a width of 10 6
clamped in accordance with Fig. 1 and the moment applied in
1 mm and a length equal to or greater than the width of the ski.
accordance with Fig. 2.
The base surface of the torsion head fixture to the ski base
M should be in the same plane as the clamping fixture (that is,
t
C N·m/deg 5
~ !
A
θ camber forced out of ski in clamped position).
A
2.1.3 forebody torsion angle, θ —that angle, in degrees, to
4.3 Scale, to measure the torsion angle with an accuracy of
F
whichtherunningsurfaceisrotatedatPoint Fwhenamoment,
0.5°.
M, is applied at Point F as shown in Fig. 1.
t
5. Procedure
2.1.4 forebody torsional spring constant, C —the moment
TS
per degree of rotation of the ski forebody when the ski is 5.1 Test skis at room temperature (23 6 5°C) without
clamped in accordance with Fig. 1 and the moment applied in specificpreconditioning.Torsionheadandclampingfixtureare
accordance with Fig. 2. ad
...




Questions, Comments and Discussion
Ask us and Technical Secretary will try to provide an answer. You can facilitate discussion about the standard in here.
Loading comments...