ISO 3202:1997
(Main)Aerospace - Screws, pan head, internal offset cruciform ribbed or unribbed drive, threaded to head, MJ threads, metallic material, coated or uncoated, strength classes less than or equal to 1 100 MPa - Dimensions
Aerospace - Screws, pan head, internal offset cruciform ribbed or unribbed drive, threaded to head, MJ threads, metallic material, coated or uncoated, strength classes less than or equal to 1 100 MPa - Dimensions
Aéronautique et espace — Vis à tête cylindrique, à empreinte cruciforme déportée, avec ou sans saillies antidérapantes, filetées jusqu'à proximité de la tête, à filetage MJ, en matériau métallique, revêtues ou non revêtues, des classes de résistance inférieures ou égales à 1 100 MPa — Dimensions
General Information
- Status
- Published
- Publication Date
- 14-Oct-1997
- Technical Committee
- ISO/TC 20/SC 4 - Aerospace fastener systems
- Drafting Committee
- ISO/TC 20/SC 4 - Aerospace fastener systems
- Current Stage
- 9060 - Close of review
- Completion Date
- 04-Mar-2031
Relations
- Effective Date
- 15-Apr-2008
Overview
ISO 3202:1997 defines the dimensional requirements for a specific family of aerospace screws: pan head, internal offset cruciform (ribbed or unribbed) drive, threaded to the head, using MJ threads, made of metallic material, coated or uncoated, and with strength classes ≤ 1 100 MPa. Published by ISO/TC 20 (Aircraft and space vehicles) SC4, this second edition standardizes form, dimensions and selection criteria used in aerospace product standards and procurement.
Key topics and technical requirements
- Scope and intent: Specifies dimensions and tolerances (in millimetres) for pan head screws with internal offset cruciform drives, intended for aerospace fastener systems.
- Drive and thread system: Uses MJ thread designation and internal offset cruciform drives (ribbed or unribbed). Drive profiles reference related drive standards.
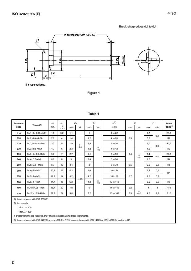
- Dimensional detail: Includes a figure and a tabulated set of dimensional data for drive and thread codes (MJ1 through MJ12), plus guidance on edge breaks (0.1–0.4 mm).
- Tolerancing & form: Tolerances of form and position are handled by ISO 7913; dimensions apply after any surface coating but before application of lubricants.
- Lead and runout: Lead and runout requirements are addressed for threaded-to-head screws, ensuring consistency in thread start/finish and functional engagement.
- Length increments: Standardizes available screw lengths (increments: 2 mm for L < 100 mm; 4 mm for L ≥ 100 mm), with guidance for selecting greater lengths.
- Applicable materials and finishes: Covers metallic materials, coated or uncoated, within the stated strength classes (≤ 1 100 MPa).
Applications and users
ISO 3202 is essential for:
- Aerospace designers and mechanical engineers specifying fasteners for airframes, interiors, and avionics mounts.
- Fastener manufacturers producing pan head, offset cruciform screws to aerospace tolerances.
- Quality assurance and inspection teams verifying dimensions, lead/runout and form tolerances during production and incoming inspection.
- Procurement and supply chain professionals ensuring purchased screws meet aerospace standardization and interchangeability requirements.
Practical benefits include improved interchangeability, reduced assembly issues from improper drives or runout, and consistent selection of coated/uncoated fasteners with known strength limits.
Related standards
Key referenced standards include:
- ISO 5855-2 - MJ threads limit dimensions for bolts and nuts
- ISO 7913 - Tolerances of form and position (metric)
- ISO 3353 - Rolled threads for bolts
- ISO 14275 / ISO 14276 - Internal offset cruciform drives (metric series)
Keywords: ISO 3202, aerospace screws, pan head screws, MJ threads, offset cruciform drive, screw dimensions, aerospace fasteners, strength classes 1100 MPa.
ISO 3202:1997 - Aerospace -- Screws, pan head, internal offset cruciform ribbed or unribbed drive, threaded to head, MJ threads, metallic material, coated or uncoated, strength classes less than or equal to 1 100 MPa -- Dimensions
ISO 3202:1997 - Aéronautique et espace -- Vis a tete cylindrique, a empreinte cruciforme déportée, avec ou sans saillies antidérapantes, filetées jusqu'a proximité de la tete, a filetage MJ, en matériau métallique, revetues ou non revetues, des classes de résistance inférieures ou égales a 1 100 MPa -- Dimensions
Frequently Asked Questions
ISO 3202:1997 is a standard published by the International Organization for Standardization (ISO). Its full title is "Aerospace - Screws, pan head, internal offset cruciform ribbed or unribbed drive, threaded to head, MJ threads, metallic material, coated or uncoated, strength classes less than or equal to 1 100 MPa - Dimensions". This standard covers: Aerospace - Screws, pan head, internal offset cruciform ribbed or unribbed drive, threaded to head, MJ threads, metallic material, coated or uncoated, strength classes less than or equal to 1 100 MPa - Dimensions
Aerospace - Screws, pan head, internal offset cruciform ribbed or unribbed drive, threaded to head, MJ threads, metallic material, coated or uncoated, strength classes less than or equal to 1 100 MPa - Dimensions
ISO 3202:1997 is classified under the following ICS (International Classification for Standards) categories: 49.030.20 - Bolts, screws, studs. The ICS classification helps identify the subject area and facilitates finding related standards.
ISO 3202:1997 has the following relationships with other standards: It is inter standard links to ISO 3202:1991. Understanding these relationships helps ensure you are using the most current and applicable version of the standard.
You can purchase ISO 3202:1997 directly from iTeh Standards. The document is available in PDF format and is delivered instantly after payment. Add the standard to your cart and complete the secure checkout process. iTeh Standards is an authorized distributor of ISO standards.
Standards Content (Sample)
INTERNATIONAL ISO
STANDARD 3202
Second edition
1997-10-15
Aerospace — Screws, pan head, internal
offset cruciform ribbed or unribbed drive,
threaded to head, MJ threads, metallic
material, coated or uncoated, strength
classes less than or equal to 1 100 MPa —
Dimensions
Aéronautique et espace — Vis à tête cylindrique, à empreinte cruciforme
déportée, avec ou sans saillies antidérapantes, filetées jusqu'à proximité de
la tête, à filetage MJ, en matériau métallique, revêtues ou non revêtues, des
classes de résistance inférieures ou égales à 1 100 MPa — Dimensions
A
Reference number
Foreword
ISO (the International Organization for Standardization) is a worldwide
federation of national standards bodies (ISO member bodies). The work of
preparing International Standards is normally carried out through ISO
technical committees. Each member body interested in a subject for which
a technical committee has been established has the right to be represented
on that committee. International organizations, governmental and non-
governmental, in liaison with ISO, also take part in the work. ISO
collaborates closely with the International Electrotechnical Commission
(IEC) on all matters of electrotechnical standardization.
Draft International Standards adopted by the technical committees are
circulated to the member bodies for voting. Publication as an International
Standard requires approval by at least 75 % of the member bodies casting
a vote.
International Standard ISO 3202 was prepared by Technical Committee
ISO/TC 20, Aircraft and space vehicles, Subcommittee SC 4, Aerospace
fastener systems.
This second edition cancels and replaces the first edition
(ISO 3202:1991), of which it constitutes a technical revision.
© ISO 1997
All rights reserved. Unless otherwise specified, no part of this publication may be reproduced
or utilized in any form or by any means, electronic or mechanical, including photocopying and
microfilm, without permission in writing from the publisher.
International Organization for Standardization
Case postale 56 • CH-1211 Genève 20 • Switzerland
Internet central@iso.ch
X.400 c=ch; a=400net; p=iso; o=isocs; s=central
Printed in Switzerland
ii
©
INTERNATIONAL STANDARD ISO ISO 3202:1997(E)
Aerospace — Screws, pan head, internal offset cruciform ribbed
or unribbed drive, threaded to head, MJ threads, metallic material,
coated or uncoated, strength classes less than or equal to
1 100 MPa — Dimensions
ISO 3353:1992, Aerospace — Rolled threads for bolts
1 Scope
— Lead and runout requirements.
This International Standard specifies the dimensions
ISO 5855-2:1988, Aerospace — MJ threads — Part 2:
of threaded to head pan head screws, with internal
.
Limit dimensions for bolts and nuts
offset cruciform ribbed or unribbed drive, MJ thre
...
NORME ISO
INTERNATIONALE 3202
Deuxième édition
1997-10-15
Aéronautique et espace — Vis à tête
cylindrique, à empreinte cruciforme
déportée, avec ou sans saillies
antidérapantes, filetées jusqu'à proximité
de la tête, à filetage MJ, en matériau
métallique, revêtues ou non revêtues, des
classes de résistance inférieures ou égales
à 1 100 MPa — Dimensions
Aerospace — Screws, pan head, internal offset cruciform ribbed
or unribbed drive, threaded to head, MJ threads, metallic material, coated
or uncoated, strength classes less than or equal to 1 100 MPa —
Dimensions
A
Numéro de référence
Avant-propos
L'ISO (Organisation internationale de normalisation) est une fédération
mondiale d'organismes nationaux de normalisation (comités membres de
l'ISO). L'élaboration des Normes internationales est en général confiée aux
comités techniques de l'ISO. Chaque comité membre intéressé par une
étude a le droit de faire partie du comité technique créé à cet effet. Les
organisations internationales, gouvernementales et non gouvernementales,
en liaison avec l'ISO participent également aux travaux. L'ISO collabore
étroitement avec la Commission électrotechnique internationale (CEI) en
ce qui concerne la normalisation électrotechnique.
Les projets de Normes internationales adoptés par les comités techniques
sont soumis aux comités membres pour vote. Leur publication comme
Normes internationales requiert l'approbation de 75 % au moins des comi-
tés membres votants.
La Norme internationale ISO 3202 a été élaborée par le comité technique
ISO/TC 20, Aéronautique et espace, sous-comité SC 4, Éléments de fixa-
tion pour constructions aérospatiales.
Cette deuxième édition annule et remplace la première édition
(ISO 3202:1991), dont elle constitue une révision technique.
© ISO 1997
Droits de reproduction réservés. Sauf prescription différente, aucune partie de cette publi-
cation ne peut être reproduite ni utilisée sous quelque forme que ce soit et par aucun pro-
cédé, électronique ou mécanique, y compris la photocopie et les microfilms, sans l'accord
écrit de l'éditeur.
Organisation internationale de normalisation
Case postale 56 • CH-1211 Genève 20 • Suisse
Internet central@iso.ch
X.400 c=ch; a=400net; p=iso; o=isocs; s=central
Imprimé en Suisse
ii
©
NORME INTERNATIONALE ISO ISO 3202:1997(F)
Aéronautique et espace — Vis à tête cylindrique, à empreinte
cruciforme déportée, avec ou sans saillies antidérapantes, filetées
jusqu'à proximité de la tête, à filetage MJ, en matériau métallique,
revêtues ou non revêtues, des classes de résistance inférieures
ou égales à 1 100 MPa — Dimensions
ISO 3353:1992, Aéronautique et espace — Filetages
1 Domaine d'application
roulés des vis — Filets incomplets côté tige (ou tête)
et côté extrémité.
La présente Norme internationale prescrit les dimen-
sions des vis à tête cylindrique, à empreinte cruci-
forme déportée, avec ou sans saillies antidérapantes,
ISO 5855-2:1988, Aéronautique et espace — Filetage
filetées jusqu'à proximité de la tête, à filetage MJ, en MJ — Partie 2: Dimensions limites pour vis et écrous.
matér
...














Questions, Comments and Discussion
Ask us and Technical Secretary will try to provide an answer. You can facilitate discussion about the standard in here.
Loading comments...