ASTM E1225-20
(Test Method)Standard Test Method for Thermal Conductivity of Solids Using the Guarded-Comparative-Longitudinal Heat Flow Technique
Standard Test Method for Thermal Conductivity of Solids Using the Guarded-Comparative-Longitudinal Heat Flow Technique
SIGNIFICANCE AND USE
5.1 The comparative method of measurement of thermal conductivity is especially useful for engineering materials including ceramics, polymers, metals and alloys, refractories, carbons, and graphites including combinations and other composite forms of each.
5.2 Proper design of a guarded-longitudinal system is difficult and it is not practical in a method of this type to try to establish details of construction and procedures to cover all contingencies that might offer difficulties to a person without technical knowledge concerning theory of heat flow, temperature measurements, and general testing practices. Standardization of this test method is not intended to restrict in any way the future development by research workers of new or methods or improved procedures. However, new or improved techniques must be thoroughly tested. Requirements for qualifying an apparatus are outlined in Section 10.
SCOPE
1.1 This test method describes a steady state technique for the determination of the thermal conductivity, λ, of homogeneous-opaque solids (see Notes 1 and 2). This test method is applicable to materials with effective thermal conductivities in the range 0.2 m·K) over the temperature range between 90 K and 1300 K. It can be used outside these ranges with decreased accuracy.
Note 1: For purposes of this technique, a system is homogeneous if the apparent thermal conductivity of the specimen, λA, does not vary with changes of thickness or cross-sectional area by more than ±5 %. For composites or heterogeneous systems consisting of slabs or plates bonded together, the specimen should be more than 20 units wide and 20 units thick, respectively, where a unit is the thickness of the thickest slab or plate, so that diameter or length changes of one-half unit will affect the apparent λA by less than ±5 %. For systems that are non-opaque or partially transparent in the infrared, the combined error due to inhomogeneity and photon transmission should be less than ±5 %. Measurements on highly transparent solids must be accompanied with infrared absorption coefficient information, or the results must be reported as apparent thermal conductivity, λA.
Note 2: This test method may also be used to evaluate the contact thermal conductance/resistance of materials and composites.
1.2 The values stated in SI units are to be regarded as standard. No other units of measurement are included in this standard.
1.3 This standard does not purport to address all of the safety concerns, if any, associated with its use. It is the responsibility of the user of this standard to establish appropriate safety, health, and environmental practices and determine the applicability of regulatory limitations prior to use.
1.4 This international standard was developed in accordance with internationally recognized principles on standardization established in the Decision on Principles for the Development of International Standards, Guides and Recommendations issued by the World Trade Organization Technical Barriers to Trade (TBT) Committee.
General Information
- Status
- Published
- Publication Date
- 31-Aug-2020
- Technical Committee
- E37 - Thermal Measurements
- Drafting Committee
- E37.05 - Thermophysical Properties
Relations
- Effective Date
- 23-Sep-2003
- Effective Date
- 10-Jun-1998
Overview
ASTM E1225-20 is the internationally recognized standard test method for determining the thermal conductivity of solid materials using the guarded-comparative-longitudinal heat flow method. Developed by ASTM International, this test method delivers a precise approach to measure the thermal conductivity (λ) of homogeneous and opaque solid materials, including ceramics, polymers, metals, alloys, refractories, carbons, graphites, composites, and combinations thereof.
Designed for use with materials displaying effective thermal conductivities between 0.2 and 200 W/(m·K), ASTM E1225-20 covers a broad temperature range from 90 K up to 1300 K, making it especially valuable for materials research, product development, and quality assurance in engineering and manufacturing environments.
Key Topics
- Test Method: This standard describes a steady-state comparative technique where an unknown specimen is sandwiched between two reference materials (meter bars) of known thermal conductivities. By establishing a controlled temperature gradient and carefully managing heat flow, the thermal conductivity of the test specimen is calculated.
- Guarded System: The method employs a longitudinal guard to minimize radial heat loss and ensure one-dimensional heat flow through the specimen and reference materials, enhancing accuracy.
- Sample Requirements: The method is appropriate for homogeneous-opaque solids and can also be extended with certain limitations to some composite or layered structures, provided stringent geometry and dimensional requirements are met.
- Applicability Range: Suitable for conductivities from 0.2 to 200 W/(m·K) and for temperatures between 90 K and 1300 K. Usage outside these ranges is possible but results in reduced measurement accuracy.
- Procedural Precision: Requires precise installation and calibration of temperature sensors (typically thermocouples), careful sample preparation, and reliable contact between specimen and references to minimize measurement errors such as contact resistance or heat shunting.
- Reference and Calibration: Uses well-characterized reference materials such as electrolytic iron, tungsten, austenitic stainless steel, copper, pyroceram, and others. Calibration routines and apparatus qualification schedules are integral components.
Applications
- Material Characterization: Enables accurate measurement of thermal conductivity for a wide variety of engineering materials, crucial for selecting suitable components in thermal management, insulation, and heat exchange applications.
- Research & Development: Extensively used in materials science and engineering laboratories to qualify new composites, ceramics, and high-performance alloys.
- Industrial Quality Control: Supports manufacturing operations by ensuring materials meet specified thermal performance criteria for uses such as refractory linings, insulation products, and electronic component substrates.
- Design Optimization: Useful for product designers seeking to optimize heat transfer, insulation, or dissipation properties in advanced engineering systems.
- Evaluation of Contact Resistance: Beyond basic conductivity measurement, ASTM E1225-20 may also be adapted to investigate the thermal contact conductance and resistance between materials and within composite assemblies.
Related Standards
- ASTM E230: Standard Specification for Temperature-Electromotive Force (emf) Tables for Standardized Thermocouples, essential for temperature measurement calibration.
- ASTM C177: Standard Test Method for Steady-State Heat Flux Measurements and Thermal Transmission Properties by Means of the Guarded-Hot-Plate Apparatus.
- ASTM C518: Standard Test Method for Steady-State Thermal Transmission Properties by Means of the Heat Flow Meter Apparatus.
- ISO 22007-2: Plastics - Determination of thermal conductivity and thermal diffusivity - Part 2: Transient plane heat source (hot disk) method.
- ISO 8302: Thermal insulation - Determination of steady-state thermal resistance and related properties - Guarded hot plate apparatus.
Conclusion
ASTM E1225-20 is an essential standard for anyone needing reliable and accurate thermal conductivity measurements for solid materials across a wide range of industries. Through its detailed methodology, focus on high-precision instrumentation, and reliance on standardized reference materials, it supports innovation, quality assurance, and regulatory compliance in thermal engineering and material science domains.
Keywords: ASTM E1225-20, thermal conductivity of solids, guarded-comparative-longitudinal, heat flow, material testing, engineering materials, ceramics, polymers, metals, refractories, quality control, material science standards.
Buy Documents
ASTM E1225-20 - Standard Test Method for Thermal Conductivity of Solids Using the Guarded-Comparative-Longitudinal Heat Flow Technique
REDLINE ASTM E1225-20 - Standard Test Method for Thermal Conductivity of Solids Using the Guarded-Comparative-Longitudinal Heat Flow Technique
Get Certified
Connect with accredited certification bodies for this standard
BSMI (Bureau of Standards, Metrology and Inspection)
Taiwan's standards and inspection authority.
Sponsored listings
Frequently Asked Questions
ASTM E1225-20 is a standard published by ASTM International. Its full title is "Standard Test Method for Thermal Conductivity of Solids Using the Guarded-Comparative-Longitudinal Heat Flow Technique". This standard covers: SIGNIFICANCE AND USE 5.1 The comparative method of measurement of thermal conductivity is especially useful for engineering materials including ceramics, polymers, metals and alloys, refractories, carbons, and graphites including combinations and other composite forms of each. 5.2 Proper design of a guarded-longitudinal system is difficult and it is not practical in a method of this type to try to establish details of construction and procedures to cover all contingencies that might offer difficulties to a person without technical knowledge concerning theory of heat flow, temperature measurements, and general testing practices. Standardization of this test method is not intended to restrict in any way the future development by research workers of new or methods or improved procedures. However, new or improved techniques must be thoroughly tested. Requirements for qualifying an apparatus are outlined in Section 10. SCOPE 1.1 This test method describes a steady state technique for the determination of the thermal conductivity, λ, of homogeneous-opaque solids (see Notes 1 and 2). This test method is applicable to materials with effective thermal conductivities in the range 0.2 m·K) over the temperature range between 90 K and 1300 K. It can be used outside these ranges with decreased accuracy. Note 1: For purposes of this technique, a system is homogeneous if the apparent thermal conductivity of the specimen, λA, does not vary with changes of thickness or cross-sectional area by more than ±5 %. For composites or heterogeneous systems consisting of slabs or plates bonded together, the specimen should be more than 20 units wide and 20 units thick, respectively, where a unit is the thickness of the thickest slab or plate, so that diameter or length changes of one-half unit will affect the apparent λA by less than ±5 %. For systems that are non-opaque or partially transparent in the infrared, the combined error due to inhomogeneity and photon transmission should be less than ±5 %. Measurements on highly transparent solids must be accompanied with infrared absorption coefficient information, or the results must be reported as apparent thermal conductivity, λA. Note 2: This test method may also be used to evaluate the contact thermal conductance/resistance of materials and composites. 1.2 The values stated in SI units are to be regarded as standard. No other units of measurement are included in this standard. 1.3 This standard does not purport to address all of the safety concerns, if any, associated with its use. It is the responsibility of the user of this standard to establish appropriate safety, health, and environmental practices and determine the applicability of regulatory limitations prior to use. 1.4 This international standard was developed in accordance with internationally recognized principles on standardization established in the Decision on Principles for the Development of International Standards, Guides and Recommendations issued by the World Trade Organization Technical Barriers to Trade (TBT) Committee.
SIGNIFICANCE AND USE 5.1 The comparative method of measurement of thermal conductivity is especially useful for engineering materials including ceramics, polymers, metals and alloys, refractories, carbons, and graphites including combinations and other composite forms of each. 5.2 Proper design of a guarded-longitudinal system is difficult and it is not practical in a method of this type to try to establish details of construction and procedures to cover all contingencies that might offer difficulties to a person without technical knowledge concerning theory of heat flow, temperature measurements, and general testing practices. Standardization of this test method is not intended to restrict in any way the future development by research workers of new or methods or improved procedures. However, new or improved techniques must be thoroughly tested. Requirements for qualifying an apparatus are outlined in Section 10. SCOPE 1.1 This test method describes a steady state technique for the determination of the thermal conductivity, λ, of homogeneous-opaque solids (see Notes 1 and 2). This test method is applicable to materials with effective thermal conductivities in the range 0.2 m·K) over the temperature range between 90 K and 1300 K. It can be used outside these ranges with decreased accuracy. Note 1: For purposes of this technique, a system is homogeneous if the apparent thermal conductivity of the specimen, λA, does not vary with changes of thickness or cross-sectional area by more than ±5 %. For composites or heterogeneous systems consisting of slabs or plates bonded together, the specimen should be more than 20 units wide and 20 units thick, respectively, where a unit is the thickness of the thickest slab or plate, so that diameter or length changes of one-half unit will affect the apparent λA by less than ±5 %. For systems that are non-opaque or partially transparent in the infrared, the combined error due to inhomogeneity and photon transmission should be less than ±5 %. Measurements on highly transparent solids must be accompanied with infrared absorption coefficient information, or the results must be reported as apparent thermal conductivity, λA. Note 2: This test method may also be used to evaluate the contact thermal conductance/resistance of materials and composites. 1.2 The values stated in SI units are to be regarded as standard. No other units of measurement are included in this standard. 1.3 This standard does not purport to address all of the safety concerns, if any, associated with its use. It is the responsibility of the user of this standard to establish appropriate safety, health, and environmental practices and determine the applicability of regulatory limitations prior to use. 1.4 This international standard was developed in accordance with internationally recognized principles on standardization established in the Decision on Principles for the Development of International Standards, Guides and Recommendations issued by the World Trade Organization Technical Barriers to Trade (TBT) Committee.
ASTM E1225-20 is classified under the following ICS (International Classification for Standards) categories: 17.200.10 - Heat. Calorimetry. The ICS classification helps identify the subject area and facilitates finding related standards.
ASTM E1225-20 has the following relationships with other standards: It is inter standard links to ASTM E230-03, ASTM E230-98. Understanding these relationships helps ensure you are using the most current and applicable version of the standard.
ASTM E1225-20 is available in PDF format for immediate download after purchase. The document can be added to your cart and obtained through the secure checkout process. Digital delivery ensures instant access to the complete standard document.
Standards Content (Sample)
This international standard was developed in accordance with internationally recognized principles on standardization established in the Decision on Principles for the
Development of International Standards, Guides and Recommendations issued by the World Trade Organization Technical Barriers to Trade (TBT) Committee.
Designation: E1225 − 20
Standard Test Method for
Thermal Conductivity of Solids Using the Guarded-
Comparative-Longitudinal Heat Flow Technique
This standard is issued under the fixed designation E1225; the number immediately following the designation indicates the year of
original adoption or, in the case of revision, the year of last revision.Anumber in parentheses indicates the year of last reapproval.A
superscript epsilon (´) indicates an editorial change since the last revision or reapproval.
This standard has been approved for use by agencies of the U.S. Department of Defense.
1. Scope mendations issued by the World Trade Organization Technical
Barriers to Trade (TBT) Committee.
1.1 This test method describes a steady state technique for
the determination of the thermal conductivity, λ,of
2. Referenced Documents
homogeneous-opaque solids (see Notes 1 and 2). This test
method is applicable to materials with effective thermal con- 2.1 ASTM Standards:
ductivities in the range 0.2 < λ < 200 W/(m·K) over the E230Specification for Temperature-Electromotive Force
temperature range between 90 K and 1300 K. It can be used (emf) Tables for Standardized Thermocouples
outside these ranges with decreased accuracy.
3. Terminology
NOTE 1—For purposes of this technique, a system is homogeneous if
the apparent thermal conductivity of the specimen, λ , does not vary with
3.1 Definitions of Terms Specific to This Standard:
A
changes of thickness or cross-sectional area by more than 65%. For
3.1.1 thermal conductivity, λ,n—the time rate of heat flow,
composites or heterogeneous systems consisting of slabs or plates bonded
understeadyconditions,throughunitarea,perunittemperature
together, the specimen should be more than 20 units wide and 20 units
gradient in the direction perpendicular to the area.
thick, respectively, where a unit is the thickness of the thickest slab or
plate, so that diameter or length changes of one-half unit will affect the
3.1.2 apparent thermal conductivity, n—when other modes
apparent λ by less than 65%. For systems that are non-opaque or
A
of heat transfer through a material are present in addition to
partially transparent in the infrared, the combined error due to inhomo-
conduction,theresultsofthemeasurementsperformedaccord-
geneityandphotontransmissionshouldbelessthan 65%.Measurements
ingtothistestmethodwillrepresenttheapparent(oreffective)
onhighlytransparentsolidsmustbeaccompaniedwithinfraredabsorption
coefficientinformation,ortheresultsmustbereportedasapparentthermal
thermal conductivity for the material tested.
conductivity, λ .
A
3.2 Symbols:
NOTE 2—This test method may also be used to evaluate the contact
λ (T) = thermal conductivity of meter bars (reference
thermal conductance/resistance of materials and composites. M
materials) as a function of temperature,
1.2 The values stated in SI units are to be regarded as
(W/(m·K))
standard. No other units of measurement are included in this
λ = thermal conductivity of top meter bar,
M
standard.
(W/(m·K))
1.3 This standard does not purport to address all of the
λ = thermal conductivity of bottom meter bar,
M
safety concerns, if any, associated with its use. It is the
(W/(m·K))
responsibility of the user of this standard to establish appro-
λ (T) = thermal conductivity of specimen corrected
S
priate safety, health, and environmental practices and deter-
forheatexchangewherenecessary,(W/(m·K))
mine the applicability of regulatory limitations prior to use. λ' (T) = thermal conductivity of specimen calculated
S
1.4 This international standard was developed in accor- by ignoring heat exchange correction,
dance with internationally recognized principles on standard- (W/(m·K))
ization established in the Decision on Principles for the λ(T) = thermal conductivity of insulation as a func-
I
tion of temperature, (W/(m·K))
Development of International Standards, Guides and Recom-
T = absolute temperature (K)
ThistestmethodisunderthejurisdictionofASTMCommitteeE37onThermal
Measurements and is the direct responsibility of Subcommittee E37.05 on Thermo-
physical Properties. For referenced ASTM standards, visit the ASTM website, www.astm.org, or
Current edition approved Sept. 1, 2020. Published October 2020. Originally contact ASTM Customer service at service@astm.org. For Annual Book of ASTM
approved in 1987. Last previous edition approved in 2013 as E1225–13. DOI: Standards volume information, refer to the standard’s Document Summary page on
10.1520/E1225-20. the ASTM website.
Copyright © ASTM International, 100 Barr Harbor Drive, PO Box C700, West Conshohocken, PA 19428-2959. United States
E1225 − 20
The value of λ , as uncorrected for heat shunting, can then be
Z = positionasmeasuredfromtheupperendofthe
S
determined using the following equation where the notation is
column, (m)
shown in Fig. 1:
l = specimen length, (m),
T = the temperature at Z, (K)
i i Z 2 Z λ T 2 T T 2 T
4 3 M 2 1 6 5
λ 5 · · 1 (1)
q' = heat flow per unit area, (W/m ) S D
s
T 2 T 2 Z 2 Z Z 2 Z
4 3 2 1 6 5
δλ, δT, etc. = uncertainty in λ, T, etc.
r = specimen radius, (m) This is a highly idealized situation, however, since it
A
r = guard cylinder inner radius, (m)
assumes no heat exchange between the column and insulation
B
T (z) = guard temperature as a function of position, z,
at any position and uniform heat transfer at each meter
g
(K)
bar-specimen interface. The errors caused by these two as-
sumptions vary widely and are discussed in Section 10.
4. Summary of Test Method Becauseofthesetwoeffects,restrictionsmustbeplacedonthis
testmethod,ifthedesiredaccuracyprecisionistobeachieved.
4.1 A test specimen is inserted under an applied load
betweentwosimilarspecimensofamaterialofknownthermal
5. Significance and Use
properties and a thickness such that the thermal conductance is
ofsimilarordertothatofthespecimen.Atemperaturegradient 5.1 The comparative method of measurement of thermal
isestablishedintheteststackandheatlossesareminimizedby conductivity is especially useful for engineering materials
use of a longitudinal guard having approximately the same including ceramics, polymers, metals and alloys, refractories,
temperature gradient. At equilibrium conditions, the thermal carbons, and graphites including combinations and other com-
conductivity is derived from the measured temperature gradi- posite forms of each.
ents in the respective specimens and the thermal conductivity
5.2 Proper design of a guarded-longitudinal system is diffi-
of the reference materials.
cult and it is not practical in a method of this type to try to
4.2 General Features of Test Method: establish details of construction and procedures to cover all
contingencies that might offer difficulties to a person without
4.2.1 The general features of the guarded longitudinal heat
technical knowledge concerning theory of heat flow, tempera-
flow technique are shown in Fig. 1. A specimen of unknown
ture measurements, and general testing practices. Standardiza-
thermal conductivity, λ , but having an estimated thermal
S
tionofthistestmethodisnotintendedtorestrictinanywaythe
conductance of λ /l , is mounted between two similar meter
S S
future development by research workers of new or methods or
bars of known thermal conductivity λ , of the same cross-
M
improved procedures. However, new or improved techniques
section and similar thermal conductance, λ /l . A more
M M
must be thoroughly tested. Requirements for qualifying an
complex but suitable arrangement is a column consisting of a
apparatus are outlined in Section 10.
disk heater with a specimen and a meter bar on each side
between heater and heat sink. Approximately one-half of the
6. Requirements
power would then flow through each specimen. When the
meter bars and specimen are right-circular cylinders of equal
6.1 Meter Bar Reference Materials:
diameter the technique is described as the cut-bar method.
6.1.1 Reference materials or transfer standards with known
When the cross-sectional dimensions are larger than the
thermal conductivities must be used for the meter bars. Since
thickness it is described as the flat slab comparative method.
the minimum measurement error of the method is the uncer-
Essentially, any shape can be used, as long as the meter bars
tainty in λ , it is preferable to use standards (SRM or CRM)
M
and specimen have the same conduction areas.
available from a national metrology institute. Other reference
4.2.2 A mechanical or pneumatic force is applied to the
materials are available due to numerous measurements of λ
column to ensure good contact between specimens. The stack
having been made by a number of organizations including
is surrounded by a thermal insulation material of thermal
national metrology institutes, and with general acceptance of
conductivity, λ, enclosed in a guard shell with a radius, r ,
I B the values. Table 1 lists the recommended reference materials
held at the temperature, T (z). A temperature gradient is
and contain thermal conductivity values for the appropriate
g
imposed on the column usually by maintaining the top at a
temperature range. Fig. 2 illustrates the approximate variation
temperature, T , and the bottom at a lower temperature T .
of λ with temperature.
T B
M
T (z)isusuallyalineartemperaturegradientmatchingapproxi-
g 6.1.2 Table 1 is not exhaustive and other materials may be
mately the gradient established in the test stack. However, an
used as references providing the property values that are used
isothermalguardwith T (z)equaltotheaveragetemperatureof
g arethoseforthespecificmaterialreferenced (1).Thereference
the specimen may also be used. An unguarded system is not
material and the source of λ values shall be stated in the
M
recommended due to the potential very large heat losses,
report.
particularly at elevated temperatures (1). At steady state, the
6.1.3 The requirements for any reference material include
temperature gradients along the sections are calculated from
stabilityoverthetemperaturerangeofoperation,compatibility
measured temperatures along the meter bars and the specimen.
with other system components, reasonable cost, ease of tem-
perature sensor attachment, and an accurately known thermal
conductivity. Since heat shunting errors for a specific λ
I
increase as λ / λ varies from unity (2), the reference which
The boldface numbers in parentheses refer to a list of references at the end of M s
this standard. has a λ nearest to λ should be used for the meter bars.
M S
E1225 − 20
6.1.4 If the thermal conductivity λ of the specimen is
s
between the values for two reference materials, the reference
material with the higher λ should be used in order to reduce
M
the total temperature drop along the column.
6.2 Insulation Materials:
6.2.1 A variety of powder, particulate, and fiber materials
exists for reducing both radial heat flow in the column-guard
annulusandsurrounds,andforheatshuntingalongthecolumn.
Severalfactorsmustbeconsideredduringselectionofthemost
appropriate insulation. The insulation shall be stable over the
anticipated temperature range, have a low λ, and be easy to
I
handle. In addition, the insulation should not contaminate
system components such as the temperature sensors, it must
have low toxicity, and it should not conduct electricity. In
general, powders and particulates are used since they pack
readily. However, low density fiber blankets can be used.
6.2.2 Recommended thermal insulations are listed in Table
6.
6.3 Temperature Sensors:
6.3.1 There shall be a minimum of two temperature sensors
on each meter bar and two on the specimen. Whenever
possible, the meter bars and specimen should each contain
three sensors. The extra sensors are useful in confirming
linearity of temperature versus distance along the column, or
indicating an error due to a temperature sensor decalibration.
6.3.2 Thetypeoftemperaturesensordependsonthesystem
size, temperature range, and the system environment as con-
trolled by the insulation, meter bars, specimen, and gas within
the system. Any sensor possessing adequate accuracy may be
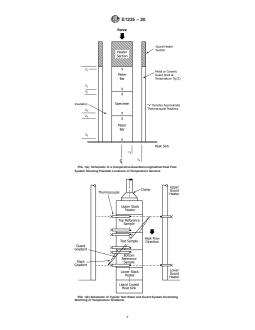
FIG. 1(a) Schematic of a Comparative-Guarded-Longitudinal Heat Flow
System Showing Possible Locations of Temperature Sensors
used for temperature measurement (3) and be used in large
systems where heat flow perturbation by the temperature
sensors would be negligible. Thermocouples are normally
employed. Their small size and the ease of attachment are
distinct advantages.
6.3.3 When thermocouples are employed, they should be
fabricated from wires of temperature grade materials and
should be 0.1 mm diameter or less and with the individual
wires in suitable twin-bore protective insulation. A constant
temperature reference shall always be provided for all cold
junctions. This reference can be an ice-cold slurry (4),a
constant temperature zone box, or an electronic ice point
reference. All thermocouples shall be fabricated from either
calibrated thermocouple wire (5) or from wire that has been
certified by the supplier to be within the limits of error
specified in Table 1 of Standard E230.
6.3.4 Thermocouple attachment is important to this tech-
nique in order to ensure that reliable temperature measure-
ments are made at specific points. The various techniques are
illustrated in Fig. 3. Intrinsic junctions can be obtained with
metalsandalloysbyweldingindividualthermo-elementstothe
surfaces (Fig. 3a). Butt or bead welded thermocouples junc-
tionscanberigidlyattachedbypeening,cementing,orwelding
in fine grooves or small holes (Fig. 3b, 3c, and 3d).
6.3.5 In Fig. 3b, the thermocouple resides in a radial slot,
and in Fig. 3c the thermocouple is pulled through a radial hole
in the material. When a sheathed thermocouple or a thermo-
FIG. 1(b) Schematic of Typical Test Stack and Guard System Illustrating
Matching of Temperature Gradients
couple with both thermoelements in a two-hole electrical
insulator is used, the thermocouple attachment shown in Fig.
FIG. 1 Schematics
E1225 − 20
TABLE 1 Reference Materials For Use as Meter Bars
Percentage
Temperature Thermal Conductivity
Material Uncertainty
Range (K) (W/m·K)
(± %)
A,B
Electrolytic Iron 2 to 1000 2 See Table 2.
C
Tungsten 4to300 2 See Table 3.
300 to 2000 2to5
>2000 5to8
D
Austenitic Stainless 200 to 1200 <5 % See Table 4.
E
Copper 85 to 1250 <2 λ = 416.31 − 0.05904T + 7.0872
M
7 3
×10 /T
F,G,H,I,J,K
Pyroceram 298 to 1025 K 6.5 λ = 2.332 + 515.2 / T
–4
4for T > 300 K λ = 3.65367 – 6.64042 × 10
1 2
T – 218.937T + 116163T
L,M −4
Fused Silica 1300 <8 λ = (84.7 / T)+1.484+4.94×10
M
−13 4
Up to 900 K T +9.6×10 T
N,K,O,P,Q –3
Pyrex 90 to 600 <2 for T > 200 K λ =1.1036+1.659×10 (T – 273.15) – 3.982 ×
–6 2 –9 3
140 to 470 10 (T – 273.15) +6.746×10 (T – 273.15) K
K,R –2
310 Stainless Steel 300 to 1020 4 λ = 12.338 + 1.781 × 10 (T – 273.15)
K,R –2
430 Stainless Steel 300 to 770 4 λ = 20.159 + 1.589 × 10 (T – 273.15) – 1.283 ×
–5 2
10 (T – 273.15)
S,K,R –2
Inconel 600 300 to 1020 4 λ = 12.479 + 1.648 × 10 (T – 273.15) + 3.741 ×
–6 2
10 (T – 273.15)
T,K,R –
Nimonic 75 300 to 1020 4 λ =11.958+1.657×10 (TT – 273.15) + 3.252 ×
–6 2
10 (T – 273.15)
V,W
Vespel SP1 300 to 600 5 See Table 5.
A U
SRM 8420 is available from National Institute of Standards and Technology (NIST), Gaithersburg, MD.
B
Hurst, J. G., and Lankford, A. B., “Report of Investigation, Research Materials 8420 and 8421, Electrolytic Iron, Thermal Conductivity and Electrical Resistivity as a
Function of Temperature from 2 to 1000K,” National Institutes of Standards and Technology (nee National Bureau of Standards), Gaithersburg, MD, 1984.
C
Hurst, J. G., and Giarratano, P. J., Certificate, Standard Reference Material 730, Thermal Conductivity – Tungsten, National Institutes of Standards and Technology (nee
National Bureau of Standards), Gaithersburg, MD, 1976.
D
Hurst, J. G., Sparks, L. L., and Giaarratano, P. J., Certificate, Standard Reference Material 735, Thermal Conductivity – Austenitic Stainless Steel, National Institutes
of Standards and technology (nee National Bureau of Standards), Gaithersburg, MD, 1975.
E
Moore, J. P., McElroy, D. L., and Graves, R. S., “Thermal Conductivity and Electrical Resistivity of High-Purity Copper from 78 to 400 °K,” Canadian Journal of Physics,
Vol 45, 1967, pp. 3849–3865.
F
Pyroceram is a trademark by Corning Incorporated, Corning, NY.
G
Salmon, D. R., Roebben, G., and Brandt, R., “Certification of Thermal Conductivity and Thermal Diffusivity up to 1025 K of Glass-Ceramic Reference Material BCR-720,”
EUR Report 21764, Institute for Reference Materials and Measurements (IRMM), Geel, Belgium, 2007.
H
Stroe, D. E., Thermitus, M. A., and Jacobs – Fedore, R. A., “Thermophysical Properties of Pyroceram 9606,” Thermal Conductivity 27 / Thermal Expansion 15, H. Wang,
W. Porter, eds., DEStech Publications, Lancaster, PA, 2005, pp. 382–390.
I U
BCR-2013 is available from the Institute for Reference Materials and Measurements (IRMM), Geel, Belgium.
J U
BCR-724 is available from the Laboratory of the Government Chemists (LGC), Teddington, Middlesex, UK.
K
Tye, R. P., and Salmon, D. R., “Development of New Thermal Conductivity Reference Materials: A Summary of Recent Contributions by National Physical Laboratory,”
Thermal Conductivity 27 / Thermal Expansion 15, H. Wang (ed.), DEStech Publications, Lancaster PA, 2005, pp. 372–381.
L
Above 700Kalarge fractionof heat conduction in fused silica will be by radiation and the actual effective values may depend on the emittances of bounding surfaces
and meter bar size.
M
Recommended values from Table 3017 A-R-2 of the Thermophysical Properties Research Center Data Book, Vol 3, “Nonmetallic Elements, Compounds, and Mixtures,”
Purdue University, Lafayette, IN. See Thermophysical Properties of Matter, Vol 3, Touloukian, Y., ed., Plenum Press, New York, 1970.
N
Pyrex is a trademark by Corning Incorporated, Corning, NY.
O
Tye, R. P., and Salmon, D. R., “Thermal Conductivity Certified Reference Materials: Pyrex 7740 and Polymethylmethacrylate,” Thermal Conductivity 26 / Thermal
Expansion 14, R. Dinwiddie, ed., DEStech Publications, Lancaster, PA, 2005, pp. 437–451.
P U
BCR-39 is available from the Institute for Reference Materials and Measurements (IRMM), Geel, Belgium.
Q
Salmon, D., “Thermal Conductivity of Insulations Using Guarded Hot Plates, including Recent Developments and Sources of Reference Materials,” Measurement
Science and Technology, Vol 12, 2001, pp. R89–R98.
R
Clark, J., and Tye, R., “Thermophysical Properties Reference Data for Some Key Engineering Alloy,” High Temperatures – High Pressures, Vols 35/36, 2003/2004, pp.
1–14.
S
Inconel is a trademark by Special Metals Corporation, Huntington, WV.
T
Nimonic is a trademark by Special Metals Corporation, Huntington, WV.
U
This is the sole source of supply of this material known to the committee at this time. If you are aware of alternative suppliers, please provide this information to ASTM
International Headquarters. Your comments will receive careful consideration at a meeting of the responsible technical committee, which you may attend.
V
Vespel is a trademark by E.I. Dupont du Nemours, Wilmington, DE.
W
Jacobs-Fedore, R. A., and Stroe, D. E., “Thermophysical Properties of Vespel SP1,” Thermal Conductivity 27 / Thermal Expansion 15, H. Wang, W. Porter, eds., DEStech
Publications, Lancaster, PA, 2005, pp. 231–238.
3d can be used. In the latter three cases, the thermocouple correct distance between sensors and to calculate the possible
should be thermally connected to the solid surface using a
error resulting from any uncertainty.
suitable glue or high temperature cement. All four of the
6.4 Reduction of Contact Resistance:
procedures shown in Fig. 3 should include wire tempering on
6.4.1 This test method requires uniform heat transfer at the
the surfaces, wire loops in isothermal zones, thermal wire
meter bar to specimen interfaces whenever the temperature
grounds on the guard, or a combination of all three (6).
sensors are within a distance equal to r from an interface (7).
6.3.6 Since uncertainty in temperature sensor location leads
A
to large errors, special care must be taken to determine the This requirement necessitates a uniform contact resistance
E1225 − 20
A
TABLE 3 Thermal Conductivity of Tungsten
Temperature, Thermal Conductivity,
K (W/m·K)
80 229
90 218
100 211
120 202
140 197
160 194
180 190
200 187
250 180
300 172
350 164
400 157
450 151
500 146
600 138
700 132
800 127
900 123
1000 120
1200 114
A
Hurst, J. G., and Giarratano, P. J., Certificate, Standard Reference Material 730,
Thermal Conductivity — Tungsten, National Institute of Standards and Technology
(nee National Bureau of Standards), 1976.
A
TABLE 4 Thermal Conductivity of Austenitic Stainless Steel
Temperature, Thermal Conductivity,
K (W/m·K)
80 8.27
85 8.55
90 8.80
95 9.04
100 9.25
FIG. 2 Approximate for the Thermal Conductivity of Recom-
110 9.65
mended Reference Materials
120 9.99
130 10.3
A
140 10.6
TABLE 2 Thermal Conductivity of Electrolytic Iron
150 10.9
Temperature, Thermal Conductivity,
160 11.1
K (W/m·K)
170 11.4
80 123.8
180 11.6
90 115.4
190 11.9
100 108.9
200 12.1
150 92.7
250 13.2
200 86.7
300 14.3
250 81.5
...
This document is not an ASTM standard and is intended only to provide the user of an ASTM standard an indication of what changes have been made to the previous version. Because
it may not be technically possible to adequately depict all changes accurately, ASTM recommends that users consult prior editions as appropriate. In all cases only the current version
of the standard as published by ASTM is to be considered the official document.
Designation: E1225 − 13 E1225 − 20
Standard Test Method for
Thermal Conductivity of Solids Using the Guarded-
Comparative-Longitudinal Heat Flow Technique
This standard is issued under the fixed designation E1225; the number immediately following the designation indicates the year of
original adoption or, in the case of revision, the year of last revision. A number in parentheses indicates the year of last reapproval. A
superscript epsilon (´) indicates an editorial change since the last revision or reapproval.
This standard has been approved for use by agencies of the U.S. Department of Defense.
1. Scope
1.1 This test method describes a steady state technique for the determination of the thermal conductivity, λ, of homogeneous-
opaque solids (see Notes 1 and 2). This test method is applicable to materials with effective thermal conductivities in the range
0.2 < λ < 200 W/(m·K) over the temperature range between 90 K and 1300 K. It can be used outside these ranges with decreased
accuracy.
NOTE 1—For purposes of this technique, a system is homogeneous if the apparent thermal conductivity of the specimen, λ , does not vary with changes
A
of thickness or cross-sectional area by more than 65 %. For composites or heterogeneous systems consisting of slabs or plates bonded together, the
specimen should be more than 20 units wide and 20 units thick, respectively, where a unit is the thickness of the thickest slab or plate, so that diameter
or length changes of one-half unit will affect the apparent λ by less than 65 %. For systems that are non-opaque or partially transparent in the infrared,
A
the combined error due to inhomogeneity and photon transmission should be less than 65 %. Measurements on highly transparent solids must be
accompanied with infrared absorption coefficient information, or the results must be reported as apparent thermal conductivity, λ .
A
NOTE 2—This test method may also be used to evaluate the contact thermal conductance/resistance of materials.materials and composites.
1.2 The values stated in SI units are to be regarded as standard. No other units of measurement are included in this standard.
1.3 This standard does not purport to address all of the safety concerns, if any, associated with its use. It is the responsibility
of the user of this standard to establish appropriate safety safety, health, and healthenvironmental practices and determine the
applicability of regulatory limitations prior to use.
1.4 This international standard was developed in accordance with internationally recognized principles on standardization
established in the Decision on Principles for the Development of International Standards, Guides and Recommendations issued
by the World Trade Organization Technical Barriers to Trade (TBT) Committee.
2. Referenced Documents
2.1 ASTM Standards:
E230 Specification for Temperature-Electromotive Force (emf) Tables for Standardized Thermocouples
3. Terminology
3.1 Definitions of Terms Specific to This Standard:
This test method is under the jurisdiction of ASTM Committee E37 on Thermal Measurements and is the direct responsibility of Subcommittee E37.05 on
Thermophysical Properties.
Current edition approved Oct. 1, 2013Sept. 1, 2020. Published November 2013October 2020. Originally approved in 1987. Last previous edition approved in 20092013
as E1225 – 09.E1225 – 13. DOI: 10.1520/E1225-13.10.1520/E1225-20.
For referenced ASTM standards, visit the ASTM website, www.astm.org, or contact ASTM Customer service at service@astm.org. For Annual Book of ASTM Standards
volume information, refer to the standard’s Document Summary page on the ASTM website.
Copyright © ASTM International, 100 Barr Harbor Drive, PO Box C700, West Conshohocken, PA 19428-2959. United States
E1225 − 20
3.1.1 thermal conductivity, λ, n—the time rate of heat flow, under steady conditions, through unit area, per unit temperature
gradient in the direction perpendicular to the area.
3.1.2 apparent thermal conductivity, n—when other modes of heat transfer through a material are present in addition to
conduction, the results of the measurements performed according to this test method will represent the apparent (or effective)
thermal conductivity for the material tested.
3.2 Descriptions of Terms and Symbols Specific to This Standard:Symbols:
3.1.1 Terms:
3.1.1.1 thermal conductivity, λ—the time rate of heat flow, under steady conditions, through unit area, per unit temperature gradient
in the direction perpendicular to the area;
3.1.1.2 apparent thermal conductivity—when other modes of heat transfer through a material are present in addition to conduction,
the results of the measurements performed according to this test method will represent the apparent or effective thermal
conductivity for the material tested.
λ (T) = thermal conductivity of meter bars (reference materials) as a function of temperature,
M
(W/(m·K))
λ = thermal conductivity of top meter bar,
M
(W/(m·K))
λ = thermal conductivity of bottom meter bar,
M
(W/(m·K))
λ (T) = thermal conductivity of specimen corrected for heat exchange where necessary, (W/(m·K))
S
λ' (T) = thermal conductivity of specimen calculated by ignoring heat exchange correction,
S
(W/(m·K))
λ (T) = thermal conductivity of insulation as a function of temperature, (W/(m·K))
I
T = absolute temperature (K)
Z = position as measured from the upper end of the column, (m)
l = specimen length, (m),
T = the temperature at Z , (K)
i i
q' = heat flow per unit area, (W/m )
δλ, δT, etc. = uncertainty in λ, T, etc.
r = specimen radius, (m)
A
r = guard cylinder inner radius, (m)
B
T (z) = guard temperature as a function of position, z, (K)
g
3.1.2 Symbols:
λ (T) = thermal conductivity of meter bars (reference materials) as a function of temperature, (W/(m·K)),
M
λ = thermal conductivity of top meter bar (W/(m·K)),
M
λ = thermal conductivity of bottom meter bar (W/(m·K)),
M
λ (T) = thermal conductivity of specimen corrected for heat exchange where necessary, (W/(m·K)),
S
λ' (T) = thermal conductivity of specimen calculated by ignoring heat exchange correction, (W/(m·K)),
S
λ (T) = thermal conductivity of insulation as a function of temperature, (W/(m·K)),
I
T = absolute temperature (K),
Z = position as measured from the upper end of the column, (m),
l = specimen length, (m),
T = the temperature at Z , (K),
i i
q' = heat flow per unit area, (W/m ),
δλ, δT, etc. = uncertainty in λ, T, etc.,
r = specimen radius, (m),
A
r = guard cylinder inner radius, (m), and
B
T (z) = guard temperature as a function of position, z, (K).
g
E1225 − 20
4. Summary of Test Method
4.1 A test specimen is inserted under an applied load between two similar specimens of a material of known thermal properties.
properties and a thickness such that the thermal conductance is of similar order to that of the specimen. A temperature gradient
is established in the test stack and heat losses are minimized by use of a longitudinal guard having approximately the same
temperature gradient. At equilibrium conditions, the thermal conductivity is derived from the measured temperature gradients in
the respective specimens and the thermal conductivity of the reference materials.
4.2 General Features of Test Method:
4.2.1 The general features of the guarded longitudinal heat flow technique are shown in Fig. 1. A specimen of unknown thermal
conductivity, λ , but having an estimated thermal conductance of λ / l , is mounted between two similar meter bars of known
S S S
thermal conductivity,conductivity λ , of the same cross-section and similar thermal conductance, λ /l / l . A more complex but
M M M
suitable arrangement is a column consisting of a disk heater with a specimen and a meter bar on each side between heater and heat
sink. Approximately one-half of the power would then flow through each specimen. When the meter bars and specimen are
right-circular cylinders of equal diameter the technique is described as the cut-bar method. When the cross-sectional dimensions
are larger than the thickness it is described as the flat slab comparative method. Essentially, any shape can be used, as long as the
meter bars and specimen have the same conduction areas.
4.2.2 A mechanical or pneumatic force is applied to the column to ensure good contact between specimens. The stack is
surrounded by an a thermal insulation material of thermal conductivity, λ ., The insulation is enclosed in a guard shell with a radius,
I
r , held at the temperature, T (z). A temperature gradient is imposed on the column usually by maintaining the top at a temperature,
B g
T , and the bottom at a lower temperature T . T (z) is usually a linear temperature gradient matching approximately the gradient
T B g
established in the test stack. However, an isothermal guard with T (z) equal to the average temperature of the specimen may also
g
be used. An unguarded system is not recommended due to the potential very large heat losses, particularly at elevated temperatures
(1). At steady state, the temperature gradients along the sections are calculated from measured temperatures along the two meter
bars and the specimen. The value of λ , , as uncorrected for heat shunting)shunting, can then be determined using the following
S
equation where the notation is shown in Fig. 1:
Z 2 Z λ T 2 T T 2 T
4 3 M 2 1 6 5
λ 5 · · 1 (1)
S D
s
T 2 T 2 Z 2 Z Z 2 Z
4 3 2 1 6 5
This is a highly idealized situation, however, since it assumes no heat exchange between the column and insulation at any
position and uniform heat transfer at each meter bar-specimen interface. The errors caused by these two assumptions vary widely
and are discussed in Section 10. Because of these two effects, restrictions must be placed on this test method, if the desired
accuracy precision is to be achieved.
5. Significance and Use
5.1 The comparative method of measurement of thermal conductivity is especially useful for engineering materials including
ceramics, polymers, metals and alloys, refractories, carbons, and graphites including combinations and other composite forms of
each.
5.2 Proper design of a guarded-longitudinal system is difficult and it is not practical in a method of this type to try to establish
details of construction and procedures to cover all contingencies that might offer difficulties to a person without technical
knowledge concerning theory of heat flow, temperature measurements, and general testing practices. Standardization of this test
method is not intended to restrict in any way the future development by research workers of new or methods or improved
procedures. However, new or improved techniques must be thoroughly tested. Requirements for qualifying an apparatus are
outlined in Section 10.
6. Requirements
6.1 Meter Bar Reference Materials:
6.1.1 Reference materials or transfer standards with known thermal conductivities must be used for the meter bars. Since the
minimum measurement error of the method is the uncertainty in λ ,it is preferable to use standards (SRM or CRM) available from
M
The boldface numbers in parentheses refer to a list of references at the end of this test method.standard.
E1225 − 20
FIG. 1(a) Schematic of a Comparative-Guarded-Longitudinal Heat Flow
System Showing Possible Locations of Temperature Sensors
FIG. 1(b) Schematic of Typical Test Stack and Guard System Illustrating
Matching of Temperature Gradients
E1225 − 20
FIG. 1 Schematics
a National Metrology Institute.national metrology institute. Other reference materials are available because due to numerous
measurements of λ have been made and having been made by a number of organizations including national metrology institutes,
and with general acceptance of the values has been obtained. values. Table 1 lists some of the recognized reference materials.
recommended reference materials and contain thermal conductivity values for the appropriate temperature range. Fig. 2
showsillustrates the approximate variation of λ with temperature.
M
6.1.2 Table 1 is not exhaustive and other materials may be used as references. references providing the property values that are
used are those for the specific material referenced (1). The reference material and the source of λ values shall be stated in the
M
report.
6.1.3 The requirements for any reference material include stability over the temperature range of operation, compatibility with
other system components, reasonable cost, ease of temperature sensor attachment, and an accurately known thermal conductivity.
Since heat shunting errors for a specific λ increase as λ /λ / λ varies from unity,unity (12)), the reference which has a λ nearest
I M s M
to λ should be used for the meter bars.
S
6.1.4 If a sample’s the thermal conductivity λ of the specimen is between the thermal conductivity values offor two types of
s
reference materials, the reference material with the higher λ should be used in order to reduce the total temperature drop along
M
the column.
6.2 Insulation Materials:
6.2.1 A large variety of powder, particulate, and fiber materials exists for reducing both radial heat flow in the column-guard
annulus and surrounds, and for heat shunting along the column. Several factors must be considered during selection of the most
appropriate insulation. The insulation mustshall be stable over the anticipated temperature range, have a low λ , and be easy to
I
handle. In addition, the insulation should not contaminate system components such as the temperature sensors, it must have low
toxicity, and it should not conduct electricity. In general, powders and particulates are used since they pack readily. However, low
density fiber blankets can also be used.
6.2.2 Some candidateRecommended thermal insulations are listed in Table 26.
6.3 Temperature Sensors:
6.3.1 There shall be a minimum of two temperature sensors on each meter bar and two on the specimen. Whenever possible, the
meter bars and specimen should each contain three sensors. The extra sensors are useful in confirming linearity of temperature
versus distance along the column, or indicating an error due to a temperature sensor decalibration.
6.3.2 The type of temperature sensor depends on the system size, temperature range, and the system environment as controlled
by the insulation, meter bars, specimen, and gas within the system. Any sensor possessing adequate accuracy may be used for
temperature measurement (23) and be used in large systems where heat flow perturbation by the temperature sensors would be
negligible. Thermocouples are normally employed. Their small size and the ease of attachment are distinct advantages.
6.3.3 When thermocouples are employed, they should be fabricated from wires which are of temperature grade materials and
should be 0.1 mm diameter or less. less and with the individual wires in suitable twin-bore protective insulation. A constant
temperature reference shall always be provided for all cold junctions. This reference can be an ice-cold slurry (34), a constant
temperature zone box, or an electronic ice point reference. All thermocouples shall be fabricated from either calibrated
thermocouple wire (45) or from wire that has been certified by the supplier to be within the limits of error specified in Table 1 of
Standard E230.
6.3.4 Thermocouple attachment is important to this technique in order to ensure that reliable temperature measurements are made
at specific points. The various techniques are illustrated in Fig. 3. Intrinsic junctions can be obtained with metals and alloys by
welding individual thermo-elements to the surfaces (Fig. 3a). Butt or bead welded thermocouples junctions can be rigidly attached
by peening, cementing, or welding in fine grooves or small holes (Fig. 3b, 3c, and 3d).
6.3.5 In Fig. 3b, the thermocouple resides in a radial slot, and in Fig. 3c the thermocouple is pulled through a radial hole in the
material. When a sheathed thermocouple or a thermocouple with both thermoelements in a two-hole electrical insulator is used,
the thermocouple attachment shown in Fig. 3d can be used. In the latter three cases, the thermocouple should be thermally
E1225 − 20
TABLE 1 Reference Materials For Use as Meter Bars
Percentage
Temperature Thermal Conductivity
Material Uncertainty
Range (K) (W/m·K)
(± %)
A,B
Electrolytic Iron 2 to 1000 2 See Table 3.
C
Tungsten 4 to 300 2 See Table 4.
300 to 2000 2 to 5
>2000 5 to 8
D
Austenitic Stainless 200 to 1200 <5 % See Table 5.
E
Copper 85 to 1250 <2 λ = 416.31 − 0.05904T + 7.0872
M
7 3
×10 /T
F,G,H,I,J,K
Pyroceram 298 to 1025 K 6.5 λ = 2.332 + 515.2/T
-4
4 for T > 300 K λ = 3.65367 – 6.64042 × 10
1 2
T – 218.937T + 116163T
L,M −4
Fused Silica 1300 <8 λ = (84.7⁄T) + 1.484 + 4.94 × 10
M
−13 4
Up to 900 K T + 9.6 × 10 T
N,K,O,P,Q -3 -6
Pyrex 90 to 600 <2 for T> 200 K λ = 1.1036 + 1.659 x 10 (T-273.15) – 3.982 x 10
2 -9 3
140 to 470 (T-273.15) + 6.746 x 10 (T-273.15) K
K,R -2
310 Stainless Steel 300 to 1020 4 λ = 12.338 + 1.781 x 10 (T-273.15)
K,R -2 -5
430 Stainless Steel 300 to 770 4 λ = 20.159 + 1.589 x 10 (T-273.15) -1.283 x 10
(T-273.15)
S,K,R -2 -6
Inconel 600 300 to 1020 4 λ = 12.479 + 1.648 x 10 (T-273.15) + 3.741 x 10
(T-273.15)
T,K,R -2 -6
Nimonic 75 300 to 1020 4 λ = 11.958 + 1.657 x 10 (T-273.15) + 3.252 x 10
(T-273.15)
TABLE 1 Reference Materials For Use as Meter Bars
Percentage
Temperature Thermal Conductivity
Material Uncertainty
Range (K) (W/m·K)
(± %)
A,B
Electrolytic Iron 2 to 1000 2 See Table 2.
C
Tungsten 4 to 300 2 See Table 3.
300 to 2000 2 to 5
>2000 5 to 8
D
Austenitic Stainless 200 to 1200 <5 % See Table 4.
E
Copper 85 to 1250 <2 λ = 416.31 − 0.05904T + 7.0872
M
7 3
×10 / T
F,G,H,I,J,K
Pyroceram 298 to 1025 K 6.5 λ = 2.332 + 515.2 / T
–4
4 for T > 300 K λ = 3.65367 – 6.64042 × 10
1 2
T – 218.937T + 116163T
L,M −4
Fused Silica 1300 <8 λ = (84.7 / T) + 1.484 + 4.94 × 10
M
−13 4
Up to 900 K T + 9.6 × 10 T
N,K,O,P,Q –3
Pyrex 90 to 600 <2 for T > 200 K λ = 1.1036 + 1.659 × 10 (T – 273.15) – 3.982 ×
–6 2 –9 3
140 to 470 10 (T – 273.15) + 6.746 × 10 (T – 273.15) K
K,R –2
310 Stainless Steel 300 to 1020 4 λ = 12.338 + 1.781 × 10 (T – 273.15)
K,R –2
430 Stainless Steel 300 to 770 4 λ = 20.159 + 1.589 × 10 (T – 273.15) – 1.283 ×
–5 2
10 (T – 273.15)
S,K,R –2
Inconel 600 300 to 1020 4 λ = 12.479 + 1.648 × 10 (T – 273.15) + 3.741 ×
–6 2
10 (T – 273.15)
T,K,R –
Nimonic 75 300 to 1020 4 λ = 11.958 + 1.657 × 10 (TT – 273.15) + 3.252 ×
–6 2
10 (T – 273.15)
V,W
Vespel SP1 300 to 600 5 See Table 5.
A U
SRM 8420 is available from National Institute of Standards and Technology (NIST), Gaithersburg, MD.
B
Hurst, J. G., and Lankford, A. B., “Report of Investigation, Research Materials 8420 and 8421, Electrolytic Iron, Thermal Conductivity and Electrical Resistivity as a
Function of Temperature from 2 to 1000K,” National Institutes of Standards and Technology (nee National Bureau of Standards), Gaithersburg, MD, 1984.
C
Hurst, J. G., and Giarratano, P. J., Certificate, Standard Reference Material 730, Thermal Conductivity – Tungsten, National Institutes of Standards and Technology (nee
National Bureau of Standards), Gaithersburg, MD, 1976.
D
Hurst, J. G., Sparks, L. L., and Giaarratano, P. J., Certificate, Standard Reference Material 735, Thermal Conductivity – Austenitic Stainless Steel, National Institutes
of Standards and technology (nee National Bureau of Standards), Gaithersburg, MD,USA,MD, 1975.
E
Moore, J. P., Graves, R. S., and McElroy, D. L.,McElroy, D. L., and Graves, R. S., “Thermal Conductivity and Electrical Resistivity of High-Purity Copper from 78 to 400
°K,” Canadian Journal of Physics, Vol 45, 1967, pp. 3849–3865.
F
Pyroceram is a trademark by Corning Incorporated, Corning, NY.
G
Salmon, D. R., Roebben, G., and Brandt,R., Brandt, R., “Certification of Thermal Conductivity and Thermal Diffusivity up to 1025 K of Glass-Ceramic Reference Material
BCR-720,” EUR Report 21764, Institute for Reference Materials and Measurements (IRMM), Geel, Belgium, 2007.
H
Stroe, D. E., Thermitus, M. A., and Jacobs – Fedore, R. A., “Thermophysical Properties of Pyroceram™Pyroceram 9606,” Thermal Conductivity 27 / Thermal Expansion
15, H. Wang, W. Porter, eds., DEStech Publications, Lancaster, PA, 2005, pp. 382–390.
I U
BCR-2013 is available from the Institute for Reference Materials and Measurements (IRMM), Geel, Belgium.
J U
BCR-724 is available from the Laboratory of the Government Chemists (LGC), Teddington, Middlesex, UK.
K
Tye, R. P., and Salmon, D. R., “Development of New Thermal Conductivity Reference Materials: A Summary of Recent Contributions by National Physical Laboratory,”
Thermal Conductivity 27/ 27 / Thermal Expansion 15, H. Wang (ed.), DEStech Publications, Lancaster PA, 2005, pp. 372–381.
L
Above 700 K a large fraction of heat conduction in fused silica will be by radiation and the actual effective values may depend on the emittances of bounding surfaces
and meter bar size.
M
Recommended values from Table 3017 A-R-2 of the Thermophysical Properties Research Center Data Book, Vol.Vol 3, “Nonmetallic Elements, Compounds, and
Mixtures,” Purdue University, Lafayette, Indiana.IN. See Thermophysical Properties of Matter, Vol 3, Touloukian, Y., ed., Plenum Press, New York, 1970.
N
Pyrex is a trademark by Corning Incorporated, Corning, NY.
O
Tye, R. P., and Salmon, D. R., “Thermal Conductivity Certified Reference Materials: Pyrex 7740 and Polymethylmethacrylate,” Thermal Conductivity 26 / Thermal
Expansion 14, R. Dinwiddie, ed., DEStech Publications, Lancaster, PA, 2005, pp. 437–451.
E1225 − 20
P U
BCR-39 is available from the Institute for Reference Materials and Measurements (IRMM), Geel, Belgium.
Q
Salmon, D., “Thermal Conductivity of Insulations Using Guarded Hot Plates, including Recent Developments and Sources of Reference Materials,” Measurement
Science and Technology, Vol 12, 2001, pp. R89–R98.
R
Clark, J., and Tye, R., “Thermophysical Properties Reference Data for Some Key Engineering Alloy,” High Temperatures – High Pressures, Vols 35/36, 2003/2004, pp.
1–14.
S
Inconel is a trademark by Special Metals Corporation, Huntington, WV.
T
Nimonic is a trademark by Special Metals Corporation, Huntington, WV.
U
This is the sole source of supply of this material known to the committee at this time. If you are aware of alternative suppliers, please provide this information to ASTM
International Headquarters. Your comments will receive careful consideration at a meeting of the responsible technical committee, which you may attend.
V
Vespel is a trademark by E.I. Dupont du Nemours, Wilmington, DE.
W
Jacobs-Fedore, R. A., and Stroe, D. E., “Thermophysical Properties of Vespel SP1,” Thermal Conductivity 27 / Thermal Expansion 15, H. Wang, W. Porter, eds., DEStech
Publications, Lancaster, PA, 2005, pp. 231–238.
FIG. 2 Approximate Values for the Thermal Conductivity of Several Possible Recommended Reference Materials for Meter Bars
connected to the solid surface using a suitable glue or high temperature cement. All four of the procedures shown in Fig. 3 should
include wire tempering on the surfaces, wire loops in isothermal zones, thermal wire grounds on the guard, or a combination of
all three (56).
6.3.6 Since uncertainty in temperature sensor location leads to large errors, special care must be taken to determine the correct
distance between sensors and to calculate the possible error resulting from any uncertainty.
6.4 Reduction of Contact Resistance:
6.4.1 This test method requires uniform heat transfer at the meter bar to specimen interfaces whenever the temperature sensors
are within a distance equal to r from an interface (67). This requirement necessitates a uniform contact resistance across the
A
adjoining areas of meter bars and specimens. This is normally attained by use of an applied axial load in conjunction with a
conducting medium at the interfaces. Measurements in a vacuum environment are not recommended, unless the vacuum is required
for protection purposes.
6.4.2 For the relatively thin specimens normally used for materials having a low thermal conductivity, the temperature sensors
E1225 − 20
A
TABLE 32 Thermal Conductivity of Electrolytic Iron
Temperature, Thermal Conductivity,
K (W/m·K)
Temperature, Thermal Conductivity,
K (W/m·K)
2 12.32
3 18.48
4 24.62
5 30.76
6 36.88
7 42.97
8 49.0
9 55.0
10 61.0
12 72.8
14 84.2
...








Questions, Comments and Discussion
Ask us and Technical Secretary will try to provide an answer. You can facilitate discussion about the standard in here.
Loading comments...