Standard Test Method for Breaking Strength and Elongation of Textile Webbing, Tape and Braided Material

SIGNIFICANCE AND USE
5.1 This test method can be used for acceptance testing of commercial shipments but comparisons should be made with caution because estimates of between-laboratory precision are incomplete.  
5.1.1 If there are differences of practical significance between reported test results for two laboratories (or more), comparative tests should be performed to determine if there is a statistical bias between them, using competent statistical assistance. As a minimum, use samples for such comparative tests that are as homogeneous as possible, drawn from the same lot of material as the samples that resulted in disparate results during initial testing, and randomly assigned in equal numbers to each laboratory. The test results from the laboratories involved should be compared using a statistical test for unpaired data, at a probability level chosen prior to the testing series. If bias is found, either its cause must be found and corrected, or future test results for that material must be adjusted in consideration of the known bias.  
5.2 Elongation is an indication of the ability of a fiber to absorb energy. The elongation of textile materials must be great enough to withstand strains experienced in processing and end use, and to absorb the energies of applied forces repeatedly.
SCOPE
1.1 This test method covers the determination of the breaking strength and elongation of textile webbing, tape and braided materials using a split-drum type specimen clamp.  
1.2 This test method is limited to materials with a maximum width of 90 mm (3.5 in.) and a maximum breaking strength of no more than 89000 N (20000 lb).  
1.3 The values stated in either SI units or U.S. Customary units are to be regarded separately as standard. Within the text, the U.S. Customary units are given in parentheses. The values stated in each system are not exact equivalents; therefore, each system shall be used independently of the other.  
1.4 This standard does not purport to address all of the safety concerns, if any, associated with its use. It is the responsibility of the user of this standard to establish appropriate safety, health, and environmental practices and determine the applicability of regulatory limitations prior to use.  
1.5 This international standard was developed in accordance with internationally recognized principles on standardization established in the Decision on Principles for the Development of International Standards, Guides and Recommendations issued by the World Trade Organization Technical Barriers to Trade (TBT) Committee.

General Information

Status
Published
Publication Date
31-Dec-2023
Technical Committee
D13 - Textiles

Relations

Effective Date
01-Jan-2024
Effective Date
01-Jan-2024
Effective Date
01-Jan-2024

Overview

ASTM D6775-13(2024) specifies the standard test method for measuring the breaking strength and elongation of textile webbing, tape, and braided materials using a split-drum type specimen clamp. Developed by ASTM International, this method is essential for manufacturers, quality assurance professionals, and laboratories involved in textiles where mechanical performance is critical.

The standard applies to textile materials up to 90 mm (3.5 in.) in width and a maximum breaking strength of 89,000 N (20,000 lb). It supports both SI and U.S. customary units, which must be applied independently. This test method ensures textile materials withstand mechanical strains during processing and usage, making it crucial for both acceptance testing and product development.

Key Topics

  • Scope of the Standard

    • Designed for split-drum clamping of textile webbing, tape, and braided material.
    • Material limits: width up to 90 mm and breaking strength up to 89,000 N.
    • Separate adherence to SI or U.S. units required.
  • Test Method and Equipment

    • Utilizes a CRE-type tensile testing machine with split-drum clamps.
    • Test specimens are elongated to rupture to measure breaking force and elongation.
    • Data may be collected via mechanical or computerized systems.
    • Specific procedures for sampling, specimen preparation, and conditioning are provided.
  • Significance and Precision

    • Supports acceptance testing of commercial textile shipments.
    • Between-laboratory comparisons should use statistical analysis and homogeneous samples.
    • Recognizes potential bias and requires investigation and correction if found.
    • Breaking strength and elongation measurements reflect the ability of textiles to absorb energy and resist mechanical failure.
  • Reporting and Interpretation

    • Requires detailed reporting of testing methods, material descriptions, individual and average test results, and data processing methods.
    • Places emphasis on both breaking strength and elongation at specified force, depending on specification.

Applications

The standardized procedure in ASTM D6775 is widely used for:

  • Quality Control

    • Verifying that batches of webbing, tape, and braided materials meet the required mechanical properties before sale or use.
    • Ensuring product consistency and reliability within and between manufacturing lots.
  • Product Development

    • Determining the suitability of new textile constructions or materials for applications demanding high breaking strength and elongation performance.
  • Compliance and Certification

    • Providing a recognized test procedure for meeting customer and industry requirements.
    • Supporting claims of performance for military, automotive, industrial, or safety-related textiles.
  • Inter-Laboratory Consistency

    • Promoting good laboratory practice by offering guidance on comparative testing, bias detection, and statistical rigor in results interpretation.

Related Standards

  • ASTM D76/D76M - Specification for tensile testing machines for textiles.
  • ASTM D123 - Terminology relating to textiles.
  • ASTM D1776/D1776M - Practice for conditioning and testing textiles.
  • ASTM D4848 - Terminology related to force, deformation, and related properties.
  • ASTM D4850 - Terminology relating to fabrics and fabric test methods.

By referencing ASTM D6775-13(2024) alongside these related standards, laboratories and manufacturers ensure reliable, reproducible testing of webbing, tape, and braided textiles within international best practices.

Keywords: breaking strength, textile webbing, tape, braided materials, elongation, tensile testing, ASTM D6775, split-drum clamp, textile test method, mechanical properties, quality control, product development.

Buy Documents

Standard

ASTM D6775-13(2024) - Standard Test Method for Breaking Strength and Elongation of Textile Webbing, Tape and Braided Material

English language (5 pages)
sale 15% off
sale 15% off

Get Certified

Connect with accredited certification bodies for this standard

Control Union Certifications

Global certification for agriculture and sustainability.

RVA Netherlands Verified

Bureau Veritas Bangladesh

Bureau Veritas certification services in Bangladesh.

BAB Bangladesh Verified

ECOCERT France

Leader in organic and sustainability certification worldwide.

COFRAC France Verified

Sponsored listings

Frequently Asked Questions

ASTM D6775-13(2024) is a standard published by ASTM International. Its full title is "Standard Test Method for Breaking Strength and Elongation of Textile Webbing, Tape and Braided Material". This standard covers: SIGNIFICANCE AND USE 5.1 This test method can be used for acceptance testing of commercial shipments but comparisons should be made with caution because estimates of between-laboratory precision are incomplete. 5.1.1 If there are differences of practical significance between reported test results for two laboratories (or more), comparative tests should be performed to determine if there is a statistical bias between them, using competent statistical assistance. As a minimum, use samples for such comparative tests that are as homogeneous as possible, drawn from the same lot of material as the samples that resulted in disparate results during initial testing, and randomly assigned in equal numbers to each laboratory. The test results from the laboratories involved should be compared using a statistical test for unpaired data, at a probability level chosen prior to the testing series. If bias is found, either its cause must be found and corrected, or future test results for that material must be adjusted in consideration of the known bias. 5.2 Elongation is an indication of the ability of a fiber to absorb energy. The elongation of textile materials must be great enough to withstand strains experienced in processing and end use, and to absorb the energies of applied forces repeatedly. SCOPE 1.1 This test method covers the determination of the breaking strength and elongation of textile webbing, tape and braided materials using a split-drum type specimen clamp. 1.2 This test method is limited to materials with a maximum width of 90 mm (3.5 in.) and a maximum breaking strength of no more than 89000 N (20000 lb). 1.3 The values stated in either SI units or U.S. Customary units are to be regarded separately as standard. Within the text, the U.S. Customary units are given in parentheses. The values stated in each system are not exact equivalents; therefore, each system shall be used independently of the other. 1.4 This standard does not purport to address all of the safety concerns, if any, associated with its use. It is the responsibility of the user of this standard to establish appropriate safety, health, and environmental practices and determine the applicability of regulatory limitations prior to use. 1.5 This international standard was developed in accordance with internationally recognized principles on standardization established in the Decision on Principles for the Development of International Standards, Guides and Recommendations issued by the World Trade Organization Technical Barriers to Trade (TBT) Committee.

SIGNIFICANCE AND USE 5.1 This test method can be used for acceptance testing of commercial shipments but comparisons should be made with caution because estimates of between-laboratory precision are incomplete. 5.1.1 If there are differences of practical significance between reported test results for two laboratories (or more), comparative tests should be performed to determine if there is a statistical bias between them, using competent statistical assistance. As a minimum, use samples for such comparative tests that are as homogeneous as possible, drawn from the same lot of material as the samples that resulted in disparate results during initial testing, and randomly assigned in equal numbers to each laboratory. The test results from the laboratories involved should be compared using a statistical test for unpaired data, at a probability level chosen prior to the testing series. If bias is found, either its cause must be found and corrected, or future test results for that material must be adjusted in consideration of the known bias. 5.2 Elongation is an indication of the ability of a fiber to absorb energy. The elongation of textile materials must be great enough to withstand strains experienced in processing and end use, and to absorb the energies of applied forces repeatedly. SCOPE 1.1 This test method covers the determination of the breaking strength and elongation of textile webbing, tape and braided materials using a split-drum type specimen clamp. 1.2 This test method is limited to materials with a maximum width of 90 mm (3.5 in.) and a maximum breaking strength of no more than 89000 N (20000 lb). 1.3 The values stated in either SI units or U.S. Customary units are to be regarded separately as standard. Within the text, the U.S. Customary units are given in parentheses. The values stated in each system are not exact equivalents; therefore, each system shall be used independently of the other. 1.4 This standard does not purport to address all of the safety concerns, if any, associated with its use. It is the responsibility of the user of this standard to establish appropriate safety, health, and environmental practices and determine the applicability of regulatory limitations prior to use. 1.5 This international standard was developed in accordance with internationally recognized principles on standardization established in the Decision on Principles for the Development of International Standards, Guides and Recommendations issued by the World Trade Organization Technical Barriers to Trade (TBT) Committee.

ASTM D6775-13(2024) is classified under the following ICS (International Classification for Standards) categories: 59.080.30 - Textile fabrics. The ICS classification helps identify the subject area and facilitates finding related standards.

ASTM D6775-13(2024) has the following relationships with other standards: It is inter standard links to ASTM D6775-13(2017), ASTM D6770-21, ASTM F2842-20. Understanding these relationships helps ensure you are using the most current and applicable version of the standard.

ASTM D6775-13(2024) is available in PDF format for immediate download after purchase. The document can be added to your cart and obtained through the secure checkout process. Digital delivery ensures instant access to the complete standard document.

Standards Content (Sample)


This international standard was developed in accordance with internationally recognized principles on standardization established in the Decision on Principles for the
Development of International Standards, Guides and Recommendations issued by the World Trade Organization Technical Barriers to Trade (TBT) Committee.
Designation: D6775 − 13 (Reapproved 2024)
Standard Test Method for
Breaking Strength and Elongation of Textile Webbing, Tape
and Braided Material
This standard is issued under the fixed designation D6775; the number immediately following the designation indicates the year of
original adoption or, in the case of revision, the year of last revision. A number in parentheses indicates the year of last reapproval. A
superscript epsilon (´) indicates an editorial change since the last revision or reapproval.
1. Scope D4848 Terminology Related to Force, Deformation and
Related Properties of Textiles
1.1 This test method covers the determination of the break-
D4850 Terminology Relating to Fabrics and Fabric Test
ing strength and elongation of textile webbing, tape and
Methods
braided materials using a split-drum type specimen clamp.
1.2 This test method is limited to materials with a maximum
3. Terminology
width of 90 mm (3.5 in.) and a maximum breaking strength of
3.1 For definitions of terms related to force and deformation
no more than 89000 N (20000 lb).
used in this test method, refer to Terminology D4848. For
1.3 The values stated in either SI units or U.S. Customary
definitions of other terms related to textiles used in this
units are to be regarded separately as standard. Within the text,
standard, refer to Terminology D123, and D4850.
the U.S. Customary units are given in parentheses. The values
stated in each system are not exact equivalents; therefore, each 4. Summary of Test Method
system shall be used independently of the other.
4.1 A specimen is clamped in a tensile testing machine and
1.4 This standard does not purport to address all of the
extended to rupture. The breaking force is determined from a
safety concerns, if any, associated with its use. It is the
force-elongation curve or with an interfaced computer. Elon-
responsibility of the user of this standard to establish appro-
gation is determined by calculating the difference between
priate safety, health, and environmental practices and deter-
bench marks before the application of a force and at a specified
mine the applicability of regulatory limitations prior to use. force.
1.5 This international standard was developed in accor-
5. Significance and Use
dance with internationally recognized principles on standard-
ization established in the Decision on Principles for the
5.1 This test method can be used for acceptance testing of
Development of International Standards, Guides and Recom-
commercial shipments but comparisons should be made with
mendations issued by the World Trade Organization Technical
caution because estimates of between-laboratory precision are
Barriers to Trade (TBT) Committee.
incomplete.
5.1.1 If there are differences of practical significance be-
2. Referenced Documents
tween reported test results for two laboratories (or more),
comparative tests should be performed to determine if there is
2.1 ASTM Standards:
a statistical bias between them, using competent statistical
D76/D76M Specification for Tensile Testing Machines for
assistance. As a minimum, use samples for such comparative
Textiles
tests that are as homogeneous as possible, drawn from the same
D123 Terminology Relating to Textiles
lot of material as the samples that resulted in disparate results
D1776/D1776M Practice for Conditioning and Testing Tex-
during initial testing, and randomly assigned in equal numbers
tiles
to each laboratory. The test results from the laboratories
involved should be compared using a statistical test for
unpaired data, at a probability level chosen prior to the testing
This test method is under the jurisdiction of ASTM Committee D13 on Textiles
series. If bias is found, either its cause must be found and
and is the direct responsibility of Subcommittee D13.60 on Fabric Physical Test
Methods B.
corrected, or future test results for that material must be
Current edition approved Jan. 1, 2024. Published January 2024. Originally
adjusted in consideration of the known bias.
approved in 2002. Last previous edition approved in 2017 as D6775 – 13(2017).
DOI: 10.1520/D6775-13R24.
5.2 Elongation is an indication of the ability of a fiber to
For referenced ASTM standards, visit the ASTM website, www.astm.org, or
absorb energy. The elongation of textile materials must be great
contact ASTM Customer Service at service@astm.org. For Annual Book of ASTM
enough to withstand strains experienced in processing and end
Standards volume information, refer to the standard’s Document Summary page on
the ASTM website. use, and to absorb the energies of applied forces repeatedly.
Copyright © ASTM International, 100 Barr Harbor Drive, PO Box C700, West Conshohocken, PA 19428-2959. United States
D6775 − 13 (2024)
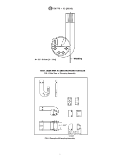
FIG. 1 Side View of Clamping Assembly
FIG. 2 Example of Clamping Assembly
D6775 − 13 (2024)
6. Apparatus 8.2.1 Ensure that the clamps are positioned such that they
are facing opposite of each other with the upper clamp facing
6.1 Tensile Testing Machine, CRE-type, conforming to
front and the lower clamp facing back. Set the distance
Specification D76/D76M with respect to force indication,
between clamps, (gage length) to 250 6 10 mm (10 6 0.5 in.),
working range, capacity and verification of recorded
center to center of the drums at the split.
elongation, and designed for operation at a pulling speed of 75
8.2.2 Use a force measuring system such that the breaking
mm/min 6 25 mm/min (3 in./min 6 1 in./min).
force will fall between 15 and 85 percent of its full-scale
6.2 Clamping Assembly, consisting of an upper and lower
capacity.
clamp, each a split-drum type, as shown in Fig. 1 and Fig. 2.
8.2.3 Set the crosshead speed to 75 mm/min 6 25 mm/min
6.3 Computer or Microprocessor, interfaced, with automatic (3 in./min 6 1 in./min).
8.2.4 When using an interfaced computer or
data gathering system, including photo or electronic instru-
ments to measure elongation. (Optional.) microprocessor, set parameters to obtain selected properties
using supplier’s directions and Specification D76/D76M.
7. Sampling, Test Specimens, and Test Units
9. Conditioning
7.1 Lot Sample—Take a lot sample as directed in the
9.1 Condition the test specimens to moisture equilibrium for
applicable material specification. In absence of such a specifi-
cation randomly select five rolls or pieces to constitute the lot testing in the standard atmosphere for testing textiles in
accordance with Practice D1776/D1776M or, if applicable, in
sample.
the specified atmosphere in which the testing is to be per-
7.2 Laboratory Sampling Unit, as produced material—As a
formed.
laboratory sampling unit take one piece of full-width webbing,
9.2 In the event of dispute concerning the results of tests
tape or braid that is at least 1.4 m (1.5 yd) in length from each
that may be affected by the moisture content, test specimen(s)
roll or piece in the lot sample.
shall be preconditioned by bringing them to approximate
7.2.1 For thick specimens, longer specimens may be re-
moisture equilibrium in the standard atmosphere for precondi-
quired to maintain the specified gage length and to ensure the
tioning textiles in accordance with Practice D1776/D1776M.
specimen is completely in the clamps.
7.2.2 When testing after abrasion is required, as a laboratory
10. Procedure
sampling unit, take one piece of full-width webbing, tape or
braid that is at least 2.8 m (3.0 yd) in length from each roll or 10.1 Test the relaxed specimens in the standard atmosphere
piece in the lot sample (see 7.2.1).
for testing textiles.
NOTE 2—The force measuring system should be zeroed prior to running
7.3 Test Specimens, as produced material—From each labo-
any specimens and periodically during the course of the test, particularly
ratory sampling unit, cut 1 test specimen full-width and at least
if drift is observed in the zero value of the force measuring system.
1.4 m (1.5 yd) in length (see 7.2.1).
10.2 Insert one end of the specimen centrally and com-
7.3.1 When testing after abrasion is required, from each
pletely between the two halves of the split drum in the upper
laboratory sampling unit, cut 2 test specimens full width and at
clamp. From the front of the drum, wrap the specimen down
least 1.4 m (1.5 yd) in length (see 7.2.1). Mark one specimen
and around the back of the lower half of the drum and up
“A” for abraded and the other “U” for unabraded.
around the upper half, such that the specimen comes over the
7.4 When the lot or shipment consist of less than 5 rolls or
upper clamp front.
pieces, randomly select 5 test specimens for each condition of
10.3 Take the opposite end of the specimen and starting at
test, that represent all rolls or pieces in the lot or shipment.
the back, loosely wrap around both halves of the lower clamp.
7.5 Ensure specimens are free of folds, creases, or wrinkles.
From the back of the lower clamp, lift the upper half of the split
Avoid getting oil, water, grease, etc. on the specimens when
drum and inser
...

Questions, Comments and Discussion

Ask us and Technical Secretary will try to provide an answer. You can facilitate discussion about the standard in here.

Loading comments...