ISO 5713:1990
(Main)Equipment for working the soil - Fixing bolts for soil working elements
Equipment for working the soil - Fixing bolts for soil working elements
Matériel de travail du sol — Boulons pour la fixation des pièces d'usure
General Information
- Status
- Published
- Publication Date
- 19-Sep-1990
- Technical Committee
- ISO/TC 23 - Tractors and machinery for agriculture and forestry
- Drafting Committee
- ISO/TC 23 - Tractors and machinery for agriculture and forestry
- Current Stage
- 9060 - Close of review
- Completion Date
- 02-Sep-2028
Overview
ISO 5713:1990 is an international standard developed by the International Organization for Standardization (ISO) that specifies the dimensions and characteristics of fixing bolts used in soil-working equipment. These bolts secure wear parts on agricultural machinery designed for soil preparation and cultivation. Established by the ISO Technical Committee 23 (Tractors and Machinery for Agriculture and Forestry), this standard ensures consistent quality, compatibility, and safety for critical fastening components in soil-working equipment.
By adhering to ISO 5713:1990, manufacturers and users benefit from standardized bolt types-each designed to meet mechanical requirements for durability and reliability in demanding field conditions. The standard covers three main types of fixing bolts, defining their dimensions, thread specifications, mechanical properties, and surface finishes.
Key Topics
Bolt Types and Dimensions
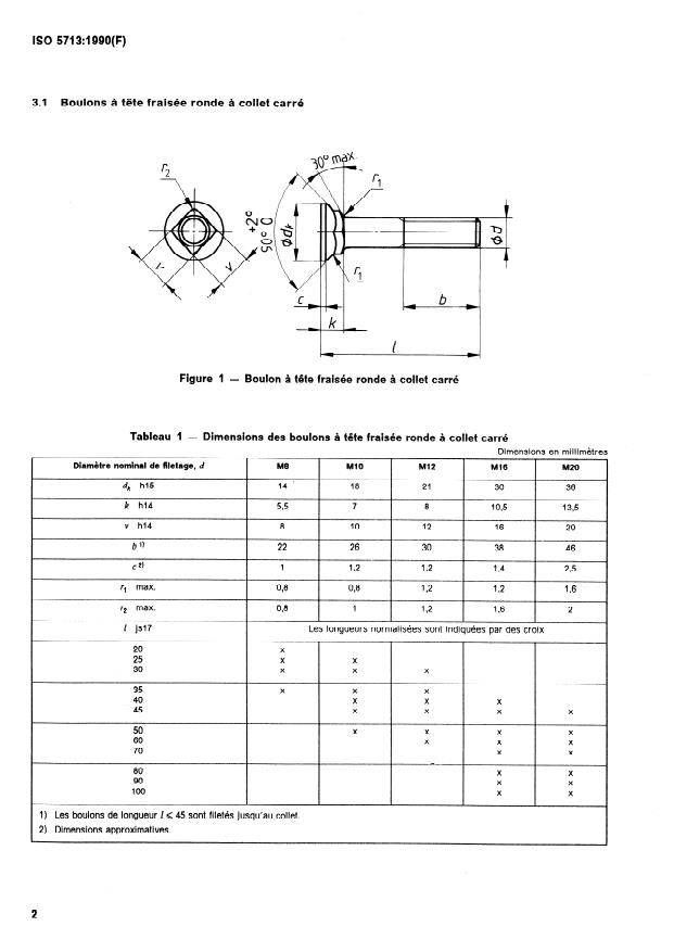
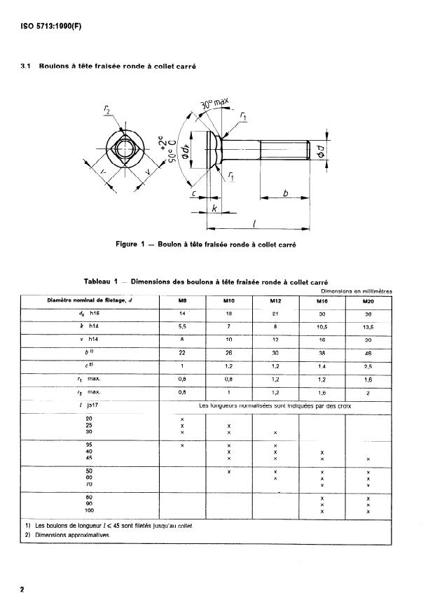
ISO 5713:1990 details three primary designs of fixing bolts for soil working elements:- Round countersunk head bolts with square collars
- Oval countersunk head bolts with square collars
- Double lug countersunk head bolts
Each bolt type is specified with precise dimensional data such as thread diameter (from M8 to M20), head dimensions, collar shapes, and length variations.
Mechanical Properties and Quality Grades
Bolts must conform to mechanical performance standards specified in ISO 898-1, particularly class 8.8 and above, ensuring strength and durability under soil-working stresses.Thread Specifications and Tolerances
Metric thread tolerances follow ISO 965-3, tailored for construction thread grades to guarantee proper fit and interchangeability.Surface Treatment and Protection
The standard mandates that bolts are clean, corrosion-protected, and at minimum, greased to extend service life in abrasive and moisture-exposed environments.Marking and Traceability
Markings and identification details comply with ISO 898-1, facilitating quality assurance and traceability during manufacturing and usage.
Applications
ISO 5713:1990 fixing bolts are integral components in various agricultural and forestry machinery used for soil preparation tasks such as plowing, tilling, and harrowing. Applications include:
- Attaching wear parts like shares, points, and blades to cultivators, plows, and harrows
- Maintenance and replacement of fastening elements subject to high mechanical loads and abrasive soil conditions
- Enhancing machine uptime and safety through standardized, reliable fixation methods
- Ensuring compatibility across different manufacturers’ soil-working equipment by applying uniform bolt specifications
Using these standardized bolts helps minimize downtime, avoid mismatched components, and maintain consistent performance in demanding farming operations.
Related Standards
To fully implement ISO 5713:1990, knowledge and application of the following related ISO standards are important:
- ISO 898-1: Mechanical properties of fasteners-Bolts, screws, and studs, which defines grade classes including 8.8 used in ISO 5713 bolts.
- ISO 965-3:1980: Metric screw threads-Tolerances-Part 3, detailing thread tolerance grades specific to construction and machinery applications.
- ISO 4759-1:1978: Tolerances for fasteners, covering dimensional and finishing criteria essential to ensure bolt interchangeability and proper fit.
Adherence to these complementary standards provides a comprehensive framework for manufacturing, quality control, and utilization of fixing bolts in soil-working machinery.
Summary
ISO 5713:1990 establishes critical mechanical and dimensional requirements for fixing bolts used in soil-working equipment. It promotes standardization, reliability, and safety across agricultural and forestry machinery industries worldwide. By following this standard, manufacturers and users ensure that essential soil-working components are securely fastened with high-quality, durable bolts designed specifically to withstand harsh operational environments.
Keywords: ISO 5713, fixing bolts, soil-working equipment, agricultural machinery, wear parts bolts, mechanical properties, metric threads, bolt dimensions, soil preparation tools, ISO standards for fasteners.
ISO 5713:1990 - Equipment for working the soil -- Fixing bolts for soil working elements
ISO 5713:1990 - Matériel de travail du sol -- Boulons pour la fixation des pieces d'usure
ISO 5713:1990 - Matériel de travail du sol -- Boulons pour la fixation des pieces d'usure
Frequently Asked Questions
ISO 5713:1990 is a standard published by the International Organization for Standardization (ISO). Its full title is "Equipment for working the soil - Fixing bolts for soil working elements". This standard covers: Equipment for working the soil - Fixing bolts for soil working elements
Equipment for working the soil - Fixing bolts for soil working elements
ISO 5713:1990 is classified under the following ICS (International Classification for Standards) categories: 65.060.20 - Soil-working equipment. The ICS classification helps identify the subject area and facilitates finding related standards.
You can purchase ISO 5713:1990 directly from iTeh Standards. The document is available in PDF format and is delivered instantly after payment. Add the standard to your cart and complete the secure checkout process. iTeh Standards is an authorized distributor of ISO standards.
Standards Content (Sample)
INTERNATIONAL
STANDARD
First edition
1990-10-01
----e----p -,-_ ----
Equipment for working the seil - Fixing bolts for
soil working elements
Mat&iel de travail du sel -- Boulons pour la fixation des pikes d’usure
-
~--~~- -.--_
--
Reference nutnber
ISO 5713: 199O(E)
ISO 5713:199O(E)
Foreword
ISO (the international Organization for Standardization) is a worldwide
federation of national Standards bodies (ISO member bodies). The work
of preparing International Standards is normally carried out through ISO
technical committees. Esch member body interested in a subject for
which a technical committee has been established has the right to be
represented on that committee. International organizations, govern-
mental and non-governmental, in liaison with ISO, also take part in the
work. ISO collaborates closely with the International Electrotechnical
Commission (IEC) on all matters of electrotechnical standardization.
Draft International Standards adopted by the technical committees are
circulated to the member bodies for voting. Publication as an Interna-
tional Standard requires approval by at least 75 % of the member bodies
casting a vote.
International Standard ISO 5713 was prepared by Technical Committee
ISO/TC 23, Trattors and machinery for agriculture and forestry.
0 ISO 1990
All rights reserved. No part of this publication may be reproduced or utilized in any form
or by any means, electronie or mechanical, including photocopying and microfilm, without
Permission in wrlting from the publlsher.
International Organization for Standardization
Case Postale 56 * CH-1211 Geneve 20 l Switzerland
Printed in Switzerland
ii
INTERNATIONAL STANDARD
---- - -- - ~-_
Equipment for working the soil - Fixing bolts for soil working
elements
ISO 898-1:1988, Mechanical properties of fasteners
1 Scope
- Part 1: Belts, screws and studs.
This International Standard specifies dimensions
ISO 965-3:1980, ISO general purpose metric screw .
and characteristics of three types of bolts for the
threads - Tolerantes - Part 3: Deviations for
fixing of soil working elements.
constructional threads.
2 Normative references
ISO 4759,1:1978, Tolerantes for fasteners - Part 1:
Belts, screws and nuts with thread diameters be-
The following Standards contain provisions which,
tween 1,6 (inclusive) and 150 mm (inclusive) and
through reference in this text, constitute provisions
product grades A, B and C.
of this International Standard. At the time of publi-
cation, the editions indicated were valid. All stan-
dards are subject to revision, and Parties to
agreements based on this International Standard
3 Dimensions
are encouraged to investigate the possibility of ap-
plying the most recent editions of the Standards in-
dicated below. Members of IEC and ISO main
...
NORME
INTERNATIONALE 5713
Première édition
1990-l O-01
Matériel de travail du sol - Boulons p.our la
fixation des pièces d’usure
Equipment for working the soi1 - Fixing bolts for soi/ working elements
Numéro de référence
Avant-propos
L’ISO (Organisation internationale de normalisation) est une fédération
mondiale d’organismes nationaux de normalisation (comités membres
de I’ISO). L’élaboration des Normes internationales est en général
confiée aux comités techniques de I’ISO. Chaque comité membre inté-
ressé par une étude a le droit de faire partie du comité technique créé
à cet effet. Les organisations internationales, gouvernementales et non
gouvernementales, en liaison avec I’ISO participent également aux tra-
vaux. L’ISO collabore étroitement avec la Commission électrotechnique
internationale (CEI) en ce qui concerne la normalisation électrotech-
nique.
Les projets de Normes internationales adoptés par les comités techni-
ques sont soumis aux comités membres pour vote. Leur publication
comme Normes internationales requiert l’approbation de 75 % au moins
des comités membres votants.
La Norme internationale ISO 5713 a été élaborée par le comité techni-
que lSO/TC 23, Tracteurs et matériels agricoles et forestiers.
0 ISO 1990
Droits de reproduction réservés. Aucune partie de cette publication ne peut Qtre repro-
duite ni utilisée sous quelque forme que ce soit et par aucun procédé, électronique ou
mécanique, y compris la photocopie et les microfilms, sans l’accord écrit de l’éditeur.
Organisation internationale de normalisation
Case Postale 56 l CH-1211 Genève 20 l Suisse
Imprimé en Suisse
ii
NORME INTERNATIONALE ISO 5713:1990(F)
Matériel de travail du sol - Boulons pour la fixation des
pièces d’usure
CEI et de I’ISO possèdent le registre des Normes
1 Domaine d’application
internationales en vigueur ZI un moment donne.
La présente Norme internationale prescrit les di-
ISO 898~1:1988, Caractéristiques mécaniques des .
mensions et les caractéristiques de trois types de
éléments de fixation
- Partie 1: Boulons, vis et
boulons pour la fixation des piéces d’usure du ma-
goujons.
tériel de travail du sol.
ISO 965.3:1980, Filetages métriques /SO pour usages
généraux - Tolérances - Partie 3: Écarts pour file-
tages de construction.
2 Références normatives
ISO 4759-l :1978, Tolérances pour éléments de
Les normes suivantes contiennent des dispositions
fixation - Partie 1: Boulons, vis et écrous de dia-
qui, par suite de la référence qui en est faite,
mètre de filetage compris entre 1,6 (inclus) et 150
constituent des dispositions valables pour la pré-
mm (inclus) et de niveau de finition A, 8 et C.
sente Norme internationale. Au moment de la pu-
blication, les éditions indiquées étaient en vigueur.
Toute norme est sujette à révision et les parties
3 Dimensions
prenantes des accords fondés sur la présente
Norme internationale sont invitées à rechercher la
Les d
...
NORME
INTERNATIONALE 5713
Première édition
1990-l O-01
Matériel de travail du sol - Boulons p.our la
fixation des pièces d’usure
Equipment for working the soi1 - Fixing bolts for soi/ working elements
Numéro de référence
Avant-propos
L’ISO (Organisation internationale de normalisation) est une fédération
mondiale d’organismes nationaux de normalisation (comités membres
de I’ISO). L’élaboration des Normes internationales est en général
confiée aux comités techniques de I’ISO. Chaque comité membre inté-
ressé par une étude a le droit de faire partie du comité technique créé
à cet effet. Les organisations internationales, gouvernementales et non
gouvernementales, en liaison avec I’ISO participent également aux tra-
vaux. L’ISO collabore étroitement avec la Commission électrotechnique
internationale (CEI) en ce qui concerne la normalisation électrotech-
nique.
Les projets de Normes internationales adoptés par les comités techni-
ques sont soumis aux comités membres pour vote. Leur publication
comme Normes internationales requiert l’approbation de 75 % au moins
des comités membres votants.
La Norme internationale ISO 5713 a été élaborée par le comité techni-
que lSO/TC 23, Tracteurs et matériels agricoles et forestiers.
0 ISO 1990
Droits de reproduction réservés. Aucune partie de cette publication ne peut Qtre repro-
duite ni utilisée sous quelque forme que ce soit et par aucun procédé, électronique ou
mécanique, y compris la photocopie et les microfilms, sans l’accord écrit de l’éditeur.
Organisation internationale de normalisation
Case Postale 56 l CH-1211 Genève 20 l Suisse
Imprimé en Suisse
ii
NORME INTERNATIONALE ISO 5713:1990(F)
Matériel de travail du sol - Boulons pour la fixation des
pièces d’usure
CEI et de I’ISO possèdent le registre des Normes
1 Domaine d’application
internationales en vigueur ZI un moment donne.
La présente Norme internationale prescrit les di-
ISO 898~1:1988, Caractéristiques mécaniques des .
mensions et les caractéristiques de trois types de
éléments de fixation
- Partie 1: Boulons, vis et
boulons pour la fixation des piéces d’usure du ma-
goujons.
tériel de travail du sol.
ISO 965.3:1980, Filetages métriques /SO pour usages
généraux - Tolérances - Partie 3: Écarts pour file-
tages de construction.
2 Références normatives
ISO 4759-l :1978, Tolérances pour éléments de
Les normes suivantes contiennent des dispositions
fixation - Partie 1: Boulons, vis et écrous de dia-
qui, par suite de la référence qui en est faite,
mètre de filetage compris entre 1,6 (inclus) et 150
constituent des dispositions valables pour la pré-
mm (inclus) et de niveau de finition A, 8 et C.
sente Norme internationale. Au moment de la pu-
blication, les éditions indiquées étaient en vigueur.
Toute norme est sujette à révision et les parties
3 Dimensions
prenantes des accords fondés sur la présente
Norme internationale sont invitées à rechercher la
Les d
...


















Questions, Comments and Discussion
Ask us and Technical Secretary will try to provide an answer. You can facilitate discussion about the standard in here.
Loading comments...