ASTM D4636-17
(Test Method)Standard Test Method for Corrosiveness and Oxidation Stability of Hydraulic Oils, Aircraft Turbine Engine Lubricants, and Other Highly Refined Oils
Standard Test Method for Corrosiveness and Oxidation Stability of Hydraulic Oils, Aircraft Turbine Engine Lubricants, and Other Highly Refined Oils
SIGNIFICANCE AND USE
4.1 This test method simulates the environment encountered by fully formulated lubricating fluids in actual service and uses an accelerated oxidation rate to permit measurable results to be obtained in a reasonable time. The use of metals provides catalytic reactive surfaces of those materials commonly found in real systems. The high temperature and air agitation help accelerate the oxidation reactions that are expected to occur. Moisture in the air adds another realistic condition that encourages oil breakdown by facilitating acid formation.
4.2 Interpretation of results should be done by comparison with data from oils of known field performance. The accelerated conditions likely will cause one or more of the following measurable effects: mass change and corroded appearance of some metals; change of viscosity; increase in acid number; measurable reaction products in the form of sludge; and mass loss of oil due to evaporation.
4.3 This test method is most suitable for oils containing oxidation and corrosion inhibitors. Without such ingredient(s), the severe test conditions will yield rather drastic changes to the oil.
SCOPE
1.1 This test method covers the testing of hydraulic oils, aircraft turbine engine lubricants, and other highly refined oils to determine their resistance to oxidation and corrosion degradation and their tendency to corrode various metals. Petroleum and synthetic fluids may be evaluated using moist or dry air with or without metal test specimens.
1.2 This test method consists of a standard test procedure, an alternative Procedure 1, and an alternative Procedure 2. As there are variations possible with this test method, it will be up to the particular specification to establish the conditions required. In addition to temperature, the variables to specify if other than those of the standard procedure or alternative Procedure 1 or 2 are: test time, air flow and humidity, sample frequency, test fluid quantity, and metal specimen(s).
1.3 The values stated in SI units are to be regarded as standard. No other units of measurement are included in this standard.
1.3.1 Exception—The values in parentheses in some of the figures are provided for information only for those using old equipment based on non-SI units.
1.4 This standard does not purport to address all of the safety concerns, if any, associated with its use. It is the responsibility of the user of this standard to establish appropriate safety and health practices and determine the applicability of regulatory limitations prior to use.
1.5 This international standard was developed in accordance with internationally recognized principles on standardization established in the Decision on Principles for the Development of International Standards, Guides and Recommendations issued by the World Trade Organization Technical Barriers to Trade (TBT) Committee.
General Information
- Status
- Published
- Publication Date
- 31-May-2017
- Technical Committee
- D02 - Petroleum Products, Liquid Fuels, and Lubricants
- Drafting Committee
- D02.09.0D - Oxidation of Lubricants
Relations
- Effective Date
- 01-Jun-2017
- Effective Date
- 01-Apr-2024
- Effective Date
- 01-Nov-2023
- Effective Date
- 01-Jul-2017
- Effective Date
- 01-May-2017
- Effective Date
- 15-Dec-2016
- Effective Date
- 01-Jul-2014
- Effective Date
- 01-Jul-2014
- Effective Date
- 01-Nov-2012
- Effective Date
- 01-Nov-2012
- Effective Date
- 15-Apr-2012
- Effective Date
- 15-Apr-2012
- Effective Date
- 15-May-2011
- Effective Date
- 15-May-2011
- Effective Date
- 01-Mar-2009
Overview
ASTM D4636-17 - Standard Test Method for Corrosiveness and Oxidation Stability of Hydraulic Oils, Aircraft Turbine Engine Lubricants, and Other Highly Refined Oils provides a rigorous and accelerated laboratory procedure for evaluating the oxidation stability and corrosiveness of hydraulic fluids, aircraft turbine lubricants, and similar high-quality oils. Developed under ASTM International, this method closely simulates the demanding environments lubricants face in real-world applications, using metal test specimens, controlled air flow, and elevated temperatures.
By replicating actual operational conditions and introducing potential catalysts such as various metals and moisture, the test delivers reliable, quantifiable insights into oil breakdown, providing essential data for product development, quality control, and compliance in the lubricants and aviation industries.
Key Topics
Oxidation Stability Testing
The method evaluates an oil's resistance to oxidative degradation under harsh conditions, allowing accelerated aging for timely assessments.Corrosiveness Assessment
By including multiple common metal specimens (aluminum, steel, titanium, copper, magnesium, silver, bronze, etc.), this test measures oil-induced corrosion, mass loss, and visible changes on metal surfaces.Accelerated Aging
Elevated temperatures, air agitation, and controlled humidity are used to accelerate oxidation and corrosion, simulating long-term service in a much shorter timeframe.Variation and Flexibility
The test method provides a standard procedure as well as two alternative procedures, allowing customization of parameters like test time, temperature, air flow, and metal specimens as per specific product requirements or specifications.Comprehensive Reporting
Results include changes in viscosity, acid number, sludge formation, oil mass loss, and detailed analysis of corrosion on metal specimens.
Applications
Hydraulic Oil Quality Control
Ensures that oils used in hydraulic equipment maintain stability and do not contribute to excessive corrosion or degradation of system components.Aircraft Turbine Engine Lubricant Evaluation
Critical for aviation safety and performance, this test supports the qualification and monitoring of turbine oils, which are exposed to extreme environments.Research and Development
Used by formulators and additive manufacturers to screen blends, evaluate additive performance (such as oxidation and corrosion inhibitors), and compare to oils with known service histories.Compliance and Specification Verification
Frequently referenced in procurement and industry specifications (including military and aviation standards) to validate performance claims and ensure compatibility with requirements.Comparative Benchmarking
Offers standardized data for benchmarking lubricant solutions, supporting product selection and life-cycle assessments.
Related Standards
- ASTM D91 - Test Method for Precipitation Number of Lubricating Oils
- ASTM D445 - Test Method for Kinematic Viscosity of Transparent and Opaque Liquids
- ASTM D664 - Test Method for Acid Number of Petroleum Products by Potentiometric Titration
- ASTM D3339 - Test Method for Acid Number by Semi-Micro Color Indicator Titration
- ASTM D1193 - Specification for Reagent Water
- FED-STD-791 - U.S. Federal Test Method Standards for Lubricants, Liquid Fuels, and Related Products
- Referenced Alloys and Metals - Including AMS and QQ-A/-C/-S standards for metals commonly used in testing
Practical Value
By employing ASTM D4636-17, lubricant manufacturers and end-users can make informed decisions about product formulation, selection, and maintenance schedules. The standard ensures a controlled, reproducible process for assessing and comparing lubricant stability and corrosiveness, helping extend equipment life, maintain safety standards, and reduce operational costs in demanding sectors such as aviation, hydraulics, and precision manufacturing. The test is especially valuable where operational reliability and fluid longevity are critical.
Buy Documents
ASTM D4636-17 - Standard Test Method for Corrosiveness and Oxidation Stability of Hydraulic Oils, Aircraft Turbine Engine Lubricants, and Other Highly Refined Oils
REDLINE ASTM D4636-17 - Standard Test Method for Corrosiveness and Oxidation Stability of Hydraulic Oils, Aircraft Turbine Engine Lubricants, and Other Highly Refined Oils
Get Certified
Connect with accredited certification bodies for this standard

ABS Quality Evaluations Inc.
American Bureau of Shipping quality certification.

Element Materials Technology
Materials testing and product certification.
ABS Group Brazil
ABS Group certification services in Brazil.
Sponsored listings
Frequently Asked Questions
ASTM D4636-17 is a standard published by ASTM International. Its full title is "Standard Test Method for Corrosiveness and Oxidation Stability of Hydraulic Oils, Aircraft Turbine Engine Lubricants, and Other Highly Refined Oils". This standard covers: SIGNIFICANCE AND USE 4.1 This test method simulates the environment encountered by fully formulated lubricating fluids in actual service and uses an accelerated oxidation rate to permit measurable results to be obtained in a reasonable time. The use of metals provides catalytic reactive surfaces of those materials commonly found in real systems. The high temperature and air agitation help accelerate the oxidation reactions that are expected to occur. Moisture in the air adds another realistic condition that encourages oil breakdown by facilitating acid formation. 4.2 Interpretation of results should be done by comparison with data from oils of known field performance. The accelerated conditions likely will cause one or more of the following measurable effects: mass change and corroded appearance of some metals; change of viscosity; increase in acid number; measurable reaction products in the form of sludge; and mass loss of oil due to evaporation. 4.3 This test method is most suitable for oils containing oxidation and corrosion inhibitors. Without such ingredient(s), the severe test conditions will yield rather drastic changes to the oil. SCOPE 1.1 This test method covers the testing of hydraulic oils, aircraft turbine engine lubricants, and other highly refined oils to determine their resistance to oxidation and corrosion degradation and their tendency to corrode various metals. Petroleum and synthetic fluids may be evaluated using moist or dry air with or without metal test specimens. 1.2 This test method consists of a standard test procedure, an alternative Procedure 1, and an alternative Procedure 2. As there are variations possible with this test method, it will be up to the particular specification to establish the conditions required. In addition to temperature, the variables to specify if other than those of the standard procedure or alternative Procedure 1 or 2 are: test time, air flow and humidity, sample frequency, test fluid quantity, and metal specimen(s). 1.3 The values stated in SI units are to be regarded as standard. No other units of measurement are included in this standard. 1.3.1 Exception—The values in parentheses in some of the figures are provided for information only for those using old equipment based on non-SI units. 1.4 This standard does not purport to address all of the safety concerns, if any, associated with its use. It is the responsibility of the user of this standard to establish appropriate safety and health practices and determine the applicability of regulatory limitations prior to use. 1.5 This international standard was developed in accordance with internationally recognized principles on standardization established in the Decision on Principles for the Development of International Standards, Guides and Recommendations issued by the World Trade Organization Technical Barriers to Trade (TBT) Committee.
SIGNIFICANCE AND USE 4.1 This test method simulates the environment encountered by fully formulated lubricating fluids in actual service and uses an accelerated oxidation rate to permit measurable results to be obtained in a reasonable time. The use of metals provides catalytic reactive surfaces of those materials commonly found in real systems. The high temperature and air agitation help accelerate the oxidation reactions that are expected to occur. Moisture in the air adds another realistic condition that encourages oil breakdown by facilitating acid formation. 4.2 Interpretation of results should be done by comparison with data from oils of known field performance. The accelerated conditions likely will cause one or more of the following measurable effects: mass change and corroded appearance of some metals; change of viscosity; increase in acid number; measurable reaction products in the form of sludge; and mass loss of oil due to evaporation. 4.3 This test method is most suitable for oils containing oxidation and corrosion inhibitors. Without such ingredient(s), the severe test conditions will yield rather drastic changes to the oil. SCOPE 1.1 This test method covers the testing of hydraulic oils, aircraft turbine engine lubricants, and other highly refined oils to determine their resistance to oxidation and corrosion degradation and their tendency to corrode various metals. Petroleum and synthetic fluids may be evaluated using moist or dry air with or without metal test specimens. 1.2 This test method consists of a standard test procedure, an alternative Procedure 1, and an alternative Procedure 2. As there are variations possible with this test method, it will be up to the particular specification to establish the conditions required. In addition to temperature, the variables to specify if other than those of the standard procedure or alternative Procedure 1 or 2 are: test time, air flow and humidity, sample frequency, test fluid quantity, and metal specimen(s). 1.3 The values stated in SI units are to be regarded as standard. No other units of measurement are included in this standard. 1.3.1 Exception—The values in parentheses in some of the figures are provided for information only for those using old equipment based on non-SI units. 1.4 This standard does not purport to address all of the safety concerns, if any, associated with its use. It is the responsibility of the user of this standard to establish appropriate safety and health practices and determine the applicability of regulatory limitations prior to use. 1.5 This international standard was developed in accordance with internationally recognized principles on standardization established in the Decision on Principles for the Development of International Standards, Guides and Recommendations issued by the World Trade Organization Technical Barriers to Trade (TBT) Committee.
ASTM D4636-17 is classified under the following ICS (International Classification for Standards) categories: 75.100 - Lubricants, industrial oils and related products. The ICS classification helps identify the subject area and facilitates finding related standards.
ASTM D4636-17 has the following relationships with other standards: It is inter standard links to ASTM D4636-14, ASTM D445-24, ASTM D445-23, ASTM D91-02(2017), ASTM D664-11a(2017), ASTM D445-16, ASTM D445-14e1, ASTM D445-14, ASTM D91-02(2012), ASTM D91-02(2012)e1, ASTM D3339-12, ASTM D445-12, ASTM D3339-11, ASTM D664-11, ASTM D664-09. Understanding these relationships helps ensure you are using the most current and applicable version of the standard.
ASTM D4636-17 is available in PDF format for immediate download after purchase. The document can be added to your cart and obtained through the secure checkout process. Digital delivery ensures instant access to the complete standard document.
Standards Content (Sample)
This international standard was developed in accordance with internationally recognized principles on standardization established in the Decision on Principles for the
Development of International Standards, Guides and Recommendations issued by the World Trade Organization Technical Barriers to Trade (TBT) Committee.
Designation:D4636 −17
Standard Test Method for
Corrosiveness and Oxidation Stability of Hydraulic Oils,
Aircraft Turbine Engine Lubricants, and Other Highly
Refined Oils
This standard is issued under the fixed designation D4636; the number immediately following the designation indicates the year of
original adoption or, in the case of revision, the year of last revision.Anumber in parentheses indicates the year of last reapproval.A
superscript epsilon (´) indicates an editorial change since the last revision or reapproval.
This standard has been approved for use by agencies of the U.S. Department of Defense.
INTRODUCTION
This test method is the result of combining Federal Test Methods 5307.2 and 5308.7. Features and
detailsofbothofthesetestmethodsareincluded,butthenewtestmethodisbasicallyMethod5307.2
expanded to include Method5308.7.
1. Scope* priate safety and health practices and determine the applica-
bility of regulatory limitations prior to use.
1.1 This test method covers the testing of hydraulic oils,
1.5 This international standard was developed in accor-
aircraft turbine engine lubricants, and other highly refined oils
dance with internationally recognized principles on standard-
to determine their resistance to oxidation and corrosion degra-
ization established in the Decision on Principles for the
dationandtheirtendencytocorrodevariousmetals.Petroleum
Development of International Standards, Guides and Recom-
and synthetic fluids may be evaluated using moist or dry air
mendations issued by the World Trade Organization Technical
with or without metal test specimens.
Barriers to Trade (TBT) Committee.
1.2 This test method consists of a standard test procedure,
an alternative Procedure 1, and an alternative Procedure 2.As 2. Referenced Documents
therearevariationspossiblewiththistestmethod,itwillbeup
2.1 ASTM Standards:
to the particular specification to establish the conditions
D91Test Method for Precipitation Number of Lubricating
required. In addition to temperature, the variables to specify if
Oils
other than those of the standard procedure or alternative
D445Test Method for Kinematic Viscosity of Transparent
Procedure 1 or 2 are: test time, air flow and humidity, sample
andOpaqueLiquids(andCalculationofDynamicViscos-
frequency, test fluid quantity, and metal specimen(s).
ity)
D664Test Method for Acid Number of Petroleum Products
1.3 The values stated in SI units are to be regarded as
by Potentiometric Titration
standard. No other units of measurement are included in this
D1193Specification for Reagent Water
standard.
D3339TestMethodforAcidNumberofPetroleumProducts
1.3.1 Exception—The values in parentheses in some of the
by Semi-Micro Color Indicator Titration
figures are provided for information only for those using old
2.2 U.S. Federal Test Method Standards:
equipment based on non-SI units.
FED-STD-791Testing Method of Lubricants, Liquid Fuels,
1.4 This standard does not purport to address all of the
and Related Products
safety concerns, if any, associated with its use. It is the
Method5307.2Corrosiveness and Oxidation Stability of
responsibility of the user of this standard to establish appro-
Aircraft Turbine Engine Lubricants (Withdrawn)
Method5308.7 Corrosiveness and Oxidation Stability of
Light Oils (Metal Squares)
This test method is under the jurisdiction of ASTM Committee D02 on
Petroleum Products, Liquid Fuels, and Lubricants and is the direct responsibility of
Subcommittee D02.09.0D on Oxidation of Lubricants. For referenced ASTM standards, visit the ASTM website, www.astm.org, or
Current edition approved June 1, 2017. Published June 2017. Originally contact ASTM Customer Service at service@astm.org. For Annual Book of ASTM
approved in 1986. Last previous edition approved in 2014 as D4636–14. DOI: Standards volume information, refer to the standard’s Document Summary page on
10.1520/D4636-17. the ASTM website.
2 4
FED-STD-791D is the parent document containing both test methods. As of Available from the Standardization Document Order Desk, 700 Robbins,
publication on Nov. 6, 2009, it no longer contains withdrawn Method 5307.2. Avenue, Building 4D, Philadelphia PA19111-5094 (http://assist.daps.dla.mil).
*A Summary of Changes section appears at the end of this standard
Copyright © ASTM International, 100 Barr Harbor Drive, PO Box C700, West Conshohocken, PA 19428-2959. United States
D4636−17
MIL-S-13282Refined Silver (99.95) (P07015) 4. Significance and Use
2.3 Other Standards:
4.1 Thistestmethodsimulatestheenvironmentencountered
AMS 4616Silicon Iron Bronze (C65900)
byfullyformulatedlubricatingfluidsinactualserviceanduses
AMS 4908Titanium Alloy—(8% Mn) Annealed (R56080)
anacceleratedoxidationratetopermitmeasurableresultstobe
AMS 6490Steel (M50) (T11350)
obtained in a reasonable time. The use of metals provides
QQ-A-671Cadmium Anod (L01900)
catalytic reactive surfaces of those materials commonly found
QQ-C-576CopperElectrolyticToughPitch(ETP)(C11000)
in real systems. The high temperature and air agitation help
QQ-M-44MagnesiumAlloyAZ31B Condition H24 or H26
accelerate the oxidation reactions that are expected to occur.
(M11311)
Moisture in the air adds another realistic condition that
QQ-S-698Low-Carbon Steel 1010, CR Temper No. 4 or 5
encourages oil breakdown by facilitating acid formation.
(G10100)
4.2 Interpretation of results should be done by comparison
QQ-A-250/4Aluminum Alloy 2024 T-3 or T-4 (A92024)
with data from oils of known field performance. The acceler-
ated conditions likely will cause one or more of the following
3. Summary of Test Method
measurable effects: mass change and corroded appearance of
3.1 This test method consists of a standard test procedure
some metals; change of viscosity; increase in acid number;
(see 10.1), an alternative Procedure 1 (see 10.2), and an
measurable reaction products in the form of sludge; and mass
alternative Procedure 2 (see 10.3).The standard test procedure
loss of oil due to evaporation.
uses washer-shaped metal specimens stacked on the air tube,
4.3 This test method is most suitable for oils containing
200mL of test oil, 10L⁄h air flow rate, and periodic test oil
withdrawal and evaluation. Alternative Procedure 1 uses oxidation and corrosion inhibitors. Without such ingredient(s),
the severe test conditions will yield rather drastic changes to
washer-shaped metal specimens, 165mLof test oil, 10L⁄h air
the oil.
flow rate, and no periodic test oil sampling. Alternative
Procedure 2 uses square metal specimens tied together resting
vertically in the large glass tube, 100mL of test oil, 5L⁄h air 5. Apparatus
flow rate, and no periodic test oil sampling.
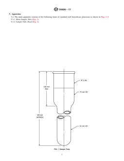
5.1 The main apparatus consists of the following items of
NOTE 1—Flow rates other than those listed in this test method may be standard wall borosilicate glassware as shown in Figs. 1-5:
required by various specifications; if they are so used, the modification to
5.1.1 Main Sample Tube (Fig. 1).
the test method should be stated in the test report.
5.1.2 Sample Tube Head (Fig. 2).
3.2 Alarge glass tube containing a sample of oil and metal
5.1.3 Air Tube (Note 2, Fig. 3).
specimens is placed in a constant temperature bath and heated
NOTE 2—An 800mm air tube may be used for alternate Procedure 1 or
for the specified number of hours while air is passed through
2 when using the condenser as opposed to the sample tube head in the
the oil to provide agitation and a source of oxygen. Typically,
standard procedure.
temperatures of the bath used are from 100°C to 360°C.
5.1.4 Condenser, Allihn Type (Fig. 4).
Weighedmetalspecimensareplacedinthetubeduringthetest.
5.1.5 Condenser, Allihn Type, Fig. 4 with 71/60 joint.
Corrosiveness of the oil is determined by loss in metal mass,
5.1.6 Assembled Apparatus (Fig. 5).
and microscopic examination of the sample metal surface(s).
Oil samples are withdrawn from the test oil and checked for
5.2 Additional glassware items and assembly accessories
changes in viscosity and acid number as a result of the
needed are:
oxidation reactions.
5.2.1 Spacers (for Metal Specimen), of borosilicate glass,
3.3 MetalsusedinthebasictestandalternativeProcedure1 standard wall, 9mm outside diameter, 6mm length.
are titanium, magnesium, steel (two types), bronze, silver, and
5.2.2 Oil Sampling Tube, Borosilicate Glass, 4mm outside
aluminum. Metals used in alternative Procedure 2 are copper,
diameter, with sampling end approximately 600mm to reach
steel, aluminum, magnesium, and cadmium. Other metals may
into the main sample tube. The tube is bent U-shape with exit
be specified.
end fitted by a one-hole stopper to a 25mLfiltering flask. The
exit end may be any convenient length.
3.4 Sampling of the oil for analysis is done periodically
5.2.3 Adapter, polytetrafluoroethylene for 10/18 joint for
throughout the test. Alternatively, no periodic samples are
sealing of air tube to sample tube head.
taken and a final viscosity and acid number are determined for
comparison with those of the original untested oil.
5.3 Other items and equipment are:
3.5 At the end of the test, the amount of sludge present in 5.3.1 Heating Bath,constanttemperaturewithin 60.5°Cof
the oil remaining in the same tube is determined by centrifu-
test temperature with an immersion depth of 250mm 6
gation. Also, the quantity of oil lost during the test is 20mm. Oil baths or aluminum block baths are recommended,
determined gravimetrically.
but above 220°C, use aluminum block bath or other similar
non-oil-type heating medium. (Warning—There are exposed
3.6 Airisuseddryinthestandardtest.Ahumidifiermaybe
hot surfaces on apparatus.Avoid contact with exposed skin by
used to provide controlled moist air, if required.
use of protective equipment as required.)
5.3.2 Hood, ventilation to adequately remove fumes during
See ASTM DS56, Metal and Alloys in the Unified Numbering System. heating.
D4636−17
anhydrous calcium sulfate with a column diameter such that
velocity of air does not exceed 1.2 m/min. For humidifying, a
satisfactory device is included in Appendix X1 to provide the
required moist air.
5.3.13 Oven,optional,todryglasswareatelevatedtempera-
ture.
5.3.14 Forceps, stainless steel.
5.3.15 Thermocouple, 70cm sheathed. (See Note 3.)
NOTE 3—A resistance temperature device (RTD) is also acceptable.
5.3.16 Brush, short-bristled, stiff (typewriter-cleaning brush
or equivalent).
6. Reagents and Materials
6.1 Purity of Reagents—Reagent grade chemicals shall be
used in all tests. Unless otherwise indicated, it is intended that
all reagents conform to the specifications of the Committee on
Analytical Reagents of theAmerican Chemical Society where
such specifications are available. Other grades may be used
provided it is first ascertained that the reagent is of sufficiently
high purity to permit its use without lessening the accuracy of
the determination.
6.2 Purity of Water—Unless otherwise indicated, references
to water shall be understood to mean reagent water as defined
by Specification D1193. Referee situations require Type II
distilled water defined by Specification D1193.
7, 8
6.3 Metal Specimens:
6.3.1 Washer-Shaped Metal Specimens, 6.35mm inside di-
ameter by 19.05mm ( ⁄4in.) outside diameter by 0.81mm
thick in the following metals:
R56080 Titanium 8 % Mn
M11311 Magnesium AZ31B
T11350 Steel M50
G10100 Steel grade 1010
C65900 Silicon-iron-bronze
FIG. 1 Sample Tube
P07015 Silver 99.95
A92024 Aluminum Alloy 2024 T-3 or T-4
6.3.2 Square-Shaped Metal Specimens (as shown in Fig. 6),
5.3.3 Air Supply, free of reactive contaminants. For dry air,
0.81mm by 25.4mm square in the following metals:
dewpointis−68°Cmaximum;formoistair,moistureis10mg
C11000 Copper (ETP)
6 1mg water⁄L air, standard conditions of 21°C⁄105kPa.
G10100 Steel Grade 1010
5.3.4 Flowmeter, capable of measuring 10L⁄h 6 1L⁄h at
A92024 Aluminum Alloy 2024 T-3 or T-4
same standard conditions as in 5.3.3. M11311 Magnesium AZ31B
L01900 Cadmium Anod
5.3.5 Balance, analytical, sensitivity 0.1mg.
5.3.6 Balance, Laboratory, 2500g capacity, 0.1g sensitiv- 6.4 Abrasive Paper, silicon carbide of 240 and 400-grit.
ity. “Wet or dry,” “waterproof,” or iron-containing abrasives, such
as natural emery, are not satisfactory.
5.3.7 Centrifuge, capable of relative force of 840 6 40
relative centrifugal force at the tip of the tubes. 6.4.1 Silicon-Carbide Grains, 150 mesh.
5.3.8 Centrifuge Tubes, Test Method D91, cone-shaped,
6.5 Cotton, absorbent.
100mL.
5.3.9 Microscope, with 20-diameter magnification.
5.3.10 Assembly Fixture, wood (slotted to hold metal 6
Reagent Chemicals, American Chemical Society Specifications, American
Chemical Society, Washington, DC. For suggestions on the testing of reagents not
squares for tying with cord) as shown in Fig. 6.
listed by the American Chemical Society, see Analar Standards for Laboratory
5.3.11 Cord or Wire, for tying metal squares together.
Chemicals, BDH Ltd., Poole, Dorset, U.K., and the United States Pharmacopeia
Suitable cord should be lightweight of cleaned linen, cotton,
and National Formulary, U.S. Pharmacopeial Convention, Inc. (USPC), Rockville,
nylon, or ceramic fiber; suitable wire is nichrome or tantalum.
MD.
The sole source of supply of the metal specimens known to the committee at
5.3.12 Whenairmustbeconditioned,thereisneedforanair
this time is Metaspec Co., P.O. Box 27702, San Antonio, TX 78227-0707.
drier or humidifier. The method used is optional provided the
If you are aware of alternative suppliers, please provide this information to
air characteristics of 5.3.3 are attained. For drying, a satisfac-
ASTM International Headquarters. Your comments will receive careful consider-
tory method is the use of a glass column containing 8-mesh ation at a meeting of the responsible technical committee , which you may attend.
D4636−17
FIG. 2 Sample Tube Head
6.6 n-Heptane. (Warning—Flammable. Harmful if in- 6.11 Glassware Cleaning Solution (Warning—Causes se-
haled.) vere burns.)—Mix 35mL of MICRO in water or 35mL of
NOCHROMIX and 1000mL of concentrated sulfuric acid.
6.7 Acetone. (Warning—Extremely flammable. Vapors
may cause flash-fire.) 6.12 Metal Cleaning Solution—Mix equal parts of 15g
NaOH per litre of water and 15g of Na PO per litre of water.
3 4
6.8 Nitric Acid, concentrated. (Warning—Poison. Corro-
(Warning—Corrosive.)
sive. Strong oxidizer.)
6.9 Degreasing Solvents, n-Heptane or toluene. See Note 4.
7. Hazards
NOTE 4—n-Heptane or toluene have been used in some laboratories;
7.1 As this test method investigates the corrosive effect of
however, it is not known how this may affect the precision statement,
oil on metal in an artificial environment, precautions must be
which was determined using chlorinated solvents.
taken to prevent premature oxidation of metal specimens by
9, 8
6.10 Carbon Remover for Glassware (Warning—Causes
stray chemicals during test preparations. The cleaned speci-
severe burns.)—Mix 35mL of saturated sodium dichromate
mens shall be touched only by surfaces known to be free of
(aqueous) solution and 1000 mLof concentrated sulfuric acid.
interfering contaminants. Do not touch cleaned specimen(s)
(Warning—Corrosive.)
with hands. Maintain clean glassware (see Appendix X2)ina
The sole source of supply of the carbon remover for glassware known to the
committeeatthistimeisOakiteProducts,Inc.,50ValleyRd.,BerkeleyHeights,NJ International Products Corp., P.O. Box 70, Burlington, NJ 08016-0070.
07922. Godax Laboratories, Inc., 720-B Erie Avenue, Takoma Park, MD, 20912.
D4636−17
FIG. 4 Condenser, Allihn Type
FIG. 3 Air Tube
NOTE5—SquaremetalspecimensarerequiredbyalternativeProcedure
2in 10.3.
8.2.4.1 Finish polishing with 400-grit paper to remove
dust-free cabinet; rinse again and dry if clean glass has been
marks from previous polishing. A good technique is to place
stored unused for more than a week.
abrasive paper on flat surface, then rub the specimen with
7.2 Heating Bath, n-heptane, toluene, acetone, carbon
longitudinal strokes in a direction perpendicular to that used
remover, nitric and sulfuric acids, and sodium hydroxide all
with 240-grit paper. Use a different sheet of paper for each
require caution in handling as detailed in 5.3.1 and 6.6 – 6.12.
metal type.
8.2.4.2 Swab polished specimens with n-heptane followed
8. Sampling
by acetone until a fresh cotton pad remains clean when wiped
8.1 As this test method is performed on uniform, finished on the specimen.
oils, no special sampling procedure is needed for this oil. 8.2.4.3 Finish polishing both sides of each specimen to a
mirror finish using 150-mesh silicon-carbide grit (held on an
8.2 Preparation of Metal Specimens:
acetone-moistened cotton pad).
8.2.1 Collecttherequirednumberandtypesofspecimensto
8.2.4.4 Clean all metal dust from each square by rubbing
be used in the test method. Measure the diameter of each
vigorouslywithcleanpadsofabsorbentcottonuntilafreshpad
specimen and specimen hole to the nearest 0.1cm.
remains unsoiled.
8.2.2 Cleanandpolishthemetalspecimenfacesurfacesand
8.2.4.5 Wash specimens in n-heptane, rinse with fresh
inner and outer edges using 240-grit abrasive paper. Examine
solvent, and allow to air dry.
surfaces to ensure that no pitting, etching, or other signs of
8.2.5 Store specimens in a dust-free place if to be used
corrosion are present when viewed at 20× under the micro-
immediately or under n-heptane if there is to be delay before
scope.
use.
8.2.3 From this point, handle specimens only with forceps,
8.2.6 Immediately prior to use, dry and weigh each metal
ashless filter paper, or clean polyethylene gloves. Store speci-
specimen to the nearest 0.1 mg.
menimmersedinseparatecontainersofacetoneuntilreadyfor
final polishing. 8.3 Oil Sample Size (Note 6 and Note 7):
8.2.4 Finish polishing metal washer specimens or square 8.3.1 The total sample requirement is 250mL, 200mL 6
metal specimens. Use either technique described in 8.2.4.1 or 2mL for test and 50mL for pretest determination of viscosity
8.2.4.3. and acid number.
D4636−17
9. Preparation of Apparatus
9.1 Cleaning of Glassware (from Previous Run):
9.1.1 Rinseallglasswareitemsandtheairtubeadapterwith
degreasing solvent to remove residual oil, and air dry.
9.1.2 Fill or immerse the sample tube, air tube, and the
9mm glass spacers in carbon remover at room temperature
until carbonaceous deposits are removed. Water rinse after
removal.
9.1.3 Washallglasswareitemsandtheairtubeadapterwith
12, 8
detergent. Rinse with water to remove detergent, and dry.
9.1.4 Fill and immerse all glassware items with glassware
cleaning solution and soak for 3h to 16h (see Note 8).
NOTE 8—This cleaning procedure is only necessary in a referee
situation unless a cleaning solution, which is satisfactory to all parties
involved, can be used.
9.1.5 Remove glassware from cleaning solution, rinse sev-
eral times with tap water followed by distilled water, and oven
dry (see Note 8).
9.1.6 Store all items in
...
This document is not an ASTM standard and is intended only to provide the user of an ASTM standard an indication of what changes have been made to the previous version. Because
it may not be technically possible to adequately depict all changes accurately, ASTM recommends that users consult prior editions as appropriate. In all cases only the current version
of the standard as published by ASTM is to be considered the official document.
Designation: D4636 − 14 D4636 − 17
Standard Test Method for
Corrosiveness and Oxidation Stability of Hydraulic Oils,
Aircraft Turbine Engine Lubricants, and Other Highly
Refined Oils
This standard is issued under the fixed designation D4636; the number immediately following the designation indicates the year of
original adoption or, in the case of revision, the year of last revision. A number in parentheses indicates the year of last reapproval. A
superscript epsilon (´) indicates an editorial change since the last revision or reapproval.
This standard has been approved for use by agencies of the U.S. Department of Defense.
INTRODUCTION
This test method is the result of combining Federal Test Methods 5307.2 and 5308.7. Features and
details of both of these test methods are included, but the new test method is basically Method 5307.2
expanded to include Method 5308.7.
1. Scope*
1.1 This test method covers the testing of hydraulic oils, aircraft turbine engine lubricants, and other highly refined oils to
determine their resistance to oxidation and corrosion degradation and their tendency to corrode various metals. Petroleum and
synthetic fluids may be evaluated using moist or dry air with or without metal test specimens.
1.2 This test method consists of a standard test procedure, an alternative Procedure 1, and an alternative Procedure 2. As there
are variations possible with this test method, it will be up to the particular specification to establish the conditions required. In
addition to temperature, the variables to specify if other than those of the standard procedure or alternative Procedure 1 or 2 are:
test time, air flow and humidity, sample frequency, test fluid quantity, and metal specimen(s).
1.3 The values stated in SI units are to be regarded as standard. No other units of measurement are included in this standard.
1.3.1 Exception—The values in parentheses in some of the figures are provided for information only for those using old
equipment based on non-SI units.
1.4 This standard does not purport to address all of the safety concerns, if any, associated with its use. It is the responsibility
of the user of this standard to establish appropriate safety and health practices and determine the applicability of regulatory
limitations prior to use.
1.5 This international standard was developed in accordance with internationally recognized principles on standardization
established in the Decision on Principles for the Development of International Standards, Guides and Recommendations issued
by the World Trade Organization Technical Barriers to Trade (TBT) Committee.
2. Referenced Documents
2.1 ASTM Standards:
D91 Test Method for Precipitation Number of Lubricating Oils
D445 Test Method for Kinematic Viscosity of Transparent and Opaque Liquids (and Calculation of Dynamic Viscosity)
D664 Test Method for Acid Number of Petroleum Products by Potentiometric Titration
D1193 Specification for Reagent Water
D3339 Test Method for Acid Number of Petroleum Products by Semi-Micro Color Indicator Titration
This test method is under the jurisdiction of ASTM Committee D02 on Petroleum Products, Liquid Fuels, and Lubricants and is the direct responsibility of Subcommittee
D02.09.0D on Oxidation of Lubricants.
Current edition approved July 1, 2014June 1, 2017. Published July 2014June 2017. Originally approved in 1986. Last previous edition approved in 20092014 as
D4636 – 09.D4636 – 14. DOI: 10.1520/D4636-14.10.1520/D4636-17.
FED-STD-791D is the parent document containing both test methods. As of publication on Nov. 6, 2009, it no longer contains withdrawn Method 5307.2.
For referenced ASTM standards, visit the ASTM website, www.astm.org, or contact ASTM Customer Service at service@astm.org. For Annual Book of ASTM Standards
volume information, refer to the standard’s Document Summary page on the ASTM website.
*A Summary of Changes section appears at the end of this standard
Copyright © ASTM International, 100 Barr Harbor Drive, PO Box C700, West Conshohocken, PA 19428-2959. United States
D4636 − 17
2.2 U.S. Federal Test Method Standards:
FED-STD-791 Testing Method of Lubricants, Liquid Fuels, and Related Products
Method 5307.2 Corrosiveness and Oxidation Stability of Aircraft Turbine Engine Lubricants (Withdrawn)
Method 5308.7 Corrosiveness and Oxidation Stability of Light Oils (Metal Squares)
MIL-S-13282 Refined Silver (99.95) (P07015)
2.3 Other Standards:
AMS 4616 Silicon Iron Bronze (C65900)
AMS 4908 Titanium Alloy—(8 % Mn) Annealed (R56080)
AMS 6490 Steel (M50) (T11350)
QQ-A-671 Cadmium Anod (L01900)
QQ-C-576 Copper Electrolytic Tough Pitch (ETP) (C11000)
QQ-M-44 Magnesium Alloy AZ31B Condition H24 or H26 (M11311)
QQ-S-698 Low-Carbon Steel 1010, CR Temper No. 4 or 5 (G10100)
QQ-A-250/4 Aluminum Alloy 2024 T-3 or T-4 (A92024)
3. Summary of Test Method
3.1 This test method consists of a standard test procedure (see 10.1), an alternative Procedure 1 (see 10.2), and an alternative
Procedure 2 (see 10.3). The standard test procedure uses washer-shaped metal specimens stacked on the air tube, 200 mL 200 mL
of test oil, 1010 L L/h ⁄h air flow rate, and periodic test oil withdrawal and evaluation. Alternative Procedure 1 uses washer-shaped
metal specimens, 165 mL 165 mL of test oil, 1010 L L/h ⁄h air flow rate, and no periodic test oil sampling. Alternative Procedure
2 uses square metal specimens tied together resting vertically in the large glass tube, 100 mL 100 mL of test oil, 55 L L/h ⁄h air
flow rate, and no periodic test oil sampling.
NOTE 1—Flow rates other than those listed in this test method may be required by various specifications; if they are so used, the modification to the
test method should be stated in the test report.
3.2 A large glass tube containing a sample of oil and metal specimens is placed in a constant temperature bath and heated for
the specified number of hours while air is passed through the oil to provide agitation and a source of oxygen. Typically,
temperatures of the bath used are from 100°C100 °C to 360°C.360 °C. Weighed metal specimens are placed in the tube during the
test. Corrosiveness of the oil is determined by loss in metal mass, and microscopic examination of the sample metal surface(s).
Oil samples are withdrawn from the test oil and checked for changes in viscosity and acid number as a result of the oxidation
reactions.
3.3 Metals used in the basic test and alternative Procedure 1 are titanium, magnesium, steel (two types), bronze, silver, and
aluminum. Metals used in alternative Procedure 2 are copper, steel, aluminum, magnesium, and cadmium. Other metals may be
specified.
3.4 Sampling of the oil for analysis is done periodically throughout the test. Alternatively, no periodic samples are taken and
a final viscosity and acid number are determined for comparison with those of the original untested oil.
3.5 At the end of the test, the amount of sludge present in the oil remaining in the same tube is determined by centrifugation.
Also, the quantity of oil lost during the test is determined gravimetrically.
3.6 Air is used dry in the standard test. A humidifier may be used to provide controlled moist air, if required.
4. Significance and Use
4.1 This test method simulates the environment encountered by fully formulated lubricating fluids in actual service and uses an
accelerated oxidation rate to permit measurable results to be obtained in a reasonable time. The use of metals provides catalytic
reactive surfaces of those materials commonly found in real systems. The high temperature and air agitation help accelerate the
oxidation reactions that are expected to occur. Moisture in the air adds another realistic condition that encourages oil breakdown
by facilitating acid formation.
4.2 Interpretation of results should be done by comparison with data from oils of known field performance. The accelerated
conditions likely will cause one or more of the following measurable effects: mass change and corroded appearance of some
metals; change of viscosity; increase in acid number; measurable reaction products in the form of sludge; and mass loss of oil due
to evaporation.
4.3 This test method is most suitable for oils containing oxidation and corrosion inhibitors. Without such ingredient(s), the
severe test conditions will yield rather drastic changes to the oil.
Available from the Standardization Document Order Desk, 700 Robbins, Avenue, Building 4D, Philadelphia PA 19111-5094 (http://assist.daps.dla.mil).
See ASTM DS 56, Metal and Alloys in the Unified Numbering System.
D4636 − 17
5. Apparatus
5.1 The main apparatus consists of the following items of standard wall borosilicate glassware as shown in Figs. 1-5:
5.1.1 Main Sample Tube (Fig. 1).
5.1.2 Sample Tube Head (Fig. 2).
FIG. 1 Sample Tube
D4636 − 17
FIG. 2 Sample Tube Head
5.1.3 Air Tube (Note 2, Fig. 3).
NOTE 2—An 800 mm air tube may be used for alternate Procedure 1 or 2 when using the condenser as opposed to the sample tube head in the standard
procedure.
5.1.4 Condenser, Allihn Type (Fig. 4).
5.1.5 Condenser, Allihn Type, Fig. 4 with 71/60 joint.
5.1.6 Assembled Apparatus (Fig. 5).
5.2 Additional glassware items and assembly accessories needed are:
5.2.1 Spacers (for Metal Specimen), of borosilicate glass, standard wall, 9-mm9 mm outside diameter, 6-mm6 mm length.
5.2.2 Oil Sampling Tube, Borosilicate Glass, 4-mm4 mm outside diameter, with sampling end approximately 600 mm 600 mm
to reach into the main sample tube. The tube is bent U-shape with exit end fitted by a one-hole stopper to a 25-mL25 mL filtering
flask. The exit end may be any convenient length.
5.2.3 Adapter, polytetrafluoroethylene for 10/18 joint for sealing of air tube to sample tube head.
5.3 Other items and equipment are:
5.3.1 Heating Bath, constant temperature within 60.5°C60.5 °C of test temperature with an immersion depth of 250250 mm
6 20 mm. 20 mm. Oil baths or aluminum block baths are recommended, but above 220°C,220 °C, use aluminum block bath or
other similar non-oil-type heating medium. (Warning—There are exposed hot surfaces on apparatus. Avoid contact with exposed
skin by use of protective equipment as required.)
5.3.2 Hood, ventilation to adequately remove fumes during heating.
5.3.3 Air Supply, free of reactive contaminants. For dry air, dew point is −68°C−68 °C maximum; for moist air, moisture is
1010 mg 6 1 mg1 mg water water/L ⁄L air, standard conditions of 21°C/105 21 °C kPa.⁄105 kPa.
5.3.4 Flowmeter, capable of measuring 1010 L ⁄h 6 11 L L/h ⁄h at same standard conditions as in 5.3.3.
5.3.5 Balance, analytical, sensitivity 0.1 mg.0.1 mg.
D4636 − 17
FIG. 4 Condenser, Allihn Type
FIG. 3 Air Tube
FIG. 5 Assembled Apparatus
D4636 − 17
5.3.6 Balance, Laboratory, 2500-g2500 g capacity, 0.1-g0.1 g sensitivity.
5.3.7 Centrifuge, capable of relative force of 840 6 40 relative centrifugal force at the tip of the tubes.
5.3.8 Centrifuge Tubes, Test Method D91, cone-shaped, 100 mL.
5.3.9 Microscope, with 20-diameter magnification.
5.3.10 Assembly Fixture, wood (slotted to hold metal squares for tying with cord) as shown in Fig. 6.
5.3.11 Cord or Wire, for tying metal squares together. Suitable cord should be lightweight of cleaned linen, cotton, nylon, or
ceramic fiber; suitable wire is nichrome or tantalum.
5.3.12 When air must be conditioned, there is need for an air drier or humidifier. The method used is optional provided the air
characteristics of 5.3.3 are attained. For drying, a satisfactory method is the use of a glass column containing 8-mesh anhydrous
calcium sulfate with a column diameter such that velocity of air does not exceed 1.2 m/min. For humidifying, a satisfactory device
is included in Appendix X1 to provide the required moist air.
5.3.13 Oven, optional, to dry glassware at elevated temperature.
5.3.14 Forceps, stainless steel.
5.3.15 Thermocouple, ,70 cm sheathed.70 cm sheathed. (See Note 3.)
NOTE 3—A resistance temperature device (RTD) is also acceptable.
5.3.16 Brush, short-bristled, stiff (typewriter-cleaning brush or equivalent).
6. Reagents and Materials
6.1 Purity of Reagents—Reagent grade chemicals shall be used in all tests. Unless otherwise indicated, it is intended that all
reagents conform to the specifications of the Committee on Analytical Reagents of the American Chemical Society where such
specifications are available. Other grades may be used provided it is first ascertained that the reagent is of sufficiently high purity
to permit its use without lessening the accuracy of the determination.
6.2 Purity of Water—Unless otherwise indicated, references to water shall be understood to mean reagent water as defined by
Specification D1193. Referee situations require Type II distilled water defined by Specification D1193.
7, 8
6.3 Metal Specimens:
6.3.1 Washer-Shaped Metal Specimens, 6.35-mm6.35 mm inside diameter by 19.05-mm19.05 mm ( ⁄4-in.) in.) outside diameter
by 0.81 mm 0.81 mm thick in the following metals:
Reagent Chemicals, American Chemical Society Specifications, American Chemical Society, Washington, DC. For suggestions on the testing of reagents not listed by
the American Chemical Society, see Analar Standards for Laboratory Chemicals, BDH Ltd., Poole, Dorset, U.K., and the United States Pharmacopeia and National
Formulary, U.S. Pharmacopeial Convention, Inc. (USPC), Rockville, MD.
The sole source of supply of the metal specimens known to the committee at this time is Metaspec Co., P.O. Box 27702, San Antonio, TX 78227-0707.
If you are aware of alternative suppliers, please provide this information to ASTM International Headquarters. Your comments will receive careful consideration at a
meeting of the responsible technical committee , which you may attend.
FIG. 6 Metal Square Dimensions and Arrangement
D4636 − 17
R56080 Titanium 8 % Mn
M11311 Magnesium AZ31B
T11350 Steel M50
G10100 Steel grade 1010
C65900 Silicon-iron-bronze
P07015 Silver 99.95
A92024 Aluminum Alloy 2024 T-3 or T-4
6.3.2 Square-Shaped Metal Specimens (as shown in Fig. 6), 0.81-mm0.81 mm by 25.4-mm25.4 mm square in the following
metals:
C11000 Copper (ETP)
G10100 Steel Grade 1010
A92024 Aluminum Alloy 2024 T-3 or T-4
M11311 Magnesium AZ31B
L01900 Cadmium Anod
6.4 Abrasive Paper, silicon carbide of 240 and 400-grit. “Wet or dry,” “waterproof,” or iron-containing abrasives, such as natural
emery, are not satisfactory.
6.4.1 Silicon-Carbide Grains, 150 mesh.
6.5 Cotton, absorbent.
6.6 n-Heptane. (Warning—Flammable. Harmful if inhaled.)
6.7 Acetone. (Warning—Extremely flammable. Vapors may cause flash-fire.)
6.8 Nitric Acid, concentrated. (Warning—Poison. Corrosive. Strong oxidizer.)
6.9 Degreasing Solvents:Solvents, n-Heptane or toluene. See Note 4.
NOTE 4—n-Heptane or toluene have been used in some laboratories; however, it is not known how this may affect the precision statement, which was
determined using chlorinated solvents.
9, 8
6.10 Carbon Remover for Glassware (Warning—Causes severe burns.)—Mix 35 mL 35 mL of saturated sodium dichromate
(aqueous) solution and 1000 mL of concentrated sulfuric acid. (Warning—Corrosive.)
6.11 Glassware Cleaning Solution (Warning—Causes severe burns.)—Mix 35 mL of MICROburns.)—Mix 35 mL of
10 11
MICRO in water or 35 mL 35 mL of NOCHROMIX and 1000 mL 1000 mL of concentrated sulfuric acid.
6.12 Metal Cleaning Solution—Mix equal parts of 15 g 15 g NaOH per litre of water and 15 g 15 g of Na PO per litre of water.
3 4
(Warning—Corrosive.)
7. Hazards
7.1 As this test method investigates the corrosive effect of oil on metal in an artificial environment, precautions must be taken
to prevent premature oxidation of metal specimens by stray chemicals during test preparations. The cleaned specimens shall be
touched only by surfaces known to be free of interfering contaminants. Do not touch cleaned specimen(s) with hands. Maintain
clean glassware (see Appendix X2) in a dust-free cabinet; rinse again and dry if clean glass has been stored unused for more than
a week.
7.2 Heating Bath, n-heptane, toluene, acetone, carbon remover, nitric and sulfuric acids, and sodium hydroxide all require
caution in handling as detailed in 5.3.1 and 6.6 – 6.12.
8. Sampling
8.1 As this test method is performed on uniform, finished oils, no special sampling procedure is needed for this oil.
8.2 Preparation of Metal Specimens:
8.2.1 Collect the required number and types of specimens to be used in the test method. Measure the diameter of each specimen
and specimen hole to the nearest 0.1 cm.0.1 cm.
8.2.2 Clean and polish the metal specimen face surfaces and inner and outer edges using 240-grit abrasive paper. Examine
surfaces to ensure that no pitting, etching, or other signs of corrosion are present when viewed at 20× under the microscope.
8.2.3 From this point, handle specimens only with forceps, ashless filter paper, or clean polyethylene gloves. Store specimen
immersed in separate containers of acetone until ready for final polishing.
8.2.4 Finish polishing metal washer specimens or square metal specimens. Use either technique described in 8.2.4.1 or 8.2.4.3.
NOTE 5—Square metal specimens are required by alternative Procedure 2 in 10.3.
The sole source of supply of the carbon remover for glassware known to the committee at this time is Oakite Products, Inc., 50 Valley Rd., Berkeley Heights, NJ 07922.
International Products Corp., P.O. Box 70, Burlington, NJ 08016-0070.
Godax Laboratories, Inc., 720-B Erie Avenue, Takoma Park, MD, 20912.
D4636 − 17
8.2.4.1 Finish polishing with 400-grit paper to remove marks from previous polishing. A good technique is to place abrasive
paper on flat surface, then rub the specimen with longitudinal strokes in a direction perpendicular to that used with 240-grit paper.
Use a different sheet of paper for each metal type.
8.2.4.2 Swab polished specimens with n-heptane followed by acetone until a fresh cotton pad remains clean when wiped on the
specimen.
8.2.4.3 Finish polishing both sides of each specimen to a mirror finish using 150-mesh silicon-carbide grit (held on an
acetone-moistened cotton pad).
8.2.4.4 Clean all metal dust from each square by rubbing vigorously with clean pads of absorbent cotton until a fresh pad
remains unsoiled.
8.2.4.5 Wash specimens in n-heptane, rinse with fresh solvent, and allow to air dry.
8.2.5 Store specimens in a dust-free place if to be used immediately or under n-heptane if there is to be delay before use.
8.2.6 Immediately prior to use, dry and weigh each metal specimen to the nearest 0.1 mg.
8.3 Oil Sample Size (Note 36 and Note 47):
8.3.1 The total sample requirement is 250 mL, 200 6 2 mL 250 mL, 200 mL 6 2 mL for test and 50 mL 50 mL for pretest
determination of viscosity and acid number.
NOTE 6—An alternative Procedure 1, which deletes the requirement for periodic oil sampling throughout the test period may be specified. Alternative
Procedure 1 requires an initial oil charge of 165165 mL 6 2 mL 2 mL (see 10.2).
NOTE 7—An alternative Procedure 2, which deletes the requirement for periodic oil sampling and requires square metal specimens instead of
washer-shaped metal specimens may be specified. Alternative Procedure 2 requires an initial oil charge of 100100 mL 6 1 mL 1 mL (see 10.3).
9. Preparation of Apparatus
9.1 Cleaning of Glassware (from Previous Run):
9.1.1 Rinse all glassware items and the air tube adapter with degreasing solvent to remove residual oil, and air dry.
9.1.2 Fill or immerse the sample tube, air tube, and the 9-mm9 mm glass spacers in carbon remover at room temperature until
carbonaceous deposits are removed. Water rinse after removal.
12, 8
9.1.3 Wash all glassware items and the air tube adapter with detergent. Rinse with water to remove detergent, and dry.
9.1.4 Fill and immerse all glassware items with glassware cleaning solution and soak for 33 h to 16 h 16 h (see Note 58).
NOTE 8—This cleaning procedure is only necessary in a referee situation unless a
...








Questions, Comments and Discussion
Ask us and Technical Secretary will try to provide an answer. You can facilitate discussion about the standard in here.
Loading comments...