ASTM E894-23
(Test Method)Standard Test Method for Anchorage of Permanent Metal Railing Systems and Rails for Buildings
Standard Test Method for Anchorage of Permanent Metal Railing Systems and Rails for Buildings
SIGNIFICANCE AND USE
4.1 This test method is intended to provide data from which applicable design data can be derived for a given anchorage.
SCOPE
1.1 This test method covers procedures to be followed in testing the performance of the anchorage of all types of new and existing permanent metal railing systems (guard, stair, and ramp-rail systems), and rails (hand, grab, and transfer rails) installed in and for agricultural, assembly, commercial, educational, industrial, institutional, recreational, and residential buildings.
1.2 This test method is applicable to railing systems and rails having major structural components made of metal and secondary components made of metal or other materials such as wood, plastics, and glass.
1.3 The test method described can be used to determine whether the anchorage of permanent metal railing systems and rails complies with anticipated performance requirements.
1.4 Specifically, this test method covers procedures for determining the static tension, shear, and moment resistance of anchorages for permanent metal railing systems, and rails in structural elements made of concrete, masonry, wood, and metal as well as related products.
1.5 No consideration is given in this test method to any possible deterioration of anchorage systems, resulting from adverse environmental conditions. The performance of special tests covering this aspect may be desirable.
1.6 Should computations make it possible to provide the needed information, testing may be employed for purposes of verification.
1.7 The values stated in SI units are to be regarded as standard. The values given in parentheses are mathematical conversions to inch-pound units that are provided for information only and are not considered standard.
1.8 This standard does not purport to address all of the safety concerns, if any, associated with its use. It is the responsibility of the user of this standard to establish appropriate safety, health, and environmental practices and determine the applicability of regulatory limitations prior to use. For specific hazard statements, see Section 6.
1.9 This international standard was developed in accordance with internationally recognized principles on standardization established in the Decision on Principles for the Development of International Standards, Guides and Recommendations issued by the World Trade Organization Technical Barriers to Trade (TBT) Committee.
General Information
- Status
- Published
- Publication Date
- 30-Jun-2023
- Technical Committee
- E06 - Performance of Buildings
- Drafting Committee
- E06.56 - Performance of Railing Systems and Glass for Floors and Stairs
Relations
- Refers
ASTM E985-24 - Standard Specification for Permanent Metal Railing Systems and Rails for Buildings - Effective Date
- 15-Apr-2024
- Effective Date
- 01-Jul-2018
- Effective Date
- 15-Apr-2015
- Effective Date
- 01-Mar-2015
- Effective Date
- 01-Nov-2014
- Effective Date
- 01-Jun-2014
- Effective Date
- 01-Apr-2011
- Effective Date
- 01-Oct-2010
- Effective Date
- 01-Jun-2010
- Effective Date
- 01-Nov-2009
- Effective Date
- 01-Apr-2009
- Effective Date
- 01-Dec-2008
- Effective Date
- 01-Jan-2007
- Effective Date
- 15-Nov-2006
- Effective Date
- 01-Jun-2006
Overview
ASTM E894-23: Standard Test Method for Anchorage of Permanent Metal Railing Systems and Rails for Buildings is an internationally recognized ASTM standard that establishes procedures for testing the performance of anchorage systems used with permanent metal railings and rails in buildings. This test method applies to both new and existing installations, covering a variety of building types such as agricultural, commercial, residential, educational, industrial, institutional, assembly, and recreational facilities.
The standard is designed to generate critical data for evaluating whether the anchorage of metal railing systems and individual rails meets required performance criteria, providing valuable information for design, safety, and code compliance.
Key Topics
Scope and Applicability
- Covers guard, stair, and ramp-rail systems; hand, grab, and transfer rails.
- Applies to metal railing systems with major structural components made of metal and secondary components of metal, wood, plastics, or glass.
- Relevant for a wide range of building types and occupancies.
Test Procedures
- Detailed methods for evaluating the anchorage's static tension, shear, and moment resistance.
- Procedures for testing anchorages installed in concrete, masonry, wood, metal, and related materials.
- Outlines apparatus requirements for accurate force application and measurement of slip or deformation.
- Includes guidance on specimen selection, conditioning, and load application rates.
Performance Evaluation
- Data derived from this test method can inform applicable design values.
- Identifies failure modes for anchored railing systems and anchorages, including total structural failure, yielding, and non-return to original position.
- Recommends minimum numbers of specimens and statistical analysis for robust results.
Safety and Limitations
- Users must address all applicable safety, health, and environmental considerations when applying this standard.
- Does not address deterioration due to adverse environmental conditions; supplementary tests may be necessary.
Applications
Building Design and Construction
- Ensures metal railing systems in buildings comply with structural and safety requirements.
- Provides design validation and quality assurance for new construction and renovations.
Code Compliance and Inspection
- Used by code officials, authorities having jurisdiction (AHJs), and testing agencies to verify that construction meets local and international building codes concerning guardrails and handrails.
Quality Control
- Assists manufacturers and installers in verifying that their railing anchorage systems deliver expected performance, durability, and safety.
Retrofitting and Remediation
- Useful for assessing the integrity of existing railing anchorage systems in older buildings before retrofitting or reuse.
Related Standards
- ASTM E4 - Practices for Force Calibration and Verification of Testing Machines
- ASTM E488/E488M - Test Methods for Strength of Anchors in Concrete Elements
- ASTM E575 - Practice for Reporting Data from Structural Tests of Building Constructions
- ASTM E631 - Terminology of Building Constructions
Keywords: anchorage systems; anchorage testing; metal railing systems; railing anchorage; tension resistance; shear resistance; moment resistance; ASTM standard.
Utilizing ASTM E894-23 enables reliable testing and documentation of metal railing anchorage performance, facilitating safer and more code-compliant building practices.
Buy Documents
ASTM E894-23 - Standard Test Method for Anchorage of Permanent Metal Railing Systems and Rails for Buildings
REDLINE ASTM E894-23 - Standard Test Method for Anchorage of Permanent Metal Railing Systems and Rails for Buildings
Get Certified
Connect with accredited certification bodies for this standard

ICC Evaluation Service
Building products evaluation and certification.

QAI Laboratories
Building and construction product testing and certification.

Aboma Certification B.V.
Specialized in construction, metal, and transport sectors.
Sponsored listings
Frequently Asked Questions
ASTM E894-23 is a standard published by ASTM International. Its full title is "Standard Test Method for Anchorage of Permanent Metal Railing Systems and Rails for Buildings". This standard covers: SIGNIFICANCE AND USE 4.1 This test method is intended to provide data from which applicable design data can be derived for a given anchorage. SCOPE 1.1 This test method covers procedures to be followed in testing the performance of the anchorage of all types of new and existing permanent metal railing systems (guard, stair, and ramp-rail systems), and rails (hand, grab, and transfer rails) installed in and for agricultural, assembly, commercial, educational, industrial, institutional, recreational, and residential buildings. 1.2 This test method is applicable to railing systems and rails having major structural components made of metal and secondary components made of metal or other materials such as wood, plastics, and glass. 1.3 The test method described can be used to determine whether the anchorage of permanent metal railing systems and rails complies with anticipated performance requirements. 1.4 Specifically, this test method covers procedures for determining the static tension, shear, and moment resistance of anchorages for permanent metal railing systems, and rails in structural elements made of concrete, masonry, wood, and metal as well as related products. 1.5 No consideration is given in this test method to any possible deterioration of anchorage systems, resulting from adverse environmental conditions. The performance of special tests covering this aspect may be desirable. 1.6 Should computations make it possible to provide the needed information, testing may be employed for purposes of verification. 1.7 The values stated in SI units are to be regarded as standard. The values given in parentheses are mathematical conversions to inch-pound units that are provided for information only and are not considered standard. 1.8 This standard does not purport to address all of the safety concerns, if any, associated with its use. It is the responsibility of the user of this standard to establish appropriate safety, health, and environmental practices and determine the applicability of regulatory limitations prior to use. For specific hazard statements, see Section 6. 1.9 This international standard was developed in accordance with internationally recognized principles on standardization established in the Decision on Principles for the Development of International Standards, Guides and Recommendations issued by the World Trade Organization Technical Barriers to Trade (TBT) Committee.
SIGNIFICANCE AND USE 4.1 This test method is intended to provide data from which applicable design data can be derived for a given anchorage. SCOPE 1.1 This test method covers procedures to be followed in testing the performance of the anchorage of all types of new and existing permanent metal railing systems (guard, stair, and ramp-rail systems), and rails (hand, grab, and transfer rails) installed in and for agricultural, assembly, commercial, educational, industrial, institutional, recreational, and residential buildings. 1.2 This test method is applicable to railing systems and rails having major structural components made of metal and secondary components made of metal or other materials such as wood, plastics, and glass. 1.3 The test method described can be used to determine whether the anchorage of permanent metal railing systems and rails complies with anticipated performance requirements. 1.4 Specifically, this test method covers procedures for determining the static tension, shear, and moment resistance of anchorages for permanent metal railing systems, and rails in structural elements made of concrete, masonry, wood, and metal as well as related products. 1.5 No consideration is given in this test method to any possible deterioration of anchorage systems, resulting from adverse environmental conditions. The performance of special tests covering this aspect may be desirable. 1.6 Should computations make it possible to provide the needed information, testing may be employed for purposes of verification. 1.7 The values stated in SI units are to be regarded as standard. The values given in parentheses are mathematical conversions to inch-pound units that are provided for information only and are not considered standard. 1.8 This standard does not purport to address all of the safety concerns, if any, associated with its use. It is the responsibility of the user of this standard to establish appropriate safety, health, and environmental practices and determine the applicability of regulatory limitations prior to use. For specific hazard statements, see Section 6. 1.9 This international standard was developed in accordance with internationally recognized principles on standardization established in the Decision on Principles for the Development of International Standards, Guides and Recommendations issued by the World Trade Organization Technical Barriers to Trade (TBT) Committee.
ASTM E894-23 is classified under the following ICS (International Classification for Standards) categories: 91.060.30 - Ceilings. Floors. Stairs. The ICS classification helps identify the subject area and facilitates finding related standards.
ASTM E894-23 has the following relationships with other standards: It is inter standard links to ASTM E985-24, ASTM E575-05(2018), ASTM E488/E488M-15, ASTM E631-15, ASTM E631-14, ASTM E4-14, ASTM E575-05(2011), ASTM E488/E488M-10, ASTM E4-10, ASTM E4-09a, ASTM E4-09, ASTM E4-08, ASTM E4-07, ASTM E985-00(2006), ASTM E631-06. Understanding these relationships helps ensure you are using the most current and applicable version of the standard.
ASTM E894-23 is available in PDF format for immediate download after purchase. The document can be added to your cart and obtained through the secure checkout process. Digital delivery ensures instant access to the complete standard document.
Standards Content (Sample)
This international standard was developed in accordance with internationally recognized principles on standardization established in the Decision on Principles for the
Development of International Standards, Guides and Recommendations issued by the World Trade Organization Technical Barriers to Trade (TBT) Committee.
Designation: E894 − 23
Standard Test Method for
Anchorage of Permanent Metal Railing Systems and Rails
for Buildings
This standard is issued under the fixed designation E894; the number immediately following the designation indicates the year of
original adoption or, in the case of revision, the year of last revision. A number in parentheses indicates the year of last reapproval. A
superscript epsilon (´) indicates an editorial change since the last revision or reapproval.
1. Scope responsibility of the user of this standard to establish appro-
priate safety, health, and environmental practices and deter-
1.1 This test method covers procedures to be followed in
mine the applicability of regulatory limitations prior to use.
testing the performance of the anchorage of all types of new
For specific hazard statements, see Section 6.
and existing permanent metal railing systems (guard, stair, and
1.9 This international standard was developed in accor-
ramp-rail systems), and rails (hand, grab, and transfer rails)
dance with internationally recognized principles on standard-
installed in and for agricultural, assembly, commercial,
ization established in the Decision on Principles for the
educational, industrial, institutional, recreational, and residen-
Development of International Standards, Guides and Recom-
tial buildings.
mendations issued by the World Trade Organization Technical
1.2 This test method is applicable to railing systems and
Barriers to Trade (TBT) Committee.
rails having major structural components made of metal and
secondary components made of metal or other materials such
2. Referenced Documents
as wood, plastics, and glass.
2.1 ASTM Standards:
1.3 The test method described can be used to determine E4 Practices for Force Calibration and Verification of Test-
whether the anchorage of permanent metal railing systems and
ing Machines
rails complies with anticipated performance requirements. E488/E488M Test Methods for Strength of Anchors in
Concrete Elements
1.4 Specifically, this test method covers procedures for
E575 Practice for Reporting Data from Structural Tests of
determining the static tension, shear, and moment resistance of
Building Constructions, Elements, Connections, and As-
anchorages for permanent metal railing systems, and rails in
semblies
structural elements made of concrete, masonry, wood, and
E631 Terminology of Building Constructions
metal as well as related products.
E985 Specification for Permanent Metal Railing Systems
1.5 No consideration is given in this test method to any
and Rails for Buildings (Withdrawn 2015)
possible deterioration of anchorage systems, resulting from
adverse environmental conditions. The performance of special
3. Terminology
tests covering this aspect may be desirable.
3.1 Definitions—For definitions of terms used in this test
1.6 Should computations make it possible to provide the
method, see Terminology E631 and Specification E985.
needed information, testing may be employed for purposes of
4. Significance and Use
verification.
4.1 This test method is intended to provide data from which
1.7 The values stated in SI units are to be regarded as
applicable design data can be derived for a given anchorage.
standard. The values given in parentheses are mathematical
conversions to inch-pound units that are provided for informa-
5. Apparatus
tion only and are not considered standard.
5.1 Testing Machine—Any testing machine or loading sys-
1.8 This standard does not purport to address all of the
tem capable of imposing forces accurate to within 61 %, when
safety concerns, if any, associated with its use. It is the
calibrated in accordance with Practice E4, is suitable and may
1 2
This test method is under the jurisdiction of ASTM Committee E06 on For referenced ASTM standards, visit the ASTM website, www.astm.org, or
Performance of Buildings and is the direct responsibility of Subcommittee E06.56 contact ASTM Customer Service at service@astm.org. For Annual Book of ASTM
on Performance of Railing Systems and Glass for Floors and Stairs. Standards volume information, refer to the standard’s Document Summary page on
Current edition approved July 1, 2023. Published July 2023. Originally approved the ASTM website.
in 1982. Last previous edition approved in 2018 as E894 – 18. DOI: 10.1520/ The last approved version of this historical standard is referenced on
E0894-23. www.astm.org.
Copyright © ASTM International, 100 Barr Harbor Drive, PO Box C700, West Conshohocken, PA 19428-2959. United States
E894 − 23
be used, provided the requirements of specified rate of loading
and recovery are met. The testing device shall be of sufficient
capacity to prevent yielding of its various components and
shall ensure that the applied tension load remains parallel to the
relevant axis of the anchorage assembly and that the applied
shear load remains essentially parallel to the surface of the
structural anchorage element or component during testing.
5.1.1 Tension Test—Suitable systems for applying tension
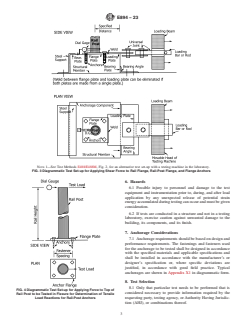
forces to the anchorage assembly are shown in Fig. 1 for
laboratory testing and in Fig. 2 for field testing. The bearing
plates shall be of sufficient size to prevent failure of the
surrounding structural members or components. The loading
device shall be attached to the assembly by means of pins or a
swivel connector to prevent the direct transfer of bending
stresses through the connection.
5.1.2 Shear Test—A suitable system for applying shear
forces to the anchorage assembly normal to the plane or major
axis of the railing is shown in Fig. 3. The loading device shall
be of sufficient strength to prevent its yielding during the
ultimate capacity tests on the assembly. The bearing plates and
connections shall be of sufficient size to prevent local failure of
the structural member. The load shall be distributed by means
of a load-distribution device which makes it possible for the
force to be applied perpendicular to the long axes of the
anchors. The bearing plate and other tie-down devices provide
a means of holding the anchorage member or component at the
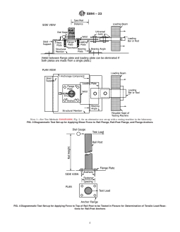
FIG. 2 Diagrammatic Test Set-up for Applying Tensile Force to
required elevation throughout the test. The loading devices
Rail, Rail Post, Flange Plate, and Flange-Plate Anchors with
shall be of such material as to reduce any damage to the Field-testing Device
loading contact area of the device to a minimum during
application of the shear force and shall be replaced when
damaged.
5.2 Anchorage Slip and Railing-System or Rail Deflection
5.1.3 Flexural Test—A suitable system for applying tensile
Measurements:
forces to the top of the rail post is shown in Fig. 4. The
5.2.1 Tension Test—Two dial gages, having a smallest
necessary test devices shall fulfill the requirements given in
division of not more than 0.025 mm (0.001 in.), or any suitable
5.1.2 and be applicable to the flexural test.
measurement device or calibrated sensor of at least comparable
accuracy and sensitivity shall be used to measure slip of the
anchored system relative to the anchorage elements or compo-
nents. The purpose of the instruments is to measure the vertical
movement of the anchored system with respect to such points
on the structural members or components which can serve as
reference points without being influenced by the force applied
by the anchoring system (see Fig. 1 and Fig. 2). The slip to be
used for the evaluation of the findings shall be the average
deformation indicated by the two dial gages, measurement
devices, or sensors.
5.2.2 Shear Test—A single dial gage, having a smallest
division of not more than 0.025 mm (0.001 in.), or any suitable
measurement device or calibrated sensor of at least comparable
accuracy and sensitivity shall be used to measure slip of the
anchored system relative to the anchorage elements or compo-
nents.
5.2.3 Flexural Test—A single dial gage for the test shown in
Fig. 4, having a smallest division of not more than 0.25 mm
(0.01 in.), or any suitable measurement device or calibrated
sensor of at least comparable accuracy and sensitivity shall be
NOTE 1—See Test Methods E488/E488M, Fig. 1 for alternative test
used to measure the horizontal displacement of the top of the
set-up with a testing machine in the laboratory.
rail post relative to its original location prior to load applica-
FIG. 1 Diagrammatic Test Set-up for Applying Tensile Force to
Rail, Rail Post, Flange Plate, and Flange-Plate Anchors tion.
E894 − 23
NOTE 1—See Test Methods E488/E488M, Fig. 2, for an alternative test set-up with a testing machine in the laboratory.
FIG. 3 Diagrammatic Test Set-up for Applying Shear Force to Rail Flange, Rail-Post Flange, and Flange Anchors
6. Hazards
6.1 Possible injury to personnel and damage to the test
equipment and instrumentation prior to, during, and after load
application by any unexpected release of potential strain
energy accumulated during testing can occur and must be given
consideration.
6.2 If tests are conducted in a structure and not in a testing
laboratory, exercise caution against unwanted damage to the
building, its components, and its finish.
7. Anchorage Considerations
7.1 Anchorage requirements should be based on design and
performance requirements. The fastenings and fasteners used
for the anchorage to be tested shall be designed in accordance
with the specified materials and applicable specifications and
shall be installed in accordance with the manufacturer’s or
designer’s specification or, where specific deviations are
justified, in accordance with good field practice. Typical
anchorages are shown in Appendix X1 in diagrammatic form.
8. Test Selection
8.1 Only that particular test needs to be performed that is
FIG. 4 Diagrammatic Test Set-up for Applying Force to Top of
considered necessary to provide information required by the
Rail Post to be Tested in Flexure for Determination of Tensile
Load Reactions for Rail-Post Anchors requesting party, testing agency, or Authority Having Jurisdic-
tion (AHJ), or combinations thereof.
E894 − 23
9. Test Specimens 11.3 Description—Examples of typical test specimens are
shown in Figs. 1-4 in diagrammatic form. The actual specimen
9.1 Structural System—The structural elements and compo-
design and size depends on the specific case involved and shall
nents of the structural assembly to be tested shall be in
be representative of anticipated field conditions.
accordance with and typical of the materials and configurations
specified, except that the overall size of the test specimens may
12. Procedure
be reduced to such an extent that the reduction in size is proven
to be of no influence on the interpretation of the test data and 12.1 Positioning of Loading Systems and Rod:
findings. 12.1.1 Tension Test (see Figs. 1 and 2)—Position the struc-
tural member or component on the support system in such a
9.2 Anchored System—The anchored railings and rails to be
way that the bearing plates are equidistant from the center of
tested shall be representative of the type and lot to be used in
the anchorage devices and spaced apart so as not to be of any
the actual structure.
influence on the test findings. Thus, the failure plane of the
9.3 Anchorage System—The structural anchorage elements
anchorage system will not intersect with the area below the
and components to be tested shall be representative of the
bearing plates. Position the loading device so that it is centered
construction to be used in the field.
over the anchorage devices to be tested. Provide uniform
contact between the surface of the structural members or
9.4 Anchoring System—The anchoring devices to be tested
components and the support system. If unusual irregularities
shall be representative of the type and lot to be used in field
are present on the surface of the structural element or
construction and shall include, insofar as feasible, all accessory
component, provide a suitable bearing medium between the
devices and hardware normally required for design and use.
structural element or component and the support system, such
9.5 Anchorage Installation—Install the anchoring devices to
as a paste of calcined gypsum (plaster of paris) or high-strength
be tested in accordance with field installation procedures to be
gypsum. Permit sufficient time before testing to develop the
used in the building for which the data are applicable.
necessary compressive strength of the bearing medium. For all
types of bearing media, fol
...
This document is not an ASTM standard and is intended only to provide the user of an ASTM standard an indication of what changes have been made to the previous version. Because
it may not be technically possible to adequately depict all changes accurately, ASTM recommends that users consult prior editions as appropriate. In all cases only the current version
of the standard as published by ASTM is to be considered the official document.
Designation: E894 − 18 E894 − 23
Standard Test Method for
Anchorage of Permanent Metal Railing Systems and Rails
for Buildings
This standard is issued under the fixed designation E894; the number immediately following the designation indicates the year of
original adoption or, in the case of revision, the year of last revision. A number in parentheses indicates the year of last reapproval. A
superscript epsilon (´) indicates an editorial change since the last revision or reapproval.
1. Scope
1.1 This test method describescovers procedures to be followed in testing the performance of the anchorage of all types of new
and existing permanent metal railing systems (guard, stair, and ramp-rail systems), and rails (hand, grab, and transfer rails) installed
in and for agricultural, assembly, commercial, educational, industrial, institutional, recreational, and residential buildings.
1.2 This test method is applicable to railing systems and rails having major structural components made of metal and secondary
components made of metal or other materials such as wood, plastics, and glass.
1.3 The test method described can be used to determine whether the anchorage of permanent metal railing systems and rails
complies with anticipated performance requirements.
1.4 Specifically, this test method covers procedures for determining the static tension, shear, and moment resistance of anchorages
for permanent metal railing systems, and rails in structural elements made of concrete, masonry, wood, and metal as well as related
products.
1.5 No consideration is given in this test method to any possible deterioration of anchorage systems, resulting from adverse
environmental conditions. The performance of special tests covering this aspect may be desirable.
1.6 Should computations make it possible to provide the needed information, testing may be employed for purposes of verification.
1.7 The values stated in SI units are to be regarded as standard. The values given in parentheses are mathematical conversions to
inch-pound units that are provided for information only and are not considered standard.
1.8 This standard does not purport to address all of the safety concerns, if any, associated with its use. It is the responsibility
of the user of this standard to establish appropriate safety, health, and environmental practices and determine the applicability of
regulatory limitations prior to use. For specific hazard statements, see Section 6.
1.9 This international standard was developed in accordance with internationally recognized principles on standardization
established in the Decision on Principles for the Development of International Standards, Guides and Recommendations issued
by the World Trade Organization Technical Barriers to Trade (TBT) Committee.
This test method is under the jurisdiction of ASTM Committee E06 on Performance of Buildings and is the direct responsibility of Subcommittee E06.56 on Performance
of Railing Systems and Glass for Floors and Stairs.
Current edition approved April 1, 2018July 1, 2023. Published May 2018July 2023. Originally approved in 1982. Last previous edition approved in 20102018 as E894 – 88
(2010).E894 – 18. DOI: 10.1520/E0894-18.10.1520/E0894-23.
Copyright © ASTM International, 100 Barr Harbor Drive, PO Box C700, West Conshohocken, PA 19428-2959. United States
E894 − 23
2. Referenced Documents
2.1 ASTM Standards:
E4 Practices for Force Calibration and Verification of Testing Machines
E488/E488M Test Methods for Strength of Anchors in Concrete Elements
E575 Practice for Reporting Data from Structural Tests of Building Constructions, Elements, Connections, and Assemblies
E631 Terminology of Building Constructions
E985 Specification for Permanent Metal Railing Systems and Rails for Buildings (Withdrawn 2015)
3. Terminology
3.1 Definitions—For definitions of terms used in this test method, see Terminology E631 and Specification E985.
4. Significance and Use
4.1 This test method is intended to provide data from which applicable design data can be derived for a given anchorage.
5. Apparatus
5.1 Testing Machine—Any testing machine or loading system capable of imposing forces accurate to within 61 %, when
calibrated in accordance with Practice E4, is suitable and may be used, provided the requirements of specified rate of loading and
recovery are met. The testing device shall be of sufficient capacity to prevent yielding of its various components and shall ensure
that the applied tension load remains parallel to the relevant axis of the anchorage assembly and that the applied shear load remains
essentially parallel to the surface of the structural anchorage element or component during testing.
5.1.1 Tension Test—Suitable systems for applying tension forces to the anchorage assembly are shown in Fig. 1 for laboratory
testing and in Fig. 2 for field testing. The bearing plates shall be of sufficient size to prevent failure of the surrounding structural
members or components. The loading device shall be attached to the assembly by means of pins or a swivel connector to prevent
the direct transfer of bending stresses through the connection.
5.1.2 Shear Test—A suitable system for applying shear forces to the anchorage assembly normal to the plane or major axis of the
railing is shown in Fig. 3. The loading device shall be of sufficient strength to prevent its yielding during the ultimate capacity tests
on the assembly. The bearing plates and connections shall be of sufficient size to prevent local failure of the structural member.
NOTE 1—See Test MethodMethods E488/E488M, Fig. 1 for alternative test set-up with a testing machine in the laboratory.
FIG. 1 Diagrammatic Test Set-up for Applying Tensile Force to Rail, Rail Post, Flange Plate, and Flange-Plate Anchors
For referenced ASTM standards, visit the ASTM website, www.astm.org, or contact ASTM Customer Service at service@astm.org. For Annual Book of ASTM Standards
volume information, refer to the standard’s Document Summary page on the ASTM website.
The last approved version of this historical standard is referenced on www.astm.org.
E894 − 23
FIG. 2 Diagrammatic Test Set-up for Applying Tensile Force to Rail, Rail Post, Flange Plate, and Flange-Plate Anchors with Field-testing
Device
The load shall be distributed by means of a load-distribution device which makes it possible for the force to be applied
perpendicular to the long axes of the anchors. The bearing plate and other tie-down devices provide a means of holding the
anchorage member or component at the required elevation throughout the test. The loading devices shall be of such material as
to reduce any damage to the loading contact area of the device to a minimum during application of the shear force and shall be
replaced when damaged.
5.1.3 Flexural Test—A suitable system for applying tensile forces to the top of the rail post is shown in Fig. 4. The necessary test
devices shall fulfill the requirements given in 5.1.2 and be applicable to the flexural test.
5.2 Anchorage Slip and Railing-System or Rail Deflection Measurements:
5.2.1 Tension Test—Two dial gages, having a smallest division of not more than 0.025 mm (0.001 in.), or any suitable
measurement device or calibrated sensor of at least comparable accuracy and sensitivity shall be used to measure slip of the
anchored system relative to the anchorage elements or components. The purpose of the instruments is to measure the vertical
movement of the anchored system with respect to such points on the structural members or components which can serve as
reference points without being influenced by the force applied by the anchoring system (see Fig. 1 and Fig. 2). The slip to be used
for the evaluation of the findings shall be the average deformation indicated by the two dial gages, measurement devices, or
sensors.
5.2.2 Shear Test—A single dial gage, having a smallest division of not more than 0.025 mm (0.001 in.), or any suitable
measurement device or calibrated sensor of at least comparable accuracy and sensitivity shall be used to measure slip of the
anchored system relative to the anchorage elements or components.
5.2.3 Flexural Test—A single dial gage for the test shown in Fig. 4, having a smallest division of not more than 0.25 mm (0.01
in.), or any suitable measurement device or calibrated sensor of at least comparable accuracy and sensitivity shall be used to
measure the horizontal displacement of the top of the rail post relative to its original location prior to load application.
E894 − 23
NOTE 1—See Test Methods E488/E488M, Fig. 2, for an alternative test set-up with a testing machine in the laboratory.
FIG. 3 Diagrammatic Test Set-up for Applying Shear Force to Rail Flange, Rail-Post Flange, and Flange Anchors
FIG. 4 Diagrammatic Test Set-up for Applying Force to Top of Rail Post to be Tested in Flexure for Determination of Tensile Load Reac-
tions for Rail-Post Anchors
E894 − 23
6. Hazards
6.1 Possible injury to personnel and damage to the test equipment and instrumentation prior to, during, and after load application
by any unexpected release of potential strain energy accumulated during testing can occur and must be given consideration.
6.2 If tests are conducted in a structure and not in a testing laboratory, exercise caution against unwanted damage to the building,
its components, and its finish.
7. Anchorage Considerations
7.1 Anchorage requirements should be based on design and performance requirements. The fastenings and fasteners used for the
anchorage to be tested shall be designed in accordance with the specified materials and applicable specifications and shall be
installed in accordance with the manufacturer’s or designer’s specification or, where specific deviations are justified, in accordance
with good field practice. Typical anchorages are shown in Appendix X1 in diagrammatic form.
8. Test Selection
8.1 Only that particular test needs to be performed that is considered necessary to provide information required by the requesting
party, testing agency, or Authority Having Jurisdiction (AHJ), or combinations thereof.
9. Test Specimens
9.1 Structural System—The structural elements and components of the structural assembly to be tested shall be in accordance with
and typical of the materials and configurations specified, except that the overall size of the test specimens may be reduced to such
an extent that the reduction in size is proven to be of no influence on the interpretation of the test data and findings.
9.2 Anchored System—The anchored railings and rails to be tested shall be representative of the type and lot to be used in the actual
structure.
9.3 Anchorage System—The structural anchorage elements and components to be tested shall be representative of the construction
to be used in the field.
9.4 Anchoring System—The anchoring devices to be tested shall be representative of the type and lot to be used in field
construction and shall include, insofar as feasible, all accessory devices and hardware normally required for design and use.
9.5 Anchorage Installation—Install the anchoring devices to be tested in accordance with field installation procedures to be used
in the building for which the data are applicable.
9.6 Anchorage Placement—Test all individual anchoring devices and systems used in a given installation individually.
Simultaneously test as a complete unit closely spaced anchoring devices and systems that may interact.
10. Number of Test Specimens
10.1 Determine suitable statistical parameters to evaluate the composite variability and to select the number of specimens required
to make a realistic determination of the performance characteristics of the anchorage under examination. Test a minimum of three
specimens of each type of anchorage system for each set of given conditions. A larger number of specimens may be specified
depending upon the design and variability in the quality of the anchorage devices and the anchoring elements and components.
11. Conditioning
11.1 Conditioning and Curing—If aging, seasoning, or curing conditions affect the performance and capacity of the anchorage
system, take appropriate measures in accordance with the recommendations of the anchor manufacturer, to age, season, or cure
the anchorage and anchoring system prior to testing. Report such conditions in detail. Observe their physical effects and fully
describe them in the test report.
11.2 Moisture and Tempe
...








Questions, Comments and Discussion
Ask us and Technical Secretary will try to provide an answer. You can facilitate discussion about the standard in here.
Loading comments...