ISO 3661:1977
(Main)End-suction centrifugal pumps - Baseplate and installation dimensions
End-suction centrifugal pumps - Baseplate and installation dimensions
Specifies basic dimensions and gives alternative numbers and locations of baseplate fixing holes to suit individual installations. Covers the baseplate numbers from 2 to 9. The data given are intended primarily for use with pumps in accordance with ISO 2858, coupled to foot-mounted electric motors for installation on a foundation.
Pompes centrifuges à aspiration en bout — Dimensions relatives aux socles et à l'installation
La présente Norme Internationale fixe les dimensions fondamentales relatives aux socles et à l'installation des pompes centrifuges à aspiration en bout. Des variantes sont données pour le nombre et l'emplacement des trous de fixation des socles pouvant convenir à des installations particulières. Les dimensions et autres informations données dans la présente Norme Internationale sont principalement prévues pour les pompes centrifuges conformes à l'ISO 2858, couplées avec des moteurs électriques montés sur pied pour installation sur socle. La présente Norme Internationale peut, le cas échéant, être utilisée pour d'autres types de pompes.
General Information
- Status
- Published
- Publication Date
- 31-Jan-1977
- Technical Committee
- ISO/TC 115 - Pumps
- Drafting Committee
- ISO/TC 115 - Pumps
- Current Stage
- 9093 - International Standard confirmed
- Start Date
- 31-Jul-2023
- Completion Date
- 13-Dec-2025
Overview
ISO 3661:1977 specifies basic baseplate and installation dimensions for end-suction centrifugal pumps, covering baseplate reference numbers 2 to 9. The standard is intended primarily for pumps manufactured in accordance with ISO 2858 and for installations where pumps are coupled to foot-mounted electric motors and mounted on a foundation. It provides alternative fixing-hole arrangements and guidance to support consistent pump-motor coupling and foundation design.
Key Topics
- Baseplate reference numbers (2–9): The standard defines reference numbers for baseplates and links those numbers to the relevant dimensional data.
- Baseplate and installation dimensions: Figures and tables in the standard give the basic working-surface sizes, mounting-hole locations (A, B, C, D, E) and the installation dimensions used to design foundations and alignment procedures.
- Alternative fixing-hole arrangements: Options for three- or four-hole patterns are described to suit different manufacturer practices and installation constraints.
- Height limits and centre-line considerations: Maximum permissible baseplate heights (hmax, Hmax) are defined to account for packing, centre-line heights of pumps and motors, and installation sub-structures.
- Referenced standards: Clearance hole sizing is aligned with ISO/R 273 and motor frame/flange compatibility is cross-referenced to IEC Publication 72.
Applications
ISO 3661:1977 is practical for engineers, installers and specifiers who need to:
- Ensure interchangeability of end-suction centrifugal pump installations across suppliers.
- Design concrete foundations and baseplate anchor layouts using standardised installation dimensions.
- Select compatible electric motor frames and flange connections when coupling to foot-mounted motors (reference mapping is provided between baseplate numbers and motor frame numbers).
- Accommodate alternative fixing-hole positions to match site constraints or bespoke mounting arrangements.
Typical users include pump manufacturers, OEMs, mechanical engineers, plant installation teams and maintenance personnel who require consistent dimensional data for procurement, site layout and retrofit projects.
Related Standards
- ISO 2858 - End-suction centrifugal pumps: designation, duty point and nominal dimensions (primary pump dimensional reference used with ISO 3661).
- ISO/R 273 - Clearance holes for metric bolts (used for clearance hole specification in baseplates).
- IEC Publication 72 - Dimensions and ratings for rotating electrical machines (referenced for motor frame and flange compatibility).
By applying ISO 3661:1977, organizations achieve reliable pump-motor alignment, reduced installation errors, and faster equipment interchangeability while ensuring that baseplate and foundation designs adhere to internationally recognised dimensional practices.
ISO 3661:1977 - End-suction centrifugal pumps -- Baseplate and installation dimensions
ISO 3661:1977 - Pompes centrifuges a aspiration en bout -- Dimensions relatives aux socles et a l'installation
ISO 3661:1977 - Pompes centrifuges a aspiration en bout -- Dimensions relatives aux socles et a l'installation
Frequently Asked Questions
ISO 3661:1977 is a standard published by the International Organization for Standardization (ISO). Its full title is "End-suction centrifugal pumps - Baseplate and installation dimensions". This standard covers: Specifies basic dimensions and gives alternative numbers and locations of baseplate fixing holes to suit individual installations. Covers the baseplate numbers from 2 to 9. The data given are intended primarily for use with pumps in accordance with ISO 2858, coupled to foot-mounted electric motors for installation on a foundation.
Specifies basic dimensions and gives alternative numbers and locations of baseplate fixing holes to suit individual installations. Covers the baseplate numbers from 2 to 9. The data given are intended primarily for use with pumps in accordance with ISO 2858, coupled to foot-mounted electric motors for installation on a foundation.
ISO 3661:1977 is classified under the following ICS (International Classification for Standards) categories: 23.080 - Pumps. The ICS classification helps identify the subject area and facilitates finding related standards.
You can purchase ISO 3661:1977 directly from iTeh Standards. The document is available in PDF format and is delivered instantly after payment. Add the standard to your cart and complete the secure checkout process. iTeh Standards is an authorized distributor of ISO standards.
Standards Content (Sample)
INTERNATIONAL STANDARD.
INTERNATIONAL ORGANIZATION FOR STANDARDIZATION l MEXAYHAPO,ljHAJl OPI-AHW3AUMR l-f0 CTAHAAPTM3ALWWi~ORGANISATiON INTERNATIONALE DE NORMALISATION
End-suction centrifugal Pumps - Baseplate and installation
dimensions
Pompes ten trifuges 2 aspiration en bout -
Dimensions relatives aux socles et a I’instaIIation
First edition - 1977-02-15
UDC 621.671 Ref. No. ISO 36614977 (E)
Descriptors : centrifugal Pumps, specifications, holders, installing, dimensions.
Price based on 3 pages
FOREWORD
ISO (the International Organization for Standardization) is a worldwide federation
of national Standards institutes (ISO Member Bodies). The work of deveioping
International Standards is carried out through lS0 Technical Committees. Every
Member Body interested in a subject for which a Jechnical Committee has been set
up has the right to be represented on that Committee. International organizations,
governmental and non-governmental, in Iiaison with ISO, also take part in the work.
Draft International Standards adopted by the Technical Committees are circulated
PO the Member Bodies for approvaf before their acceptance as International
Standards by the ISO Council.
International Standard ISO 3661 was drawn up by Technical Committee
lSO/TC 115, Pumps, and was circulated to the Member Bodies in February 1975.
lt has been approved by the Member Bodies of the following countries :
Belgium Italy Sweden
Brazil Mexico Switzerland
Czechoslovakia Netherlands Turkey
France Poland United Mingdom
Germany Romania Yugoslavia
Hungary South Africa, Rep. of
Israel Spain
The Member Bodies of the doll lowing countries exp
disapproval of the
document on technica I grounds :
Australia
Canada
Japan
U.S. A.
Q International Organkation for Standardination, 1937 @
Printed in Switze:!and
INTERNATIONAL STANDARD ISO 3661-1977 (E)
End-suction centrifugal Pumps - Baseplate and installation
dimensions
1 SCOPE ISO 2858, End-suction centrifugal Pumps (rating 16 bar) -
Designation, nominal duty poin t and dimensions,
This international Standard specifies the basic baseplate
and installation dimensions for end-suction centrifugal IEC Publication 72, Dimensions and output ratings for
Pumps. Alternative numbers and locations of baseplate rotating electrical machines - Frame numbers 56 to 400
fixing holes are given to suit individual installations. and flange numbers F55 to F7080.
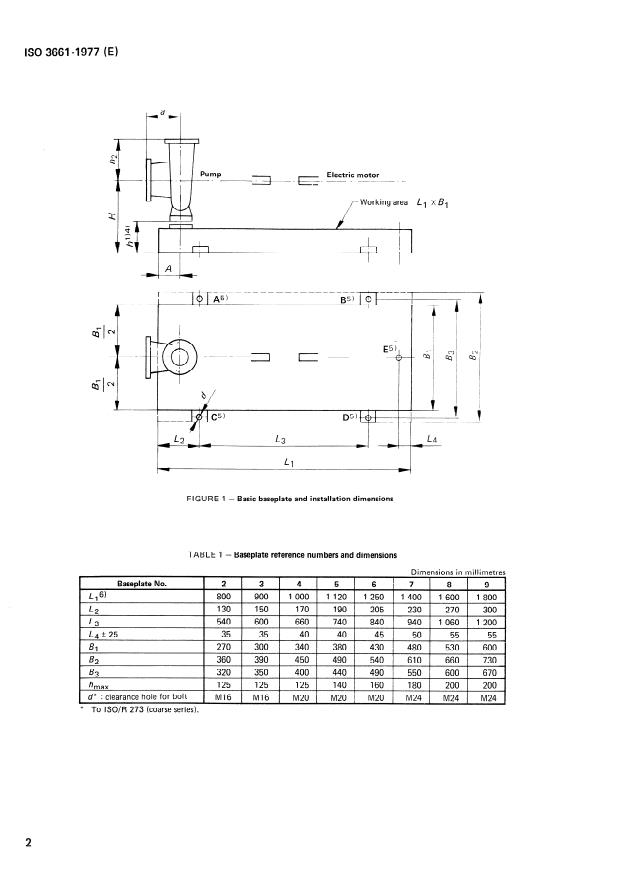
4 BASEPLATE DIMENSIONS
2 FIELD OF APPLICATION
The dimensions and the reference numbers of baseplates
The dimensions and other data given in this International are given in figure 1 and table 1.
Standard are intended primarily for use with centrifugal
Pumps in accordance with ISO 2858, coupled to foot-
5 BASIC INSTALLATION DIMENSIONS
mounted electric motors for installation on a foundation.
The baseplate number appropriate to a given pump
Where suitable, this International Standard may be used for
designation and the corresponding electric motor frame
other types of pump.
number are obtained from table 2.
The dimensions of the baseplate corresponding to this
number are then obtained from table 1 and the basic
3 REFERENCES
installation dimensions from the last four columns in
ISO/R 273, Clearance holes for metric bolts. table 2.
...
d
NORME INTERNATIONALE
INTERNATIONAL ORGANIZATION FOR STANDARDIZATION .MEXAYHAPOAHAII OPTAHM3A~WI l-l0 tXAHAAPTW3AIJUH.ORGANISATION INTERNATIONALE DE NORMALISATION
Pompes centrifuges à aspiration en bout - Dimensions
relatives aux socles et à l’installation
Basepla te and installation dimensions
End-suction cen trifugal pumps -
Première édition - 1977-02-l 5
Réf. no : ISO 36614977 (F)
CDU 621.671
Descripteurs : pompe centrifuge, spécification, support, installation, dimension.
Prix basé sur 3 pages
AVANT-PROPOS
L’ISO (Organisation Internationale de Normalisation) est une fédération mondiale
d’organismes nationaux de normalisation (Comités Membres SO). L’élaboration des
Normes Internationales est confiée aux Comités Techniques ISO. Chaque Comité
Membre intéressé par une étude a le droit de faire partie du Comité Technique
internationales, gouvernementales et non
correspondant. Les organisations
gouvernementales, en liaison avec I’ISO, participent également aux travaux.
Les Projets de Normes Internationales adoptés par les Comités Techniques sont
soumis aux Comités Membres pour approbation, avant leur acceptation comme
Normes Internationales par le Conseil de I’ISO.
La Norme Internationale ISO 3661 a été établie par le Comité Technique
ISO/TC 115, Pompes, et a été soumise aux Comités Membres en février 1975.
Elle a été approuvée par les Comités Membres des pays suivants :
Suède
Afrique du Sud, Rép. d’ Israël
Suisse
Al lemagne Italie
Tchécoslovaquie
Belgique Mexique
Turquie
Brésil Pays-Bas
Yougoslavie
Espagne Pologne
Roumanie
France
Royaume-Uni
Hongrie
Les Comités Membres des pays suivants ont désapprouvé le document pour des
raisons techniques :
Australie
Canada
Japon
U.S.A.
0 Organisation Internationale de Normalisation, 1977 l
Imprimé en Suisse
ISO 36614977 (F)
NORME INTERNATIONALE
Pompes centrifuges à aspiration en bout - Dimensions
relatives aux socles et à l’installation
ISO 2858, Pompes centrifuges à asi)iration en bout
1 OBJET
(oression nominale 16 bar) - Désignation, point de
La présente Norme Internationale fixe les dimensions
fonctionnement nominal et dimensions.
fondamentales relatives aux socles et à l’installation des
Publication CEI 72, Dimensions et puissance normale des
pompes centrifuges à aspiration en bout. Des variantes sont
machines électriques tournantes - Désignation des carcasses
données pour le nombre et l’emplacement des trous de
entre 56 et 400 et des brides entre F55et F1080.
fixation des socles pouvant convenir à des installations
particulières.
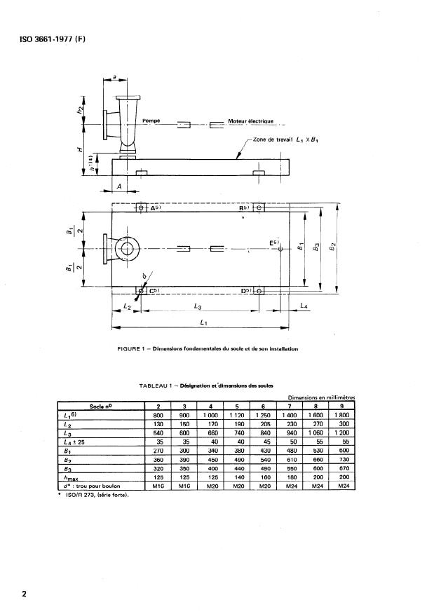
4 DIMENSIONS DES SOCLES
2 DOMAINE D’APPLICATION
Les dimensions et les désignations des socles sont données
Les dimensions et autres informations données dans la
par la figure 1 et le tableau 1.
présente Norme Internationale sont principalement prévues
pour les pompes centrifuges conformes à I’ISO 2858,
couplées avec des moteurs électriques montés sur pied pour
installation sur socle. 5 DIMENSIONS D’INSTALLATION FONDAMENTALES
Le tableau 2 donne la désignation de socle approprié à une
La présente Norme Internationale peut, le cas échéant, être
pompe donnée et à la carcasse du moteur électrique
utilisée pour d’autres types de pompes.
correspondant.
Les dimensions du socle correspondant à cette désignation
3 RÉFÉRENCES
sont données dans le tableau 1 et les dimensions
d’installation fondamentales dans les quatre dernières
ISO/R 273, Trous de passage pour boulons à filetage
colonnes du tableau 2.
métrique.
ISO 36614977 (F)
a
r-7
Pompe
-y+ _ ,-, Moteur- électrique _ _
_ ---- -
Zone de travai I
Ll XBI
---s ' ----WY------------- ----
r
-f+-t A5>
BS’@: I
I
-b
I - -1
FIGURE 1 - Dimensions fondamentales du socle et de son installation
TABLEAU 1 - Désignation et ‘dimensions des socles
Dimensions e
...
d
NORME INTERNATIONALE
INTERNATIONAL ORGANIZATION FOR STANDARDIZATION .MEXAYHAPOAHAII OPTAHM3A~WI l-l0 tXAHAAPTW3AIJUH.ORGANISATION INTERNATIONALE DE NORMALISATION
Pompes centrifuges à aspiration en bout - Dimensions
relatives aux socles et à l’installation
Basepla te and installation dimensions
End-suction cen trifugal pumps -
Première édition - 1977-02-l 5
Réf. no : ISO 36614977 (F)
CDU 621.671
Descripteurs : pompe centrifuge, spécification, support, installation, dimension.
Prix basé sur 3 pages
AVANT-PROPOS
L’ISO (Organisation Internationale de Normalisation) est une fédération mondiale
d’organismes nationaux de normalisation (Comités Membres SO). L’élaboration des
Normes Internationales est confiée aux Comités Techniques ISO. Chaque Comité
Membre intéressé par une étude a le droit de faire partie du Comité Technique
internationales, gouvernementales et non
correspondant. Les organisations
gouvernementales, en liaison avec I’ISO, participent également aux travaux.
Les Projets de Normes Internationales adoptés par les Comités Techniques sont
soumis aux Comités Membres pour approbation, avant leur acceptation comme
Normes Internationales par le Conseil de I’ISO.
La Norme Internationale ISO 3661 a été établie par le Comité Technique
ISO/TC 115, Pompes, et a été soumise aux Comités Membres en février 1975.
Elle a été approuvée par les Comités Membres des pays suivants :
Suède
Afrique du Sud, Rép. d’ Israël
Suisse
Al lemagne Italie
Tchécoslovaquie
Belgique Mexique
Turquie
Brésil Pays-Bas
Yougoslavie
Espagne Pologne
Roumanie
France
Royaume-Uni
Hongrie
Les Comités Membres des pays suivants ont désapprouvé le document pour des
raisons techniques :
Australie
Canada
Japon
U.S.A.
0 Organisation Internationale de Normalisation, 1977 l
Imprimé en Suisse
ISO 36614977 (F)
NORME INTERNATIONALE
Pompes centrifuges à aspiration en bout - Dimensions
relatives aux socles et à l’installation
ISO 2858, Pompes centrifuges à asi)iration en bout
1 OBJET
(oression nominale 16 bar) - Désignation, point de
La présente Norme Internationale fixe les dimensions
fonctionnement nominal et dimensions.
fondamentales relatives aux socles et à l’installation des
Publication CEI 72, Dimensions et puissance normale des
pompes centrifuges à aspiration en bout. Des variantes sont
machines électriques tournantes - Désignation des carcasses
données pour le nombre et l’emplacement des trous de
entre 56 et 400 et des brides entre F55et F1080.
fixation des socles pouvant convenir à des installations
particulières.
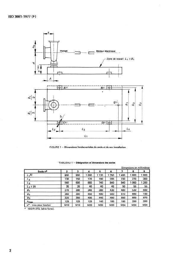
4 DIMENSIONS DES SOCLES
2 DOMAINE D’APPLICATION
Les dimensions et les désignations des socles sont données
Les dimensions et autres informations données dans la
par la figure 1 et le tableau 1.
présente Norme Internationale sont principalement prévues
pour les pompes centrifuges conformes à I’ISO 2858,
couplées avec des moteurs électriques montés sur pied pour
installation sur socle. 5 DIMENSIONS D’INSTALLATION FONDAMENTALES
Le tableau 2 donne la désignation de socle approprié à une
La présente Norme Internationale peut, le cas échéant, être
pompe donnée et à la carcasse du moteur électrique
utilisée pour d’autres types de pompes.
correspondant.
Les dimensions du socle correspondant à cette désignation
3 RÉFÉRENCES
sont données dans le tableau 1 et les dimensions
d’installation fondamentales dans les quatre dernières
ISO/R 273, Trous de passage pour boulons à filetage
colonnes du tableau 2.
métrique.
ISO366V1977 (F)
a
r-7
Pompe
-y+ _ ,-, Moteur- électrique _ _
_ ---- -
Zone de travai I
Ll XBI
---s ' ----WY------------- ----
r
-f+-t A5>
BS’@: I
I
-b
I - -1
FIGURE 1 - Dimensions fondamentales du socle et de son installation
TABLEAU 1 - Désignation et ‘dimensions des socles
Dimensions e
...


















Questions, Comments and Discussion
Ask us and Technical Secretary will try to provide an answer. You can facilitate discussion about the standard in here.
Loading comments...