ISO 7647:1986
(Main)Commercial vehicles and buses — Gearbox flanges — Type S
Commercial vehicles and buses — Gearbox flanges — Type S
Specifies the nominal dimensions and tolerances which affect the interchangeability between gearbox flanges and mating parts used on commercial vehicles and buses. The flanges type S are not interchangeable with type A flanges dealt with in ISO 7646. Some figures illustrate shapes and reference quantities of concern.
Véhicules utilitaires et autobus — Brides de boîtes de vitesses — Type S
La présente Norme internationale fixe les dimensions nominales et les tolérances qui influent sur l'interchangeabilité entre les brides de boîtes de vitesse et les éléments accouplés utilisés sur les véhicules utilitaires et les autobus. Les brides traitées dans la présente Norme internationale sont dites de type S. Elles ne sont pas interchangeables avec les brides de type A traitées dans l'ISO 7646. Les dimensions non spécifiées sont laissées à la discrétion du fabricant des pièces.
General Information
- Status
- Published
- Publication Date
- 27-Aug-1986
- Current Stage
- 9020 - International Standard under periodical review
- Start Date
- 15-Jan-2026
- Completion Date
- 15-Jan-2026
Overview
ISO 7647:1986 specifies the nominal dimensions and tolerances that affect the interchangeability of gearbox flanges type S for commercial vehicles and buses. This international standard from ISO ensures that gearbox flanges and their mating parts are compatible, reducing the risk of fitment issues across different manufacturers. Notably, type S flanges addressed in this standard are not interchangeable with type A flanges covered in ISO 7646. The document includes reference figures and tables to illustrate required shapes and key measurements for efficient implementation.
Key Topics
- Interchangeability: The standard establishes clear nominal dimensions and tolerances for gearbox flanges, enhancing compatibility between different brands and models of commercial vehicles and buses.
- Flange Types: Covers type S flanges only, providing a distinct classification separate from type A flanges.
- Dimensional Requirements: Specifies critical dimensions, bolt hole positioning, and tolerancing requirements that must be met for compliance.
- Identification and Designation: Outlines a standardized method for designating gearbox flanges based on size code, number of fixing bolts, and bolt dimensions.
- Manufacturer Flexibility: Dimensions not strictly specified by the standard are left to the discretion of component manufacturers, promoting innovation within the defined interchangeability framework.
Applications
ISO 7647:1986 is vital for:
- Commercial Vehicle Manufacturers: Ensuring gearboxes and flanges sourced from different suppliers can be reliably assembled onto various commercial vehicles and buses.
- Bus Manufacturers: Standardizes gearbox flange interfaces, reducing complexities in assembly, maintenance, and part replacement.
- Component Suppliers: Allows producers of gearbox flanges and mating parts to align with a recognized international specification, facilitating easier market entry and broader compatibility.
- Maintenance and Repair Providers: Enables efficient sourcing of compatible parts during servicing or repair, minimizing vehicle downtime and operational disruptions.
- Technical Documentation: Promotes consistency in technical drawings and specifications by referencing universally accepted dimensions and tolerance values.
Consistent adoption of this standard streamlines supply chains and maintenance processes within the automotive industry, supporting global interoperability for drivetrain components.
Related Standards
ISO 7647:1986 is closely connected to several other international standards in the road vehicle and mechanical engineering domains:
- ISO 7646: Establishes equivalent dimensional and tolerance requirements for gearbox flanges type A for commercial vehicles and buses. Flanges type S (ISO 7647) are not compatible with type A (ISO 7646), emphasizing the importance of correct standard referencing.
- ISO 286: Specifies the ISO system of limits and fits, referenced for certain tolerance requirements within ISO 7647.
- ISO 1101: Covers technical drawings and geometrical tolerancing, applicable to the form, orientation, location, and run-out specifications for gearbox flanges.
Adhering to ISO 7647:1986 supports best practices in gearbox flange manufacturing, interchangeability, and quality assurance across the commercial vehicle and bus sectors. Manufacturers and suppliers implementing this standard contribute to improved reliability and reduced costs through effective standardization of drivetrain components.
Buy Documents
ISO 7647:1986 - Commercial vehicles and buses -- Gearbox flanges -- Type S
ISO 7647:1986 - Commercial vehicles and buses — Gearbox flanges — Type S/28/1986
ISO 7647:1986 - Véhicules utilitaires et autobus -- Brides de boîtes de vitesses -- Type S
ISO 7647:1986 - Véhicules utilitaires et autobus -- Brides de boîtes de vitesses -- Type S
ISO 7647:1986 - Véhicules utilitaires et autobus — Brides de boîtes de vitesses — Type S/28/1986
ISO 7647:1986 - Véhicules utilitaires et autobus — Brides de boîtes de vitesses — Type S/28/1986
Get Certified
Connect with accredited certification bodies for this standard

TÜV Rheinland
TÜV Rheinland is a leading international provider of technical services.

TÜV SÜD
TÜV SÜD is a trusted partner of choice for safety, security and sustainability solutions.

DEKRA Certification Inc.
DEKRA US certification services.
Sponsored listings
Frequently Asked Questions
ISO 7647:1986 is a standard published by the International Organization for Standardization (ISO). Its full title is "Commercial vehicles and buses — Gearbox flanges — Type S". This standard covers: Specifies the nominal dimensions and tolerances which affect the interchangeability between gearbox flanges and mating parts used on commercial vehicles and buses. The flanges type S are not interchangeable with type A flanges dealt with in ISO 7646. Some figures illustrate shapes and reference quantities of concern.
Specifies the nominal dimensions and tolerances which affect the interchangeability between gearbox flanges and mating parts used on commercial vehicles and buses. The flanges type S are not interchangeable with type A flanges dealt with in ISO 7646. Some figures illustrate shapes and reference quantities of concern.
ISO 7647:1986 is classified under the following ICS (International Classification for Standards) categories: 43.040.50 - Transmissions, suspensions. The ICS classification helps identify the subject area and facilitates finding related standards.
ISO 7647:1986 is available in PDF format for immediate download after purchase. The document can be added to your cart and obtained through the secure checkout process. Digital delivery ensures instant access to the complete standard document.
Standards Content (Sample)
International Standard
INTERNATIONAL ORGANIZATION FOR STANDARDIZATION.ME~YHAl’O~HAR OPTAHH3ALWlR no CTAH~APTM3AllMM~RGANlSATlON INTERNATIONALE DE NORMALISATION
Commercial vehicles and buses - Gearbox flanges -
Whicules utilitaires et autobus - Bides de boites de vitesses - Type S
First edition - 1986-08-15
Ref. No. IS0 7647-1986 (E)
UDC 629.114.4/.5 : 62-58
Gi
Y
Descriptors : road vehicles, commercial road vehicles, buses (vehicles), gearboxes, flanges, dimensions, designation.
Price based on 3 pages
Foreword
IS0 (the International Organization for Standardization) is a worldwide federation of
national standards bodies (IS0 member bodies). The work of preparing International
Standards is normally carried out through IS0 technical committees. Each member
body interested in a subject for which a technical committee has been established has
the right to be represented on that committee. International organizations, govern-
mental and non-governmental, in liaison with ISO, also take part in the work.
Draft International Standards adopted by the technical committees are circulated to
the member bodies for approval before their acceptance as International Standards by
the IS0 Council. They are approved in accordance with IS0 procedures requiring at
least 75 % approval by the member bodies voting.
International Standard IS0 7647 was prepared by Technical Committee ISO/TC 22,
Road vehicles.
Users should note that all International Standards undergo revision from time to time
and that any reference made herein to any other International Standard implies its
latest edition, unless otherwise stated.
0 International Organization for Standardization, 1986
Printed in Switzerland
Iso 7647-1986 (E)
INTERNATIONAL STANDARD
Commercial vehicles and buses - Gearbox flanges -
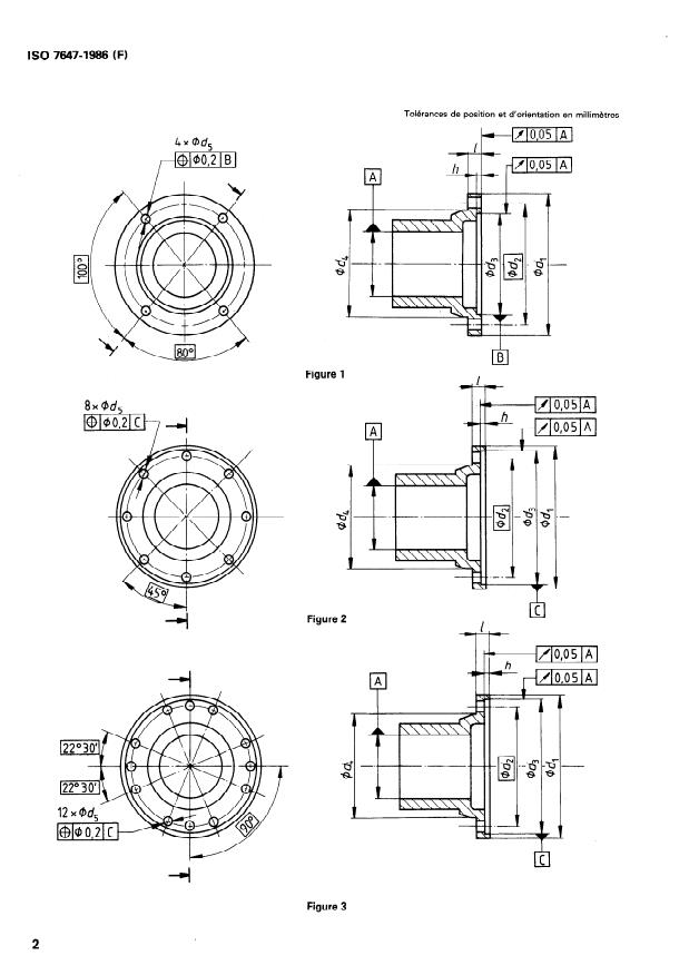
3 Dimensions and tolerances
1 Scope and field of application
Nominal dimensions, tolerances and bolt hole fixing positions
This International Standard specifies the nominal dimensions
which affect the interchangeability of type S flanges for gear-
and tolerances which affect the interchangeability between
boxes are shown in figures 1 to 3, and given in the table.
gearbox flanges and mating parts used on
...
International Standard
INTERNATIONAL ORGANIZATION FOR STANDARDIZATION.ME~YHAl’O~HAR OPTAHH3ALWlR no CTAH~APTM3AllMM~RGANlSATlON INTERNATIONALE DE NORMALISATION
Commercial vehicles and buses - Gearbox flanges -
Whicules utilitaires et autobus - Bides de boites de vitesses - Type S
First edition - 1986-08-15
Ref. No. IS0 7647-1986 (E)
UDC 629.114.4/.5 : 62-58
Gi
Y
Descriptors : road vehicles, commercial road vehicles, buses (vehicles), gearboxes, flanges, dimensions, designation.
Price based on 3 pages
Foreword
IS0 (the International Organization for Standardization) is a worldwide federation of
national standards bodies (IS0 member bodies). The work of preparing International
Standards is normally carried out through IS0 technical committees. Each member
body interested in a subject for which a technical committee has been established has
the right to be represented on that committee. International organizations, govern-
mental and non-governmental, in liaison with ISO, also take part in the work.
Draft International Standards adopted by the technical committees are circulated to
the member bodies for approval before their acceptance as International Standards by
the IS0 Council. They are approved in accordance with IS0 procedures requiring at
least 75 % approval by the member bodies voting.
International Standard IS0 7647 was prepared by Technical Committee ISO/TC 22,
Road vehicles.
Users should note that all International Standards undergo revision from time to time
and that any reference made herein to any other International Standard implies its
latest edition, unless otherwise stated.
0 International Organization for Standardization, 1986
Printed in Switzerland
Iso 7647-1986 (E)
INTERNATIONAL STANDARD
Commercial vehicles and buses - Gearbox flanges -
3 Dimensions and tolerances
1 Scope and field of application
Nominal dimensions, tolerances and bolt hole fixing positions
This International Standard specifies the nominal dimensions
which affect the interchangeability of type S flanges for gear-
and tolerances which affect the interchangeability between
boxes are shown in figures 1 to 3, and given in the table.
gearbox flanges and mating parts used on
...
Norme internationale 7647
INTERNATIONAL ORGANIZATION FOR STANDARDIZATION.ME~YHAPO,qHAR OPTAHM3A~MR fl0 CTAH~APTH3Al@Wl.ORGANISATION INTERNATIONALE DE NORMALISATIDN
Véhicules utilitaires et autobus - Brides de boîtes de
vitesses - Type S .
Commercial vehicfes and buses - Gearbox flanges - Type S
Premiere Rdition - 1985~08-15
CDU 629.114.4/.5 : 6268
Rhf. no : ISO 7647-1986 (F)
Descripteurs : vdhicule routier, v6hicule routier utilitaire, autobus, boîte de vitesse, bride, dimension, désignation.
Prix bas4 sur 3 pages
Avant-propos
L’ISO (Organisation internationale de normalisation) est une fédération mondiale
d’organismes nationaux de normalisation (comités membres de I’ISO). L’élaboration
des Normes internationales est confiée aux comités techniques de I’ISO. Chaque
comité membre intéressé par une étude a le droit de faire partie du comité technique
créé à cet effet. Les organisations internationales, gouvernementales et non gouverne-
mentales, en liaison avec I’ISO participent également aux travaux.
Les projets de Normes internationales adoptés par les comites techniques sont soumis
aux comités membres pour approbation, avant leur acceptation comme Normes inter-
nationales par le Conseil de I’ISO. Les Normes internationales sont approuvées confor-
mément aux procédures de I’ISO qui requiérent l’approbation de 75 % au moins des
comités membres votants.
La Norme internationale ISO 7647 a été élaborée par le comité technique ISO/TC 22,
Vbhicules routiers.
L’attention des utilisateurs est attirée sur le fait que toutes les Normes internationales
sont de temps en temps soumises à révision et que toute référence faite à une autre
Norme internationale dans le présent document implique qu’il s’agit, sauf indication
contraire, de la derniere edition.
0 Organisation internationale de normalisation, 1966
Imprimé en Suisse
ISO 7647-1986 (F)
NORME INTERNATIONALE
Véhicules utilitaires et autobus - Brides de boîtes de
vitesses - Type S
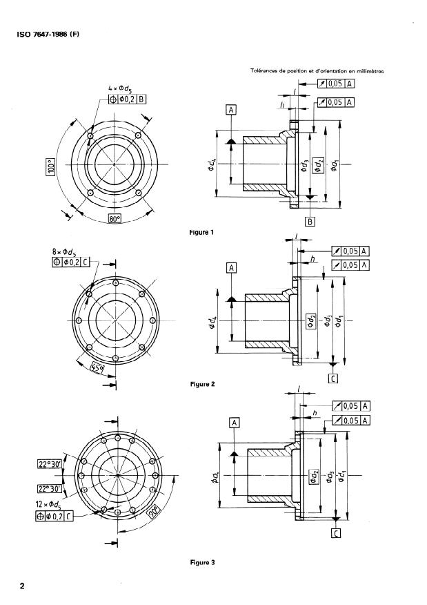
1 Objet et domaine d’application 3 Dimensions et tolérances
Les dimensions nominales, les tolérances et la position des
La présente Norme internationale fixe les dimensions nominales
trous de passage des boulons de fixation, qui jouent sur I’inter-
et les tolérances qui influent sur I’interchangeabilité entre les
changeabilité des brides de boîtes de vitesses de type S, sont
brides de boîtes de vitesse et les élements accouplés utilises sur
indiquée
...
Norme internationale 7647
INTERNATIONAL ORGANIZATION FOR STANDARDIZATION.ME~YHAPO,qHAR OPTAHM3A~MR fl0 CTAH~APTH3Al@Wl.ORGANISATION INTERNATIONALE DE NORMALISATIDN
Véhicules utilitaires et autobus - Brides de boîtes de
vitesses - Type S .
Commercial vehicfes and buses - Gearbox flanges - Type S
Premiere Rdition - 1985~08-15
CDU 629.114.4/.5 : 6268
Rhf. no : ISO 7647-1986 (F)
Descripteurs : vdhicule routier, v6hicule routier utilitaire, autobus, boîte de vitesse, bride, dimension, désignation.
Prix bas4 sur 3 pages
Avant-propos
L’ISO (Organisation internationale de normalisation) est une fédération mondiale
d’organismes nationaux de normalisation (comités membres de I’ISO). L’élaboration
des Normes internationales est confiée aux comités techniques de I’ISO. Chaque
comité membre intéressé par une étude a le droit de faire partie du comité technique
créé à cet effet. Les organisations internationales, gouvernementales et non gouverne-
mentales, en liaison avec I’ISO participent également aux travaux.
Les projets de Normes internationales adoptés par les comites techniques sont soumis
aux comités membres pour approbation, avant leur acceptation comme Normes inter-
nationales par le Conseil de I’ISO. Les Normes internationales sont approuvées confor-
mément aux procédures de I’ISO qui requiérent l’approbation de 75 % au moins des
comités membres votants.
La Norme internationale ISO 7647 a été élaborée par le comité technique ISO/TC 22,
Vbhicules routiers.
L’attention des utilisateurs est attirée sur le fait que toutes les Normes internationales
sont de temps en temps soumises à révision et que toute référence faite à une autre
Norme internationale dans le présent document implique qu’il s’agit, sauf indication
contraire, de la derniere edition.
0 Organisation internationale de normalisation, 1966
Imprimé en Suisse
ISO 7647-1986 (F)
NORME INTERNATIONALE
Véhicules utilitaires et autobus - Brides de boîtes de
vitesses - Type S
1 Objet et domaine d’application 3 Dimensions et tolérances
Les dimensions nominales, les tolérances et la position des
La présente Norme internationale fixe les dimensions nominales
trous de passage des boulons de fixation, qui jouent sur I’inter-
et les tolérances qui influent sur I’interchangeabilité entre les
changeabilité des brides de boîtes de vitesses de type S, sont
brides de boîtes de vitesse et les élements accouplés utilises sur
indiquée
...
Norme internationale 7647
INTERNATIONAL ORGANIZATION FOR STANDARDIZATION.ME~YHAPO,qHAR OPTAHM3A~MR fl0 CTAH~APTH3Al@Wl.ORGANISATION INTERNATIONALE DE NORMALISATIDN
Véhicules utilitaires et autobus - Brides de boîtes de
vitesses - Type S .
Commercial vehicfes and buses - Gearbox flanges - Type S
Premiere Rdition - 1985~08-15
CDU 629.114.4/.5 : 6268
Rhf. no : ISO 7647-1986 (F)
Descripteurs : vdhicule routier, v6hicule routier utilitaire, autobus, boîte de vitesse, bride, dimension, désignation.
Prix bas4 sur 3 pages
Avant-propos
L’ISO (Organisation internationale de normalisation) est une fédération mondiale
d’organismes nationaux de normalisation (comités membres de I’ISO). L’élaboration
des Normes internationales est confiée aux comités techniques de I’ISO. Chaque
comité membre intéressé par une étude a le droit de faire partie du comité technique
créé à cet effet. Les organisations internationales, gouvernementales et non gouverne-
mentales, en liaison avec I’ISO participent également aux travaux.
Les projets de Normes internationales adoptés par les comites techniques sont soumis
aux comités membres pour approbation, avant leur acceptation comme Normes inter-
nationales par le Conseil de I’ISO. Les Normes internationales sont approuvées confor-
mément aux procédures de I’ISO qui requiérent l’approbation de 75 % au moins des
comités membres votants.
La Norme internationale ISO 7647 a été élaborée par le comité technique ISO/TC 22,
Vbhicules routiers.
L’attention des utilisateurs est attirée sur le fait que toutes les Normes internationales
sont de temps en temps soumises à révision et que toute référence faite à une autre
Norme internationale dans le présent document implique qu’il s’agit, sauf indication
contraire, de la derniere edition.
0 Organisation internationale de normalisation, 1966
Imprimé en Suisse
ISO 7647-1986 (F)
NORME INTERNATIONALE
Véhicules utilitaires et autobus - Brides de boîtes de
vitesses - Type S
1 Objet et domaine d’application 3 Dimensions et tolérances
Les dimensions nominales, les tolérances et la position des
La présente Norme internationale fixe les dimensions nominales
trous de passage des boulons de fixation, qui jouent sur I’inter-
et les tolérances qui influent sur I’interchangeabilité entre les
changeabilité des brides de boîtes de vitesses de type S, sont
brides de boîtes de vitesse et les élements accouplés utilises sur
indiquée
...
Norme internationale 7647
INTERNATIONAL ORGANIZATION FOR STANDARDIZATION.ME~YHAPO,qHAR OPTAHM3A~MR fl0 CTAH~APTH3Al@Wl.ORGANISATION INTERNATIONALE DE NORMALISATIDN
Véhicules utilitaires et autobus - Brides de boîtes de
vitesses - Type S .
Commercial vehicfes and buses - Gearbox flanges - Type S
Premiere Rdition - 1985~08-15
CDU 629.114.4/.5 : 6268
Rhf. no : ISO 7647-1986 (F)
Descripteurs : vdhicule routier, v6hicule routier utilitaire, autobus, boîte de vitesse, bride, dimension, désignation.
Prix bas4 sur 3 pages
Avant-propos
L’ISO (Organisation internationale de normalisation) est une fédération mondiale
d’organismes nationaux de normalisation (comités membres de I’ISO). L’élaboration
des Normes internationales est confiée aux comités techniques de I’ISO. Chaque
comité membre intéressé par une étude a le droit de faire partie du comité technique
créé à cet effet. Les organisations internationales, gouvernementales et non gouverne-
mentales, en liaison avec I’ISO participent également aux travaux.
Les projets de Normes internationales adoptés par les comites techniques sont soumis
aux comités membres pour approbation, avant leur acceptation comme Normes inter-
nationales par le Conseil de I’ISO. Les Normes internationales sont approuvées confor-
mément aux procédures de I’ISO qui requiérent l’approbation de 75 % au moins des
comités membres votants.
La Norme internationale ISO 7647 a été élaborée par le comité technique ISO/TC 22,
Vbhicules routiers.
L’attention des utilisateurs est attirée sur le fait que toutes les Normes internationales
sont de temps en temps soumises à révision et que toute référence faite à une autre
Norme internationale dans le présent document implique qu’il s’agit, sauf indication
contraire, de la derniere edition.
0 Organisation internationale de normalisation, 1966
Imprimé en Suisse
ISO 7647-1986 (F)
NORME INTERNATIONALE
Véhicules utilitaires et autobus - Brides de boîtes de
vitesses - Type S
1 Objet et domaine d’application 3 Dimensions et tolérances
Les dimensions nominales, les tolérances et la position des
La présente Norme internationale fixe les dimensions nominales
trous de passage des boulons de fixation, qui jouent sur I’inter-
et les tolérances qui influent sur I’interchangeabilité entre les
changeabilité des brides de boîtes de vitesses de type S, sont
brides de boîtes de vitesse et les élements accouplés utilises sur
indiquée
...
























Questions, Comments and Discussion
Ask us and Technical Secretary will try to provide an answer. You can facilitate discussion about the standard in here.
Loading comments...