ISO 7804:1985
(Main)Commercial road vehicles — Side openings for truck power take-offs
Commercial road vehicles — Side openings for truck power take-offs
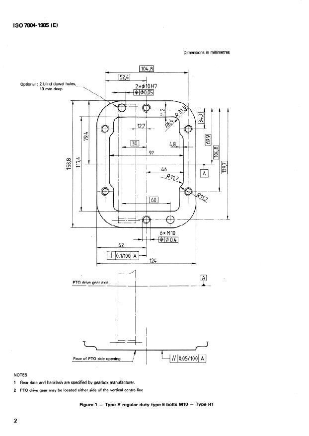
Establishes the dimensions of side openings for truck power take-offs. These specifications are applicable for all general installations of power take-offs on the transmission gearbox of trucks and tractors where the size of the transmission permits. Some figures illustrate shapes and reference quantities of concern.
Véhicules routiers utilitaires — Fenêtre latérale pour prise de puissance sur camion
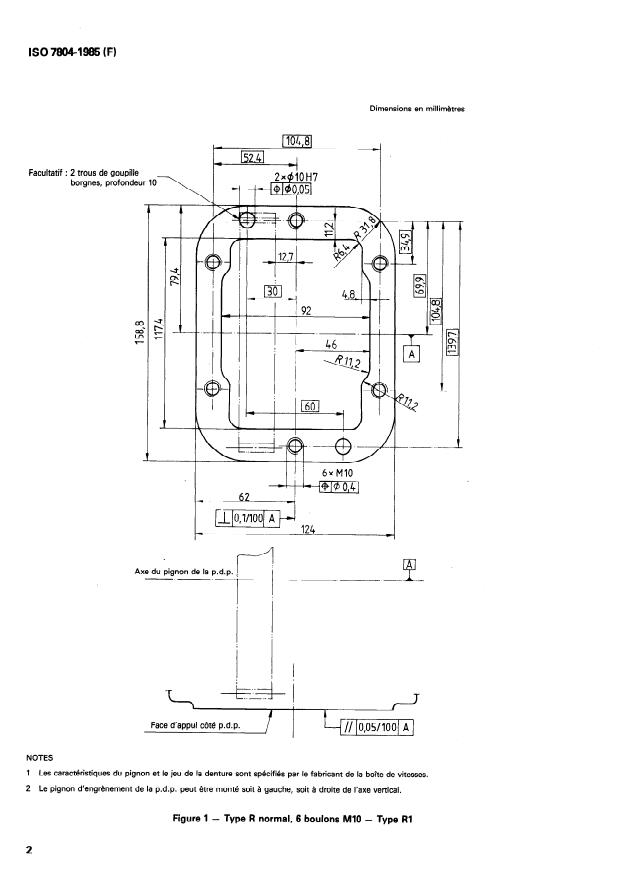
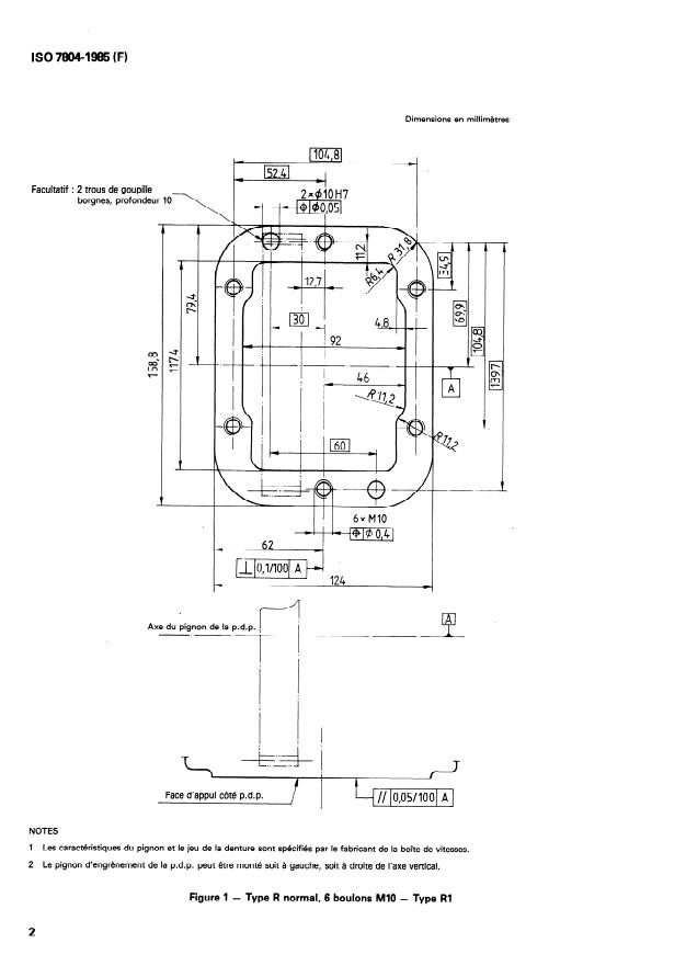
La présente Norme internationale fixe les dimensions des fenêtres latérales pour prises de puissance (p.d.p.) sur camions. Ces spécifications sont applicables, en général, pour toutes les installations de prise de puissance sur boîte de vitesses des camions et des tracteurs, quand les dimensions de cette boîte le permettent.
General Information
Buy Standard
Standards Content (Sample)
International Standard
INTERNATIONAL ORGANIZATION FOR STANDARDIZATION.MEIK,lJYHAPO~HAR OPTAHM3ALWlR fl0 CTAH~APTM3AlJ’lM.ORGANISATlON INTERNATIONALE DE NORMALISATION
Commercial road vehicles - Side openings for truck
power take-offs
Whicules reu tiers u tilitaires - Fen&e lattkale pour Prise de puissance sur camion
First edition - 1985-11-01
Ref. No. ISO 7804-1985 (E)
UDC 629.11.013 : 629.114.4
z
-
Descriptors : road vehicles, commercial road vehicles, power take-off, openings, classification, designation, dimensions.
Price based on 4 pages
---------------------- Page: 1 ----------------------
Foreword
ISO (the International Organization for Standardization) is a worldwide federation of
national Standards bodies (ISO member bodies). The work of preparing International
Standards is normally carried out through ISO technical committees. Esch member
body interested in a subject for which a technical committee has been established has
the right to be represented on that committee. International organizations, govern-
mental and non-governmental, in liaison with ISO, also take part in the work.
Draft International Standards adopted by the technical committees are circulated to
the member bodies for approval before their acceptance as International Standards by
the ISO Council. They are approved in accordance with ISO procedures requiring at
least 75 % approval by the member bodies voting.
International Standard ISO 7804 was prepared by Technical Committee ISO/TC 22,
Road vehicles.
Users should note that all International Standards undergo revision from time to time
and that any reference made herein to any other International Standard implies its
Jatest edition, unless otherwise stated. -
0 International Organkation for Standardkation, 1985
Printed in Switzerland
---------------------- Page: 2 ----------------------
INTERNATIONAL STANDARD ISO 7804-1985 (E)
Commercial road vehicles - Side openings for truck
power take-offs
1 Scope and field of application 3.2 Type R
Type R shall have one of the following gear depths :
This International Standard lays down the dimensions of side
openings for truck power take-offs. These specifications are
applicable for all general installations of power take-offs on the - Type Rl : 20 If: 10 mm
transmission gear box of tru
...
Norme internationale
INTERNATIONAL ORGANIZATION FOR STANDARDIZATION.MElK&YHAPO,lJHAR OPf-AHM3AL&lR Il0 CTAH~APTkl3AL&Wl.ORGANISATlON INTERNATIONALE DE NORMALISATION
Véhicules routiers utilitaires - Fenêtre latérale pour prise
de puissance sur camion
Commercial road vehicles - Side openings for truck power take-offs
Première 6dition - 1985-l l-01
CDU 629.11.013 : 629.114.4 Réf. no : ISO 7804-1985 (FI
véhicule routier utilitaire, prise de mouvement, ouverture, classification, désignation, dimension.
Descripteurs : véhicule routier,
Prix basé sur 4 pages
---------------------- Page: 1 ----------------------
Avant-propos
L’ISO (Organisation internationale de normalisation) est une federation mondiale
d’organismes nationaux de normalisation (comités membres de I’ISO). L’élaboration
des Normes internationales est confiée aux comités techniques de I’ISO. Chaque
comité membre interesse par une étude a le droit de faire partie du comite technique
créé a cet effet. Les organisations internationales, gouvernementales et non gouverne-
mentales, en liaison avec I’ISO, participent également aux travaux.
Les projets de Normes internationales adoptés par les comités techniques sont soumis
aux comités membres pour approbation, avant leur acceptation comme Normes inter-
nationales par le Conseil de I’ISO. Les Normes internationales sont approuvées confor-
mement aux procédures de I’ISO qui requièrent l’approbation de 75 % au moins des
comités membres votants.
internationale ISO 7804 a et6 élaborée par le comité technique ISO/TC 22,
La Norme
Whicules routiers.
L’attention des utilisateurs est attirée sur le fait que toutes les Normes internationales
sont de temps en temps soumises à révision et que toute référence faite à une autre
Norme internationale dans le présent document implique qu’il s’agit, sauf indication
contraire, de la derniére édition.
0 Organisation internationale de normalisation, 1985
Imprimé en Suisse
---------------------- Page: 2 ----------------------
NORME INTERNATIONALE ISO 7804-1985 (F)
Véhicules routiers utilitaires - Fenêtre latérale pour prise
de puissance sur camion
1 Objet et domaine d’application 3.2 Type R
La présente Norme internationale fixe les dimensions des fenê-
Le type R doit avoir l’une des profondeurs suivantes :
tres latérales pour prises de puissance (p.d.p.) sur camions.
Ces spécifications sont applicables, en général, pour toutes les - Type Rl : 20 $r 10 mm ’
.
installations de prise de puissance sur boîte de vitesses des
camions et des tract
...
Norme internationale
INTERNATIONAL ORGANIZATION FOR STANDARDIZATION.MElK&YHAPO,lJHAR OPf-AHM3AL&lR Il0 CTAH~APTkl3AL&Wl.ORGANISATlON INTERNATIONALE DE NORMALISATION
Véhicules routiers utilitaires - Fenêtre latérale pour prise
de puissance sur camion
Commercial road vehicles - Side openings for truck power take-offs
Première 6dition - 1985-l l-01
CDU 629.11.013 : 629.114.4 Réf. no : ISO 7804-1985 (FI
véhicule routier utilitaire, prise de mouvement, ouverture, classification, désignation, dimension.
Descripteurs : véhicule routier,
Prix basé sur 4 pages
---------------------- Page: 1 ----------------------
Avant-propos
L’ISO (Organisation internationale de normalisation) est une federation mondiale
d’organismes nationaux de normalisation (comités membres de I’ISO). L’élaboration
des Normes internationales est confiée aux comités techniques de I’ISO. Chaque
comité membre interesse par une étude a le droit de faire partie du comite technique
créé a cet effet. Les organisations internationales, gouvernementales et non gouverne-
mentales, en liaison avec I’ISO, participent également aux travaux.
Les projets de Normes internationales adoptés par les comités techniques sont soumis
aux comités membres pour approbation, avant leur acceptation comme Normes inter-
nationales par le Conseil de I’ISO. Les Normes internationales sont approuvées confor-
mement aux procédures de I’ISO qui requièrent l’approbation de 75 % au moins des
comités membres votants.
internationale ISO 7804 a et6 élaborée par le comité technique ISO/TC 22,
La Norme
Whicules routiers.
L’attention des utilisateurs est attirée sur le fait que toutes les Normes internationales
sont de temps en temps soumises à révision et que toute référence faite à une autre
Norme internationale dans le présent document implique qu’il s’agit, sauf indication
contraire, de la derniére édition.
0 Organisation internationale de normalisation, 1985
Imprimé en Suisse
---------------------- Page: 2 ----------------------
NORME INTERNATIONALE ISO 7804-1985 (F)
Véhicules routiers utilitaires - Fenêtre latérale pour prise
de puissance sur camion
1 Objet et domaine d’application 3.2 Type R
La présente Norme internationale fixe les dimensions des fenê-
Le type R doit avoir l’une des profondeurs suivantes :
tres latérales pour prises de puissance (p.d.p.) sur camions.
Ces spécifications sont applicables, en général, pour toutes les - Type Rl : 20 $r 10 mm ’
.
installations de prise de puissance sur boîte de vitesses des
camions et des tract
...






Questions, Comments and Discussion
Ask us and Technical Secretary will try to provide an answer. You can facilitate discussion about the standard in here.