ISO 7653:1985
(Main)Road vehicles — Commercial vehicles — Couplings between power take-offs (PTO) and ancillary driven units
Road vehicles — Commercial vehicles — Couplings between power take-offs (PTO) and ancillary driven units
Establishes the dimensions of couplings mounted on commercial vehicles, such as hydraulic pumps, etc. Applies to ancillary equipment of commercial vehicles that require a hydraulic or mechanical power system and that take power of the main drive line of the vehicle. Defines two types of couplings: type A - indirect coupling; type B - direct coupling.
Véhicules routiers — Véhicules utilitaires — Liaisons entre prises de puissance et organes récepteurs de puissance
La présente Norme internationale fixe les caractéristiques dimensionnelles des liaisons entre prises de puissance et organes récepteurs de puissance, tels que pompes hydrauliques, etc., montés sur véhicules utilitaires. La présente Norme internationale concerne l'équipement des véhicules utilitaires qui nécessite une puissance mécanique ou hydraulique et qui prélève cette puissance sur la chaîne cinématique du véhicule.
General Information
- Status
- Published
- Publication Date
- 27-Feb-1985
- Current Stage
- 9093 - International Standard confirmed
- Start Date
- 23-Oct-2023
- Completion Date
- 12-Feb-2026
Overview
ISO 7653:1985 is an international standard published by the International Organization for Standardization (ISO) that specifies the dimensions and designations of couplings between power take-offs (PTO) and ancillary driven units on commercial road vehicles. This standard ensures consistent interfacing between the vehicle’s main drive line and auxiliary devices such as hydraulic pumps, enhancing compatibility, safety, and maintenance efficiency in commercial vehicles.
Key to the standard is its focus on couplings used in power transmission systems-either hydraulic or mechanical-mounted on commercial vehicles. It defines two primary coupling types for such applications: Type A (indirect flange couplings) and Type D (direct couplings). ISO 7653 applies universally to ancillary equipment that draws power from the main vehicle drive line, thus supporting a wide range of commercial vehicle operations.
Key Topics
Coupling Types
- Type A (Indirect Coupling): Designed primarily for flange couplings, featuring optional dimensions to allow direct coupling under specific conditions.
- Type D (Direct Coupling): Direct mechanical connection between the PTO and the driven unit, with precise dimensional requirements for stable power transmission.
Dimensional Specifications
The standard lays out the detailed measurements in millimeters to ensure interchangeability and compatibility of couplings across different manufacturers and vehicle types. It includes specifics on splined shaft diameters, flange dimensions, holes for mounting bolts, and centering tolerances.Flanges and Interchangeability
Flanges connected to Type A splined shafts must comply with related standards like ISO 7646 and ISO 7647, which cover gearbox flanges for commercial vehicles and buses. This reinforces the modular compatibility of components, improving repairability and part sourcing.Designation System
A clear designation format such as "PTO Coupling ISO 7653 - D" is used to identify the coupling type, assisting in specification, ordering, and documentation processes.
Applications
ISO 7653:1985 is essential for manufacturers, designers, and maintenance professionals involved in the production and servicing of commercial vehicles equipped with power take-offs. Typical applications include:
Hydraulic Pump Connections
Enabling power transfer from the vehicle’s drive line to hydraulic pumps for operating lifts, cranes, or other auxiliary equipment.Mechanical Ancillary Units
Facilitating direct mechanical power transmission to components like compressors, winches, or other driven units critical for commercial vehicle operation.Spare Parts and Retrofitting
Simplifying the selection of compatible couplings during maintenance, repair, or retrofitting of PTO-driven systems, ensuring reliability and safety.Vehicle Manufacturing
Providing standard dimensions and interfaces to vehicle manufacturers, aiding in modular design, reducing development time, and ensuring global market compatibility.
Related Standards
To fully implement and comply with ISO 7653, reference is often made to related ISO standards for flanges and shaft interfaces used in commercial vehicles:
ISO 7646: Road Vehicles - Gearbox Flanges for Commercial Vehicles and Buses - Type A
Governs the flange dimensions for gearboxes applied in commercial vehicles.ISO 7647: Road Vehicles - Gearbox Flanges for Commercial Vehicles and Buses - Type S
Specifies alternate flange designs for commercial vehicle gearboxes.
These related standards complement ISO 7653 by defining key interface components that ensure the effective coupling of PTOs to ancillary units.
Keywords: ISO 7653, commercial vehicle couplings, power take-off (PTO), ancillary driven units, hydraulic pump couplings, mechanical power system, commercial vehicle PTO standard, coupling dimensions, vehicle power transmission interfaces, ISO commercial vehicle standards.
ISO 7653:1985 - Road vehicles -- Commercial vehicles -- Couplings between power take-offs (PTO) and ancillary driven units
ISO 7653:1985 - Véhicules routiers -- Véhicules utilitaires -- Liaisons entre prises de puissance et organes récepteurs de puissance
ISO 7653:1985 - Véhicules routiers -- Véhicules utilitaires -- Liaisons entre prises de puissance et organes récepteurs de puissance
Get Certified
Connect with accredited certification bodies for this standard

TÜV Rheinland
TÜV Rheinland is a leading international provider of technical services.

TÜV SÜD
TÜV SÜD is a trusted partner of choice for safety, security and sustainability solutions.
AIAG (Automotive Industry Action Group)
American automotive industry standards and training.
Sponsored listings
Frequently Asked Questions
ISO 7653:1985 is a standard published by the International Organization for Standardization (ISO). Its full title is "Road vehicles — Commercial vehicles — Couplings between power take-offs (PTO) and ancillary driven units". This standard covers: Establishes the dimensions of couplings mounted on commercial vehicles, such as hydraulic pumps, etc. Applies to ancillary equipment of commercial vehicles that require a hydraulic or mechanical power system and that take power of the main drive line of the vehicle. Defines two types of couplings: type A - indirect coupling; type B - direct coupling.
Establishes the dimensions of couplings mounted on commercial vehicles, such as hydraulic pumps, etc. Applies to ancillary equipment of commercial vehicles that require a hydraulic or mechanical power system and that take power of the main drive line of the vehicle. Defines two types of couplings: type A - indirect coupling; type B - direct coupling.
ISO 7653:1985 is classified under the following ICS (International Classification for Standards) categories: 43.040.50 - Transmissions, suspensions. The ICS classification helps identify the subject area and facilitates finding related standards.
ISO 7653:1985 is available in PDF format for immediate download after purchase. The document can be added to your cart and obtained through the secure checkout process. Digital delivery ensures instant access to the complete standard document.
Standards Content (Sample)
International Standard
INTERNATIONAL ORGANIZATION FOR STANDARDIZATlON.MEIKflYHAPOPIHAR OPTAHM3AUMR IlO CTAH~APTl’l3ALWl~ORGANISATlON INTERNATIONALE DE NORMALISATION
Road vehicles - Commercial vehicles - Couplings
between power take-offs (PTO) and ancillary driven units
Whicules routiers - V&hi&es utilitaires - Liaisons entre prises de puissance et organes rkepteurs de puissance
First edition - 1985-03-01
Corrected and reprinted - 1986-04-15
UDC 629.11.013 : 629.114.4 Ref. No. IS0 7653-1985 (E)
Descriptors : road vehicles, commercial road vehicles, power takeoff, couplings, dimensions, designation.
Price based on 3 pages
Foreword
IS0 (the International Organization for Standardization) is a worldwide federation of
national standards bodies (IS0 member bodies). The work of preparing International
Standards is normally carried out through IS0 technical committees. Each member
body interested in a subject for which a technical committee has been established has
the right to be represented on that committee. International organizations, govern-
mental and non-governmental, in liaison with ISO, also take part in the work.
Draft International Standards adopted by the technical committees are circulated to
the member bodies for approval before their acceptance as International Standards by
the IS0 Council. They are approved in accordance with IS0 procedures requiring at
least 75 % approval by the member bodies voting.
International Standard IS0 7653 was prepared by Technical Committee lSO/TC 22,
Road vehicles.
International Organization for Standardization, 1985 0
Printed in Switzerland
IS0 76534985 (E)
INTERNATIONAL STANDARD
Commercial vehicles - Couplings
Road vehicles -
between power take-offs (PTO) and ancillary driven units
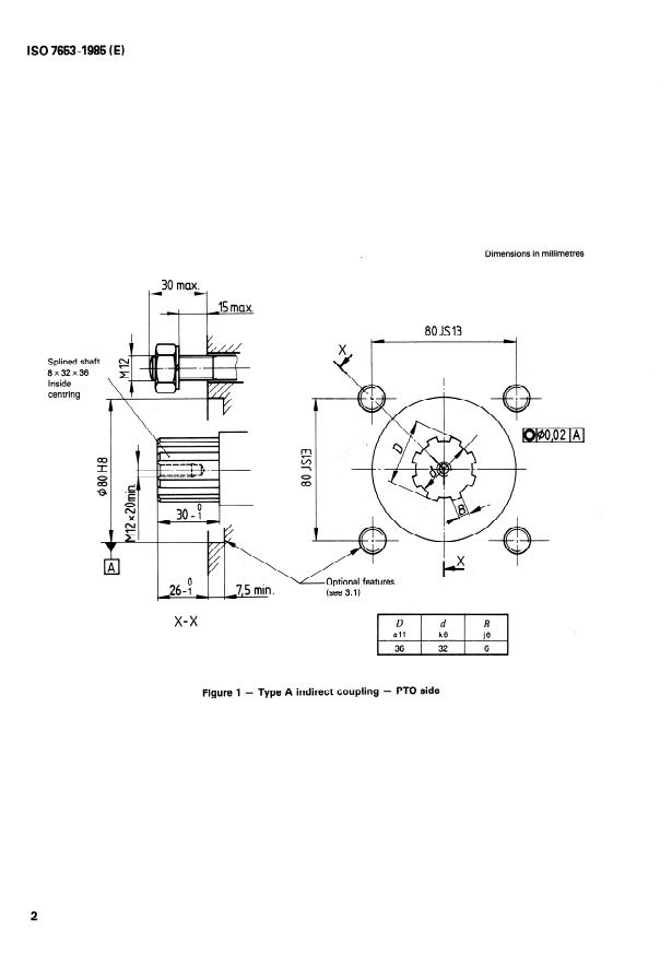
Type A is designed for flange coupling (indirect coupling) but it
1 Scope and field of application
may also be used for direct coupling if optional features as
This International Standard lays down the dimensions of shown in figure 1 are provided.
couplings between power take-offs (PTO) and ancillary driven
units mounted on commercial vehicles, such as hydraulic
pumps, etc.
3.2 Interchangeability
This Interna
...
Norme internationale
I
INTERNATIONAL ORGANIZATION FOR STANDARDIZATION.MEX,QYHAPO~HAR OPf-AHM3ALU’lR IlO CTAH,QAPTM3ALWl.ORGANISATlON INTERNATIONALE DE NORMALISATION
’ Véhicules routiers - Véhicuks utilitaires - Liaisons entre
prises de puissance et organes récepteurs de puissance
- Couplings between power take-offs (PTOI and ancillary driven units
Road vehicles - Commercial vehicles
Première édition - 1985-03-01
Corrigée et réimprimée - 1986-04-l 5
CDU 629.11.013 : 629.114.4 Réf. no : ISO 7653-1985 (F)
Descripteurs : véhicule routier, véhicule routier utilitaire, prise de mouvement, accouplement, dimension, désignation.
Prix bas6 sur 3 pages
Avant-propos
L’ISO (Organisation internationale de normalisation) est une fédération mondiale
d’organismes nationaux de normalisation (comités membres de I’ISO). L’élaboration
des Normes internationales est confiée aux comités techniques de I’ISO. Chaque
comité membre intéressé par une étude a le droit de faire partie du comité technique
créé à cet effet. Les organisations internationales, gouvernementales et non gouverne-
mentales, en liaison avec I’ISO, participent également aux travaux.
Les projets de Normes internationales adoptés par les comités techniques sont soumis
aux comités membres pour approbation, avant leur acceptation comme Normes inter-
nationales par le Conseil de I’ISO. Les Normes internationales sont approuvées confor-
mément aux procédures de I’ISO qui requièrent l’approbation de 75 % au moins
comités membres votants.
La Norme internationale ISO 7653 a été élaborée par le comité technique ISO/TC 22,
V6hicules routiers.
0 1 Organisation internationale de normalisation, 1985
Imprimé en Suisse
NORME INTERNATIONALE ISO 7653-1985 (FI
Véhicules routiers - Véhicules utilitaires - Liaisons entre
prises de puissance et organes récepteurs de puissance
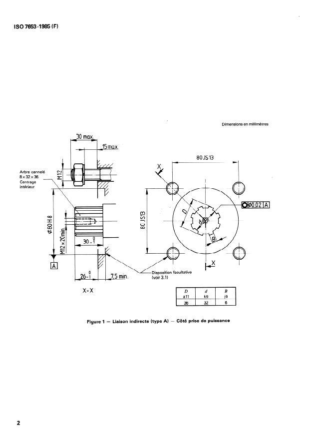
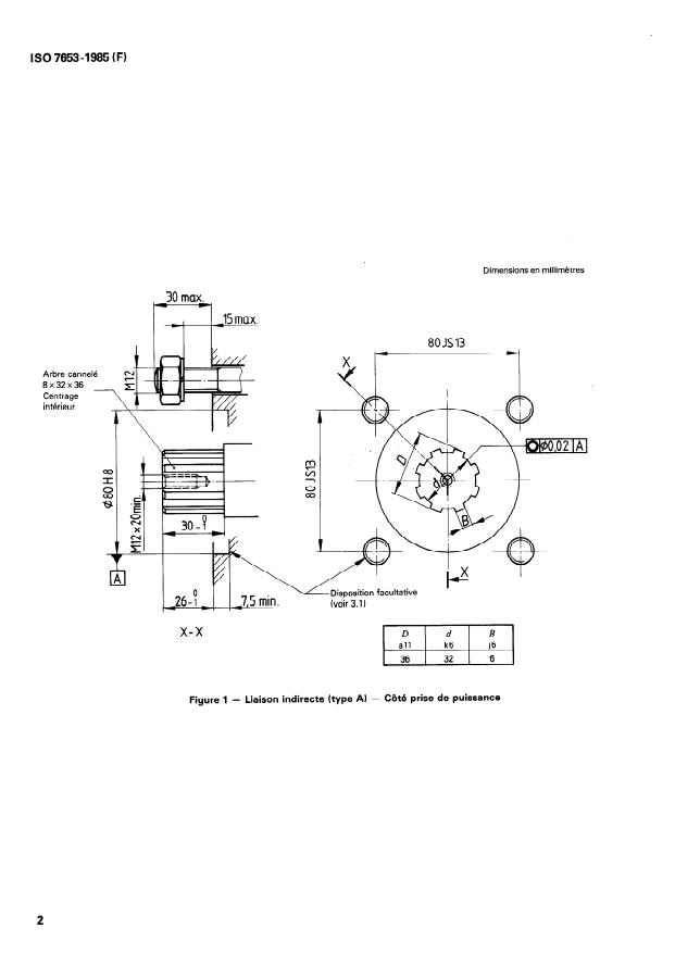
Le type A est concu pour une liaison à plateau (liaison
1 Objet et domaine d’application
indirecte), mais il peut aussi être utilisé pour une liaison directe
La présente Norme internationale fixe les caractéristiques
si des dispositions facultatives sont prévues comme indiqué à la
dimensionnelles des liaisons entre prises de puissance et orga-
figure 1.
nes récepteurs de puissance, tels que pompes hydrauliques,
etc., montés sur véhicules utilitaires.
3.2 Interchangeabilité
La présente Norme internationale concerne l’équipement des
véhicules utilit
...
Norme internationale
I
INTERNATIONAL ORGANIZATION FOR STANDARDIZATION.MEX,QYHAPO~HAR OPf-AHM3ALU’lR IlO CTAH,QAPTM3ALWl.ORGANISATlON INTERNATIONALE DE NORMALISATION
’ Véhicules routiers - Véhicuks utilitaires - Liaisons entre
prises de puissance et organes récepteurs de puissance
- Couplings between power take-offs (PTOI and ancillary driven units
Road vehicles - Commercial vehicles
Première édition - 1985-03-01
Corrigée et réimprimée - 1986-04-l 5
CDU 629.11.013 : 629.114.4 Réf. no : ISO 7653-1985 (F)
Descripteurs : véhicule routier, véhicule routier utilitaire, prise de mouvement, accouplement, dimension, désignation.
Prix bas6 sur 3 pages
Avant-propos
L’ISO (Organisation internationale de normalisation) est une fédération mondiale
d’organismes nationaux de normalisation (comités membres de I’ISO). L’élaboration
des Normes internationales est confiée aux comités techniques de I’ISO. Chaque
comité membre intéressé par une étude a le droit de faire partie du comité technique
créé à cet effet. Les organisations internationales, gouvernementales et non gouverne-
mentales, en liaison avec I’ISO, participent également aux travaux.
Les projets de Normes internationales adoptés par les comités techniques sont soumis
aux comités membres pour approbation, avant leur acceptation comme Normes inter-
nationales par le Conseil de I’ISO. Les Normes internationales sont approuvées confor-
mément aux procédures de I’ISO qui requièrent l’approbation de 75 % au moins
comités membres votants.
La Norme internationale ISO 7653 a été élaborée par le comité technique ISO/TC 22,
V6hicules routiers.
0 1 Organisation internationale de normalisation, 1985
Imprimé en Suisse
NORME INTERNATIONALE ISO 7653-1985 (FI
Véhicules routiers - Véhicules utilitaires - Liaisons entre
prises de puissance et organes récepteurs de puissance
Le type A est concu pour une liaison à plateau (liaison
1 Objet et domaine d’application
indirecte), mais il peut aussi être utilisé pour une liaison directe
La présente Norme internationale fixe les caractéristiques
si des dispositions facultatives sont prévues comme indiqué à la
dimensionnelles des liaisons entre prises de puissance et orga-
figure 1.
nes récepteurs de puissance, tels que pompes hydrauliques,
etc., montés sur véhicules utilitaires.
3.2 Interchangeabilité
La présente Norme internationale concerne l’équipement des
véhicules utilit
...












Questions, Comments and Discussion
Ask us and Technical Secretary will try to provide an answer. You can facilitate discussion about the standard in here.
Loading comments...