ASTM D8378/D8378M-21
(Test Method)Standard Test Method for Potential Expansion of Steel Slag from Hydration Reactions by Autoclave
Standard Test Method for Potential Expansion of Steel Slag from Hydration Reactions by Autoclave
SIGNIFICANCE AND USE
4.1 This test method provides a procedure for determining the compliance of steel slags and other materials with specifications or applications that limit permissible expansion of base and subbase aggregates containing components subject to hydration.
4.2 This test method can also be used to evaluate the effectiveness of aging or other treatments for reducing the expansive potential of such materials.
4.3 This test method is utilized for dense graded materials passing a 25.0 mm (1 in.) sieve. If it is desired to investigate materials larger than a 25.0 mm (1 in.) sieve, Indiana Test Method ITM 219 should be considered.
4.4 Test results have not been correlated with field performance, and values obtained do not necessarily indicate expansion that may occur in service conditions. The various methods will provide different numerical results due to differences in severity of the procedures.
SCOPE
1.1 This test method covers the determination of potential volume expansion of steel slags that contain components susceptible to hydration and consequent volume increase, such as the free calcium and magnesium oxides.
1.1.1 This method is based upon the Cement Autoclave procedure, Test Method C151/C151M, and the California Bearing Ratio procedure, Test Method D1883. This is an aggressive test that can detect both calcium and magnesium expansion potentials. The procedure is also a rapid method typically completed within 24 h.
1.2 The values stated in either SI units or inch-pound units are to be regarded separately as standard. The values stated in each system may not be exact equivalents; therefore, each system shall be used independently of the other. Combining values from the two systems may result in nonconformance with the standard.
Note 1: Sieve size is identified by its standard designation in Specification E11. The alternative designation given in parentheses is for information only and does not represent a different standard sieve size.
1.3 This standard does not purport to address all of the safety concerns, if any, associated with its use. It is the responsibility of the user of this standard to establish appropriate safety, health, and environmental practices and determine the applicability of regulatory limitations prior to use.
1.4 This international standard was developed in accordance with internationally recognized principles on standardization established in the Decision on Principles for the Development of International Standards, Guides and Recommendations issued by the World Trade Organization Technical Barriers to Trade (TBT) Committee.
General Information
- Status
- Published
- Publication Date
- 31-Dec-2020
- Technical Committee
- D04 - Road and Paving Materials
- Drafting Committee
- D04.51 - Aggregate Tests
Relations
- Effective Date
- 01-Dec-2023
- Refers
ASTM C29/C29M-23 - Standard Test Method for Bulk Density (“Unit Weight”) and Voids in Aggregate - Effective Date
- 01-Oct-2023
- Effective Date
- 01-Nov-2019
- Effective Date
- 15-Feb-2019
- Effective Date
- 01-May-2018
- Effective Date
- 01-Apr-2018
- Effective Date
- 15-Mar-2017
- Effective Date
- 01-Jan-2017
- Effective Date
- 15-Dec-2016
- Effective Date
- 01-Feb-2016
- Effective Date
- 01-Jan-2015
- Effective Date
- 01-Dec-2014
- Effective Date
- 15-Dec-2013
- Effective Date
- 01-Oct-2013
- Effective Date
- 01-Jun-2013
Overview
ASTM D8378/D8378M-21 is the Standard Test Method for Potential Expansion of Steel Slag from Hydration Reactions by Autoclave. Developed by ASTM International, this test method determines the potential volume expansion of steel slags containing components-such as free calcium and magnesium oxides-that may hydrate and cause undesirable volume increases. This method is critical in evaluating whether steel slags and similar materials meet specifications for use in base and subbase aggregates, particularly where expansion due to hydration must be controlled.
This standard supports industries such as construction, civil engineering, and aggregate production by providing a rapid (typically completed within 24 hours) and aggressive test procedure based on cement autoclave and California Bearing Ratio methodologies.
Key Topics
- Purpose and Significance
- Assesses aggregate materials for compliance with expansion limitations, ensuring their suitability for base or subbase applications.
- Evaluates the impact of treatments (such as aging) on reducing the expansive potential of steel slags.
- Improves safety, performance, and durability of final infrastructure by reducing risks associated with material expansion.
- Test Scope
- Applies to aggregates passing a 25.0 mm (1 in.) sieve; materials with larger aggregate sizes should use Indiana Test Method ITM 219.
- Measures volume expansion of compacted specimens after exposure to high temperature and pressure in an autoclave.
- Test Method Basis
- Incorporates best practices from Cement Autoclave Expansion (ASTM C151/C151M) and California Bearing Ratio (ASTM D1883).
- Detects both calcium- and magnesium-induced expansion, potentially more severe than water bath tests.
- Result Interpretation
- Results are not directly correlated to field performance; they serve as a comparative measure for acceptance or rejection decisions.
- Different methods may yield differing results due to variation in testing severity.
Applications
- Material Compliance Testing
- Used by material suppliers, civil engineers, and quality control labs to verify that steel slag meets project or regulatory limits for expansion.
- Construction Quality Assurance
- Helps prevent swelling, cracking, or other failures in roadways, pavements, and structural base layers that could arise from material expansion after hydration.
- Treatment Effectiveness Evaluation
- Assesses the success of processes designed to reduce the hydration potential of aggregate materials, such as aging or chemical treatment.
- Aggregate Research
- Provides a standardized method for researchers studying hydration reactions and expansion behavior in slag and other industrial by-products.
Related Standards
- ASTM C151/C151M - Test Method for Autoclave Expansion of Hydraulic Cement
- ASTM D1883 - Test Method for California Bearing Ratio (CBR) of Laboratory-Compacted Soils
- ASTM C29/C29M - Test Method for Bulk Density (“Unit Weight”) and Voids in Aggregate
- ASTM C702/C702M - Practice for Reducing Samples of Aggregate to Testing Size
- ASTM D75/D75M - Practice for Sampling Aggregates
- ASTM D4792/D4792M - Test Method for Potential Expansion of Aggregates from Hydration Reactions
- ASTM E11 - Specification for Woven Wire Test Sieve Cloth and Test Sieves
- Indiana Test Method ITM 219 - Acceptance Procedures of Steel Furnace Slag for Deleterious Materials
Practical Value
By implementing ASTM D8378/D8378M-21, organizations and industry stakeholders can:
- Minimize costly repairs due to expansion-induced failures in infrastructure.
- Ensure regulatory and specification compliance for road base and subbase materials.
- Rapidly screen aggregates for hydration-induced expansion within a 24-hour turnaround.
- Support research and development of more durable, sustainable construction materials.
This standard is essential for ensuring the long-term performance and safety of structures relying on steel slag and similar materials in aggregate applications.
Buy Documents
ASTM D8378/D8378M-21 - Standard Test Method for Potential Expansion of Steel Slag from Hydration Reactions by Autoclave
Get Certified
Connect with accredited certification bodies for this standard

ICC Evaluation Service
Building products evaluation and certification.

QAI Laboratories
Building and construction product testing and certification.

Aboma Certification B.V.
Specialized in construction, metal, and transport sectors.
Sponsored listings
Frequently Asked Questions
ASTM D8378/D8378M-21 is a standard published by ASTM International. Its full title is "Standard Test Method for Potential Expansion of Steel Slag from Hydration Reactions by Autoclave". This standard covers: SIGNIFICANCE AND USE 4.1 This test method provides a procedure for determining the compliance of steel slags and other materials with specifications or applications that limit permissible expansion of base and subbase aggregates containing components subject to hydration. 4.2 This test method can also be used to evaluate the effectiveness of aging or other treatments for reducing the expansive potential of such materials. 4.3 This test method is utilized for dense graded materials passing a 25.0 mm (1 in.) sieve. If it is desired to investigate materials larger than a 25.0 mm (1 in.) sieve, Indiana Test Method ITM 219 should be considered. 4.4 Test results have not been correlated with field performance, and values obtained do not necessarily indicate expansion that may occur in service conditions. The various methods will provide different numerical results due to differences in severity of the procedures. SCOPE 1.1 This test method covers the determination of potential volume expansion of steel slags that contain components susceptible to hydration and consequent volume increase, such as the free calcium and magnesium oxides. 1.1.1 This method is based upon the Cement Autoclave procedure, Test Method C151/C151M, and the California Bearing Ratio procedure, Test Method D1883. This is an aggressive test that can detect both calcium and magnesium expansion potentials. The procedure is also a rapid method typically completed within 24 h. 1.2 The values stated in either SI units or inch-pound units are to be regarded separately as standard. The values stated in each system may not be exact equivalents; therefore, each system shall be used independently of the other. Combining values from the two systems may result in nonconformance with the standard. Note 1: Sieve size is identified by its standard designation in Specification E11. The alternative designation given in parentheses is for information only and does not represent a different standard sieve size. 1.3 This standard does not purport to address all of the safety concerns, if any, associated with its use. It is the responsibility of the user of this standard to establish appropriate safety, health, and environmental practices and determine the applicability of regulatory limitations prior to use. 1.4 This international standard was developed in accordance with internationally recognized principles on standardization established in the Decision on Principles for the Development of International Standards, Guides and Recommendations issued by the World Trade Organization Technical Barriers to Trade (TBT) Committee.
SIGNIFICANCE AND USE 4.1 This test method provides a procedure for determining the compliance of steel slags and other materials with specifications or applications that limit permissible expansion of base and subbase aggregates containing components subject to hydration. 4.2 This test method can also be used to evaluate the effectiveness of aging or other treatments for reducing the expansive potential of such materials. 4.3 This test method is utilized for dense graded materials passing a 25.0 mm (1 in.) sieve. If it is desired to investigate materials larger than a 25.0 mm (1 in.) sieve, Indiana Test Method ITM 219 should be considered. 4.4 Test results have not been correlated with field performance, and values obtained do not necessarily indicate expansion that may occur in service conditions. The various methods will provide different numerical results due to differences in severity of the procedures. SCOPE 1.1 This test method covers the determination of potential volume expansion of steel slags that contain components susceptible to hydration and consequent volume increase, such as the free calcium and magnesium oxides. 1.1.1 This method is based upon the Cement Autoclave procedure, Test Method C151/C151M, and the California Bearing Ratio procedure, Test Method D1883. This is an aggressive test that can detect both calcium and magnesium expansion potentials. The procedure is also a rapid method typically completed within 24 h. 1.2 The values stated in either SI units or inch-pound units are to be regarded separately as standard. The values stated in each system may not be exact equivalents; therefore, each system shall be used independently of the other. Combining values from the two systems may result in nonconformance with the standard. Note 1: Sieve size is identified by its standard designation in Specification E11. The alternative designation given in parentheses is for information only and does not represent a different standard sieve size. 1.3 This standard does not purport to address all of the safety concerns, if any, associated with its use. It is the responsibility of the user of this standard to establish appropriate safety, health, and environmental practices and determine the applicability of regulatory limitations prior to use. 1.4 This international standard was developed in accordance with internationally recognized principles on standardization established in the Decision on Principles for the Development of International Standards, Guides and Recommendations issued by the World Trade Organization Technical Barriers to Trade (TBT) Committee.
ASTM D8378/D8378M-21 is classified under the following ICS (International Classification for Standards) categories: 91.100.01 - Construction materials in general. The ICS classification helps identify the subject area and facilitates finding related standards.
ASTM D8378/D8378M-21 has the following relationships with other standards: It is inter standard links to ASTM C151/C151M-23, ASTM C29/C29M-23, ASTM D75/D75M-19, ASTM D4792/D4792M-13(2019), ASTM C1005-18, ASTM C151/C151M-18, ASTM C1005-17, ASTM C29/C29M-17, ASTM C151/C151M-16, ASTM C29/C29M-16, ASTM C151/C151M-15, ASTM D1883-14, ASTM D75/D75M-13, ASTM E11-13, ASTM D4792/D4792M-13. Understanding these relationships helps ensure you are using the most current and applicable version of the standard.
ASTM D8378/D8378M-21 is available in PDF format for immediate download after purchase. The document can be added to your cart and obtained through the secure checkout process. Digital delivery ensures instant access to the complete standard document.
Standards Content (Sample)
This international standard was developed in accordance with internationally recognized principles on standardization established in the Decision on Principles for the
Development of International Standards, Guides and Recommendations issued by the World Trade Organization Technical Barriers to Trade (TBT) Committee.
Designation: D8378/D8378M − 21
Standard Test Method for
Potential Expansion of Steel Slag from Hydration Reactions
by Autoclave
This standard is issued under the fixed designation D8378/D8378M; the number immediately following the designation indicates the
year of original adoption or, in the case of revision, the year of last revision. A number in parentheses indicates the year of last
reapproval. A superscript epsilon (´) indicates an editorial change since the last revision or reapproval.
1. Scope 2. Referenced Documents
2.1 ASTM Standards:
1.1 This test method covers the determination of potential
volume expansion of steel slags that contain components C29/C29M Test Method for Bulk Density (“Unit Weight”)
and Voids in Aggregate
susceptible to hydration and consequent volume increase, such
as the free calcium and magnesium oxides. C151/C151M Test Method for Autoclave Expansion of Hy-
draulic Cement
1.1.1 This method is based upon the Cement Autoclave
procedure, Test Method C151/C151M, and the California C702/C702M Practice for Reducing Samples of Aggregate
to Testing Size
Bearing Ratio procedure, Test Method D1883. This is an
aggressive test that can detect both calcium and magnesium C1005 Specification for Reference Masses and Devices for
DeterminingMassandVolumeforUseinPhysicalTesting
expansion potentials. The procedure is also a rapid method
typically completed within 24 h. of Hydraulic Cements
D75/D75M Practice for Sampling Aggregates
1.2 The values stated in either SI units or inch-pound units
D1883 Test Method for California Bearing Ratio (CBR) of
are to be regarded separately as standard. The values stated in
Laboratory-Compacted Soils
each system may not be exact equivalents; therefore, each
D4792/D4792M Test Method for Potential Expansion of
system shall be used independently of the other. Combining
Aggregates from Hydration Reactions
values from the two systems may result in nonconformance
E11 Specification for Woven Wire Test Sieve Cloth and Test
with the standard.
Sieves
NOTE 1—Sieve size is identified by its standard designation in Speci-
2.2 Other Standard:
fication E11. The alternative designation given in parentheses is for
Indiana Test Method ITM 219 Acceptance Procedures of
information only and does not represent a different standard sieve size.
Steel Furnace Slag for Deleterious Materials
1.3 This standard does not purport to address all of the
safety concerns, if any, associated with its use. It is the 3. Summary of Test Method
responsibility of the user of this standard to establish appro-
3.1 This test method consists of measuring the volume
priate safety, health, and environmental practices and deter-
expansion of compacted specimens following the autoclave
mine the applicability of regulatory limitations prior to use.
procedures of Test Method C151/C151M. The method utilizes
1.4 This international standard was developed in accor-
a mold similar to the one used in Test Method D1883, with the
dance with internationally recognized principles on standard-
exceptionofitbeingproportionallysmallerinordertofitinthe
ization established in the Decision on Principles for the
autoclave. This method is severe due to the high temperatures
Development of International Standards, Guides and Recom-
and pressure. This method detects periclase (MgO) hydration
mendations issued by the World Trade Organization Technical
reactions that may not appear during some water bath
Barriers to Trade (TBT) Committee.
procedures, such as Test Method D4792/D4792M. As a result,
For referenced ASTM standards, visit the ASTM website, www.astm.org, or
This test method is under the jurisdiction of ASTM Committee D04 on Road contact ASTM Customer Service at service@astm.org. For Annual Book of ASTM
and Paving Materials and is the direct responsibility of Subcommittee D04.51 on Standards volume information, refer to the standard’s Document Summary page on
Aggregate Tests. the ASTM website.
Current edition approved Jan. 1, 2021. Published January 2021. DOI: 10.1520/ Available from Indiana Department of Transportation, https://www.in.gov/
D8378_D8378M-21. indot/div/mt/itm/pubs/219_testing.pdf.
Copyright © ASTM International, 100 Barr Harbor Drive, PO Box C700, West Conshohocken, PA 19428-2959. United States
D8378/D8378M − 21
the numerical results obtained by this method tend to be higher [295 psi] to less than 0.07 MPa [10 psi] in 1.5 h after the heat
than those obtained by other methods. When used for supply has been shut off.
acceptance/rejection, this method should be correlated to the
5.5 Rupture Disk—The rupture disk shall be made of a
specified test methods.
material having a tensile strength that is relatively insensitive
to temperatures in the range 20 to 216 °C [68 to 420 °F] and
4. Significance and Use
that is electrochemically compatible with the pipe leading to it
4.1 This test method provides a procedure for determining and to its holder.
the compliance of steel slags and other materials with specifi-
6. Safety Precautions
cations or applications that limit permissible expansion of base
and subbase aggregates containing components subject to
6.1 The pressure gauge shall have a capacity of 4.0 MPa
hydration.
[600 psi]. A gauge with too small or too large a capacity may
be a hazard, since for pressure above the specified maximum
4.2 This test method can also be used to evaluate the
working pressure, with a smaller capacity gauge, the pressure
effectiveness of aging or other treatments for reducing the
may be off scale; and with a larger capacity gauge, the arc of
expansive potential of such materials.
movement may be too small to invite attention. The operator
4.3 This test method is utilized for dense graded materials
shall be sure the gauge hand has not passed the maximum
passing a 25.0 mm (1 in.) sieve. If it is desired to investigate
graduation on the scale.
materials larger than a 25.0 mm (1 in.) sieve, Indiana Test
6.2 Testthepressuregaugeforproperoperation.Alwaysuse
Method ITM 219 should be considered.
a thermometer together with the pressure gauge, to provide a
4.4 Test results have not been correlated with field
means of detecting any failure of the pressure gauge to operate
performance, and values obtained do not necessarily indicate
properly and to indicate any unusual condition.
expansion that may occur in service conditions. The various
6.3 Maintain the automatic control in proper working order
methods will provide different numerical results due to differ-
at all times.
ences in severity of the procedures.
6.4 Set the safety valve to relieve the pressure at about 6 to
5. Apparatus
10 % above the maximum of 2.1 MPa [305 psi] specified in
this test method, that is, at about 2.3 MPa [330 psi]. Unless the
5.1 Weighing Devices and Weights, for determining the
manufacturer has given specific instructions as to maintenance
mass of materials conforming to the requirements of Specifi-
of the safety valve, test the valve twice each year. Test with a
cation C1005.
gauge testing device or by adjusting the automatic controls to
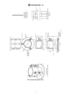
5.2 Molds, conforming to Fig. 1.
allow the autoclave to reach a pressure of about 2.3 MPa
5.3 Flat Trowel, having a straight-edged steel blade 100 to
[330 psi], at which pressure the safety valve will either open or
150 mm [4 to 6 in.] in length.
be adjusted to open. Direct the safety valve discharge away
from the operator (Note 2).
5.4 Autoclave—Conforming to the requirements of Test
Method C151/C151M. Consisting of a high-pressure steam
NOTE 2—Unexpected combinations of conditions may occur. For
vessel provided with a thermometer well. The autoclave shall example, in one case the automatic control had failed, the safety valve had
become stuck, and the gauge hand, which at first glance appeared to be at
be equipped with
...




Questions, Comments and Discussion
Ask us and Technical Secretary will try to provide an answer. You can facilitate discussion about the standard in here.
Loading comments...