ISO 5612:1990
(Main)Mining - Scraper bars for chain conveyors
Mining - Scraper bars for chain conveyors
This second edition cancels and replaces the first edition (1984). Specifies the requirements for a range of scraper bars for use in twin outboard chain assemblies made from chains complying with ISO 610 and associated shackle type connectors complying with ISO 1082. The figures illustrate shapes and reference quantities of concern. Tabulates the dimensions and strength rating of scraper bars.
Exploitation minière — Raclettes pour convoyeurs à chaînes
Rudarstvo - Prečke verig za verižne transporterje
General Information
- Status
- Published
- Publication Date
- 11-Jul-1990
- Technical Committee
- ISO/TC 82 - Mining
- Drafting Committee
- ISO/TC 82 - Mining
- Current Stage
- 9020 - International Standard under periodical review
- Start Date
- 15-Oct-2025
- Completion Date
- 15-Oct-2025
Relations
- Consolidated By
ISO 4674-1:2003 - Rubber- or plastics-coated fabrics - Determination of tear resistance - Part 1: Constant rate of tear methods - Effective Date
- 06-Jun-2022
- Effective Date
- 15-Apr-2008
Overview
ISO 5612:1990 is an international standard developed by the International Organization for Standardization (ISO) specifically addressing scraper bars used in chain conveyors within the mining industry. This second edition supersedes the original 1984 publication, providing revised specifications for scraper bars designed to be compatible with twin outboard chain assemblies. The chains comply with ISO 610, and the scraper bars interface with shackle-type connectors defined in ISO 1082.
The standard details mechanical and dimensional requirements, testing procedures, and classification criteria for scraper bars. It aims to ensure interchangeability, performance, and safety in mining conveyor operations.
Key Topics
Scope and Compatibility
ISO 5612 outlines the requirements for scraper bars used on twin outboard chain conveyors with nominal chain diameters of 14, 18, 22, 24, and 26 mm. The scraper bars must be dimensionally compatible with chains per ISO 610 and shackle connectors per ISO 1082.Design Dimensions
The standard specifies detailed dimensional tables and illustrations for two common scraper bar shapes: T-shaped and I-shaped. Key measurements include length, height, thickness, hole diameters, and lateral clearances, all tailored for consistent fit with chain assemblies.Mechanical Strength and Classification
Scraper bars are classified into three resistance classes based on their load-bearing capacity in bending tests:- Light duty
- Medium duty
- Heavy duty
These classes correspond to minimum bending forces applied to achieve a specified deflection without visible fracture, ensuring selection of appropriate scraper bars for varying operational demands.
Materials and Heat Treatment
While the standard does not prescribe specific materials, it mandates that manufacturers select steels and apply heat treatments that achieve the necessary mechanical properties aligned with test requirements.Testing and Quality Control
ISO 5612 prescribes rigorous sampling, dimensional verification, and bend testing protocols using machines conforming to ISO 7500-1 standards. Acceptance of production lots depends on all samples passing these structural and dimensional tests. Marking and certification procedures are also detailed to maintain traceability and buyer confidence.
Applications
ISO 5612 scraper bars are critical components in mining chain conveyors, utilized to scrape material along a conveyor path for efficient bulk material transport. These scraper bars:
- Are used in heavy-duty mining environments requiring robust and wear-resistant conveyor parts.
- Ensure compatibility and interchangeability within conveyor assembly lines designed to ISO chain and connector standards.
- Support operational reliability by minimizing downtime due to component failure.
- Allow operators and engineers to select scraper bars with proper strength ratings tailored to load conditions.
Implementation of ISO 5612 standards enhances conveyor system safety, durability, and efficiency in mining operations and other industrial bulk material handling sectors.
Related Standards
- ISO 610:1990 – Steel chains with high tensile strength for chain conveyors and scraper assemblies. Provides chain design and performance criteria critical for ensuring compatibility with scraper bars.
- ISO 1082:1990 – Mining - Shackle type connectors for chain conveyors. Defines connector dimensions and materials that interface directly with scraper bars.
- ISO 7500-1:1986 – Metallic materials - Verification of static uniaxial testing machines. Specifies precision levels for testing equipment used in scraper bar bending tests, ensuring consistent and reliable mechanical evaluations.
Implementing ISO 5612 together with these related standards ensures a harmonized and reliable chain conveyor assembly that meets international mining industry requirements.
Keywords: ISO 5612, scraper bars, chain conveyors, mining equipment standards, conveyor chain compatibility, mechanical testing, scraper bar dimensions, mining conveyor components, scraper bar strength classification, ISO mining standards.
ISO 5612:1990 - Mining -- Scraper bars for chain conveyors
ISO 5612:1990 - Exploitation miniere -- Raclettes pour convoyeurs a chaînes
ISO 5612:1990 - Exploitation miniere -- Raclettes pour convoyeurs a chaînes
Frequently Asked Questions
ISO 5612:1990 is a standard published by the International Organization for Standardization (ISO). Its full title is "Mining - Scraper bars for chain conveyors". This standard covers: This second edition cancels and replaces the first edition (1984). Specifies the requirements for a range of scraper bars for use in twin outboard chain assemblies made from chains complying with ISO 610 and associated shackle type connectors complying with ISO 1082. The figures illustrate shapes and reference quantities of concern. Tabulates the dimensions and strength rating of scraper bars.
This second edition cancels and replaces the first edition (1984). Specifies the requirements for a range of scraper bars for use in twin outboard chain assemblies made from chains complying with ISO 610 and associated shackle type connectors complying with ISO 1082. The figures illustrate shapes and reference quantities of concern. Tabulates the dimensions and strength rating of scraper bars.
ISO 5612:1990 is classified under the following ICS (International Classification for Standards) categories: 53.040.20 - Components for conveyors; 73.100.40 - Haulage and hoisting equipment. The ICS classification helps identify the subject area and facilitates finding related standards.
ISO 5612:1990 has the following relationships with other standards: It is inter standard links to ISO 4674-1:2003, ISO 5612:1984. Understanding these relationships helps ensure you are using the most current and applicable version of the standard.
You can purchase ISO 5612:1990 directly from iTeh Standards. The document is available in PDF format and is delivered instantly after payment. Add the standard to your cart and complete the secure checkout process. iTeh Standards is an authorized distributor of ISO standards.
Standards Content (Sample)
SLOVENSKI STANDARD
01-november-1995
5XGDUVWYR3UHþNHYHULJ]DYHULåQHWUDQVSRUWHUMH
Mining -- Scraper bars for chain conveyors
Exploitation minière -- Raclettes pour convoyeurs à chaînes
Ta slovenski standard je istoveten z: ISO 5612:1990
ICS:
53.040.20 Deli za transporterje Components for conveyors
73.100.40 Oprema za vleko in dviganje Haulage and hoisting
equipment
2003-01.Slovenski inštitut za standardizacijo. Razmnoževanje celote ali delov tega standarda ni dovoljeno.
ISO 5612 : 1990 (El
Foreword
ISO (the International Organization for Standardization) is a worldwide federation of
national Standards bodies (ISO member bedies). The work of preparing International
Standards is normally carried out through ISO technical committees. Esch member
body interested in a subject for which a technical committee has been established has
the right to be represented on that committee. International organizations, govern-
mental and non-governmental, in liaison with ISO, also take part in the work. ISO
collaborates closely with the International Electrotechnical Commission (IEC) on all
matters of electrotechnical standardization.
Draft International Standards adopted by the technical committees are circulated to
the member bodies for voting. Publication as an International Standard requires
approval by at least 75 % of the member bodies casting a vote.
International Standard ISO 5612 was prepared by Technical Committee ISO/TC 82,
Mining .
This second edition cancels and replaces the first edition (ISO 5612 : 19841, of which it
constitutes a minor revision. All references to ISO/R 147 have been replaced by a
reference to ISO 7500-1.
0 ISO 1990
All rights reserved. No patt of this publication may be reproduced or utilized in any form or by any
means, electronie or mechanical, including photocopying and microfilm, without Permission in
writing from the publisher.
International Organization for Standardization
ISO 5612 : 1990 (EI
INTERNATIONAL STANDARD
Minining - Scraper bars for chain conveyors
3 Definitions
1 Scope
For the purposes of this International Standard, the following
This International Standard specifies the requirements for a
range of scraper bars for use in twin outboard chain assemblies definitions apply.
made from chains complying with ISO 610 and associated
shackle type connectors complying with ISO 1082. The range
3.1 twin outboard chain assembly: Pairs of chains to
of scraper bars specified is intended for use with chains of
which scraper bars are coupled by means of shackle type con-
diameter 14, 18, 22, 24 and 26 mm in a selected range of chain
nectors.
centres and clamped tight within the shackle type connectors.
3.2 nominal chain centres: The distance between the
This International Standard is not intended to indicate a com-
centres of the chains in the assembly.
plete design, but gives sufficient detail to ensure dimensional
compatibility with the associated chains and connectors.
Dimensions of section ends of the scraper bars necessary for
3.3 forte-deflection test: A test to determine the ability of
compatibility between scraper bars and connectors are a scraper bar to sustain a minimum deflection and the strength
specified. The centre sections of the scraper bars may be of any
rating.
design and shape, within the range of dimensions given in
table 1 for the appropriate chain centres. Other dimensions
34 q minimum deflection: The deflection that a scraper bar
may be subject to national Standards or agreement between the
is required to sustain without fracture.
purchaser and the manufacturer.
3.5 strength rating : The forte required to produce a central
As a guide to the selection of scraper bars for specific applica-
deflection in the scraper bar, equal to 10 % of the nominal
tions, scraper bars are rated by determining the forte at which
chain centres of the assembly.
a specified minimum deflection is attained, when the bar is sub-
jected to a three-Point bend test. The bars tan be classified as
“lig ht”, “medium” or “heavy”, according to their strength
. inspector : The representative of the purchaser.
ratings.
4 Material
2 - Normative references
lt shall be the responsibility of the manufacturer to select the
steel so that the finished scraper bars, suitably heat-treated,
The following Standards contain provisions which, through
where appropriate, meet the specified mechanical proper-Ges.
reference in this text, constitute provisions of this International
Standard. At the time of publication, the editions indicated
were valid. All Standards are subject to revision, and Parties to
agreements based on this International Standard are encouraged
5 Heat treatment
to investigate the possibility of applying the most recent
editions of the Standards indicated below. Members of IEC and
Any heat treatment shall be the responsibility of the manufac-
ISO maintain registers of currently valid International
turer.
Standards.
ISO 610 : 1990, High-tensile steel chains freund IinkJ for chain
conve yors and coal ploughs.
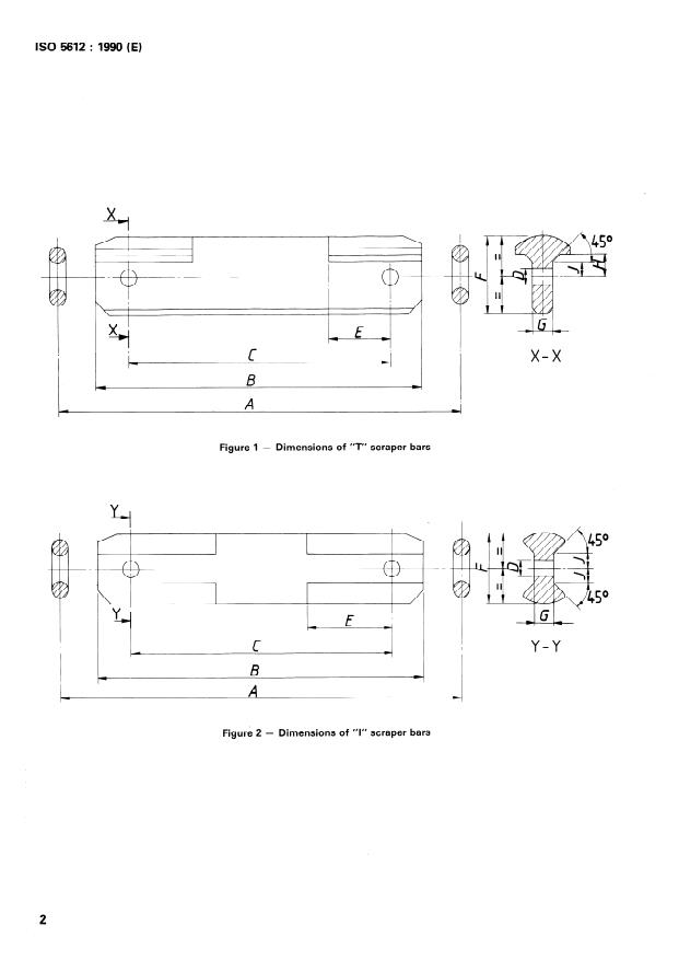
6 Dimensions
Shackle type connector units for
ISO 1082 : 1990, Mining - Scraper bars shall comply with the dimensions specified in
chain conve yors.
table 1 and illustrated in figures 1 and 2. The centre sections of
the scraper bars
...
ISO 5612 : 1990 (El
Foreword
ISO (the International Organization for Standardization) is a worldwide federation of
national Standards bodies (ISO member bedies). The work of preparing International
Standards is normally carried out through ISO technical committees. Esch member
body interested in a subject for which a technical committee has been established has
the right to be represented on that committee. International organizations, govern-
mental and non-governmental, in liaison with ISO, also take part in the work. ISO
collaborates closely with the International Electrotechnical Commission (IEC) on all
matters of electrotechnical standardization.
Draft International Standards adopted by the technical committees are circulated to
the member bodies for voting. Publication as an International Standard requires
approval by at least 75 % of the member bodies casting a vote.
International Standard ISO 5612 was prepared by Technical Committee ISO/TC 82,
Mining .
This second edition cancels and replaces the first edition (ISO 5612 : 19841, of which it
constitutes a minor revision. All references to ISO/R 147 have been replaced by a
reference to ISO 7500-1.
0 ISO 1990
All rights reserved. No patt of this publication may be reproduced or utilized in any form or by any
means, electronie or mechanical, including photocopying and microfilm, without Permission in
writing from the publisher.
International Organization for Standardization
ISO 5612 : 1990 (EI
INTERNATIONAL STANDARD
Minining - Scraper bars for chain conveyors
3 Definitions
1 Scope
For the purposes of this International Standard, the following
This International Standard specifies the requirements for a
range of scraper bars for use in twin outboard chain assemblies definitions apply.
made from chains complying with ISO 610 and associated
shackle type connectors complying with ISO 1082. The range
3.1 twin outboard chain assembly: Pairs of chains to
of scraper bars specified is intended for use with chains of
which scraper bars are coupled by means of shackle type con-
diameter 14, 18, 22, 24 and 26 mm in a selected range of chain
nectors.
centres and clamped tight within the shackle type connectors.
3.2 nominal chain centres: The distance between the
This International Standard is not intended to indicate a com-
centres of the chains in the assembly.
plete design, but gives sufficient detail to ensure dimensional
compatibility with the associated chains and connectors.
Dimensions of section ends of the scraper bars necessary for
3.3 forte-deflection test: A test to determine the ability of
compatibility between scraper bars and connectors are a scraper bar to sustain a minimum deflection and the strength
specified. The centre sections of the scraper bars may be of any
rating.
design and shape, within the range of dimensions given in
table 1 for the appropriate chain centres. Other dimensions
34 q minimum deflection: The deflection that a scraper bar
may be subject to national Standards or agreement between the
is required to sustain without fracture.
purchaser and the manufacturer.
3.5 strength rating : The forte required to produce a central
As a guide to the selection of scraper bars for specific applica-
deflection in the scraper bar, equal to 10 % of the nominal
tions, scraper bars are rated by determining the forte at which
chain centres of the assembly.
a specified minimum deflection is attained, when the bar is sub-
jected to a three-Point bend test. The bars tan be classified as
“lig ht”, “medium” or “heavy”, according to their strength
. inspector : The representative of the purchaser.
ratings.
4 Material
2 - Normative references
lt shall be the responsibility of the manufacturer to select the
steel so that the finished scraper bars, suitably heat-treated,
The following Standards contain provisions which, through
where appropriate, meet the specified mechanical proper-Ges.
reference in this text, constitute provisions of this International
Standard. At the time of publication, the editions indicated
were valid. All Standards are subject to revision, and Parties to
agreements based on this International Standard are encouraged
5 Heat treatment
to investigate the possibility of applying the most recent
editions of the Standards indicated below. Members of IEC and
Any heat treatment shall be the responsibility of the manufac-
ISO maintain registers of currently valid International
turer.
Standards.
ISO 610 : 1990, High-tensile steel chains freund IinkJ for chain
conve yors and coal ploughs.
6 Dimensions
Shackle type connector units for
ISO 1082 : 1990, Mining - Scraper bars shall comply with the dimensions specified in
chain conve yors.
table 1 and illustrated in figures 1 and 2. The centre sections of
the scraper bars may be of any design and shape, within the
ISO 7!500- 1 : 1986, Metallic ma terials - Verrica tion of s ta tic range of dimensions given in table 1 for the appropriate chain
centres.
uniaxial testing machines - Part 1: Tensile testing machines.
ISO 5612 : 1990 (E)
Figure 1 - Dimensions of ‘7” scraper bars
q
-- - -- - -
Y,
I
C
Y-Y
- c
B
L
A
Figure 2 - Dimensions of “1” scraper bars
Table 1 - Dimensions of scraper bars
Dimensions in millimetres
Nominal Overall Location
Height Web thickness
Hole Hole Vertical
Nominal size Lateral clearance
’ chain length of chamfer
diameter of bar clearance
and pitch of chain centres
centres of bar
“T” bar “1” bar “T” bar ” 1” bar “T” bar “1” bar
E F G H
A B C D J
max. min. max. min. max. ’ min. min. min. max. max. min. max. max. min. min. max.
350 302 298 248,5 247,5
14 x 50 400 352 348
298,5 297,5 17,5 17,0 19 54 52 17,5 16,0 12,5 16,5 16'0 12 9
500 452 448 398,5 397,5
400 342 338 290,5 289,5
500 442 438 390,5 389,
...
NORME ISO
INTERNATIONALE 5612
Deuxième édition
1990-08-01
Exploitation minière - Raclettes pour
convoyeurs à chaînes
Mining - Scraper bars for chain conveyors
Numéro de référence
ISO 5612 : 1990 (FI
IsO 5612 : 1990 (FI
Avant-propos
LIS0 (Organisation internationale de normalisation) est une fédération mondiale
d’organismes nationaux de normalisation (comités membres de I’ISO). L’élaboration
des Normes internationales est en général confiée aux comités techniques de I’ISO.
Chaque comité membre intéressé par une étude a le droit de faire partie du comité
technique créé à cet effet. Les organisations internationales, gouvernementales et non
gouvernementales, en liaison avec I’ISO participent également aux travaux. L’ISO col-
labore étroitement avec la Commission électrotechnique internationale (CEI) en ce qui
concerne la normalisation électrotechnique.
Les projets de Normes internationales adoptés par les comités techniques sont soumis
aux comités membres pour vote. Leur publication comme Normes internationales
requiert l’approbation de 75 % au moins des comités membres votants.
La Norme internationale ISO 5612 a été élaborée par le comité technique ISO/TC 82,
Exploitation minière.
Cette deuxiéme édition annule et remplace la première édition (ISO 5612 : 19841, dont
elle constitue une révision mineure. Toutes les références à I’ISO/R 147 ont été rempla-
cées par une référence à I’ISO 7500-l.
0 ISO 1990
Droits de reproduction réservés. Aucune partie de cette publication ne peut être reproduite ni
utilisée sous quelque forme que ce soit et par aucun procédé, électronique ou mécanique,
y compris la photocopie et les microfilms, sans l’accord écrit de l’éditeur.
Organisation internationale de normalisation
Case postale 56 l CH-121 1 Genéve 20 l Suisse
Imprimé en Suisse
ISO 5612 : 1990 IF)
NORME INTERNATIONALE
Raclettes pour convoyeurs
Exploitation minière -
à chaînes
I SO 75OO- 1 : 1986, Ma tkiaux métalliques - Vérification des
1 Domaine d’application
machines pour essais statiques uniaxiaux - Partie 1: Machines
La présente Norme internationale prescrit les caractéristiques d’essai de traction.
d’une gamme de raclettes utilisables sur les équipages mobiles
à double chaîne extérieure, conformes à I’ISO 610 pour les
3 Définitions
chaînes et à I’ISO 1082 pour les étriers de raccordement. Les
raclettes de la gamme spécifiée sont prévues pour des chaînes
Pour les besoins de la présente Norme internationale, les défini-
de diamètres nominaux 14, 18, 22, 24 et 26 mm, de différents
tions suivantes s’appliquent.
entre-axes, et montées avec serrage dans les étriers de raccor-
dement.
3.1 équipage mobile à double chaîne extérieure: Ensem-
La présente Norme internationale ne vise pas à fixer l’ensemble ble constitué de deux chaînes auxquelles les raclettes sont
de la conception mais à donner suffisamment de détails pour fixées par l’intermédiaire d’étriers de raccordement.
assurer la compatibilité dimensionnelle avec les chaînes et
étriers correspondants. Elle fixe les dimensions des sections
3.2 entre-axes nominal des chaînes : Distance séparant les
d’extrémité de ces raclettes, dimensions nécessaires à la com-
axes respectifs de deux chaînes assemblées.
patibilité des raclettes et des étriers. Les parties centrales des
raclettes peuvent avoir n’importe quelle forme et n’importe
3.3 essai de flexion: Essai visant à déterminer la capacité
quelles dimensions, dans les limites données dans le tableau 1
d’une raclette asupporter une flèche minimale et sa classe de
en fonction des entre-axes de chaînes. D’autres dimensions
résistance.
peuvent faire l’objet de normes nationales ou d’un accord entre
l’acheteur et le fabricant.
3.4 flèche minimale: Fléchissement que doit supporter une
raclette sans se rompre.
Pour permettre de choisir le type de raclette adapté à une utili-
sation particuliére, les raclettes sont classées en fonction de la
3.5 classe de résistance: Effort nécessaire pour infléchir
charge nécessaire pour obtenir une flèche minimale spécifiée en
une raclette, dans sa partie centrale, d’une fléche correspon-
essai de pliage trois points. Selon leur résistance mécanique,
dant à 10 % de l’entre-axes nominal de l’équipage mobile.
les raclettes sont classées dans les séries «légère», «moyenne))
ou «forte)).
3.6 contrôleur: Représentant de l’acheteur.
4 Matériau
2 Références normatives
II incombe au fabricant de choisir un acier donnant des raclettes
Les normes suivantes contiennent des dispositions qui, par
finies qui, après traitement thermique adéquat éventuel, répon-
suite de la référence qui en est faite, constituent des disposi-
dent aux exigences mécaniques spécifiées.
tions valables pour la présente Norme internationale. Au
moment de la publication, les éditions indiquées étaient en
vigueur. Toute norme est sujette à révision et les parties pre-
5 Traitement thermique
nantes des accords fondés sur la présente Norme internationale
sont invitées à rechercher la possibilité d’appliquer les éditions
Le traitement thermique éventuel doit être de la responsabilité
les plus récentes des normes indiquées ci-après. Les membres
du fabricant.
de la CEI et de I’ISO possèdent le registre des Normes interna-
tionales en vigueur à un moment donné.
6 Dimensions
ISO 610 : 1990, Chaînes en acier à haute résistance à la traction
fa maillons rondsl pour convoyeurs à chaînes et rabots à char-
Les raclettes doivent avoir des dimensions conformes aux spé-
bon.
cifications du tableau 1 et des figures 1 et 2. Leur partie centrale
peut avoir n’importe quelle forme et n’importe quelles dimen-
ISO 1082 : 1990, Exploitation minière - Étriers de raccorde- sions, dans les limites données dans le tableau 1 en fonction
ment pour convoyeurs à chaînes. des entre-axes de chaînes.
ISO 5612 : 1990 (FI
Figure 1 -
Dimensions des raclettes en T
--
i__p--L--
.---pppJ
Y-Y
B
_ ~~__--~ ---.-.- -
L
------A
A
iL.- - ’ --
-2-/
Figure 2 -
Dimensions des raclettes en I
Tableau 1 - Dimensions des raclettes
Dimensions en millimètres
Entre-axes Longueur Hauteur
Emplacement
Diam&re nominal Entre-axes Diamètre
Jeu latéral Épaisseur d’âme Jeu
nominal hors tout de des trous
de la du chanfrein
et pas de la chaîne
de trou
vertical
des chaînes la raclette raclette
Raclette en T Raclette en I
Raclette en T Racle
...
NORME ISO
INTERNATIONALE 5612
Deuxième édition
1990-08-01
Exploitation minière - Raclettes pour
convoyeurs à chaînes
Mining - Scraper bars for chain conveyors
Numéro de référence
ISO 5612 : 1990 (FI
IsO 5612 : 1990 (FI
Avant-propos
LIS0 (Organisation internationale de normalisation) est une fédération mondiale
d’organismes nationaux de normalisation (comités membres de I’ISO). L’élaboration
des Normes internationales est en général confiée aux comités techniques de I’ISO.
Chaque comité membre intéressé par une étude a le droit de faire partie du comité
technique créé à cet effet. Les organisations internationales, gouvernementales et non
gouvernementales, en liaison avec I’ISO participent également aux travaux. L’ISO col-
labore étroitement avec la Commission électrotechnique internationale (CEI) en ce qui
concerne la normalisation électrotechnique.
Les projets de Normes internationales adoptés par les comités techniques sont soumis
aux comités membres pour vote. Leur publication comme Normes internationales
requiert l’approbation de 75 % au moins des comités membres votants.
La Norme internationale ISO 5612 a été élaborée par le comité technique ISO/TC 82,
Exploitation minière.
Cette deuxiéme édition annule et remplace la première édition (ISO 5612 : 19841, dont
elle constitue une révision mineure. Toutes les références à I’ISO/R 147 ont été rempla-
cées par une référence à I’ISO 7500-l.
0 ISO 1990
Droits de reproduction réservés. Aucune partie de cette publication ne peut être reproduite ni
utilisée sous quelque forme que ce soit et par aucun procédé, électronique ou mécanique,
y compris la photocopie et les microfilms, sans l’accord écrit de l’éditeur.
Organisation internationale de normalisation
Case postale 56 l CH-121 1 Genéve 20 l Suisse
Imprimé en Suisse
ISO 5612 : 1990 IF)
NORME INTERNATIONALE
Raclettes pour convoyeurs
Exploitation minière -
à chaînes
I SO 75OO- 1 : 1986, Ma tkiaux métalliques - Vérification des
1 Domaine d’application
machines pour essais statiques uniaxiaux - Partie 1: Machines
La présente Norme internationale prescrit les caractéristiques d’essai de traction.
d’une gamme de raclettes utilisables sur les équipages mobiles
à double chaîne extérieure, conformes à I’ISO 610 pour les
3 Définitions
chaînes et à I’ISO 1082 pour les étriers de raccordement. Les
raclettes de la gamme spécifiée sont prévues pour des chaînes
Pour les besoins de la présente Norme internationale, les défini-
de diamètres nominaux 14, 18, 22, 24 et 26 mm, de différents
tions suivantes s’appliquent.
entre-axes, et montées avec serrage dans les étriers de raccor-
dement.
3.1 équipage mobile à double chaîne extérieure: Ensem-
La présente Norme internationale ne vise pas à fixer l’ensemble ble constitué de deux chaînes auxquelles les raclettes sont
de la conception mais à donner suffisamment de détails pour fixées par l’intermédiaire d’étriers de raccordement.
assurer la compatibilité dimensionnelle avec les chaînes et
étriers correspondants. Elle fixe les dimensions des sections
3.2 entre-axes nominal des chaînes : Distance séparant les
d’extrémité de ces raclettes, dimensions nécessaires à la com-
axes respectifs de deux chaînes assemblées.
patibilité des raclettes et des étriers. Les parties centrales des
raclettes peuvent avoir n’importe quelle forme et n’importe
3.3 essai de flexion: Essai visant à déterminer la capacité
quelles dimensions, dans les limites données dans le tableau 1
d’une raclette asupporter une flèche minimale et sa classe de
en fonction des entre-axes de chaînes. D’autres dimensions
résistance.
peuvent faire l’objet de normes nationales ou d’un accord entre
l’acheteur et le fabricant.
3.4 flèche minimale: Fléchissement que doit supporter une
raclette sans se rompre.
Pour permettre de choisir le type de raclette adapté à une utili-
sation particuliére, les raclettes sont classées en fonction de la
3.5 classe de résistance: Effort nécessaire pour infléchir
charge nécessaire pour obtenir une flèche minimale spécifiée en
une raclette, dans sa partie centrale, d’une fléche correspon-
essai de pliage trois points. Selon leur résistance mécanique,
dant à 10 % de l’entre-axes nominal de l’équipage mobile.
les raclettes sont classées dans les séries «légère», «moyenne))
ou «forte)).
3.6 contrôleur: Représentant de l’acheteur.
4 Matériau
2 Références normatives
II incombe au fabricant de choisir un acier donnant des raclettes
Les normes suivantes contiennent des dispositions qui, par
finies qui, après traitement thermique adéquat éventuel, répon-
suite de la référence qui en est faite, constituent des disposi-
dent aux exigences mécaniques spécifiées.
tions valables pour la présente Norme internationale. Au
moment de la publication, les éditions indiquées étaient en
vigueur. Toute norme est sujette à révision et les parties pre-
5 Traitement thermique
nantes des accords fondés sur la présente Norme internationale
sont invitées à rechercher la possibilité d’appliquer les éditions
Le traitement thermique éventuel doit être de la responsabilité
les plus récentes des normes indiquées ci-après. Les membres
du fabricant.
de la CEI et de I’ISO possèdent le registre des Normes interna-
tionales en vigueur à un moment donné.
6 Dimensions
ISO 610 : 1990, Chaînes en acier à haute résistance à la traction
fa maillons rondsl pour convoyeurs à chaînes et rabots à char-
Les raclettes doivent avoir des dimensions conformes aux spé-
bon.
cifications du tableau 1 et des figures 1 et 2. Leur partie centrale
peut avoir n’importe quelle forme et n’importe quelles dimen-
ISO 1082 : 1990, Exploitation minière - Étriers de raccorde- sions, dans les limites données dans le tableau 1 en fonction
ment pour convoyeurs à chaînes. des entre-axes de chaînes.
ISO 5612 : 1990 (FI
Figure 1 -
Dimensions des raclettes en T
--
i__p--L--
.---pppJ
Y-Y
B
_ ~~__--~ ---.-.- -
L
------A
A
iL.- - ’ --
-2-/
Figure 2 -
Dimensions des raclettes en I
Tableau 1 - Dimensions des raclettes
Dimensions en millimètres
Entre-axes Longueur Hauteur
Emplacement
Diam&re nominal Entre-axes Diamètre
Jeu latéral Épaisseur d’âme Jeu
nominal hors tout de des trous
de la du chanfrein
et pas de la chaîne
de trou
vertical
des chaînes la raclette raclette
Raclette en T Raclette en I
Raclette en T Racle
...






















Questions, Comments and Discussion
Ask us and Technical Secretary will try to provide an answer. You can facilitate discussion about the standard in here.
Loading comments...