ASTM F1386-92(2021)
(Guide)Standard Guide for Construction of Sounding Tube and Striker Plate for Tank Sounding
Standard Guide for Construction of Sounding Tube and Striker Plate for Tank Sounding
SIGNIFICANCE AND USE
5.1 Sounding tubes may be fabricated from 11/2 NPS or larger. Only when otherwise specified, Schedule 40 components, manufactured from the list of material indicated in Practice F1155 and Specification A53/A53M, Grade S or Grade ERW. In addition, sounding tubes may be fabricated in stainless steel for stainless steel tanks.
5.1.1 Sounding tubes passing through or terminating in fuel tanks, potable water tanks, or clean salt water ballast tanks should be constructed of 70-30 copper nickel, but other suitable material is acceptable.
5.2 Striker plates shall be fabricated in accordance with Specification A36/A36M.
5.3 The fittings shall be designed in accordance with ASME B16.5, ASME B16.9, ASME B16.28, or ASME B16.11 as applicable (see Table 21 in Practice F1155), and the installation shall be in accordance with ASME B31.1 as modified by Specification F722. These standards cover the fitting tolerances.
5.4 Some cargo may preclude the use of materials specified in this guide. However, configuration examples are applicable for all applications.
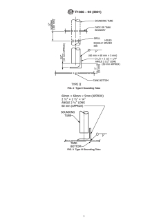
5.5 When a sounding tube is combined with the air escape, either three 11/4-in. (approximately 30-mm) diameter holes approximately 12 in. (305 mm) from the tank top equally spaced or six 1/2-in. (approximately 15-mm) diameter holes approximately 6 in. (150 mm) from the tank top equally spaced can be used for perforations. See Fig. 2.
5.6 Figs. 1-4 are guidance details.
FIG. 1 Type I Sounding Tube
FIG. 2 Type II Sounding Tube
FIG. 3 Type III Sounding Tube
FIG. 4 Type IV Sounding Tube
SCOPE
1.1 This guide covers design and construction criteria for striker plates and sounding tubes, excluding deck penetrations and caps, for use with sounding rods or tapes in freshwater, saltwater, and oil tanks.
1.2 The values stated in inch-pound units are to be regarded as standard. The values given in parentheses are mathematical conversions to SI units that are provided for information only and are not considered standard.
1.3 This standard does not purport to address all of the safety concerns, if any, associated with its use. It is the responsibility of the user of this standard to establish appropriate safety, health, and environmental practices and determine the applicability of regulatory limitations prior to use.
1.4 This international standard was developed in accordance with internationally recognized principles on standardization established in the Decision on Principles for the Development of International Standards, Guides and Recommendations issued by the World Trade Organization Technical Barriers to Trade (TBT) Committee.
General Information
- Status
- Published
- Publication Date
- 14-Apr-2021
- Technical Committee
- F25 - Ships and Marine Technology
- Drafting Committee
- F25.11 - Machinery and Piping Systems
Relations
- Effective Date
- 01-Mar-2024
- Refers
ASTM F1155-10(2019) - Standard Practice for Selection and Application of Piping System Materials - Effective Date
- 01-Dec-2019
- Refers
ASTM F1155-10(2015) - Standard Practice for Selection and Application of Piping System Materials - Effective Date
- 01-May-2015
- Effective Date
- 01-Nov-2014
- Effective Date
- 01-Nov-2012
- Effective Date
- 01-Mar-2012
- Effective Date
- 15-Dec-2010
- Effective Date
- 01-Oct-2010
- Effective Date
- 01-Nov-2008
- Effective Date
- 15-May-2008
- Effective Date
- 01-Sep-2007
- Effective Date
- 01-Oct-2006
- Effective Date
- 01-May-2006
- Effective Date
- 01-Oct-2005
- Effective Date
- 01-Mar-2005
Overview
ASTM F1386-92(2021) is a standard guide developed by ASTM International, specifically addressing the construction and installation of sounding tubes and striker plates for tank sounding. This standard provides essential criteria for the design and fabrication of components used in measuring the liquid level within freshwater, saltwater, fuel, or oil tanks aboard marine vessels and other storage applications. By following ASTM F1386-92(2021), users can ensure the structural integrity, compatibility, and reliable function of sounding tubes and striker plates, thereby supporting accurate tank gauging and operational safety.
Key Topics
- Scope of Application: Covers the requirements for striker plates and sounding tubes, excluding deck penetrations and caps, for use with sounding rods or tapes. The guide applies to both internal and external sounding tubes used in freshwater, saltwater, or oil tanks.
- Material Selection:
- Sounding tubes may be fabricated from Schedule 40 components, utilizing ASTM A53/A53M specified steel, and materials listed in ASTM F1155.
- Stainless steel is recommended for stainless steel tanks.
- For fuel, potable water, or clean saltwater ballast tanks, 70-30 copper-nickel or other suitable materials may be used.
- Striker plates must adhere to ASTM A36/A36M for carbon structural steel.
- Component Design: Fitting designs must comply with applicable ASME standards (B16.5, B16.9, B16.11, B16.28). Installations must align with ASME B31.1 piping code, as modified by ASTM F722.
- Perforation Guidance: Offers recommendations for drilling holes in sounding tubes used in combination with air escapes, enhancing fluid communication and sample accuracy.
- Types of Sounding Tubes: Defines four configurations:
- Type I: Internal tube with separate striker plate
- Type II: Internal tube with attached striker plate
- Type III: Internal tube with angle striker plate
- Type IV: External sounding tube
- Installation Criteria: Guidance on minimal slope, support requirements, and edge finishing to prevent equipment hang-up. Specifies that tubes should be as vertical as possible, with slope not exceeding 45° from vertical.
Applications
The ASTM F1386-92(2021) standard is crucial for professionals involved in shipbuilding, marine engineering, and storage tank maintenance where accurate tank gauging is vital for operational safety and efficiency. Typical applications include:
- Marine Vessels: Ensures safe and accurate liquid level measurements in ballast, potable water, and fuel tanks aboard ships.
- Industrial Storage Tanks: Supports tank monitoring in water treatment, oil & gas storage, and chemical facilities.
- New Construction and Retrofits: Applicable during both the initial build and maintenance or upgrade of tanks, ensuring compatibility with modern and legacy systems.
- Sample Collection: Enhances reliability for sampling devices and thief samplers when extracting fluid samples for analysis or control.
Following this standard helps ensure the mechanical and chemical compatibility of tank components, promoting safer operations and easier maintenance.
Related Standards
Implementing ASTM F1386-92(2021) may also involve compliance with these relevant standards:
- ASTM A36/A36M – Specification for Carbon Structural Steel, used for striker plates.
- ASTM A53/A53M – Specification for Pipe, Steel, Black and Hot-Dipped, Zinc-Coated, Welded and Seamless.
- ASTM F1155 – Practice for Selection and Application of Piping System Materials.
- ASTM F722 – Specification for Welded Joints for Shipboard Piping Systems.
- ASME B16.5, B16.9, B16.11, B16.28 – Standards for pipe and fitting design.
- ASME B31.1 – Power Piping Code for installation criteria.
- ABS Rules – Building and Classing Steel Vessels.
- AWS D1.1 – Structural Welding Code.
These standards, when used alongside ASTM F1386-92(2021), provide a comprehensive approach to the safe, compliant, and effective construction of sounding tubes and striker plates for tank measurement systems.
Buy Documents
ASTM F1386-92(2021) - Standard Guide for Construction of Sounding Tube and Striker Plate for Tank Sounding
Get Certified
Connect with accredited certification bodies for this standard
Institut za varilstvo d.o.o. (Welding Institute)
Slovenia's leading welding institute since 1952. ISO 3834, EN 1090, pressure equipment certification, NDT personnel, welder qualification. Only IIW Au
Sponsored listings
Frequently Asked Questions
ASTM F1386-92(2021) is a guide published by ASTM International. Its full title is "Standard Guide for Construction of Sounding Tube and Striker Plate for Tank Sounding". This standard covers: SIGNIFICANCE AND USE 5.1 Sounding tubes may be fabricated from 11/2 NPS or larger. Only when otherwise specified, Schedule 40 components, manufactured from the list of material indicated in Practice F1155 and Specification A53/A53M, Grade S or Grade ERW. In addition, sounding tubes may be fabricated in stainless steel for stainless steel tanks. 5.1.1 Sounding tubes passing through or terminating in fuel tanks, potable water tanks, or clean salt water ballast tanks should be constructed of 70-30 copper nickel, but other suitable material is acceptable. 5.2 Striker plates shall be fabricated in accordance with Specification A36/A36M. 5.3 The fittings shall be designed in accordance with ASME B16.5, ASME B16.9, ASME B16.28, or ASME B16.11 as applicable (see Table 21 in Practice F1155), and the installation shall be in accordance with ASME B31.1 as modified by Specification F722. These standards cover the fitting tolerances. 5.4 Some cargo may preclude the use of materials specified in this guide. However, configuration examples are applicable for all applications. 5.5 When a sounding tube is combined with the air escape, either three 11/4-in. (approximately 30-mm) diameter holes approximately 12 in. (305 mm) from the tank top equally spaced or six 1/2-in. (approximately 15-mm) diameter holes approximately 6 in. (150 mm) from the tank top equally spaced can be used for perforations. See Fig. 2. 5.6 Figs. 1-4 are guidance details. FIG. 1 Type I Sounding Tube FIG. 2 Type II Sounding Tube FIG. 3 Type III Sounding Tube FIG. 4 Type IV Sounding Tube SCOPE 1.1 This guide covers design and construction criteria for striker plates and sounding tubes, excluding deck penetrations and caps, for use with sounding rods or tapes in freshwater, saltwater, and oil tanks. 1.2 The values stated in inch-pound units are to be regarded as standard. The values given in parentheses are mathematical conversions to SI units that are provided for information only and are not considered standard. 1.3 This standard does not purport to address all of the safety concerns, if any, associated with its use. It is the responsibility of the user of this standard to establish appropriate safety, health, and environmental practices and determine the applicability of regulatory limitations prior to use. 1.4 This international standard was developed in accordance with internationally recognized principles on standardization established in the Decision on Principles for the Development of International Standards, Guides and Recommendations issued by the World Trade Organization Technical Barriers to Trade (TBT) Committee.
SIGNIFICANCE AND USE 5.1 Sounding tubes may be fabricated from 11/2 NPS or larger. Only when otherwise specified, Schedule 40 components, manufactured from the list of material indicated in Practice F1155 and Specification A53/A53M, Grade S or Grade ERW. In addition, sounding tubes may be fabricated in stainless steel for stainless steel tanks. 5.1.1 Sounding tubes passing through or terminating in fuel tanks, potable water tanks, or clean salt water ballast tanks should be constructed of 70-30 copper nickel, but other suitable material is acceptable. 5.2 Striker plates shall be fabricated in accordance with Specification A36/A36M. 5.3 The fittings shall be designed in accordance with ASME B16.5, ASME B16.9, ASME B16.28, or ASME B16.11 as applicable (see Table 21 in Practice F1155), and the installation shall be in accordance with ASME B31.1 as modified by Specification F722. These standards cover the fitting tolerances. 5.4 Some cargo may preclude the use of materials specified in this guide. However, configuration examples are applicable for all applications. 5.5 When a sounding tube is combined with the air escape, either three 11/4-in. (approximately 30-mm) diameter holes approximately 12 in. (305 mm) from the tank top equally spaced or six 1/2-in. (approximately 15-mm) diameter holes approximately 6 in. (150 mm) from the tank top equally spaced can be used for perforations. See Fig. 2. 5.6 Figs. 1-4 are guidance details. FIG. 1 Type I Sounding Tube FIG. 2 Type II Sounding Tube FIG. 3 Type III Sounding Tube FIG. 4 Type IV Sounding Tube SCOPE 1.1 This guide covers design and construction criteria for striker plates and sounding tubes, excluding deck penetrations and caps, for use with sounding rods or tapes in freshwater, saltwater, and oil tanks. 1.2 The values stated in inch-pound units are to be regarded as standard. The values given in parentheses are mathematical conversions to SI units that are provided for information only and are not considered standard. 1.3 This standard does not purport to address all of the safety concerns, if any, associated with its use. It is the responsibility of the user of this standard to establish appropriate safety, health, and environmental practices and determine the applicability of regulatory limitations prior to use. 1.4 This international standard was developed in accordance with internationally recognized principles on standardization established in the Decision on Principles for the Development of International Standards, Guides and Recommendations issued by the World Trade Organization Technical Barriers to Trade (TBT) Committee.
ASTM F1386-92(2021) is classified under the following ICS (International Classification for Standards) categories: 23.020.99 - Other fluid storage devices. The ICS classification helps identify the subject area and facilitates finding related standards.
ASTM F1386-92(2021) has the following relationships with other standards: It is inter standard links to ASTM A53/A53M-24, ASTM F1155-10(2019), ASTM F1155-10(2015), ASTM F722-82(2014), ASTM A36/A36M-12, ASTM A53/A53M-12, ASTM F1155-10, ASTM A53/A53M-10, ASTM F722-82(2008), ASTM A36/A36M-08, ASTM A53/A53M-07, ASTM A53/A53M-06a, ASTM A53/A53M-06, ASTM A53/A53M-05, ASTM A36/A36M-05. Understanding these relationships helps ensure you are using the most current and applicable version of the standard.
ASTM F1386-92(2021) is available in PDF format for immediate download after purchase. The document can be added to your cart and obtained through the secure checkout process. Digital delivery ensures instant access to the complete standard document.
Standards Content (Sample)
This international standard was developed in accordance with internationally recognized principles on standardization established in the Decision on Principles for the
Development of International Standards, Guides and Recommendations issued by the World Trade Organization Technical Barriers to Trade (TBT) Committee.
Designation: F1386 − 92 (Reapproved 2021) An American National Standard
Standard Guide for
Construction of Sounding Tube and Striker Plate for Tank
Sounding
This standard is issued under the fixed designation F1386; the number immediately following the designation indicates the year of
original adoption or, in the case of revision, the year of last revision. A number in parentheses indicates the year of last reapproval. A
superscript epsilon (´) indicates an editorial change since the last revision or reapproval.
1. Scope 2.2 ASME Standards:
ASME B16.5 Pipe Flanges and Flanged Fittings: NPS 1/2
1.1 This guide covers design and construction criteria for
through NPS 24 Metric/Inch Standard
striker plates and sounding tubes, excluding deck penetrations
ASME B16.9 Factory-Made Wrought Buttwelding Fittings
and caps, for use with sounding rods or tapes in freshwater,
ASME B16.11 Forged Fittings, Socket-Welding and
saltwater, and oil tanks.
Threaded
ASME B16.28 Wrought Steel Buttwelding Short Radius
1.2 The values stated in inch-pound units are to be regarded
Elbows and Returns
as standard. The values given in parentheses are mathematical
ASME B31.1 Power Piping
conversions to SI units that are provided for information only
and are not considered standard.
2.3 ABS Standard:
ABS Rules for Building and Classing Steel Vessels
1.3 This standard does not purport to address all of the
safety concerns, if any, associated with its use. It is the 2.4 AWS Standard:
responsibility of the user of this standard to establish appro- AWS D1.1 Structural Welding Code
priate safety, health, and environmental practices and deter-
3. Terminology
mine the applicability of regulatory limitations prior to use.
1.4 This international standard was developed in accor-
3.1 Definitions of Terms Specific to This Standard:
dance with internationally recognized principles on standard-
3.1.1 external sounding tube, n—a sounding tube located
ization established in the Decision on Principles for the
outside the boundaries of the tank being sounded.
Development of International Standards, Guides and Recom-
3.1.2 internal sounding tube, n—a sounding tube located
mendations issued by the World Trade Organization Technical
inside the tank being sounded.
Barriers to Trade (TBT) Committee.
3.1.3 sounding, n—measurement by sounding; a place or
part of a body of liquid where a hand sounding line will reach
2. Referenced Documents
bottom.
2.1 ASTM Standards:
A36/A36M Specification for Carbon Structural Steel 4. Classification
A53/A53M Specification for Pipe, Steel, Black and Hot-
4.1 Type I—Internal sounding tube, with separate striker
Dipped, Zinc-Coated, Welded and Seamless
plate.
F722 Specification for Welded Joints for Shipboard Piping
4.2 Type II—Internal sounding tube, with attached striker
Systems
plate.
F1155 Practice for Selection and Application of Piping
System Materials 4.3 Type III—Internal sounding tube, with angle striker
plate.
4.4 Type IV—External sounding tube.
This guide is under the jurisdiction of ASTM Committee F25 on Ships and
Marine Technology and is the direct responsibility of Subcommittee F25.11 on
Machinery and Piping Systems.
Current edition approved April 15, 2021. Published April 2021. Originally Available from American Society of Mechanical Engineers (ASME), ASME
ɛ1
approved in 1992. Last previous edition approved in 2016 as F1386 – 92 (2016) . International Headquarters, Two Park Ave., New York, NY 10016-5990, http://
DOI: 10.1520/F1386-92R21. www.asme.org.
2 4
For referenced ASTM standards, visit the ASTM website, www.astm.org, or Available from American Bureau of Shipping (ABS), ABS Plaza, 1701 City
contact ASTM Customer Service at service@astm.org. For Annual Book of ASTM Plaza Dr., Spring, TX 77389, http://www.eagle.org.
Standards volume information, refer to the standard’s Document Summary page on Available from American Welding Society (AWS), 8669 NW 36 St., #130,
the ASTM website. Miami, FL 33166-6672, http://www.aws.org.
Copyright © ASTM International, 100 Barr Harbor Drive, PO Box C700, West Conshohocken, PA 19428-2959. United States
F1386 − 92 (2021)
5. Significance and Use
5.1 Sounding tubes may be fabricated from 1 ⁄2 NPS or
larger. Only when otherwise specified, Schedule 40
components, manufactured from the list of material indicated
in Practic
...




Questions, Comments and Discussion
Ask us and Technical Secretary will try to provide an answer. You can facilitate discussion about the standard in here.
Loading comments...