ASTM E2734/E2734M-10(2018)
(Specification)Standard Specification for Dimensions of Knife-Edge Flanges
Standard Specification for Dimensions of Knife-Edge Flanges
SCOPE
1.1 This standard specifies the dimensions of knife-edge style flanges and their associated gaskets used in vacuum systems for pressures ranging from 105 Pa to 10-11 Pa. Such flanges are widely used throughout vacuum technology applications in semiconductor processing tools, surface analysis systems, space simulation systems, and general research requiring vacuum.
1.2 The values stated in either SI units or inch-pound units are to be regarded separately as standard. The values stated in each system may not be exact equivalents; therefore, each system shall be used independently of the other. Combining values from the two systems may result in non-conformance with the standard.
1.3 This standard does not purport to address all of the safety concerns, if any, associated with its use. It is the responsibility of the user of this standard to establish appropriate safety, health, and environmental practices and determine the applicability of regulatory limitations prior to use.
1.4 This international standard was developed in accordance with internationally recognized principles on standardization established in the Decision on Principles for the Development of International Standards, Guides and Recommendations issued by the World Trade Organization Technical Barriers to Trade (TBT) Committee.
General Information
- Status
- Published
- Publication Date
- 31-May-2018
- Technical Committee
- E42 - Surface Analysis
- Drafting Committee
- E42.13 - Vacuum Technology
Relations
- Effective Date
- 01-Jun-2018
- Effective Date
- 01-Dec-2003
- Effective Date
- 10-Dec-2002
- Effective Date
- 10-Nov-2001
- Effective Date
- 10-Nov-2001
Overview
ASTM E2734/E2734M-10(2018), Standard Specification for Dimensions of Knife-Edge Flanges, provides detailed requirements for the dimensions and tolerances of knife-edge style flanges and the associated metal gaskets used in vacuum systems. Designed to ensure interchangeability and reliable performance in high and ultra-high vacuum (UHV) applications, this ASTM standard supports industries where vacuum integrity and cleanliness are critical.
Knife-edge flanges, often referred to by their common trade name (such as Conflat®), are recognized for their ability to achieve high-quality metal seals with low outgassing, making them essential in fields like semiconductor fabrication, surface analysis, and space simulation. This specification defines dimensional requirements in both SI and inch-pound units, with strict guidance to avoid mixing unit systems to maintain conformance.
Key Topics
- Dimensional Standards: Specifies nominal sizes, bolt patterns, knife-edge geometries, and allowable variations for both rotatable and non-rotatable vacuum flanges.
- Materials & Manufacture: Calls for flanges made from hard or hard-coated materials to resist edge deformation over repeated use, and gaskets made from soft, annealed metals to ensure reliable metal-to-metal seals.
- Surface Finish: Requires flange sealing surfaces and gaskets to meet a 32 RMS finish or better, free of visible defects, ensuring minimal contamination and maximum seal integrity.
- Interchangeability: Promotes compatibility across manufacturers by standardizing flange and gasket dimensions.
- Unit Systems: Provides details in both SI and inch-pound (imperial) units, with guidance to use one system exclusively per application.
Applications
ASTM E2734/E2734M is widely used in the design, manufacturing, and installation of vacuum hardware where dependable and repeatable vacuum seals are necessary. Key application areas include:
- Semiconductor Processing: Ensures leak-free and clean environments in wafer fabrication and processing equipment.
- Surface Analysis Instruments: Provides reliable UHV connections in systems such as X-ray photoelectron spectroscopy (XPS) and scanning electron microscopes (SEM).
- Space Simulation Chambers: Permits assembly of large vacuum chambers simulating space environments, crucial for testing aerospace components.
- General Research: Supports high-integrity vacuum setups in physics labs and research institutions that demand ultra-low leakage rates and minimal contamination.
Knife-edge vacuum flanges specified in this standard are fundamental for any vacuum system requiring high reproducibility, ease of assembly/disassembly, and compatibility with widely adopted industry practices.
Related Standards
For enhanced compatibility and comprehensive system design, consider these related standards:
- ISO 4288:1996 - Geometrical Product Specifications (GPS) - Rules and procedures for surface texture assessment, referenced for ensuring the required surface finish for sealing.
- ASTM E673 - Terminology Relating to Surface Analysis (withdrawn), previously referenced for definitions in the field of vacuum technology.
- Other Vacuum Flange Standards (e.g., ISO, DIN, or JIS flanges), depending on regional or system-specific requirements.
Practical Value
By adhering to ASTM E2734/E2734M, manufacturers, engineers, and end users can:
- Guarantee interchangeability and fit between components from various suppliers.
- Achieve superior vacuum integrity, minimizing system leaks and outgassing.
- Streamline the procurement and maintenance of vacuum fittings, reducing costs and downtime.
- Ensure compliance with internationally recognized best practices, facilitating global trade and collaboration in high-tech sectors.
Keywords: knife-edge flange, vacuum flange, vacuum gasket, metal seal, metal gasket, rotatable flange, vacuum fitting, ultra-high vacuum, ASTM E2734, vacuum hardware, vacuum system standards.
Buy Documents
ASTM E2734/E2734M-10(2018) - Standard Specification for Dimensions of Knife-Edge Flanges
Get Certified
Connect with accredited certification bodies for this standard
Institut za varilstvo d.o.o. (Welding Institute)
Slovenia's leading welding institute since 1952. ISO 3834, EN 1090, pressure equipment certification, NDT personnel, welder qualification. Only IIW Au
Sponsored listings
Frequently Asked Questions
ASTM E2734/E2734M-10(2018) is a technical specification published by ASTM International. Its full title is "Standard Specification for Dimensions of Knife-Edge Flanges". This standard covers: SCOPE 1.1 This standard specifies the dimensions of knife-edge style flanges and their associated gaskets used in vacuum systems for pressures ranging from 105 Pa to 10-11 Pa. Such flanges are widely used throughout vacuum technology applications in semiconductor processing tools, surface analysis systems, space simulation systems, and general research requiring vacuum. 1.2 The values stated in either SI units or inch-pound units are to be regarded separately as standard. The values stated in each system may not be exact equivalents; therefore, each system shall be used independently of the other. Combining values from the two systems may result in non-conformance with the standard. 1.3 This standard does not purport to address all of the safety concerns, if any, associated with its use. It is the responsibility of the user of this standard to establish appropriate safety, health, and environmental practices and determine the applicability of regulatory limitations prior to use. 1.4 This international standard was developed in accordance with internationally recognized principles on standardization established in the Decision on Principles for the Development of International Standards, Guides and Recommendations issued by the World Trade Organization Technical Barriers to Trade (TBT) Committee.
SCOPE 1.1 This standard specifies the dimensions of knife-edge style flanges and their associated gaskets used in vacuum systems for pressures ranging from 105 Pa to 10-11 Pa. Such flanges are widely used throughout vacuum technology applications in semiconductor processing tools, surface analysis systems, space simulation systems, and general research requiring vacuum. 1.2 The values stated in either SI units or inch-pound units are to be regarded separately as standard. The values stated in each system may not be exact equivalents; therefore, each system shall be used independently of the other. Combining values from the two systems may result in non-conformance with the standard. 1.3 This standard does not purport to address all of the safety concerns, if any, associated with its use. It is the responsibility of the user of this standard to establish appropriate safety, health, and environmental practices and determine the applicability of regulatory limitations prior to use. 1.4 This international standard was developed in accordance with internationally recognized principles on standardization established in the Decision on Principles for the Development of International Standards, Guides and Recommendations issued by the World Trade Organization Technical Barriers to Trade (TBT) Committee.
ASTM E2734/E2734M-10(2018) is classified under the following ICS (International Classification for Standards) categories: 23.160 - Vacuum technology. The ICS classification helps identify the subject area and facilitates finding related standards.
ASTM E2734/E2734M-10(2018) has the following relationships with other standards: It is inter standard links to ASTM E2734/E2734M-10, ASTM E673-03, ASTM E673-02a, ASTM E673-01, ASTM E673-98E1. Understanding these relationships helps ensure you are using the most current and applicable version of the standard.
ASTM E2734/E2734M-10(2018) is available in PDF format for immediate download after purchase. The document can be added to your cart and obtained through the secure checkout process. Digital delivery ensures instant access to the complete standard document.
Standards Content (Sample)
This international standard was developed in accordance with internationally recognized principles on standardization established in the Decision on Principles for the
Development of International Standards, Guides and Recommendations issued by the World Trade Organization Technical Barriers to Trade (TBT) Committee.
Designation: E2734/E2734M −10 (Reapproved 2018)
Standard Specification for
Dimensions of Knife-Edge Flanges
ThisstandardisissuedunderthefixeddesignationE2734/E2734M;thenumberimmediatelyfollowingthedesignationindicatestheyear
of original adoption or, in the case of revision, the year of last revision. A number in parentheses indicates the year of last reapproval.
A superscript epsilon (´) indicates an editorial change since the last revision or reapproval.
1. Scope 2.2 ISO Standard:
ISO 4288:1996 GeometricalProductSpecifications(GPS)—
1.1 This standard specifies the dimensions of knife-edge
Surface Texture: Profile Method—Rules and Procedures
style flanges and their associated gaskets used in vacuum
for the Assessment of Surface Texture
5 -11
systems for pressures ranging from 10 Pa to 10 Pa. Such
flanges are widely used throughout vacuum technology appli-
3. Terminology
cations in semiconductor processing tools, surface analysis
3.1 Definitions—For definitions used in this specification,
systems, space simulation systems, and general research re-
see Terminology E673.
quiring vacuum.
3.2 Definitions of Terms Specific to This Standard:
1.2 The values stated in either SI units or inch-pound units 3.2.1 knife-edge flange, n—vacuum flanges seal with a
are to be regarded separately as standard. The values stated in metal gasket; two mating surfaces with identical circular
each system may not be exact equivalents; therefore, each (triangular profile) knife-edges are bolted together; a deform-
system shall be used independently of the other. Combining able metal gasket, captured between the knife-edges provides a
values from the two systems may result in non-conformance leak-free seal.
with the standard. 3.2.1.1 Discussion—Vacuum flanges that seal with a metal
gasket were originally developed as Conflat flanges (trade-
1.3 This standard does not purport to address all of the
mark) by the Varian Corporation.
safety concerns, if any, associated with its use. It is the
3.2.2 type, n—knife-edge flanges come in a variety of sizes;
responsibility of the user of this standard to establish appro-
historically, the flange sizes were identified in North America
priate safety, health, and environmental practices and deter-
astheflange’soutsidediameter(ininches)andinEuropeasthe
mine the applicability of regulatory limitations prior to use.
maximum nominal bore of the tube (in millimetres) that might
1.4 This international standard was developed in accor-
be welded to the flange; for this specification, the flange
dance with internationally recognized principles on standard-
identification “type” is used where the type is approximately
ization established in the Decision on Principles for the
equal to the flange’s outside diameter in inches.
Development of International Standards, Guides and Recom-
mendations issued by the World Trade Organization Technical
4. Materials and Manufacture
Barriers to Trade (TBT) Committee.
4.1 Flange—Flanges must be manufactured from a suffi-
cientlyhardorhard-coatedmaterialtoresistdeformationofthe
2. Referenced Documents
knife-edge profile despite repeatedly forming a vacuum seal
2.1 ASTM Standard:
with metal gaskets.
E673 Terminology Relating to SurfaceAnalysis (Withdrawn
3 4.2 Gasket—Gasket must be manufactured from a soft,
2012)
annealed, or partially-tempered metal such that the mating
flanges’ knife-edges cause sufficient (initial) plastic deforma-
tion that a vacuum seal is accomplished.
ThisspecificationisunderthejurisdictionofASTMCommitteeE42onSurface
Analysis and is the direct responsibility of Subcommittee E42.13 on Vacuum
5. Dimensions, Mass, and Permissible Variations
Technology.
Current edition approved June 1, 2018. Published June 2018. Originally 5.1 Figs. 1-3 and Tables 1 and 2 contain the required
approved in 2010. Last previous edition approved in 2010 as E2734/E2734M–10.
dimensions and tolerances for rotatable and non-rotatable
DOI: 10.1520/E2734_E2734M-10R18.
knife-edge vacuum flanges.
For referenced ASTM standards, visit the ASTM website, www.astm.org, or
contact ASTM Customer Service at service@astm.org. For Annual Book of ASTM
Standards volume information, refer to the standard’s Document Summary page on
the ASTM website. Available from International Organization for Standardization (ISO), ISO
The last approved version of this historical standard is referenced on Central Secretariat, BIBC II, Chemin de Blandonnet 8, CP 401, 1214 Vernier,
www.astm.org. Geneva, Switzerland, http://www.iso.org.
Copyright © ASTM International, 100 Barr Harbor Drive, PO Box C700, West Conshohocken, PA 19428-2959. United States
E2734/E2734M − 10 (2018)
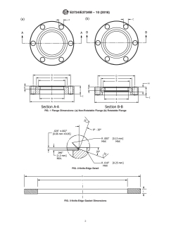
FIG. 1 Flange Dimensions: (a) Non-Rotatable Flange (b) Rotatable Flange
FIG. 2 Knife-Edge Detail
FIG. 3 Knife-Edge Gasket Dimensions
E2734/E2734M − 10 (2018)
TABLE 1 Knife-Edge Flange Dimension
AB C D E F G H I
Setback
Nominal Seal Knife
Num- Position Flange Depth of
Outside Recess Edge
Max ber Bolt Tolerance Face to Receiver Flange
Nominal Diameter Bolt Bolt Diameter Diameter
Type Tube of Hole of Tube Seat Seat for Thickness
Bore Tolerance Thread Circle Tolerance Tolerance
Diameter Bolt Diameter Bolt Tolerance Insert (Min)
±0.030 in. ±0.004 in. ±0.004 in.
Holes Holes ±0.005 in. (Max)
[±0.75 mm] [±0.10 mm] [±0.10 mm]
[±0.12 mm]
Min, Max, Min, Max,
mm in. mm in. mm in. mm in. mm in. mm in. mm in. mm in. mm in. mm in.
mm mm in. in.
1 in. OD 10CF 25.40 1.000 12.0 0.472 6 3.3 3.5 0.130 0.138 m3–05 n/a 17.5 0.689 0.1 0.004 13.49 0.531 10.49 0.413 3.00 0.118 n/a n/a 6.0 0.236
1 ⁄3 in. OD 16CF 33.86 1.333 19.3 0.760 6 4.3 4.6 0.171 0.180 m4–07 #8–32 27.0 1.062 0.2 0.009 21.39 0.842 18.29 0.720 4.57 0.180 6.50 0.256 6.6 0.260
1 1
2 ⁄8 in. OD 25CF 53.98 2.125 25.7 1.010 4 6.7 6.9 0.264 0.273 m6–1.0 ⁄4 –28 41.3 1.625 0.2 0.009 33.02 1.300 27.69 1.090 4.32 0.170 7.06 0.278 11.4 0.450
3 1
2 ⁄4 in.
...




Questions, Comments and Discussion
Ask us and Technical Secretary will try to provide an answer. You can facilitate discussion about the standard in here.
Loading comments...