ASTM A197/A197M-00(2023)e1
(Specification)Standard Specification for Cupola Malleable Iron
Standard Specification for Cupola Malleable Iron
ABSTRACT
This specification covers malleable irons for castings made by the cupola process. The chemical composition of the iron shall be such as to produce materials that meet the mechanical property requirements. The tensile test methods for malleable iron are presented in details. At least three tensile test specimens shall be cast from a representative ladle of iron from each 4-h pour period during the purchaser's castings were poured. Only one test specimen need be tested to qualify each pour period and heat treatment batch provided the requirements of this specification are met by the test specimen. The microstructure of the malleable iron shall consist of temper carbon nodules uniformly distributed in a ferritic matrix and shall be free from excessive pearlite, massive carbides, and primary graphite. All castings, on visual examination shall be sound and free from obvious shrinkage and porosity.
SCOPE
1.1 This specification covers malleable irons for castings made by the cupola process.
1.2 Without knowledge of casting geometry and process details, quantitative relationships cannot be stated between the properties of the iron in the various locations of a casting and those of a test bar cast from the same iron.
1.3 The values stated in either inch-pound units or SI units are to be regarded separately as standard. Within the text, the SI units are shown in brackets. The values stated in each system are not exact equivalents; therefore, each system shall be used independently of the other. Combining values from the two systems may result in nonconformance with the specification.
1.4 This international standard was developed in accordance with internationally recognized principles on standardization established in the Decision on Principles for the Development of International Standards, Guides and Recommendations issued by the World Trade Organization Technical Barriers to Trade (TBT) Committee.
General Information
- Status
- Published
- Publication Date
- 31-Oct-2023
- Technical Committee
- A04 - Iron Castings
- Drafting Committee
- A04.02 - Malleable and Ductile Iron Castings
Relations
- Effective Date
- 01-Nov-2023
- Effective Date
- 01-Apr-2024
- Effective Date
- 01-Jan-2024
- Effective Date
- 01-May-2022
- Refers
ASTM A247-19 - Standard Test Method for Evaluating the Microstructure of Graphite in Iron Castings - Effective Date
- 01-Mar-2019
- Effective Date
- 01-Nov-2023
Overview
ASTM A197/A197M-00(2023)e1, titled "Standard Specification for Cupola Malleable Iron," is an international standard developed by ASTM International. This specification defines the requirements for malleable iron castings produced by the cupola process. The standard outlines the necessary chemical composition, mechanical, and microstructural properties to ensure that castings meet quality, performance, and reliability expectations for varied industrial applications. Strict guidelines for tensile testing, visual inspection, and heat treatment are included to ensure castings exhibit consistent, sound material quality.
Key Topics
- Scope and Applicability: The standard specifically addresses malleable iron for castings made using the cupola process. It cautions that without detailed knowledge of casting geometry and processing, direct property comparisons between castings and separately cast test bars may not be precise.
- Chemical Composition: Composition must be controlled to produce the mechanical properties required by the standard. Purchasers may specify additional requirements as needed.
- Mechanical Properties: The standard mandates minimum tensile strength, yield strength, and elongation levels:
- Tensile Strength, min: 40,000 psi [275 MPa]
- Yield Strength, min: 30,000 psi [200 MPa]
- Elongation in 2 in. [50 mm], min: 5%
- Tensile Testing: Specifies procedures for casting, preparing, and testing specimens, including requirements for number of tests per pour period and retest conditions.
- Microstructural Requirements: Castings must have temper carbon nodules uniformly distributed in a ferritic matrix, free from excessive pearlite, massive carbides, and primary graphite.
- Visual and Soundness Criteria: Castings must be free from shrinkage, porosity, and surface imperfections. The surface finish and cleanliness are critical for usability and further processing.
- Identification & Traceability: Each casting should be marked with manufacturer and part information; special markings are required for steam service castings.
- Inspection & Certification: Manufacturers must maintain records of all tests and inspections, and make these available for purchaser review.
Applications
Cupola malleable iron castings are widely used in various industries due to their combination of strength, ductility, and workability. Key application areas include:
- Automotive Components: Axle housings, steering gear parts, and suspension components
- Pipe Fittings & Plumbing: Valves, flanges, and pressure pipe fittings that require both strength and impact resistance
- Machinery Parts: Gears, levers, linkages, and brackets for industrial and agricultural machinery
- General Hardware: Tools, fasteners, and construction hardware that benefit from malleable iron's machinability and toughness
Adherence to ASTM A197/A197M ensures these components are manufactured to consistent mechanical and performance standards, supporting safety and reliability.
Related Standards
Several other standards complement or provide additional guidance for cupola malleable iron castings:
- ASTM A247 - Standard Test Method for Evaluating the Microstructure of Graphite in Iron Castings: Describes procedures for assessing the distribution of carbon nodules.
- ASTM A644 - Terminology Relating to Iron Castings: Offers standardized definitions for terms used in iron casting standards.
- ASTM E8/E8M - Standard Test Methods for Tension Testing of Metallic Materials: Provides the tensile test procedures referenced in A197/A197M.
- International Guidance: Developed in line with WTO Technical Barriers to Trade (TBT) principles, ensuring global harmonization and broad acceptance.
By following ASTM A197/A197M and its related standards, manufacturers and purchasers ensure malleable iron castings produced by the cupola process meet recognized international benchmarks for quality and performance.
Buy Documents
ASTM A197/A197M-00(2023)e1 - Standard Specification for Cupola Malleable Iron
Get Certified
Connect with accredited certification bodies for this standard

Element Materials Technology
Materials testing and product certification.
Inštitut za kovinske materiale in tehnologije
Institute of Metals and Technology. Materials testing, metallurgical analysis, NDT.
Sponsored listings
Frequently Asked Questions
ASTM A197/A197M-00(2023)e1 is a technical specification published by ASTM International. Its full title is "Standard Specification for Cupola Malleable Iron". This standard covers: ABSTRACT This specification covers malleable irons for castings made by the cupola process. The chemical composition of the iron shall be such as to produce materials that meet the mechanical property requirements. The tensile test methods for malleable iron are presented in details. At least three tensile test specimens shall be cast from a representative ladle of iron from each 4-h pour period during the purchaser's castings were poured. Only one test specimen need be tested to qualify each pour period and heat treatment batch provided the requirements of this specification are met by the test specimen. The microstructure of the malleable iron shall consist of temper carbon nodules uniformly distributed in a ferritic matrix and shall be free from excessive pearlite, massive carbides, and primary graphite. All castings, on visual examination shall be sound and free from obvious shrinkage and porosity. SCOPE 1.1 This specification covers malleable irons for castings made by the cupola process. 1.2 Without knowledge of casting geometry and process details, quantitative relationships cannot be stated between the properties of the iron in the various locations of a casting and those of a test bar cast from the same iron. 1.3 The values stated in either inch-pound units or SI units are to be regarded separately as standard. Within the text, the SI units are shown in brackets. The values stated in each system are not exact equivalents; therefore, each system shall be used independently of the other. Combining values from the two systems may result in nonconformance with the specification. 1.4 This international standard was developed in accordance with internationally recognized principles on standardization established in the Decision on Principles for the Development of International Standards, Guides and Recommendations issued by the World Trade Organization Technical Barriers to Trade (TBT) Committee.
ABSTRACT This specification covers malleable irons for castings made by the cupola process. The chemical composition of the iron shall be such as to produce materials that meet the mechanical property requirements. The tensile test methods for malleable iron are presented in details. At least three tensile test specimens shall be cast from a representative ladle of iron from each 4-h pour period during the purchaser's castings were poured. Only one test specimen need be tested to qualify each pour period and heat treatment batch provided the requirements of this specification are met by the test specimen. The microstructure of the malleable iron shall consist of temper carbon nodules uniformly distributed in a ferritic matrix and shall be free from excessive pearlite, massive carbides, and primary graphite. All castings, on visual examination shall be sound and free from obvious shrinkage and porosity. SCOPE 1.1 This specification covers malleable irons for castings made by the cupola process. 1.2 Without knowledge of casting geometry and process details, quantitative relationships cannot be stated between the properties of the iron in the various locations of a casting and those of a test bar cast from the same iron. 1.3 The values stated in either inch-pound units or SI units are to be regarded separately as standard. Within the text, the SI units are shown in brackets. The values stated in each system are not exact equivalents; therefore, each system shall be used independently of the other. Combining values from the two systems may result in nonconformance with the specification. 1.4 This international standard was developed in accordance with internationally recognized principles on standardization established in the Decision on Principles for the Development of International Standards, Guides and Recommendations issued by the World Trade Organization Technical Barriers to Trade (TBT) Committee.
ASTM A197/A197M-00(2023)e1 is classified under the following ICS (International Classification for Standards) categories: 77.080.10 - Irons. The ICS classification helps identify the subject area and facilitates finding related standards.
ASTM A197/A197M-00(2023)e1 has the following relationships with other standards: It is inter standard links to ASTM A197/A197M-00(2019), ASTM A247-24, ASTM E8/E8M-24, ASTM E8/E8M-22, ASTM A247-19, ASTM A834-95(2020). Understanding these relationships helps ensure you are using the most current and applicable version of the standard.
ASTM A197/A197M-00(2023)e1 is available in PDF format for immediate download after purchase. The document can be added to your cart and obtained through the secure checkout process. Digital delivery ensures instant access to the complete standard document.
Standards Content (Sample)
This international standard was developed in accordance with internationally recognized principles on standardization established in the Decision on Principles for the
Development of International Standards, Guides and Recommendations issued by the World Trade Organization Technical Barriers to Trade (TBT) Committee.
´1
Designation: A197/A197M − 00 (Reapproved 2023)
Standard Specification for
Cupola Malleable Iron
This standard is issued under the fixed designation A197/A197M; the number immediately following the designation indicates the year
of original adoption or, in the case of revision, the year of last revision. A number in parentheses indicates the year of last reapproval.
A superscript epsilon (´) indicates an editorial change since the last revision or reapproval.
This standard has been approved for use by agencies of the U.S. Department of Defense.
ε NOTE—A misspelling in 13.2 was editorially corrected in November 2023.
1. Scope 3. Terminology
3.1 Definitions—Definitions for many terms common to
1.1 This specification covers malleable irons for castings
iron castings are found in Terminology A644.
made by the cupola process.
1.2 Without knowledge of casting geometry and process
4. Classification
details, quantitative relationships cannot be stated between the
4.1 Iron produced for castings ordered under this specifica-
properties of the iron in the various locations of a casting and
tion is classified in a single grade and is qualified by tests on
those of a test bar cast from the same iron.
separately cast test bars. Separately cast test bars shall be
poured from the same lot of iron as the castings they represent
1.3 The values stated in either inch-pound units or SI units
are to be regarded separately as standard. Within the text, the and shall be heat treated with those castings.
SI units are shown in brackets. The values stated in each
5. Ordering Information
system are not exact equivalents; therefore, each system shall
be used independently of the other. Combining values from the
5.1 The purchase order for castings ordered under this
two systems may result in nonconformance with the specifi-
specification shall state the specification designation and the
cation.
year in which the specification was issued.
1.4 This international standard was developed in accor-
5.2 Any options or special additions to the basic require-
dance with internationally recognized principles on standard-
ments of this specification shall be clearly and fully stipulated.
ization established in the Decision on Principles for the
Development of International Standards, Guides and Recom-
6. Chemical Composition
mendations issued by the World Trade Organization Technical
6.1 The chemical composition of the iron shall be such as to
Barriers to Trade (TBT) Committee.
produce the mechanical properties required by this specifica-
tion.
2. Referenced Documents
7. Mechanical Requirements
2.1 ASTM Standards:
A247 Test Method for Evaluating the Microstructure of
7.1 Factors influencing the properties of castings and their
Graphite in Iron Castings
relationship to those of test specimens and separate test
A644 Terminology Relating to Iron Castings
castings are discussed in Appendix X1.
E8/E8M Test Methods for Tension Testing of Metallic Ma-
7.2 Tensile Test:
terials
7.2.1 Tensile Test Specimens:
7.2.1.1 The tensile test specimens shall be cast to the form
and dimensions shown in Figs. 1 and 2 using the same kind of
This specification is under the jurisdiction of ASTM Committee A04 on Iron
molding material used for the production castings.
Castings and is the direct responsibility of Subcommittee A04.02 on Malleable and
7.2.1.2 All test specimens shall be suitably identified with
Ductile Iron Castings.
the designation of the pour period.
Current edition approved Nov. 1, 2023. Published November 2023. Originally
7.2.1.3 All test specimens shall be heat treated in the same
approved in 1936. Last previous edition approved in 2019 as A197/A197M – 00
(2019). DOI: 10.1520/A0197_A0197M-00R23E01.
production furnace and for the same cycles as the castings they
For referenced ASTM standards, visit the ASTM website, www.astm.org, or
represent.
contact ASTM Customer Service at service@astm.org. For Annual Book of ASTM
7.2.2 Tensile Test Method:
Standards volume information, refer to the standard’s Document Summary page on
the ASTM website. 7.2.2.1 Perform the tensile test on unmachined specimens.
Copyright © ASTM International, 100 Barr Harbor Drive, PO Box C700, West Conshohocken, PA 19428-2959. United States
´1
A197/A197M − 00 (2023)
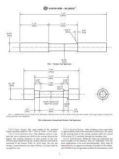
FIG. 1 Tension Test Specimen
NOTE 1—Modifications may be made in the dimensions indicated above for those details of the specimen outside of the gage length as required by
testing procedure and equipment.
FIG. 2 Alternative Unmachined Tension Test Specimen
7.2.2.2 Gage Length—The gage length of the standard 7.2.2.4 Speed of Testing—After reaching a stress equivalent
tensile specimen shall be 2.00 6 0.01 in. [50.0 6 0.03 mm]. to approximately half of the anticipated yield stress, the speed
7.2.2.3 Cross-Sectional Area—The diameter used to com- of the moving head of the testing machine shall not exceed
pute the cross-sectional area shall be the average between the 0.50 in./min [12.5 mm/min] through the breaking load.
largest and smallest diameters in that section of the 2 in. 7.2.2.5 Yield Strength—While the values for yield point and
[50 mm] gage length having the smallest diameter and shall be yield strength are not identical, they are sufficiently close for
measured to the nearest 0.001 in. [0.02 mm]. No cast bar most applications to be used interchangeably. They shall be
having a mean diameter less than 0.590 in. [15 mm] shall be determined by an approved technique described in Test Meth-
accepted for test. ods E8/E8M or by an equivalent method. If determined as yield
´1
A197/A197M − 00 (2023)
strength, that stress producing an extension under load of 8. Microstructural Requirements
0.01 in. [0.25 mm] over the 2 in. [50 mm] gage length (for
8.1 The microstructure of the malleable iron shall consist of
example, 0.5 % extension) or an offset of 0.2 % shall be taken
temper carbon nodules uniformly distributed in a ferritic matrix
as the yield stress, which shall be converted to yield strength by
and shall be free from excessive pearlite, massive carbides, and
dividing by the original cross-sectional area of the gage length
primary graphite.
found in accordance with 7.2.2.3. It shall be reported to the
8.2 In referee work the metallographic practice recom-
nearest 100 psi [1 MPa]. In referee work, yield strength shall be
mended in Test Method A247 shall be followed.
determined at an offset of 0.2 % from the stress strain curve.
7.2.2.6 Tensile Strength—The tensile strength shall be the
9. Soundness Requirements
maximum load carried by the specimen during the test divided
by the original cross-sectional area of the gage length, as found 9.1 All castings on visual examination shall be sound and
free from obvious shrinkage and porosity.
in accordance with 7.2.2.3. It shall be reported to the nearest
100 psi [1 MPa].
9.2 If the purchaser requires soundness tests to be
7.2.2.7 Elongation—The elongation is the increase in gage
performed, it shall be so stated in the purchase agreement and
length after fracture of a tensile specimen, measured to the
the method and soundness requirements shall be detailed.
nearest 0.01 in. [0.25 mm] expressed as a percentage of the
original gage length. It shall be reported to the nearest 0.5 %.
10. Dimensional Requirements
7.2.3 Number of Tests and Retests:
10.1 The castings shall conform to the dimensions given on
7.2.3.1 At least three tensile test specimens shall be cast
drawings furnished by the purchaser, or to the dimensions
from a representative ladle of iron from each 4 h pour period
established by the pattern equipment supplied by the purchaser.
during which the purchaser’s castings were poured.
7.2.3.2 Only one test specimen need be tested to qualify
11. Workmanship, Finish, and Appearance
each pour period and heat treatment batch provided the
11.1 The surface of the casting shall be clean, free from
requirements of this specification are met by that test specimen.
sand, and have a workmanlike finish.
7.2.3.3 If after testing a specimen shows evidence of a
defect, another tensile test may be made on a companion
12. Identification Marking
specimen. Also, a retest shall be permitted whenever fracture
12.1 When the size of the casting permits, each casting shall
occurs outside the central 50 % of the gage length.
bear the identifying mark of the manufacturer and the part or
7.2.3.4 If
...




Questions, Comments and Discussion
Ask us and Technical Secretary will try to provide an answer. You can facilitate discussion about the standard in here.
Loading comments...